LEMON Manuals: Even more car manuals for everyone: 1960-2025
Home >> Cadillac >> 2007 >> Escalade EXT >> Repair and Diagnosis >> External Pages >> Different car >> Section 923 (Door Lock Systems & Door Handles) >> Schematic & Routing Diagrams >> Door Control Module Schematics
April 5, 2026: LEMON Manuals is launched! Read the announcement.

Door Control Module Schematics

WARNING: This page is about a different car, the 2007 GMC Sierra and 2007 Chevrolet Silverado. However, it is still accessible from the selected car via links, so may be relevant.
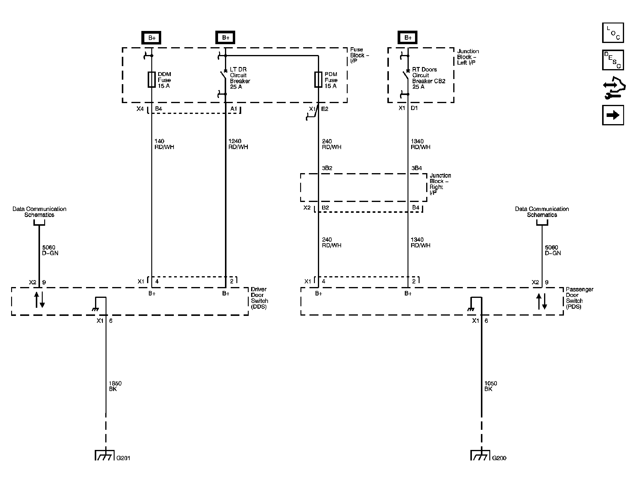
Fig 1: Power, Ground & Serial Data Schematic
GM1850757Courtesy of GENERAL MOTORS CORP.
Fig 2: Door Lock, Window & Lighting System References Schematic
GM1850758Courtesy of GENERAL MOTORS CORP.
Fig 3: Outside Rearview Mirror References Schematic
GM1850759Courtesy of GENERAL MOTORS CORP.
Fig 4: Heated Seat References Schematic
GM1850760Courtesy of GENERAL MOTORS CORP.