LEMON Manuals: Even more car manuals for everyone: 1960-2025
Home >> Cadillac >> 2007 >> STS Base, 4.6 A, AWD >> Repair and Diagnosis >> Accessories & Equipment >> Anti-Theft Systems >> Keyless Entry System And Remote Functions >> Schematic and Routing Diagrams >> Remote Function Schematics
April 5, 2026: LEMON Manuals is launched! Read the announcement.

Remote Function Schematics

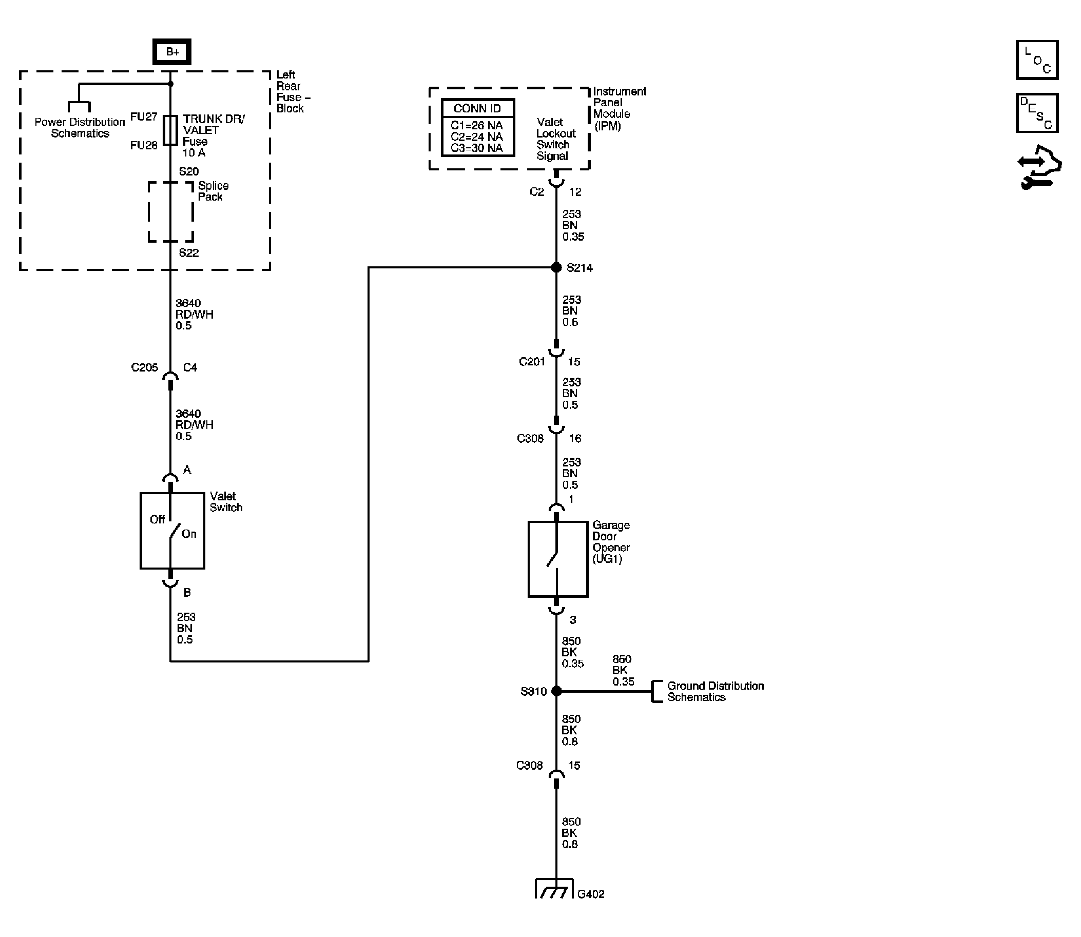
Fig 1: Garage Door Opener Schematic
GM1822880Courtesy of GENERAL MOTORS CORP.
Fig 2: Module Power, Grounds, Antennas and Switches Schematic
GM1822883Courtesy of GENERAL MOTORS CORP.
Fig 3: DLC, Instrument Panel Cluster (IPC) Schematic
GM1822886Courtesy of GENERAL MOTORS CORP.
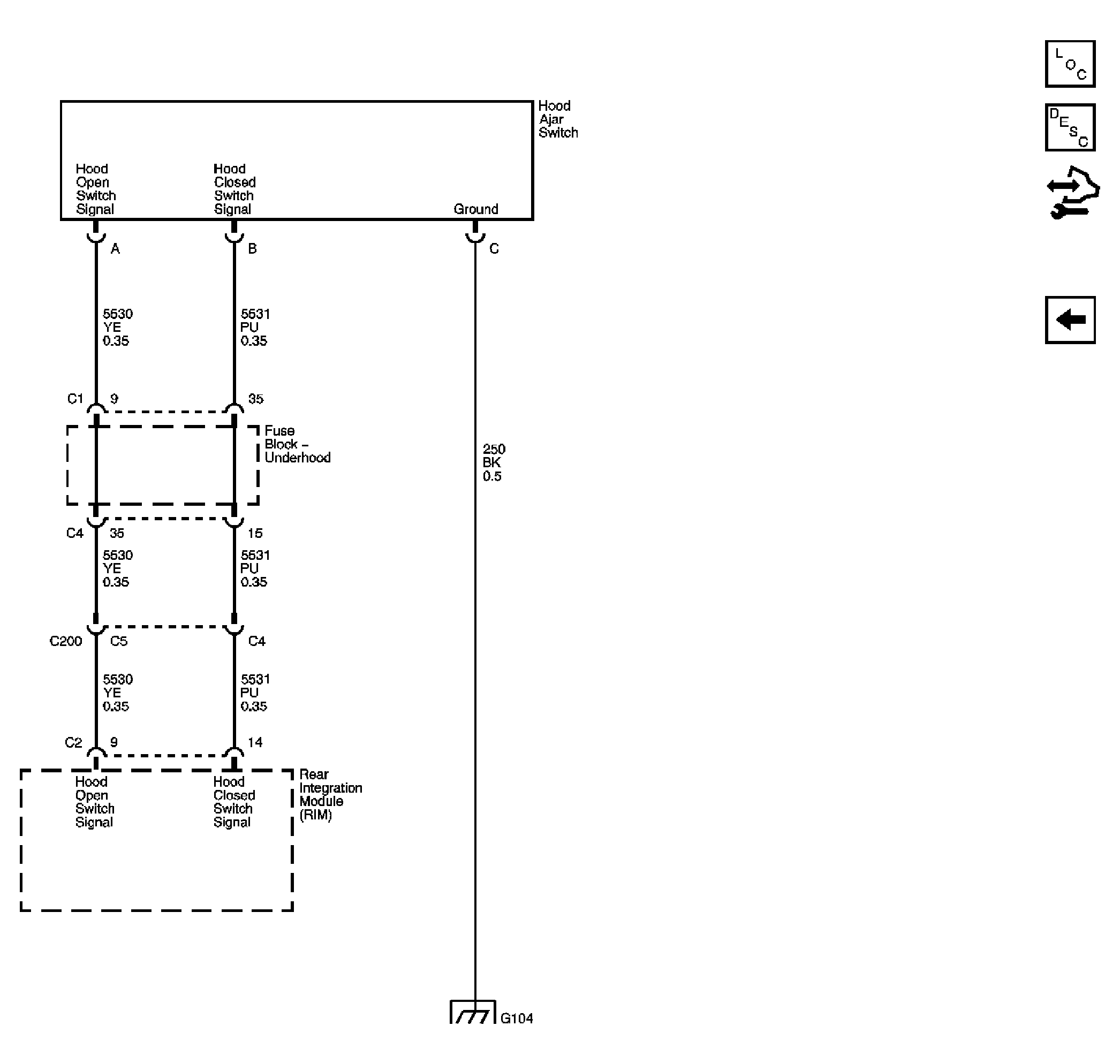
Fig 4: Hood Ajar Switch Schematic
GM1822154Courtesy of GENERAL MOTORS CORP.