LEMON Manuals: Even more car manuals for everyone: 1960-2025
Home >> Cadillac >> 2007 >> STS Base, 4.6 A, AWD >> Repair and Diagnosis >> External Pages >> Different car >> Section 12 (Lighting Systems) >> Schematic and Routing Diagrams >> Headlight Leveling Schematics
April 5, 2026: LEMON Manuals is launched! Read the announcement.

Headlight Leveling Schematics

WARNING: This page is about a different car, the 2008 Cadillac SRX. However, it is still accessible from the selected car via links, so may be relevant.
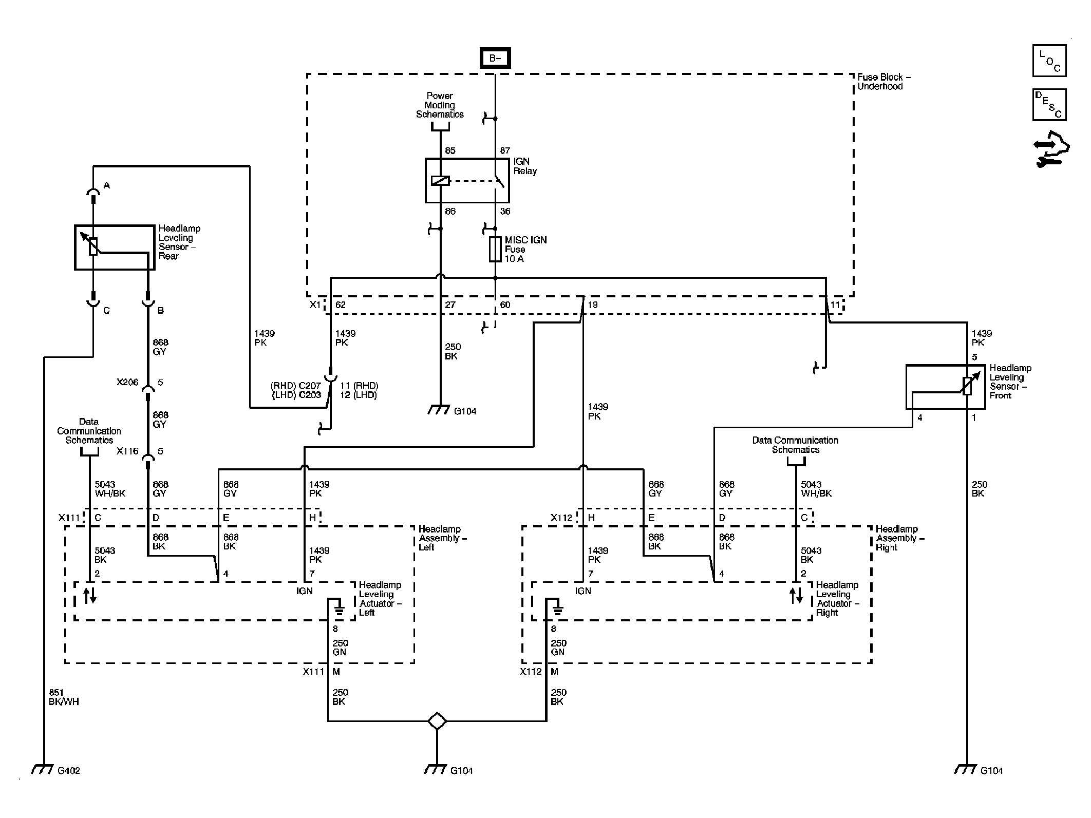
Fig 1: Headlamp Leveling Schematic
GM1873179Courtesy of GENERAL MOTORS CORP.