LEMON Manuals: Even more car manuals for everyone: 1960-2025
Home >> Cadillac >> 2007 >> STS Base, 4.6 A, AWD >> Repair and Diagnosis >> External Pages >> Different car >> Section 244 (Antilock Brake System With Traction Control System & Stability Control System) >> Schematic and Routing Diagrams >> Antilock Brake System Schematics (Except JL7)
April 5, 2026: LEMON Manuals is launched! Read the announcement.

Antilock Brake System Schematics (Except JL7)

WARNING: This page is about a different car, the 2010 Cadillac STS. However, it is still accessible from the selected car via links, so may be relevant.
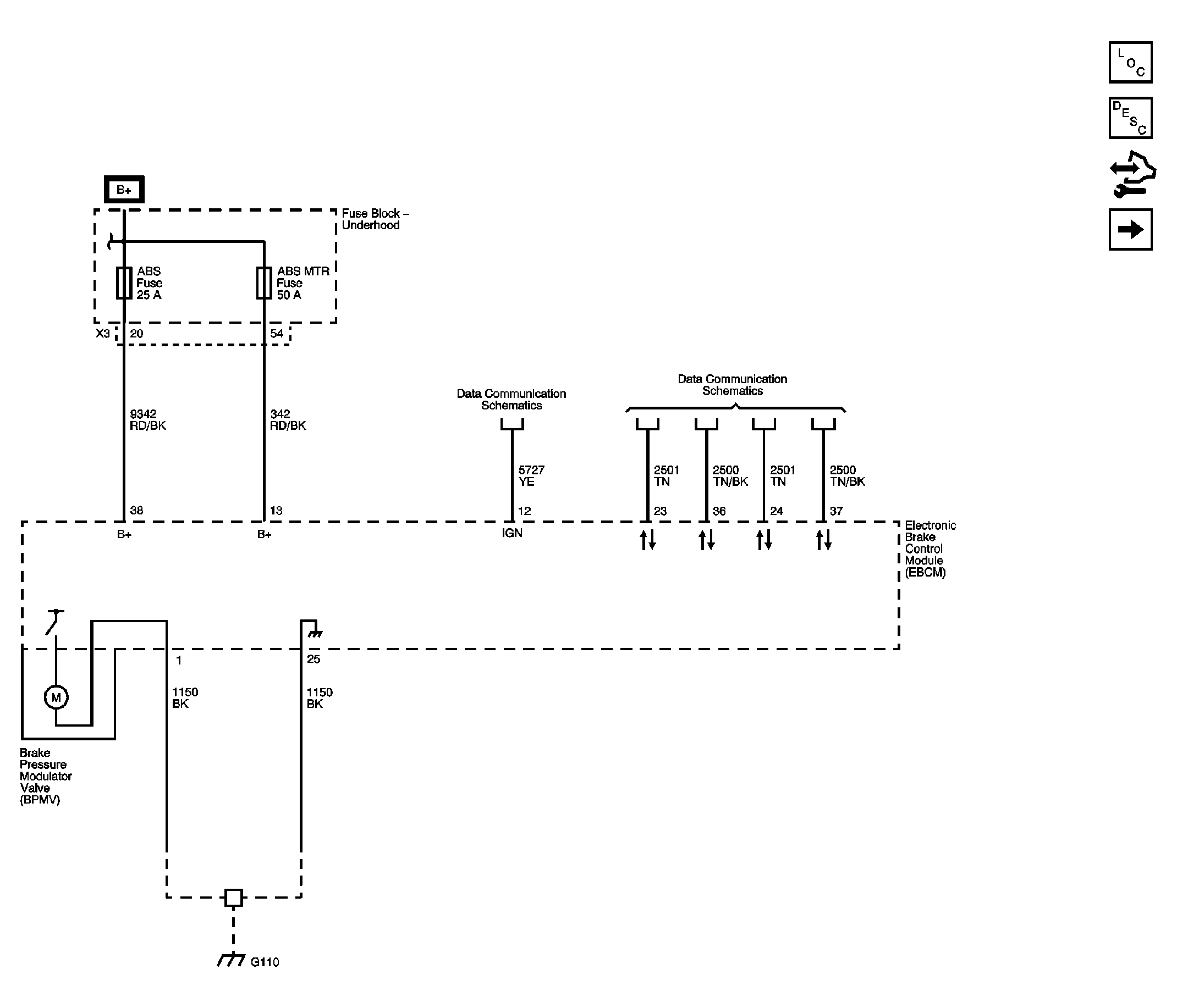
Fig 1: Power, Ground, and DLC
GM2283797Courtesy of GENERAL MOTORS CORP.
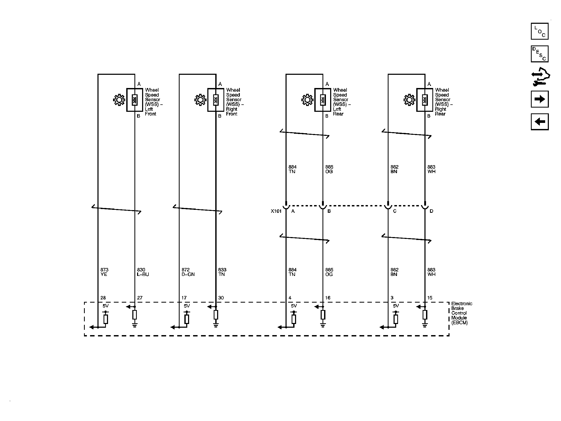
Fig 2: Wheel Speed Sensors
GM2283799Courtesy of GENERAL MOTORS CORP.
Fig 3: Stability Control System
GM2283801Courtesy of GENERAL MOTORS CORP.
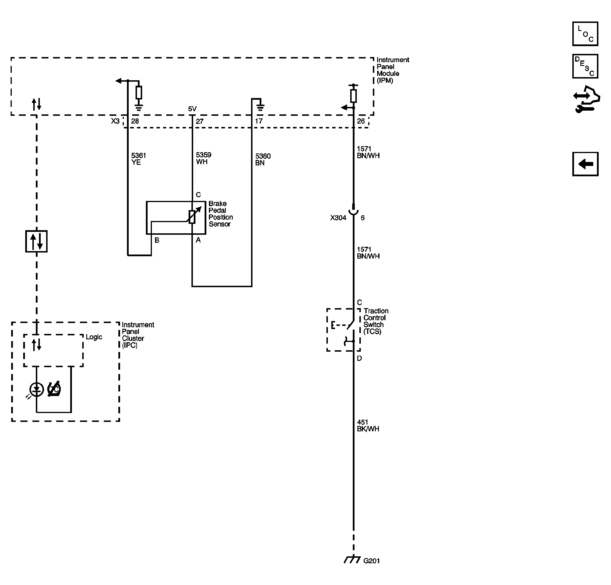
Fig 4: Indicator and Traction Control
GM2283803Courtesy of GENERAL MOTORS CORP.