LEMON Manuals: Even more car manuals for everyone: 1960-2025
Home >> Cadillac >> 2007 >> STS Base, 4.6 A, AWD >> Repair and Diagnosis >> External Pages >> Different car >> Section 29 (Engine Control System & Fuel System - 4.6L (LH2) - Introduction) >> Schematic and Routing Diagrams >> Engine Controls Schematics
April 5, 2026: LEMON Manuals is launched! Read the announcement.

Engine Controls Schematics

WARNING: This page is about a different car, the 2008 Cadillac SRX. However, it is still accessible from the selected car via links, so may be relevant.
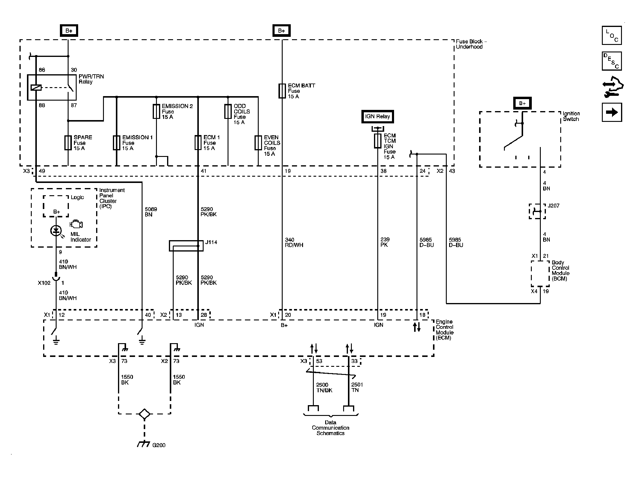
Fig 1: Power, Ground, Serial Data and MIL
GM1873009Courtesy of GENERAL MOTORS CORP.
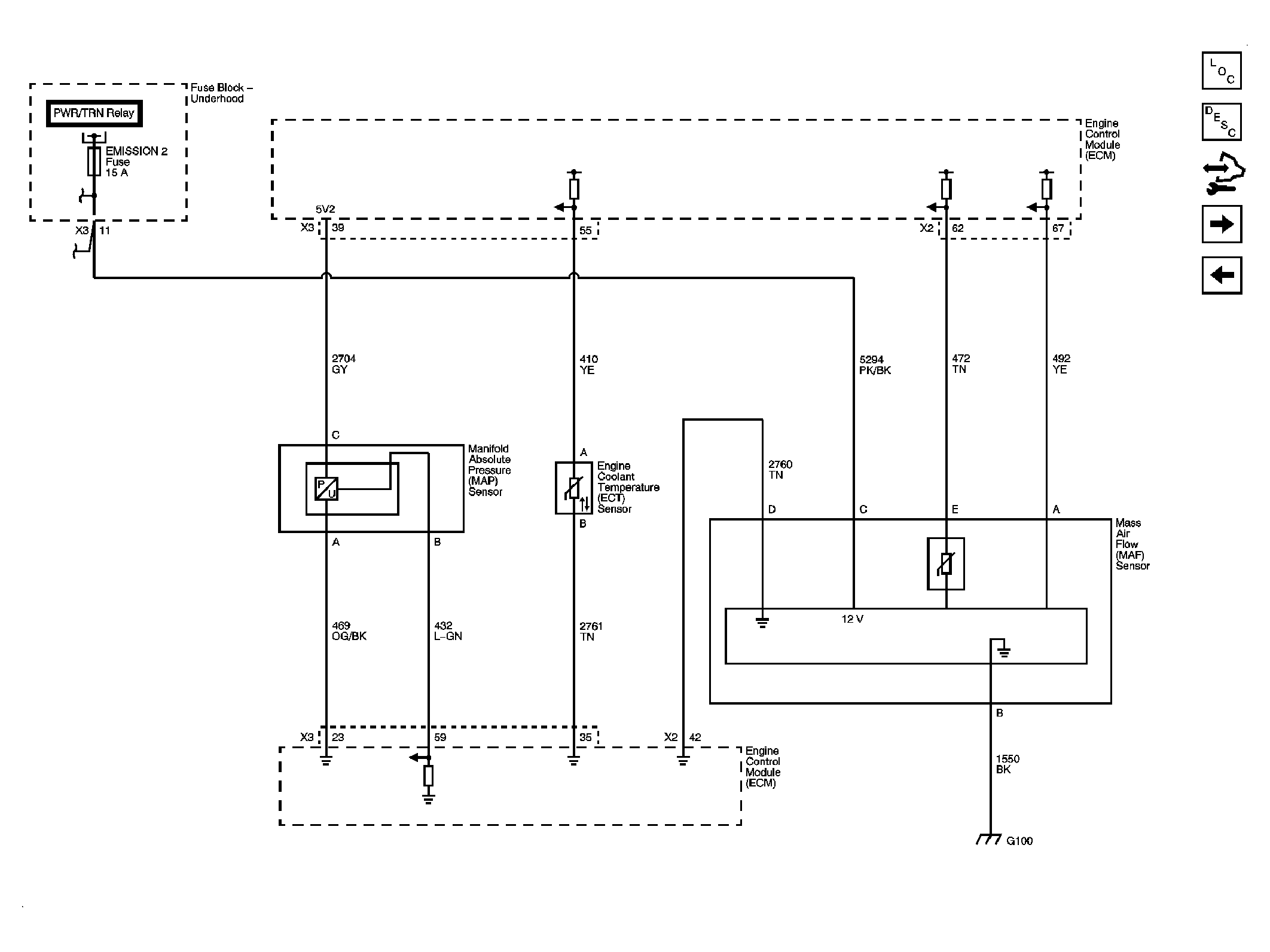
Fig 2: Engine Data Sensors - 5-Volt and Low References
GM1873011Courtesy of GENERAL MOTORS CORP.
Fig 3: Engine Data Sensors - MAF, MAP and ECT Sensor
GM1873014Courtesy of GENERAL MOTORS CORP.
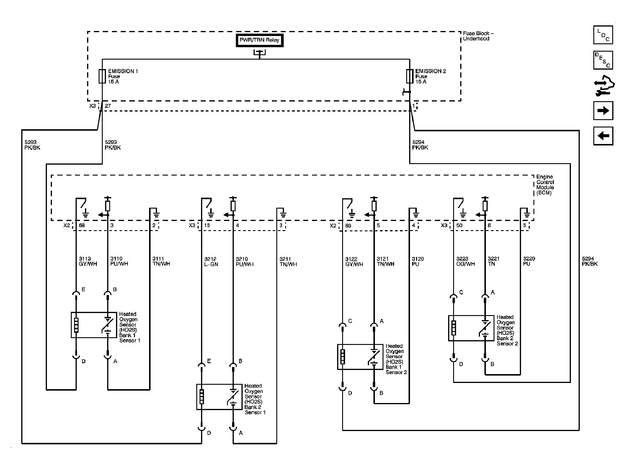
Fig 4: Engine Data Sensors - Oxygen Sensors
GM1873017Courtesy of GENERAL MOTORS CORP.
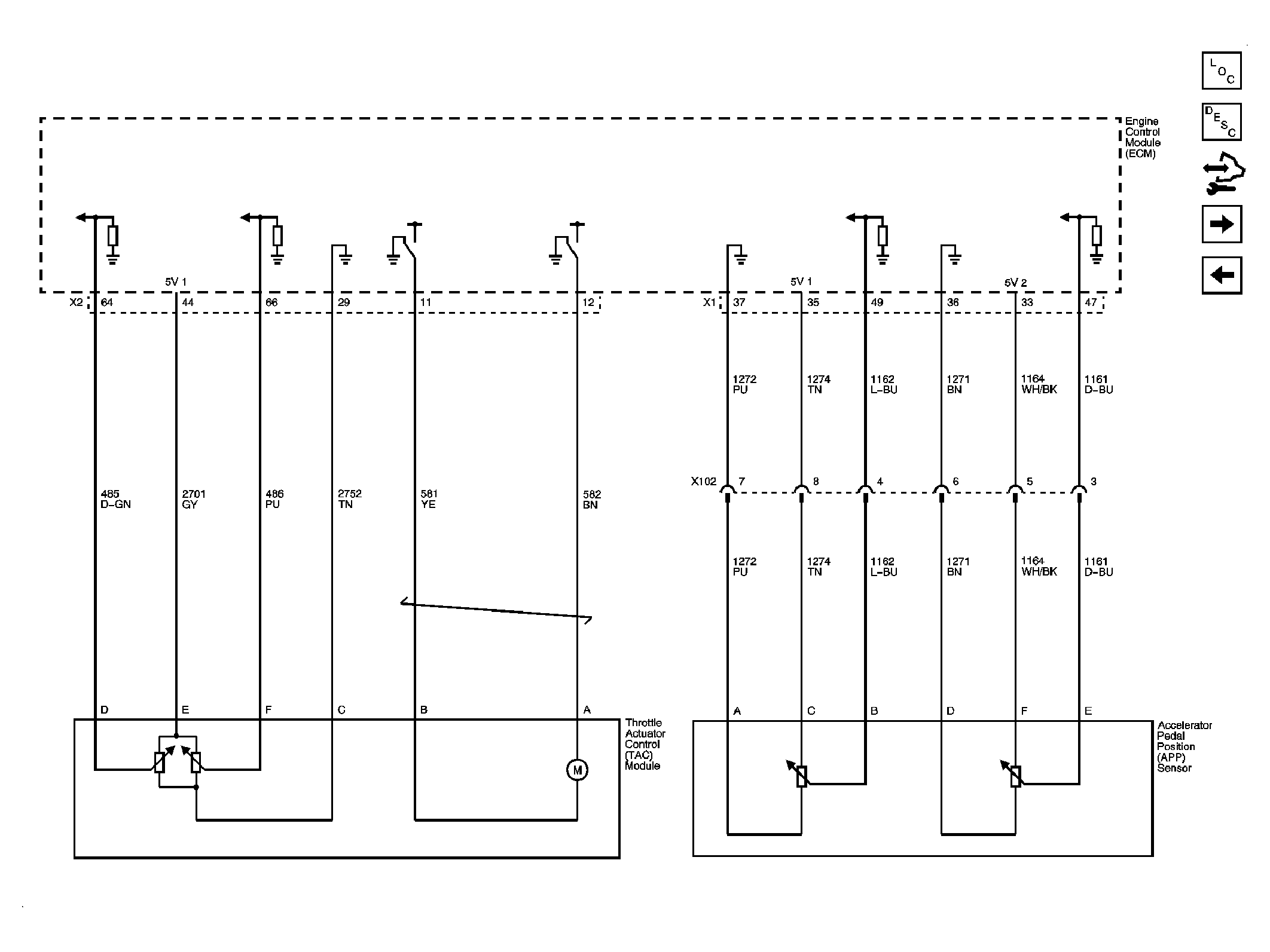
Fig 5: Engine Data Sensors - Electronic Throttle Controls
GM1873019Courtesy of GENERAL MOTORS CORP.
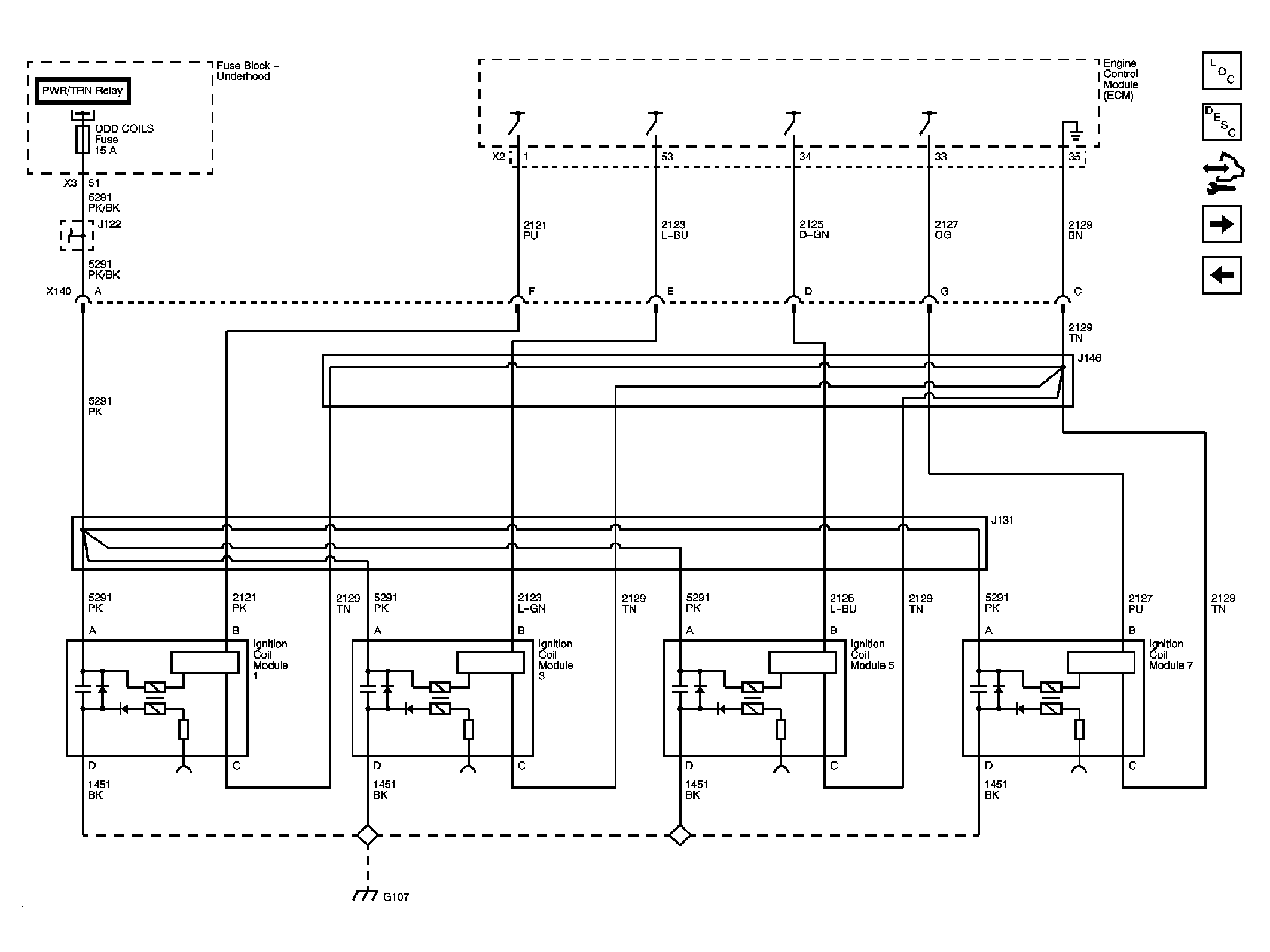
Fig 6: Ignition Controls - Bank 1 Ignition Coils
GM1873021Courtesy of GENERAL MOTORS CORP.
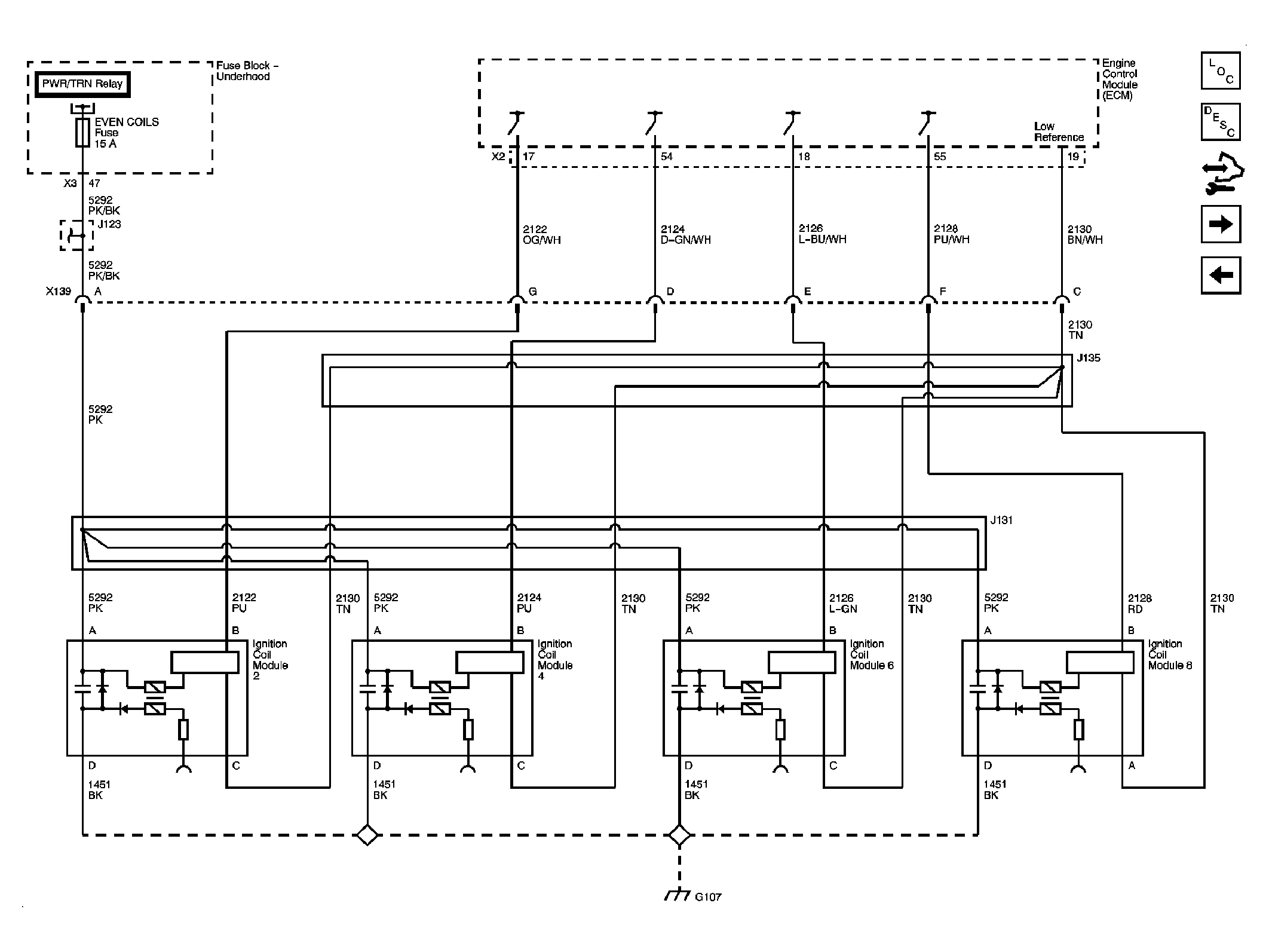
Fig 7: Ignition Controls - Bank 2 Ignition Coils
GM1873027Courtesy of GENERAL MOTORS CORP.
Fig 8: Ignition Controls - CMP Sensors and Solenoids
GM1873030Courtesy of GENERAL MOTORS CORP.
Fig 9: Ignition Controls - CKP and Knock Sensors
GM1873040Courtesy of GENERAL MOTORS CORP.
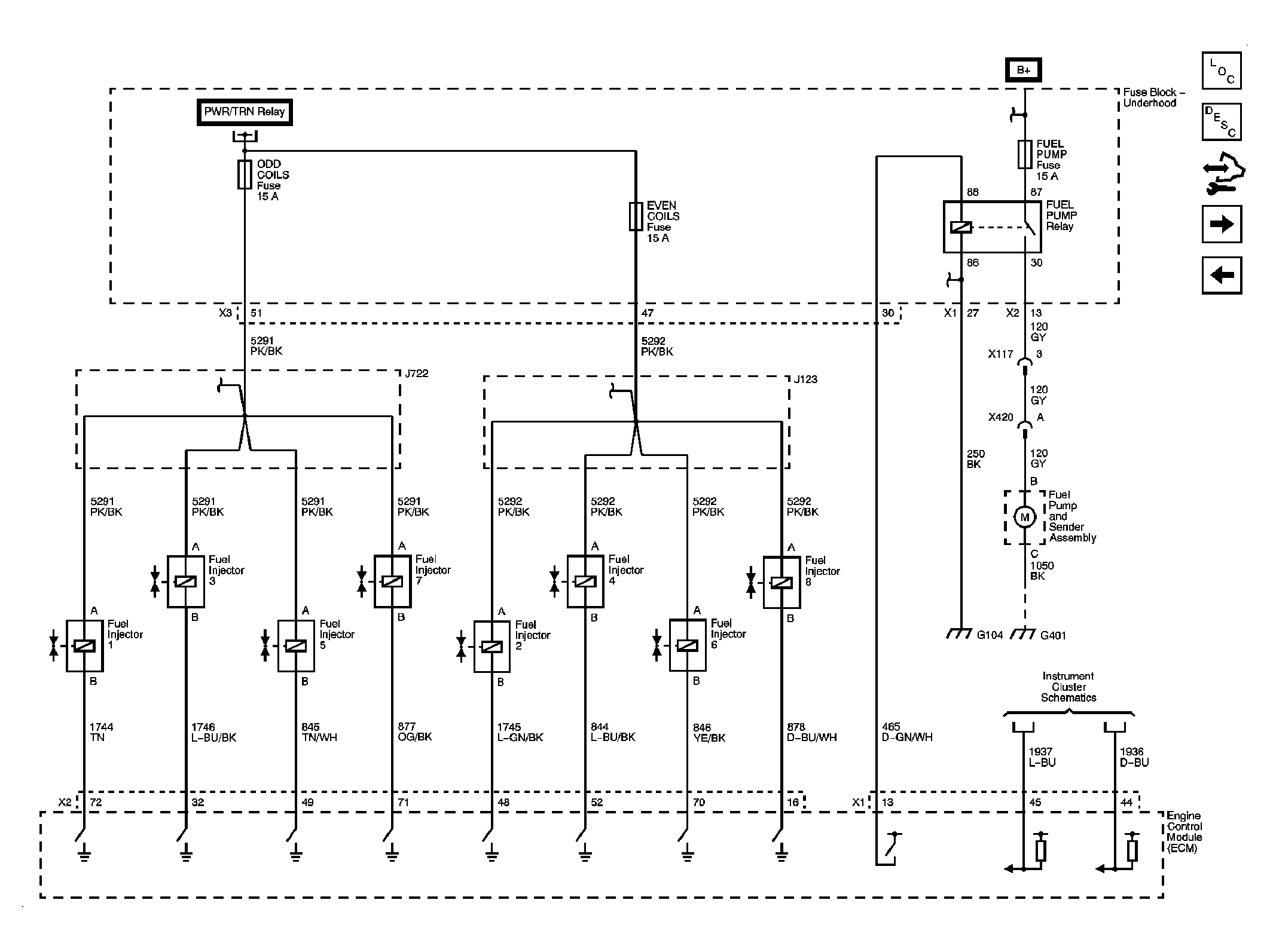
Fig 10: Fuel Controls - Fuel Pump and Injectors
GM1873044Courtesy of GENERAL MOTORS CORP.
Fig 11: Fuel Controls - EVAP Controls
GM1873047Courtesy of GENERAL MOTORS CORP.
Fig 12: Controlled/Monitored Subsystem References
GM1873049Courtesy of GENERAL MOTORS CORP.