LEMON Manuals: Even more car manuals for everyone: 1960-2025
Home >> Cadillac >> 2007 >> STS V >> Repair and Diagnosis >> External Pages >> Different car >> Section 11 (Computer/Integrating Systems) >> Schematic and Routing Diagrams >> Data Link Connector Schematics
April 5, 2026: LEMON Manuals is launched! Read the announcement.

Data Link Connector Schematics

WARNING: This page is about a different car, the 2006 Cadillac STS. However, it is still accessible from the selected car via links, so may be relevant.
Fig 1: DLC Power, Ground and IPM
GM1751169Courtesy of GENERAL MOTORS CORP.
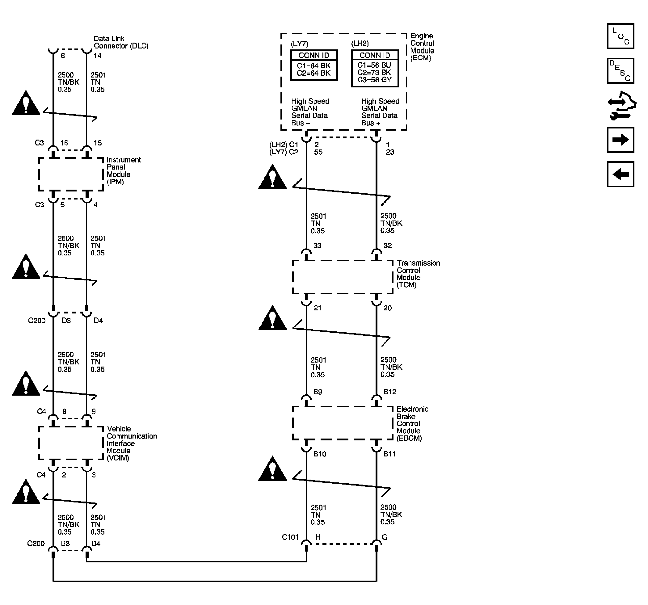
Fig 2: GMLAN - High Speed, Domestic W/UE1
GM1619291Courtesy of GENERAL MOTORS CORP.
Fig 3: GMLAN - High Speed, Domestic W/UE1, F55
GM1619341Courtesy of GENERAL MOTORS CORP.
Fig 4: GMLAN - High Speed, Domestic W/UE1, K59, F55
GM1619346Courtesy of GENERAL MOTORS CORP.
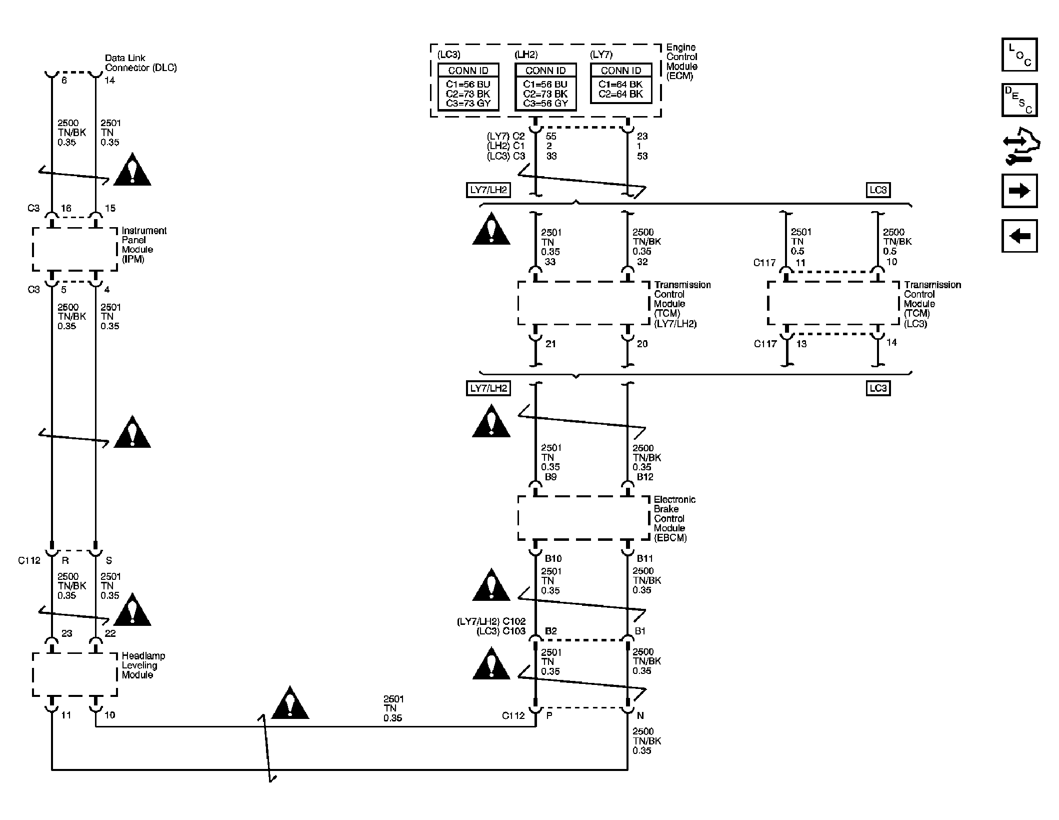
Fig 5: GMLAN - High Speed, Export W/TT7, TT8
GM1619347Courtesy of GENERAL MOTORS CORP.
Fig 6: GMLAN - High Speed, Export W/TT7, TT8, F55
GM1619349Courtesy of GENERAL MOTORS CORP.
Fig 7: GMLAN - High Speed, Export W/TT7, TT8, F55, K59
GM1619352Courtesy of GENERAL MOTORS CORP.
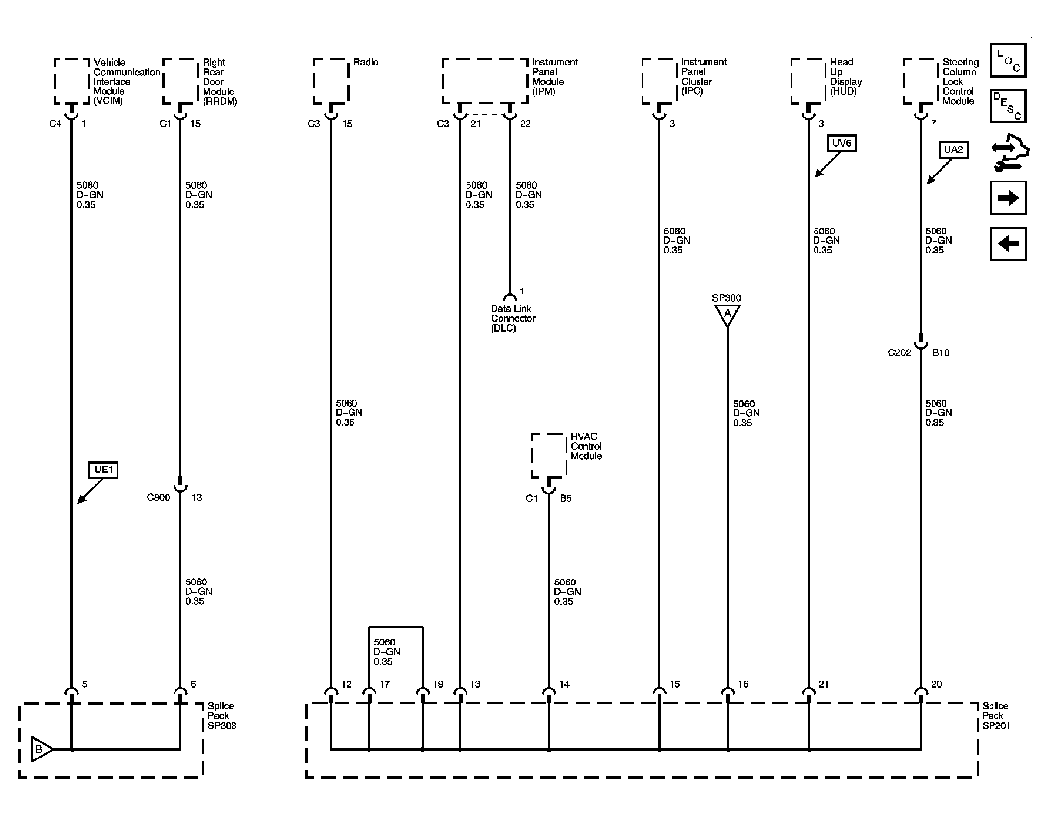
Fig 8: GMLAN - Low Speed 1 of 2
GM1619353Courtesy of GENERAL MOTORS CORP.
Fig 9: GMLAN - Low Speed 2 of 2
GM1619355Courtesy of GENERAL MOTORS CORP.
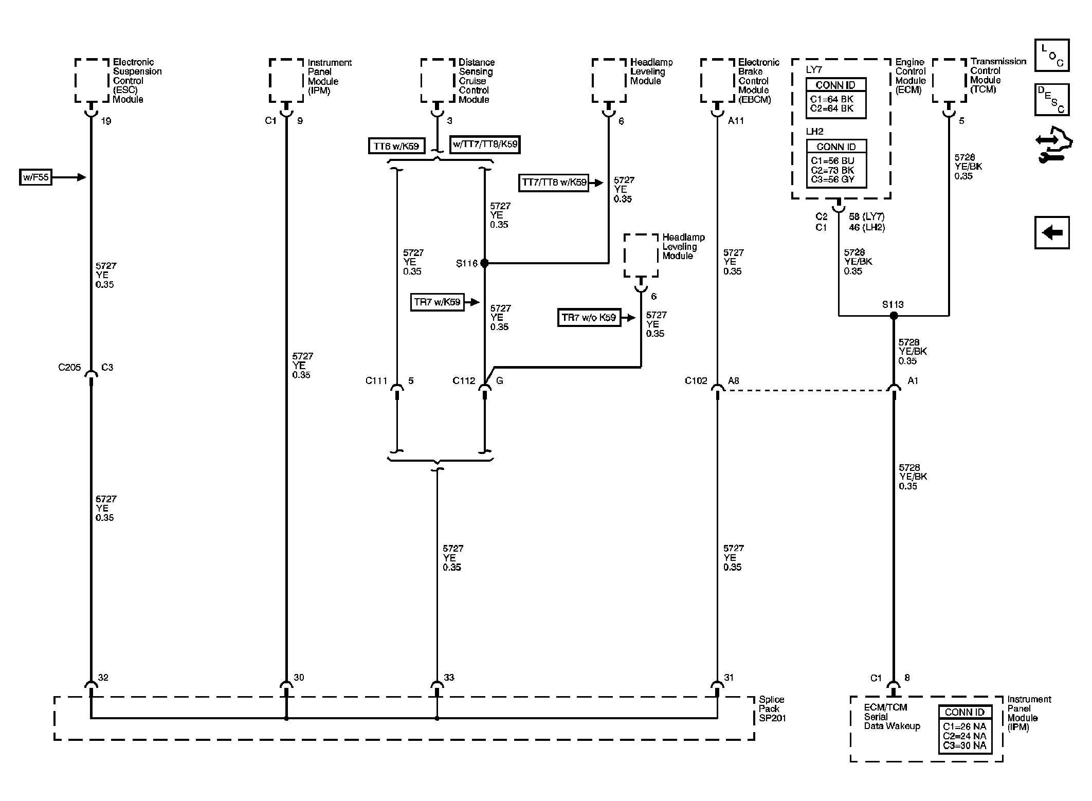
Fig 10: GMLAN - High Speed Serial Data Wake Up
GM1619357Courtesy of GENERAL MOTORS CORP.