LEMON Manuals: Even more car manuals for everyone: 1960-2025
Home >> Cadillac >> 2007 >> STS V >> Repair and Diagnosis >> External Pages >> Different car >> Section 161 (Antilock Brake System, Traction Control System & Stability Control System) >> Schematic and Routing Diagrams >> Antilock Brake System Schematics
April 5, 2026: LEMON Manuals is launched! Read the announcement.

Antilock Brake System Schematics

WARNING: This page is about a different car, the 2007 Cadillac CTS. However, it is still accessible from the selected car via links, so may be relevant.
Fig 1: Power, Ground, Serial Data, and DIC
GM1785006Courtesy of GENERAL MOTORS CORP.
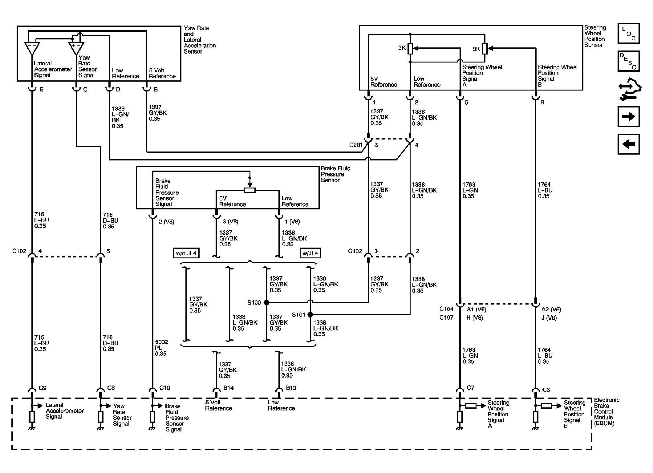
Fig 2: Vehicle Stability Enhancement System (JL4) (J56 for LS2)
GM1785009Courtesy of GENERAL MOTORS CORP.
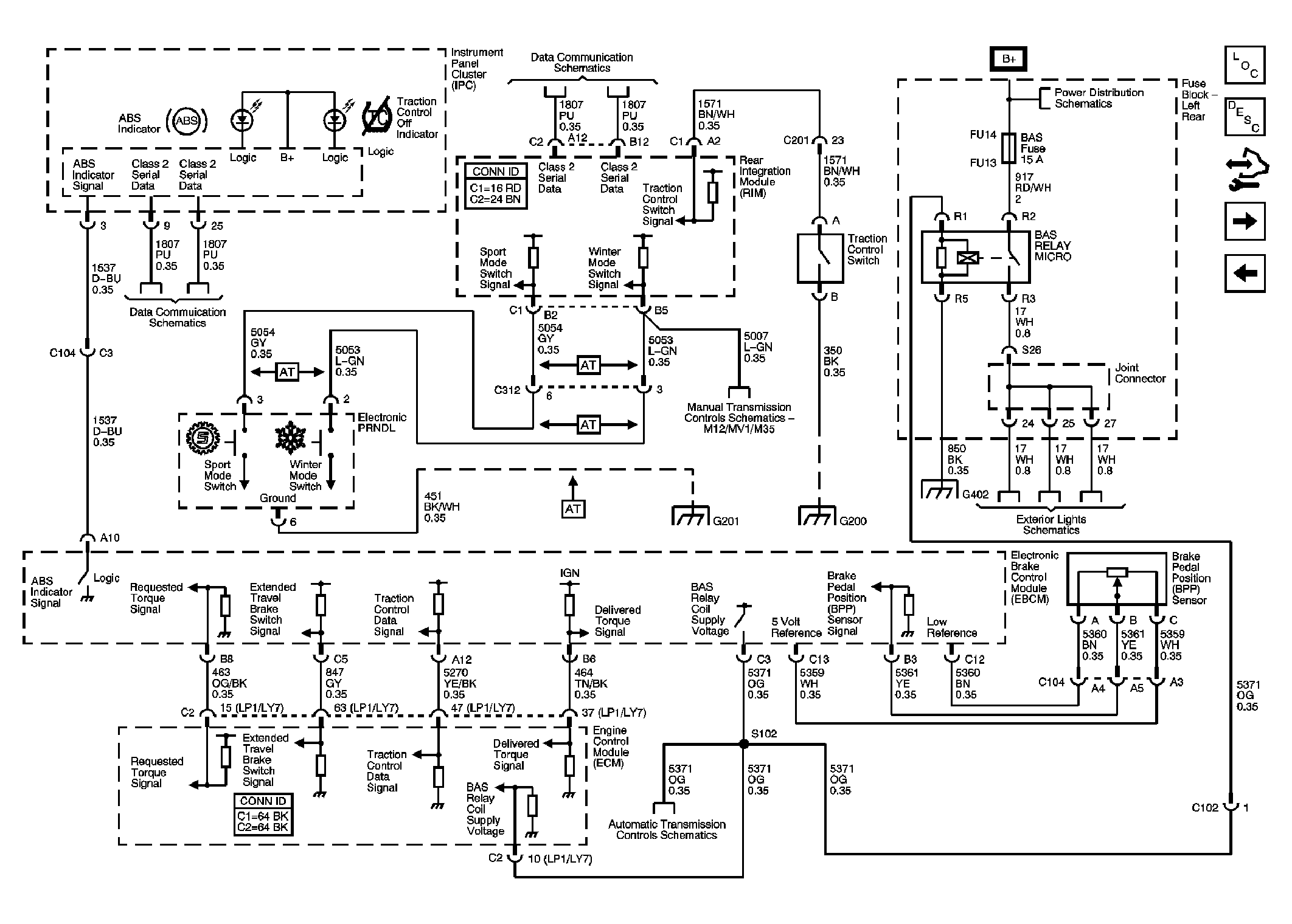
Fig 3: BPP Sensor, Switches, and Indicators - 2.8L/3.6L (LP1/LY7)
GM1785020Courtesy of GENERAL MOTORS CORP.
Fig 4: BPP Sensor, Switches, and Indicators - 6.0L (LS2)
GM1785025Courtesy of GENERAL MOTORS CORP.
Fig 5: Wheel Speed Sensors and Variable Effort Steering Actuator
GM1785029Courtesy of GENERAL MOTORS CORP.