LEMON Manuals: Even more car manuals for everyone: 1960-2025
Home >> Cadillac >> 2007 >> STS V >> Repair and Diagnosis >> External Pages >> Different car >> Section 372 (Data Communication System) >> Schematic and Routing Diagrams >> Data Communication Schematics
April 5, 2026: LEMON Manuals is launched! Read the announcement.

Data Communication Schematics

WARNING: This page is about a different car, the 2007 Cadillac XLR. However, it is still accessible from the selected car via links, so may be relevant.
Fig 1: Data Communication Schematic - Class 2
GM1753369Courtesy of GENERAL MOTORS CORP.
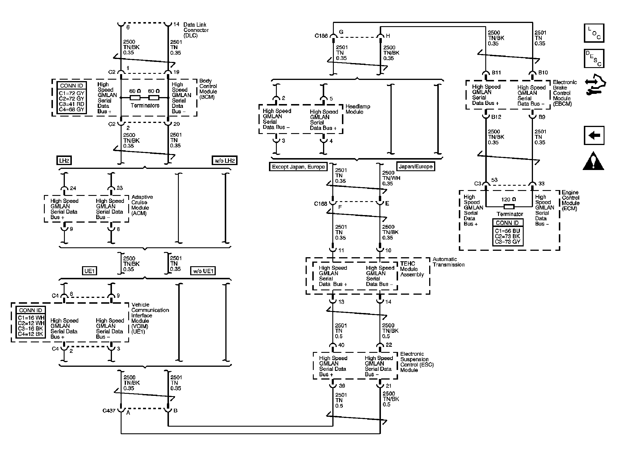
Fig 2: GMLAN Schematic
GM1753379Courtesy of GENERAL MOTORS CORP.