LEMON Manuals: Even more car manuals for everyone: 1960-2025
Home >> Cadillac >> 2007 >> STS V >> Repair and Diagnosis >> External Pages >> Different car >> Section 45 (Antilock Brake System With Traction Control System & Stability Control System) >> Schematic and Routing Diagrams >> Anti-Lock Brake System Schematics
April 5, 2026: LEMON Manuals is launched! Read the announcement.

Anti-Lock Brake System Schematics

WARNING: This page is about a different car, the 2006 Cadillac STS. However, it is still accessible from the selected car via links, so may be relevant.
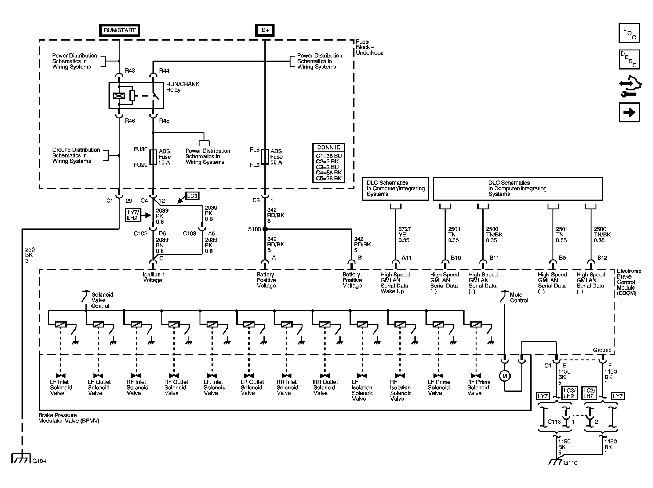
Fig 1: EBCM Module Power, Ground and DLC
GM1618617Courtesy of GENERAL MOTORS CORP.
Fig 2: Wheel Speed Sensors
GM1618616Courtesy of GENERAL MOTORS CORP.
Fig 3: Stability Control System
GM1618609Courtesy of GENERAL MOTORS CORP.
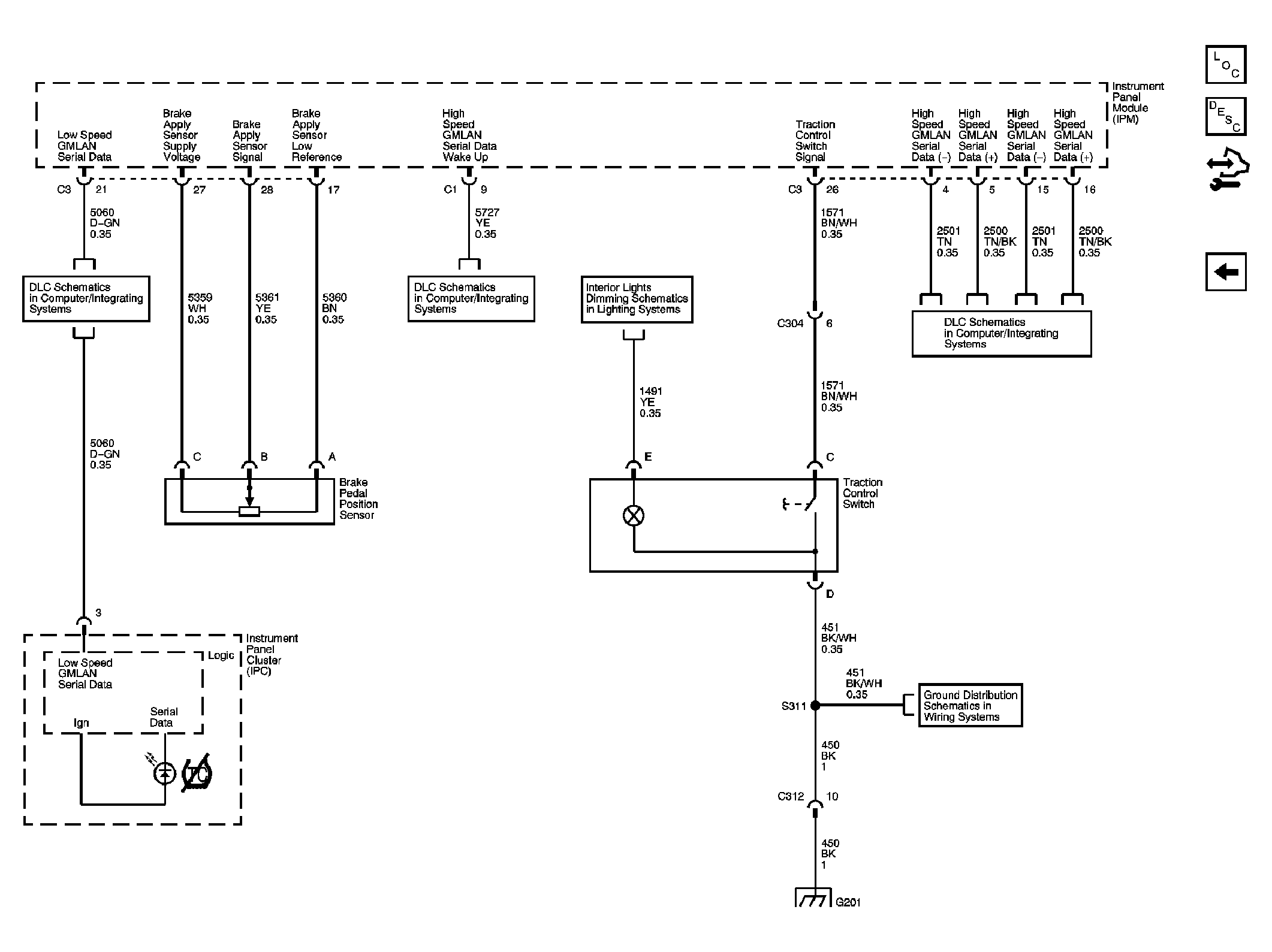
Fig 4: Indicator and Traction Control
GM1738251Courtesy of GENERAL MOTORS CORP.