LEMON Manuals: Even more car manuals for everyone: 1960-2025
Home >> Cadillac >> 2007 >> XLR Base >> Repair and Diagnosis (Single Page) >> Accessories & Equipment >> Collision/Avoidance >> Object Detection System >> Schematic and Routing Diagrams >> Object Detection Schematics
April 5, 2026: LEMON Manuals is launched! Read the announcement.

Object Detection Schematics

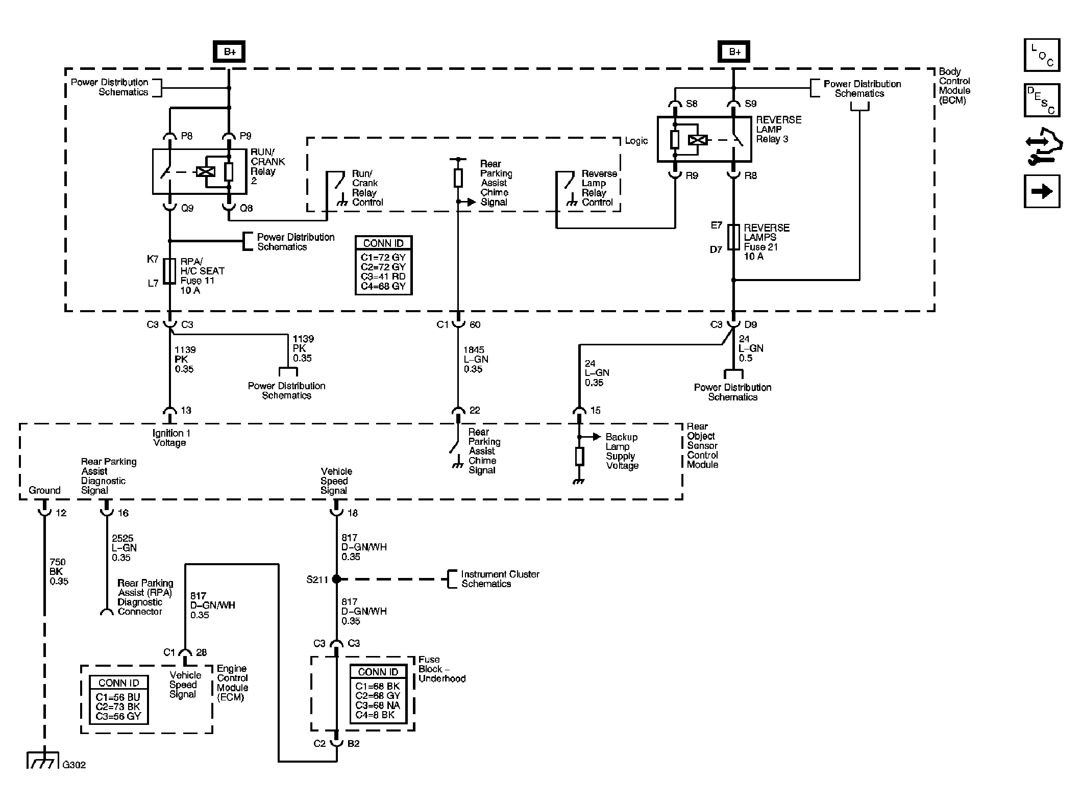
Fig 1: Power, Ground, DLC & Non-Sensor Signals Schematic
GM1757332Courtesy of GENERAL MOTORS CORP.
Fig 2: Display & Sensors Schematic
GM1757334Courtesy of GENERAL MOTORS CORP.