LEMON Manuals: Even more car manuals for everyone: 1960-2025
Home >> Cadillac >> 2007 >> XLR Base >> Repair and Diagnosis (Single Page) >> Accessories & Equipment >> Infotainment >> Cellular System, Entertainment System, And Navigation System >> Schematic and Routing Diagrams >> Radio/Navigation System Schematics
April 5, 2026: LEMON Manuals is launched! Read the announcement.

Radio/Navigation System Schematics

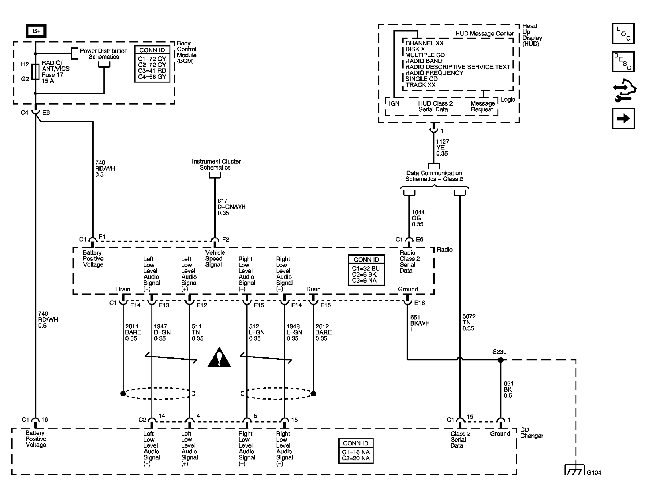
Fig 1: Power, Ground, Messages & Radio to CD Player Audio Signals Schematic
GM1757246Courtesy of GENERAL MOTORS CORP.
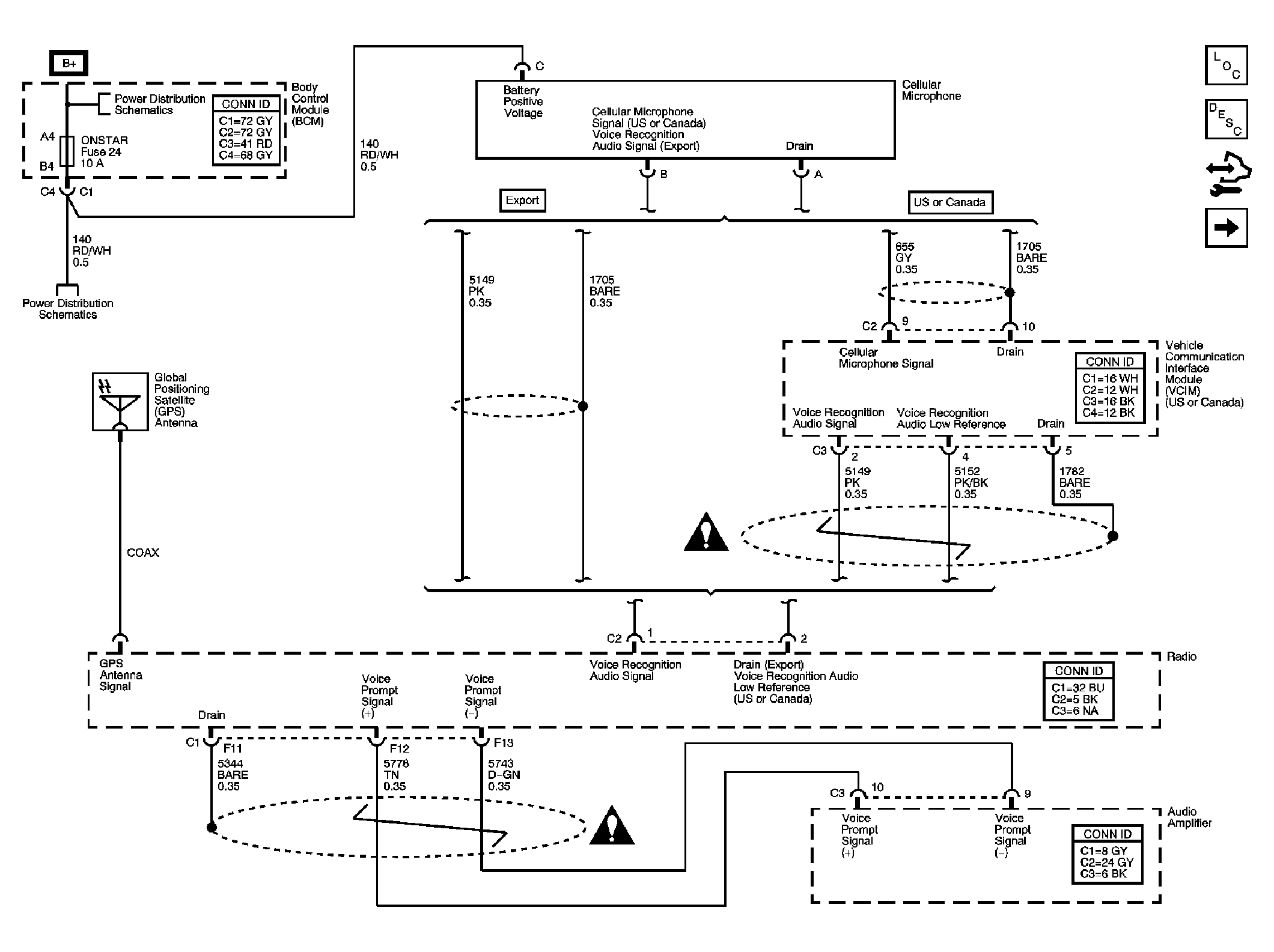
Fig 2: Amplification Schematic
GM1757247Courtesy of GENERAL MOTORS CORP.
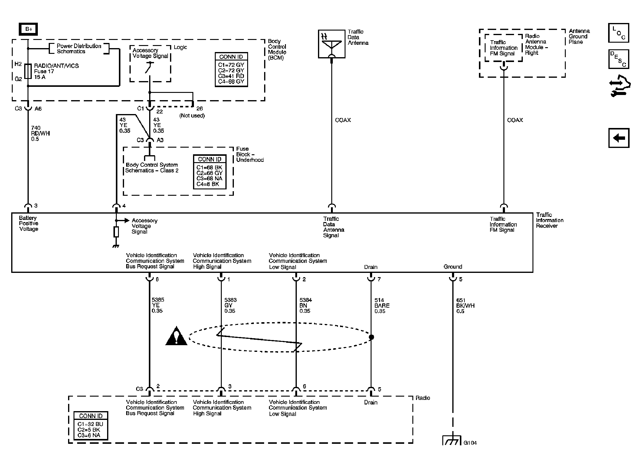
Fig 3: AM and FM Antennas & OnStar References Schematic
GM1757248Courtesy of GENERAL MOTORS CORP.
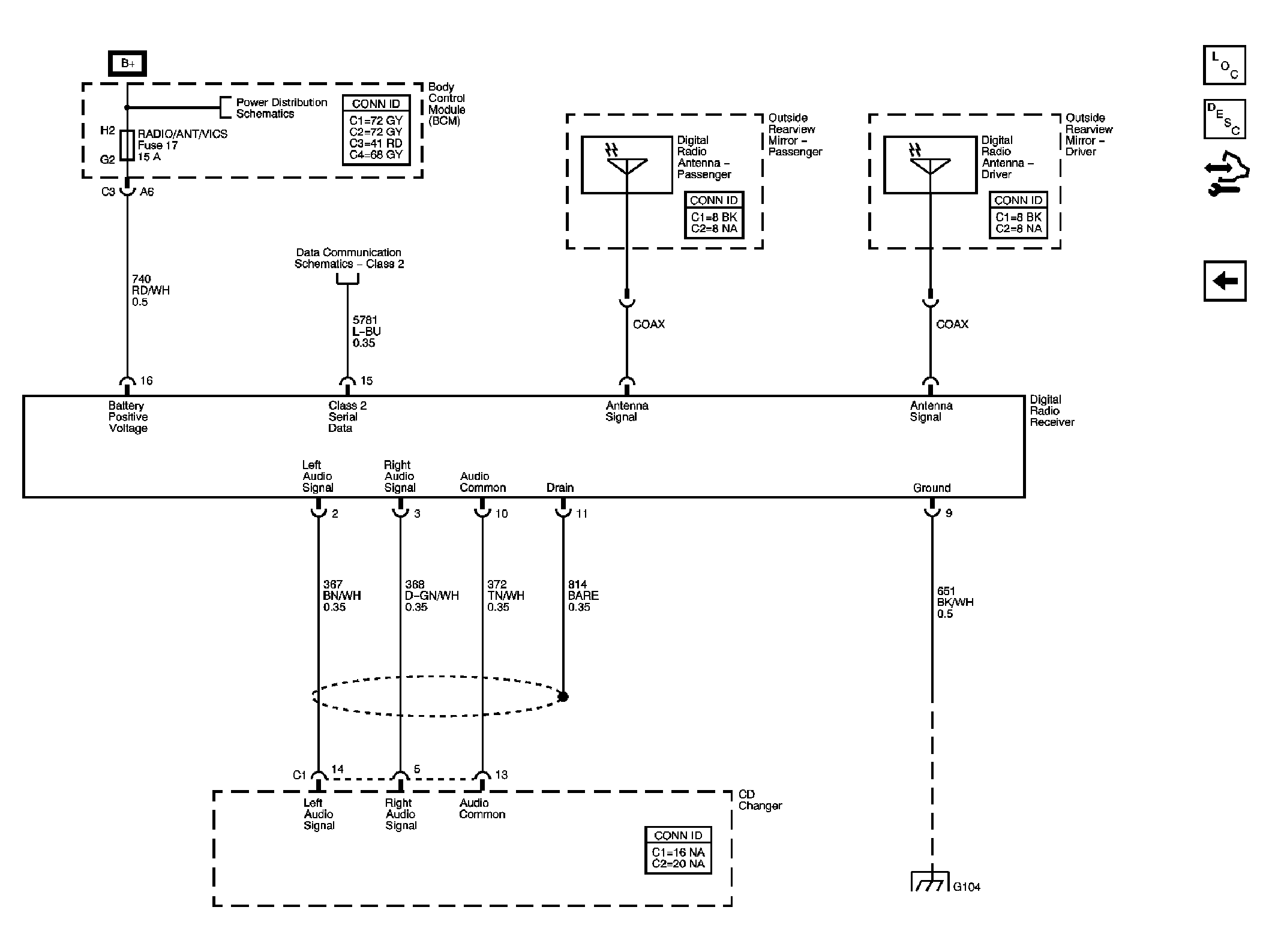
Fig 4: Digital Radio Receiver Schematic
GM1757249Courtesy of GENERAL MOTORS CORP.
Fig 5: Navigation Schematic - Except Japan
GM1757250Courtesy of GENERAL MOTORS CORP.
Fig 6: Navigation Schematic - Japan
GM1757251Courtesy of GENERAL MOTORS CORP.