LEMON Manuals: Even more car manuals for everyone: 1960-2025
Home >> Cadillac >> 2007 >> XLR Base >> Repair and Diagnosis (Single Page) >> Body & Frame >> Ignition Switch/Steering Lock >> Wiring Systems And Power Management - Introduction >> Schematic and Routing Diagrams >> Power Moding Schematics
April 5, 2026: LEMON Manuals is launched! Read the announcement.

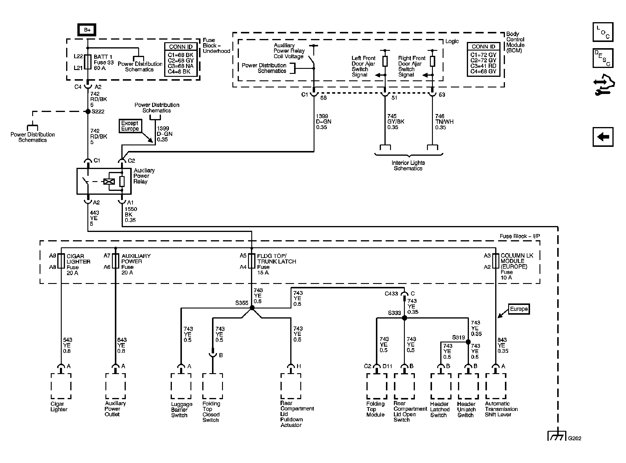
Power Moding Schematics

Fig 1: Power Moding Schematic
GM1756800Courtesy of GENERAL MOTORS CORP.