LEMON Manuals: Even more car manuals for everyone: 1960-2025
Home >> Cadillac >> 2008 >> DTS 4.6 9 >> Repair and Diagnosis >> Accessories & Equipment >> Collision/Avoidance >> Object Detection System >> Schematic & Routing Diagrams >> Object Detection Schematics
April 5, 2026: LEMON Manuals is launched! Read the announcement.

Object Detection Schematics

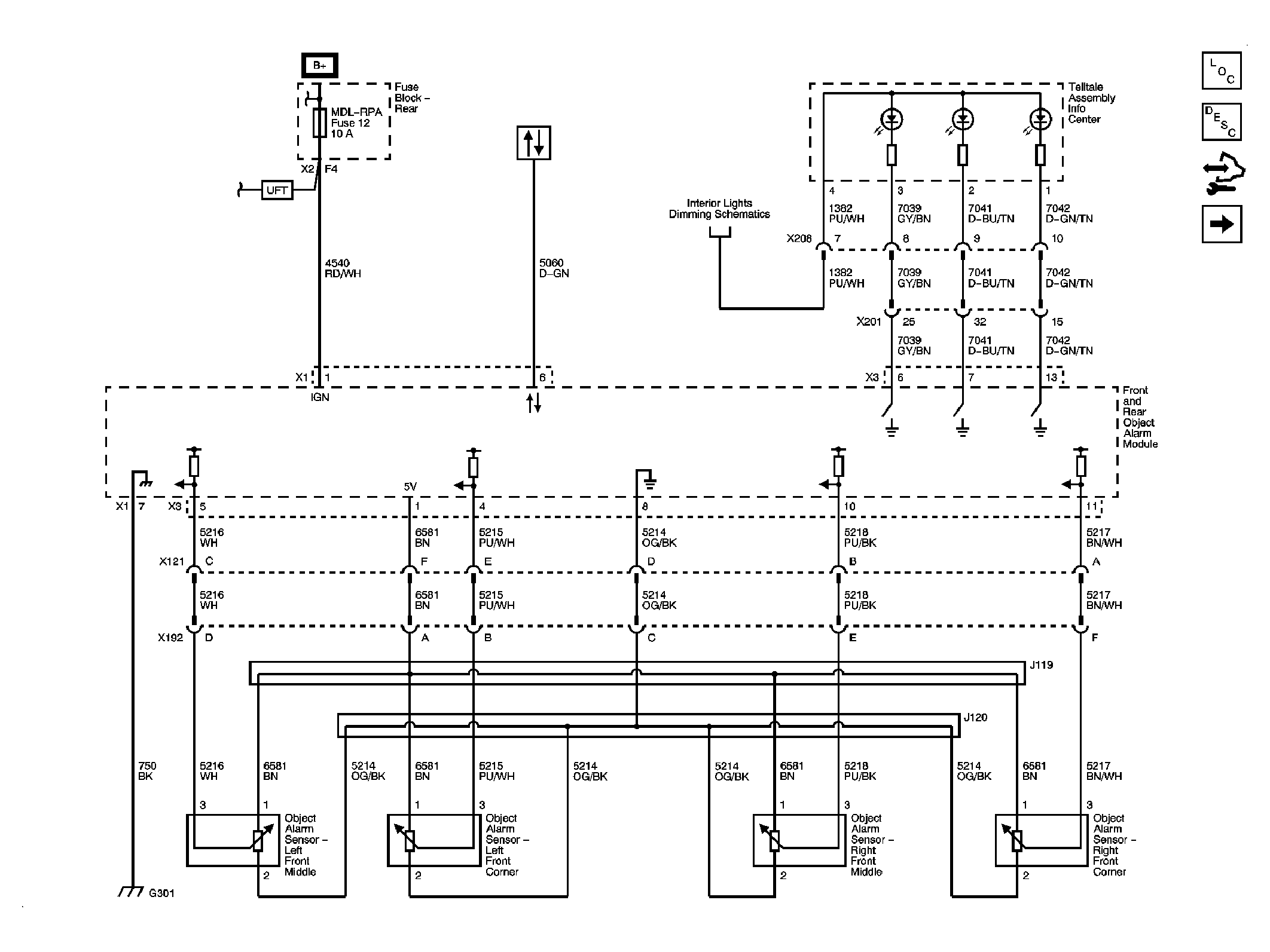
Fig 1: Front Park Assist Schematic - UFR
GM1885474Courtesy of GENERAL MOTORS CORP.
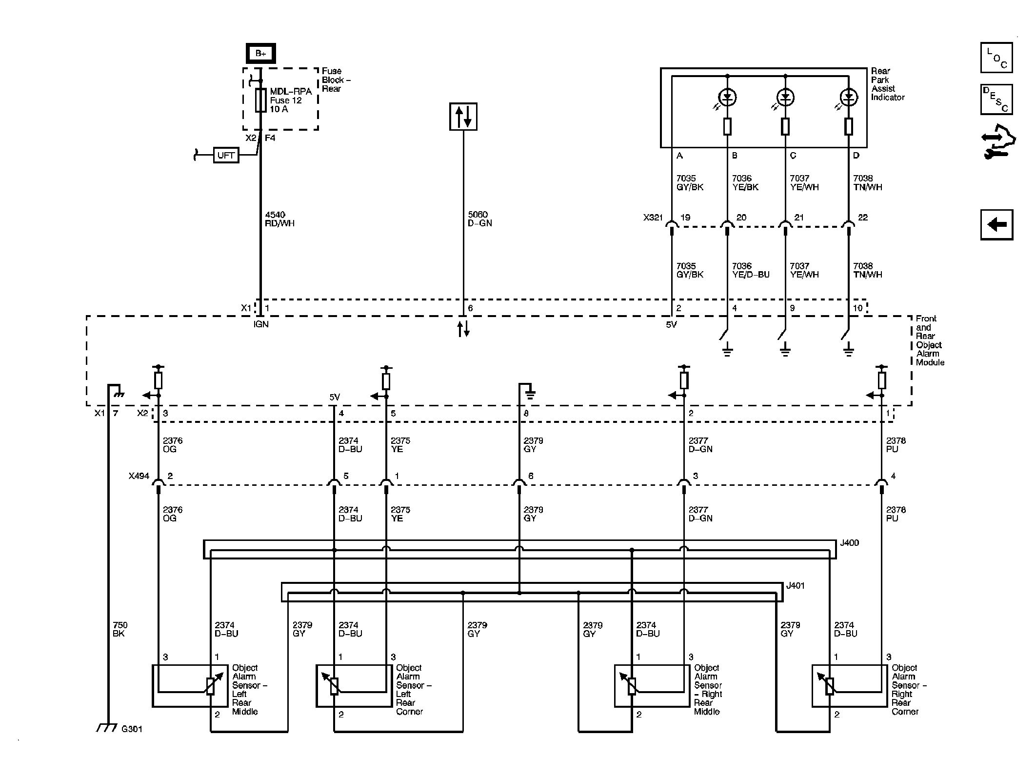
Fig 2: Rear Park Assist Schematic - UFR
GM1885477Courtesy of GENERAL MOTORS CORP.
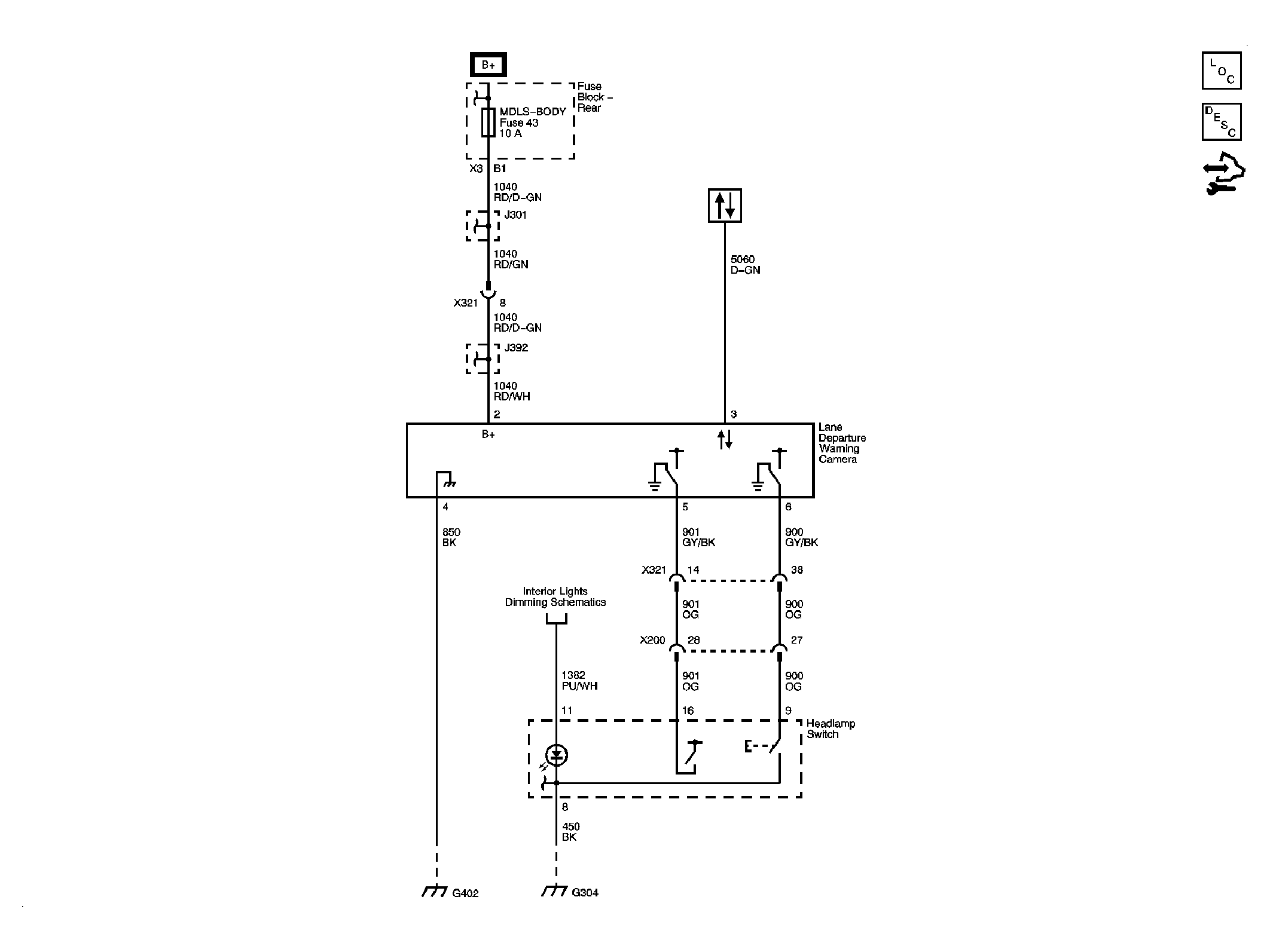
Fig 3: Lane Departure Warning System Schematic - UFL
GM1892667Courtesy of GENERAL MOTORS CORP.
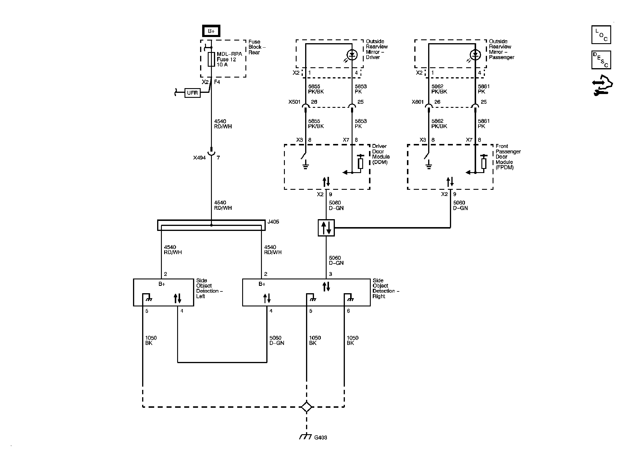
Fig 4: Side Object Detection Schematic - UFT
GM1892670Courtesy of GENERAL MOTORS CORP.