LEMON Manuals: Even more car manuals for everyone: 1960-2025
Home >> Cadillac >> 2008 >> DTS 4.6 9 >> Repair and Diagnosis >> Accessories & Equipment >> Infotainment >> Cellular System, Entertainment System, And Navigation System >> Schematic & Routing Diagrams >> Radio/Navigation System Schematics
April 5, 2026: LEMON Manuals is launched! Read the announcement.

Radio/Navigation System Schematics

Fig 1: Radio Power & Ground Schematic
GM1885537Courtesy of GENERAL MOTORS CORP.
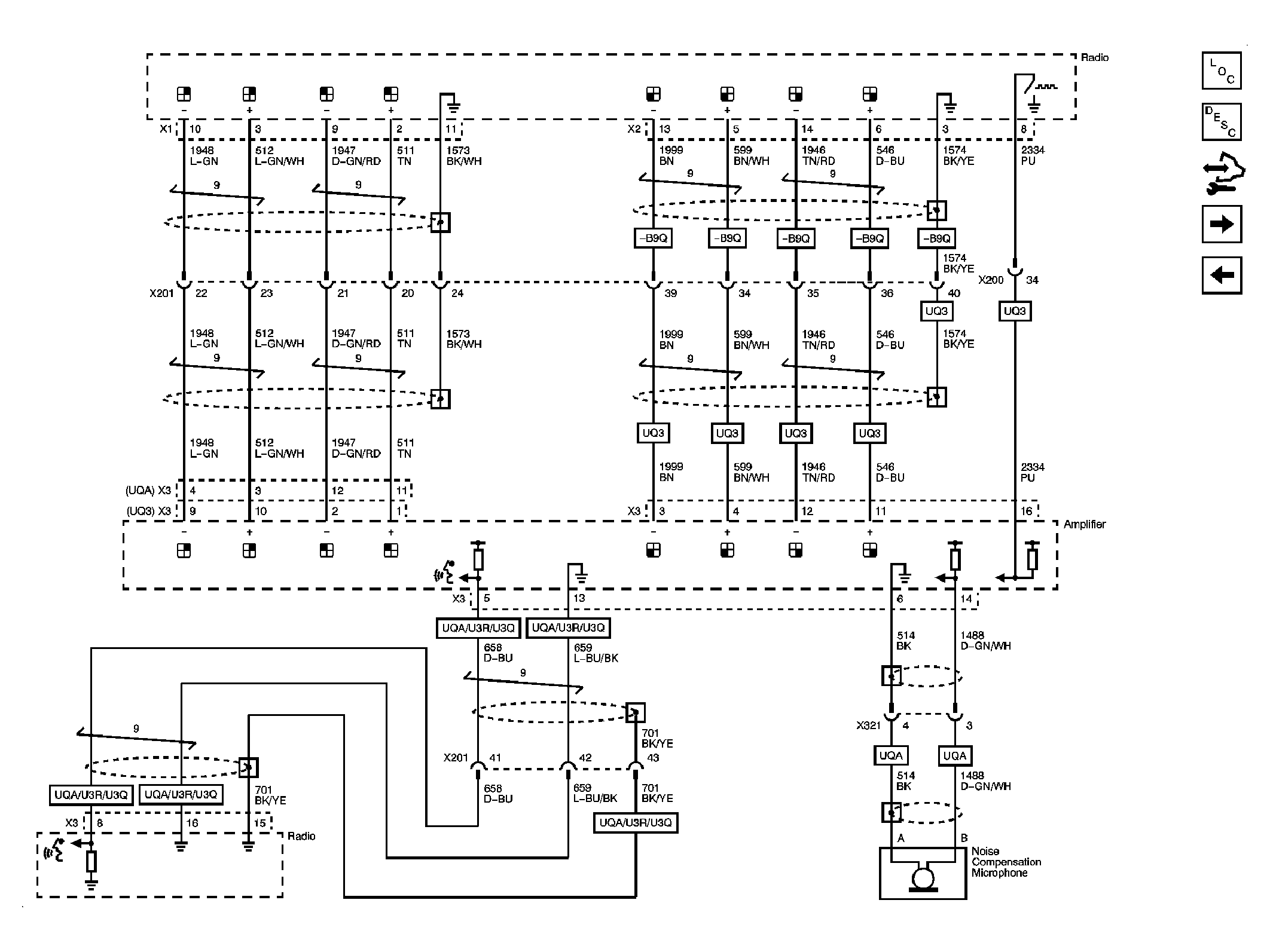
Fig 2: Amplifier Schematic
GM1885539Courtesy of GENERAL MOTORS CORP.
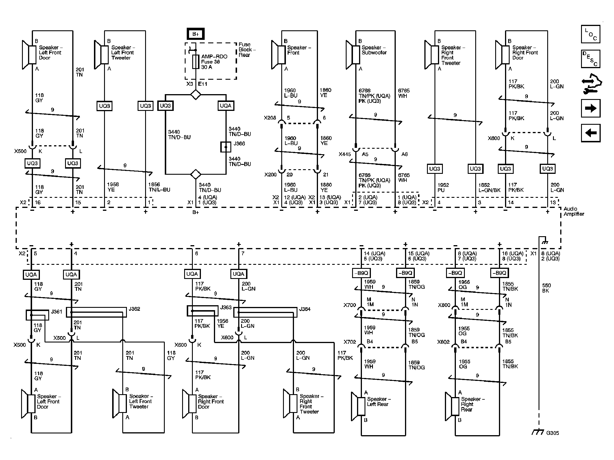
Fig 3: Speakers Schematic
GM1885542Courtesy of GENERAL MOTORS CORP.
Fig 4: Redundant Steering Wheel Controls Schematic
GM1885544Courtesy of GENERAL MOTORS CORP.
Fig 5: Traffic Information Receiver Schematic - U3Q
GM1885712Courtesy of GENERAL MOTORS CORP.
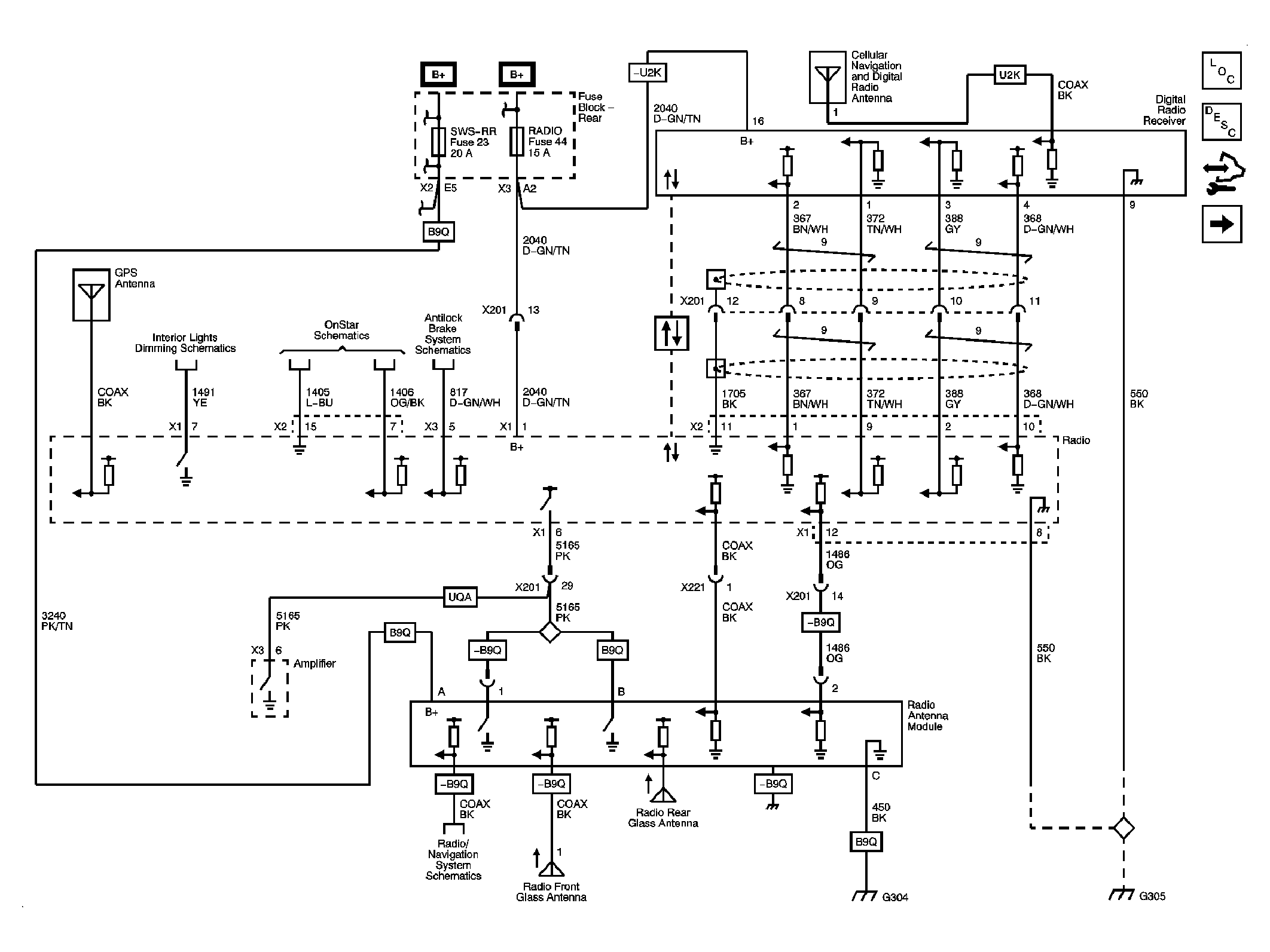
Fig 6: Radio Schematic w/o UE1
GM1885717Courtesy of GENERAL MOTORS CORP.