LEMON Manuals: Even more car manuals for everyone: 1960-2025
Home >> Cadillac >> 2008 >> DTS 4.6 9 >> Repair and Diagnosis >> Body & Frame >> Door Locks >> Keyless Entry System & Remote Functions >> Schematic & Routing Diagrams >> Remote Function Schematics
April 5, 2026: LEMON Manuals is launched! Read the announcement.

Remote Function Schematics

Fig 1: Garage Door Opener Schematic
GM1885480Courtesy of GENERAL MOTORS CORP.
Fig 2: Remote Control Door Lock Receiver (RCDLR) Schematic
GM1885482Courtesy of GENERAL MOTORS CORP.
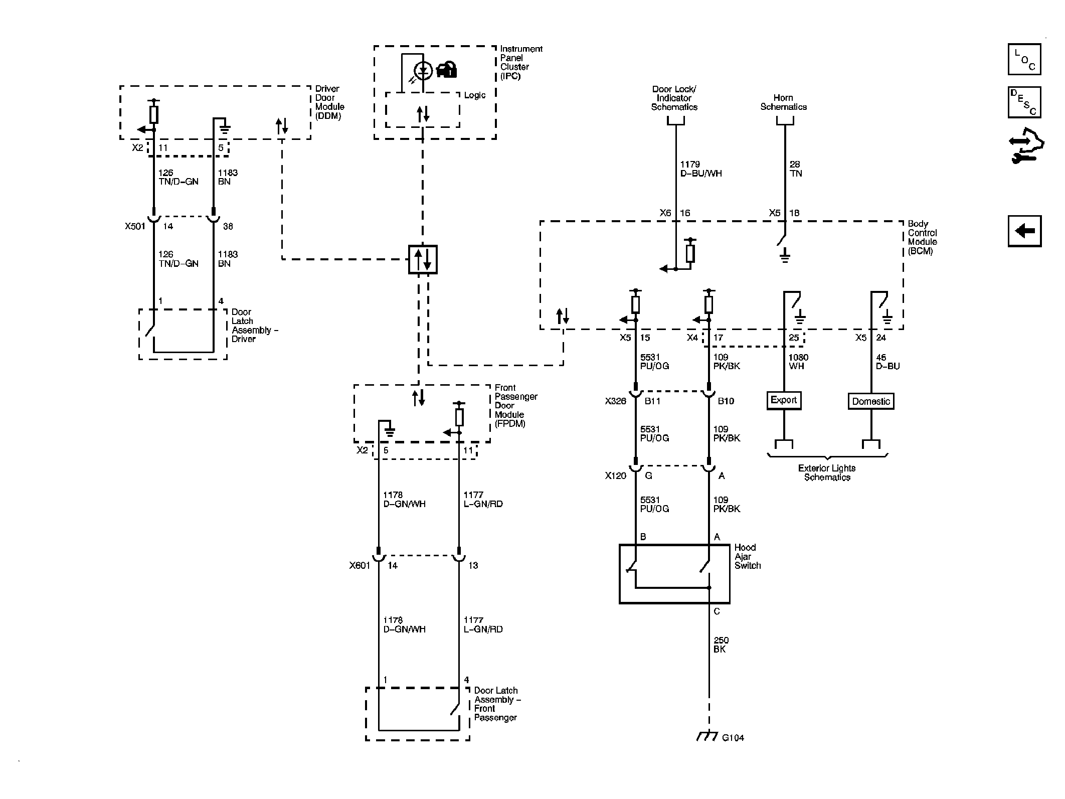
Fig 3: Door Latch Assemblies & Hood Ajar Switch Schematic
GM1885485Courtesy of GENERAL MOTORS CORP.