LEMON Manuals: Even more car manuals for everyone: 1960-2025
Home >> Cadillac >> 2008 >> DTS 4.6 9 >> Repair and Diagnosis >> External Pages >> Different car >> Section 249 (Data Communications System) >> Wiring Schematics >> Data Communication Wiring Schematics >> Linear Interconnect Network (LIN)
April 5, 2026: LEMON Manuals is launched! Read the announcement.

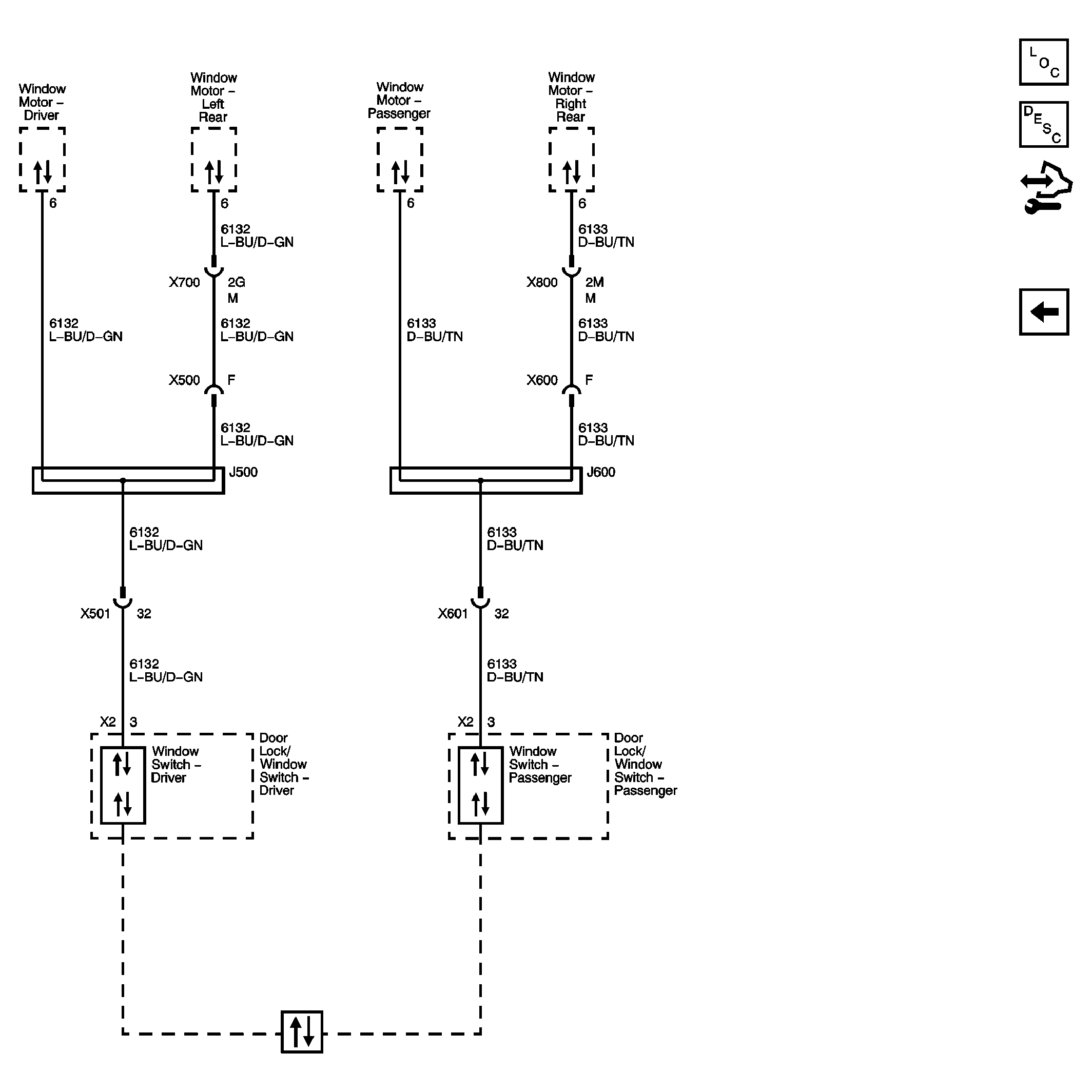
Linear Interconnect Network (LIN)

WARNING: This page is about a different car, the 2011 Cadillac DTS. However, it is still accessible from the selected car via links, so may be relevant.
Fig 1: Linear Interconnect Network (LIN) Wiring Schematic
GM2398527Courtesy of GENERAL MOTORS COMPANY