LEMON Manuals: Even more car manuals for everyone: 1960-2025
Home >> Cadillac >> 2008 >> DTS 4.6 9 >> Repair and Diagnosis >> Transmission >> Automatic Trans >> Shift Interlock System >> Schematic & Routing Diagrams >> Shift Lock Control Schematics
April 5, 2026: LEMON Manuals is launched! Read the announcement.

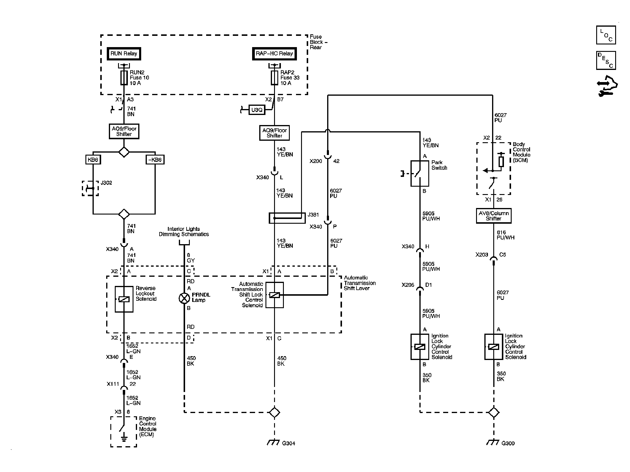
Shift Lock Control Schematics

Fig 1: Shift Lock Control Schematic
GM1885224Courtesy of GENERAL MOTORS CORP.