LEMON Manuals: Even more car manuals for everyone: 1960-2025
Home >> Cadillac >> 2008 >> Escalade EXT >> Repair and Diagnosis (Single Page) >> Accessories & Equipment >> Collision/Avoidance >> Object Detection System >> Schematic and Routing Diagrams >> Object Detection Schematics
April 5, 2026: LEMON Manuals is launched! Read the announcement.

Object Detection Schematics

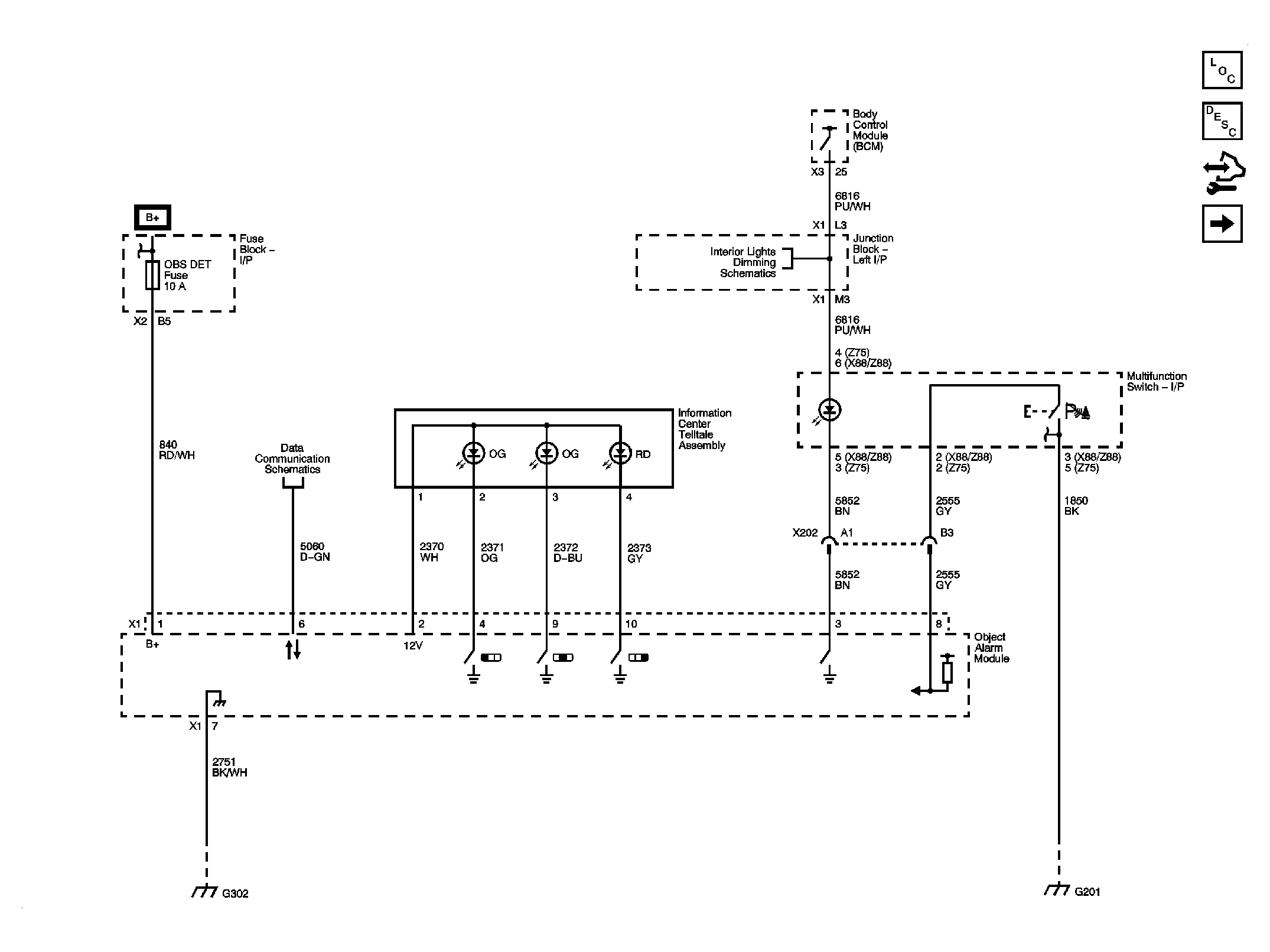
Fig 1: Rear Object Sensing Schematic (UD7)
GM1907295Courtesy of GENERAL MOTORS CORP.
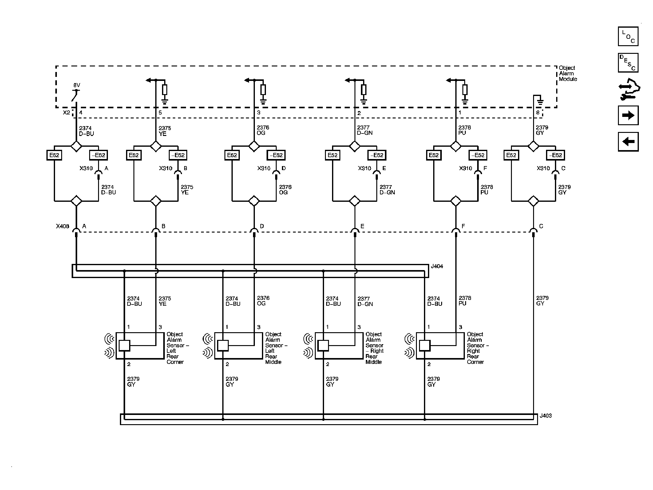
Fig 2: Rear Object Sensors Schematic (UD7)
GM1907299Courtesy of GENERAL MOTORS CORP.
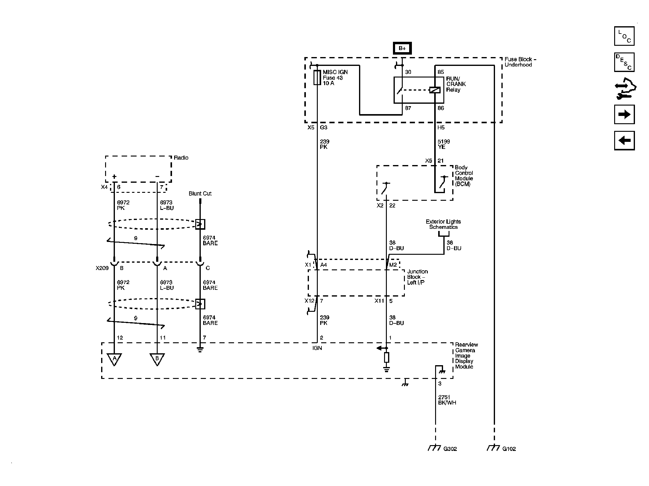
Fig 3: Rear Video Camera Schematic - 1 Of 2 (UVC)
GM1907302Courtesy of GENERAL MOTORS CORP.
Fig 4: Rear Video Camera Schematic 2 of 2 (UVC)
GM1907307Courtesy of GENERAL MOTORS CORP.