LEMON Manuals: Even more car manuals for everyone: 1960-2025
Home >> Cadillac >> 2008 >> Escalade EXT >> Repair and Diagnosis (Single Page) >> Body & Frame >> Ignition Switch/Steering Lock >> Wiring Systems And Power Management - Introduction >> Schematic and Routing Diagrams >> Power Moding Schematics
April 5, 2026: LEMON Manuals is launched! Read the announcement.

Power Moding Schematics

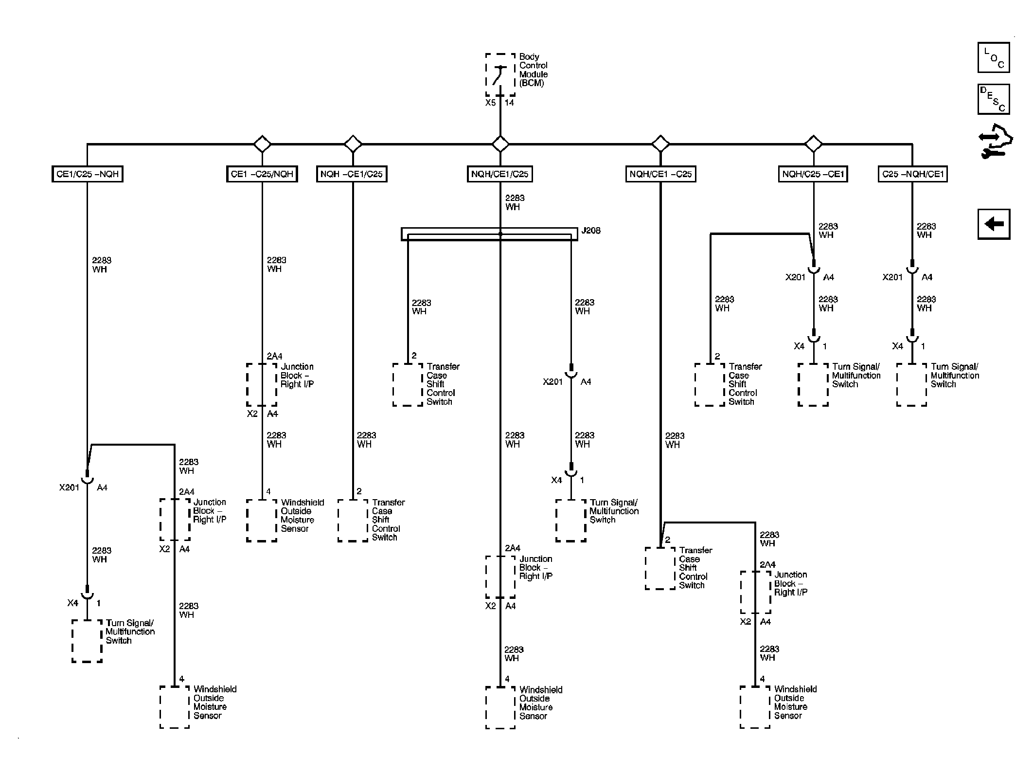
Fig 1: Ignition 3 & Accessory Voltage Schematic
GM1907504Courtesy of GENERAL MOTORS CORP.
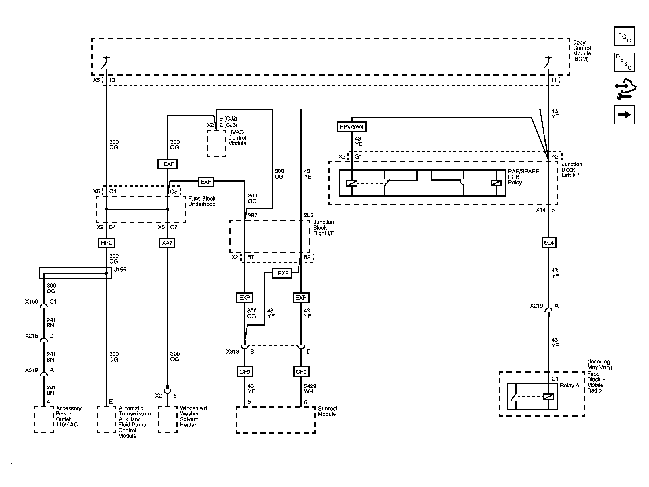
Fig 2: Ignition 1 Voltage Schematic
GM1907511Courtesy of GENERAL MOTORS CORP.