LEMON Manuals: Even more car manuals for everyone: 1960-2025
Home >> Cadillac >> 2008 >> Escalade EXT >> Repair and Diagnosis >> Accessories & Equipment >> Entertainment Systems >> Cellular System, Entertainment System, And Navigation System >> Schematic and Routing Diagrams >> Video System Schematics
April 5, 2026: LEMON Manuals is launched! Read the announcement.

Video System Schematics

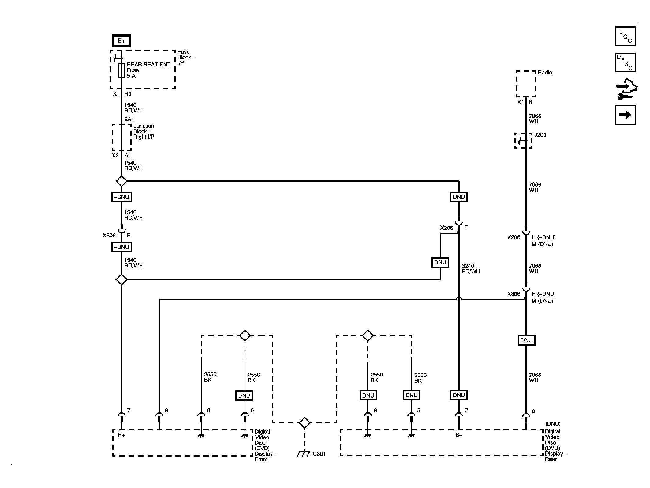
Fig 1: Display Power and Ground
GM1907272Courtesy of GENERAL MOTORS CORP.
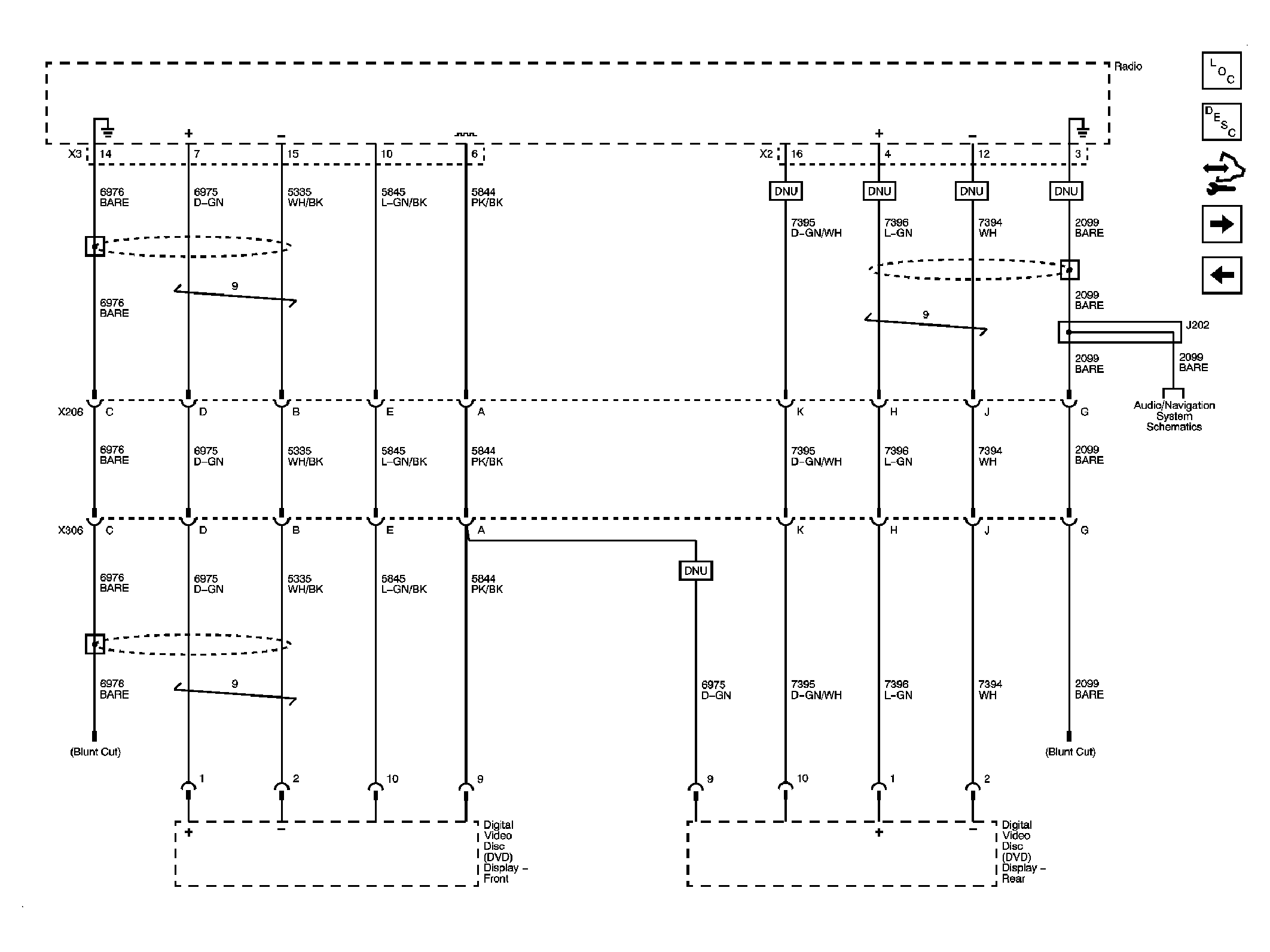
Fig 2: Video Signals
GM1907277Courtesy of GENERAL MOTORS CORP.
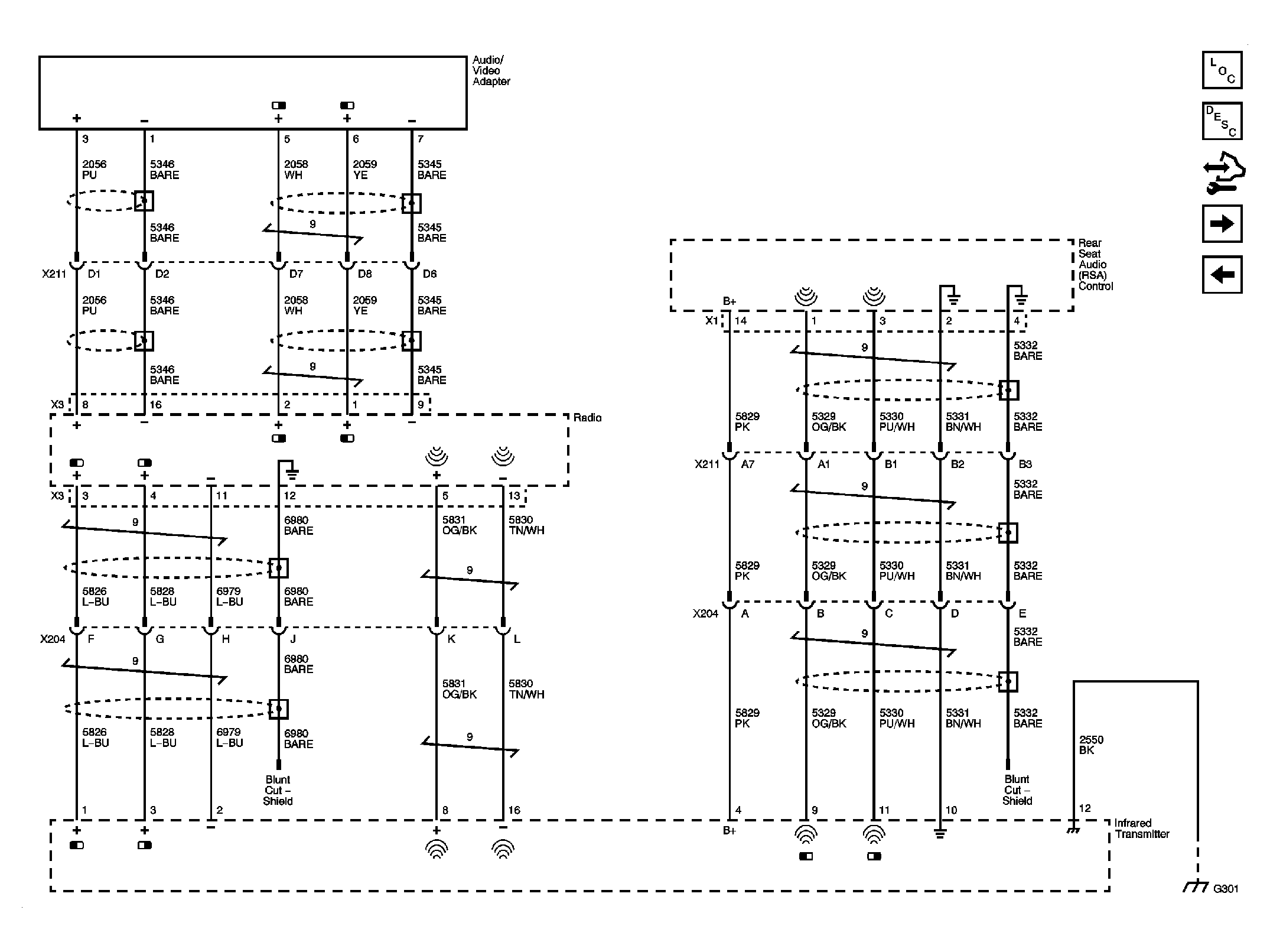
Fig 3: Audio Signals
GM1907281Courtesy of GENERAL MOTORS CORP.
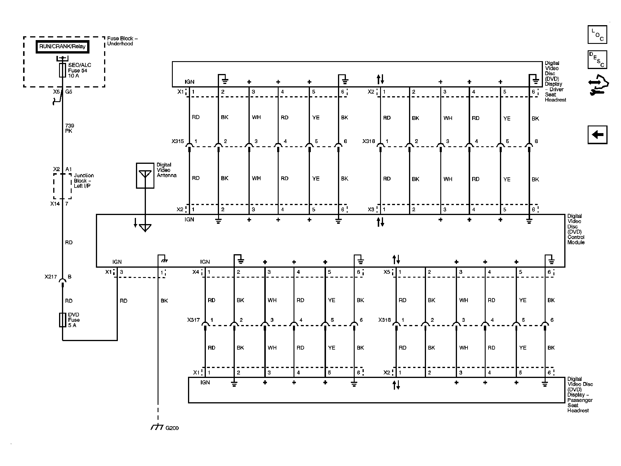
Fig 4: Dual DVD Headrest System
GM1907284Courtesy of GENERAL MOTORS CORP.