LEMON Manuals: Even more car manuals for everyone: 1960-2025
Home >> Cadillac >> 2008 >> Escalade EXT >> Repair and Diagnosis >> Accessories & Equipment >> Infotainment >> Cellular System, Entertainment System, And Navigation System >> Schematic and Routing Diagrams >> Radio/Navigation System Schematics
April 5, 2026: LEMON Manuals is launched! Read the announcement.

Radio/Navigation System Schematics

Fig 1: Radio Power, Ground, Serial Data, and Antenna Signals
GM1907246Courtesy of GENERAL MOTORS CORP.
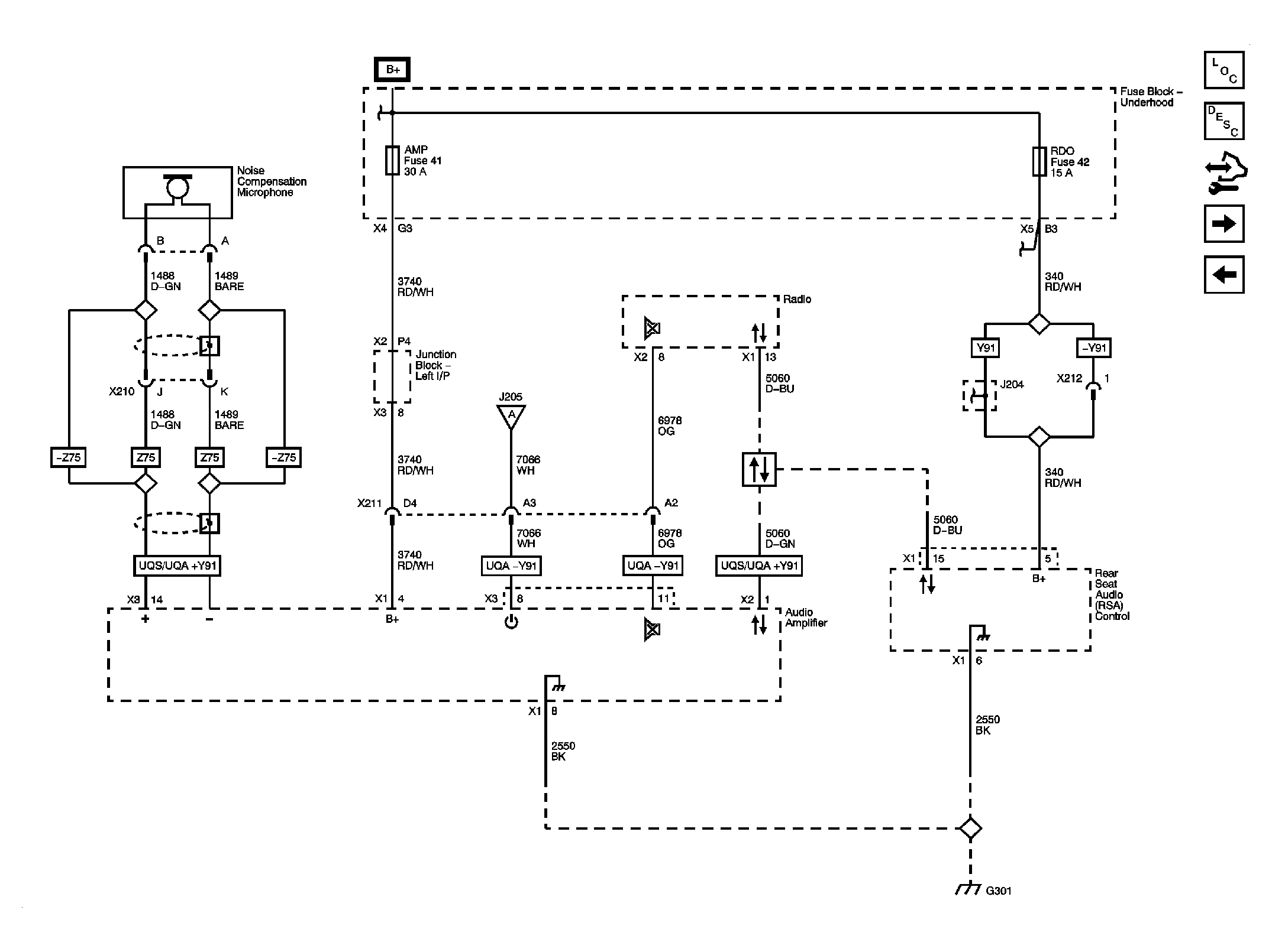
Fig 2: Amplifier (UQA or UQS) and Rear Seat Audio (UK6) Power, Ground, and Serial Data
GM1907248Courtesy of GENERAL MOTORS CORP.
Fig 3: Amplifier Inputs - UQA/UQS
GM1907250Courtesy of GENERAL MOTORS CORP.
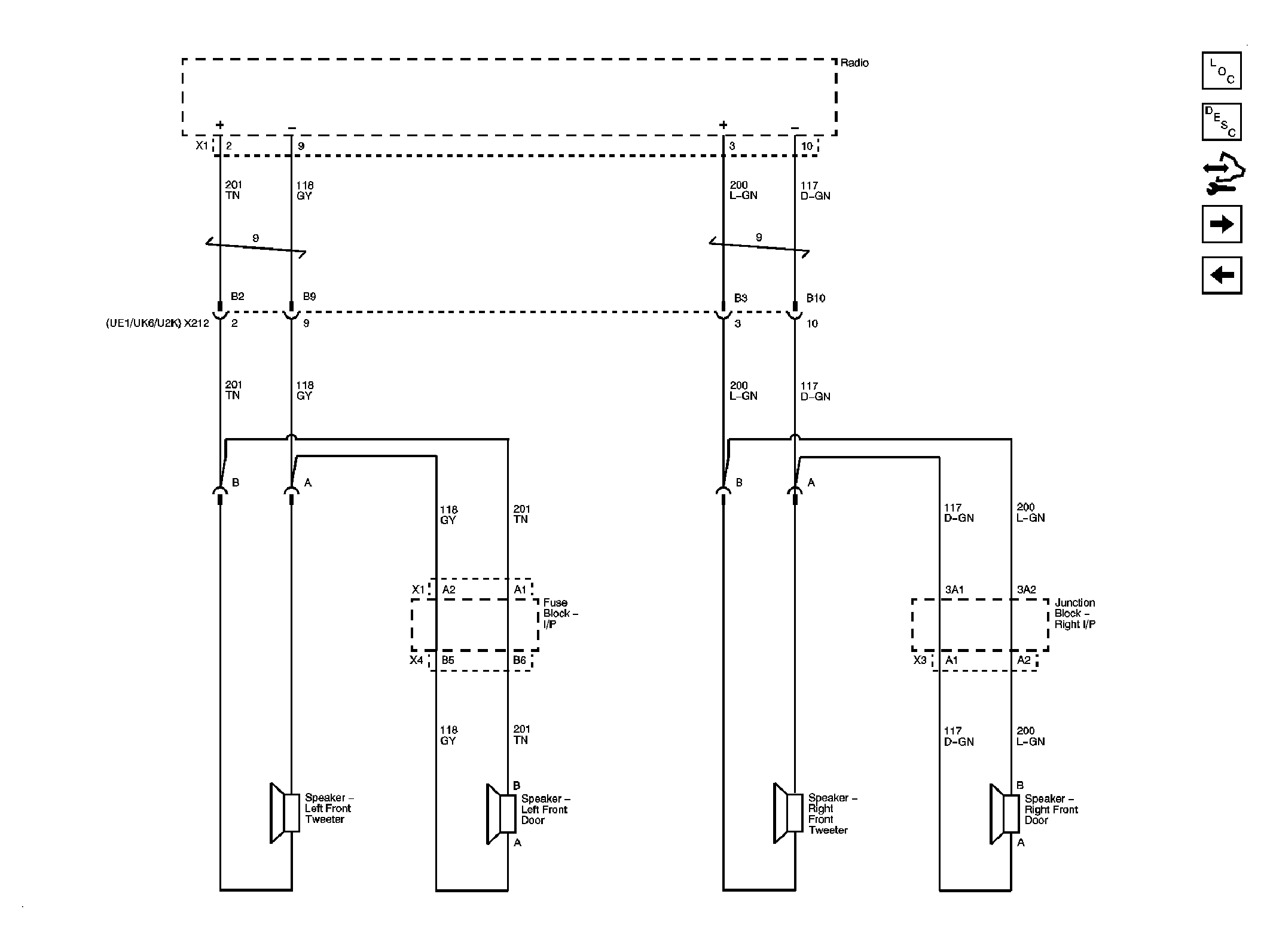
Fig 4: Front Speakers - UQ3
GM1907252Courtesy of GENERAL MOTORS CORP.
Fig 5: Rear Speakers - UQ3 Except UK6
GM1907256Courtesy of GENERAL MOTORS CORP.
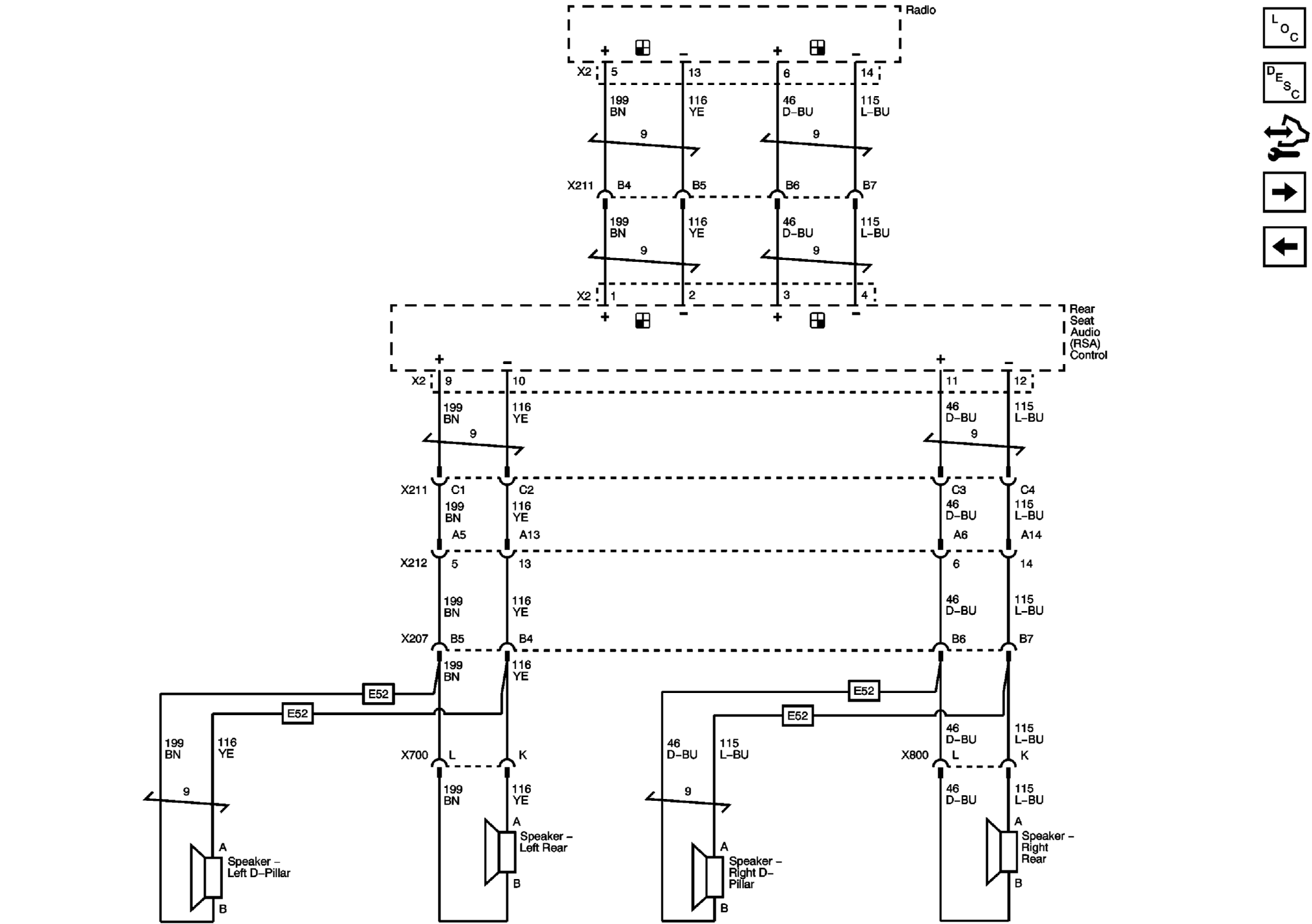
Fig 6: Rear Speakers - UQ3 with UK6
GM1907258Courtesy of GENERAL MOTORS CORP.
Fig 7: Front Speakers - UQA/UQS
GM1907261Courtesy of GENERAL MOTORS CORP.
Fig 8: Rear Speakers - UQA
GM1907264Courtesy of GENERAL MOTORS CORP.
Fig 9: Rear Speakers - UQS
GM1907266Courtesy of GENERAL MOTORS CORP.
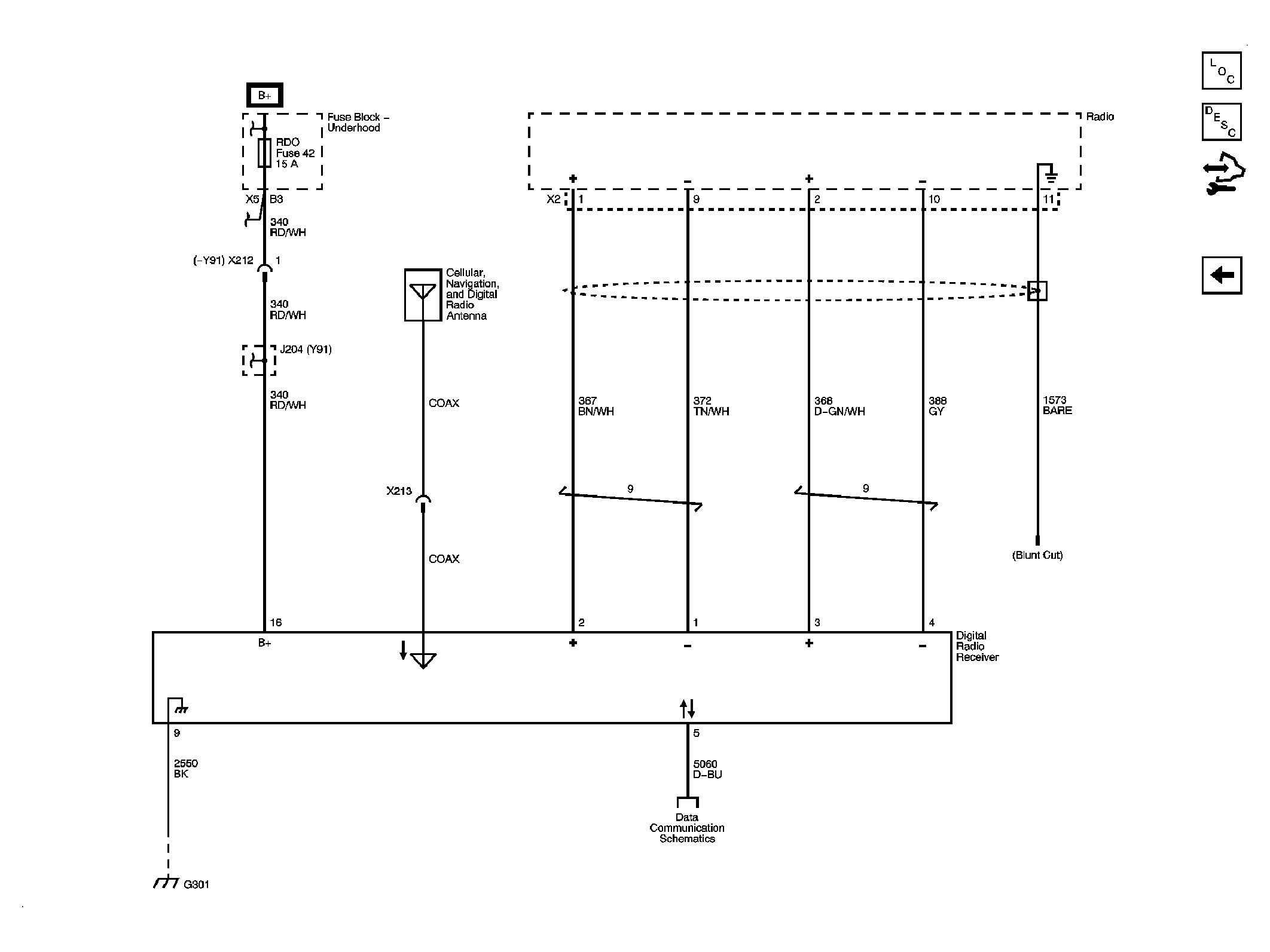
Fig 10: Digital Radio Receiver - U2K
GM1907269Courtesy of GENERAL MOTORS CORP.