LEMON Manuals: Even more car manuals for everyone: 1960-2025
Home >> Cadillac >> 2008 >> Escalade EXT >> Repair and Diagnosis >> Body & Frame >> Ignition Switch/Steering Lock >> Wiring Systems And Power Management - Introduction >> Schematic and Routing Diagrams >> Ground Distribution Schematics
April 5, 2026: LEMON Manuals is launched! Read the announcement.

Ground Distribution Schematics

Fig 1: G100 Schematic
GM1906761Courtesy of GENERAL MOTORS CORP.
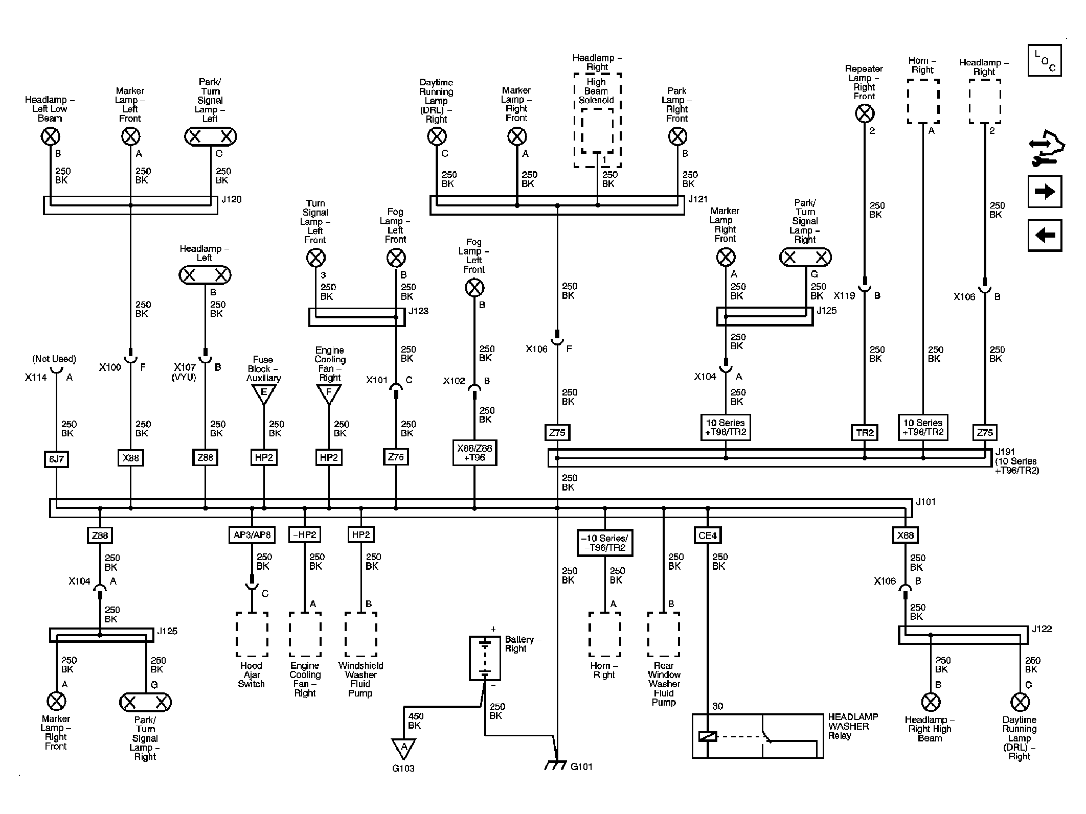
Fig 2: G101 Schematic
GM1906765Courtesy of GENERAL MOTORS CORP.
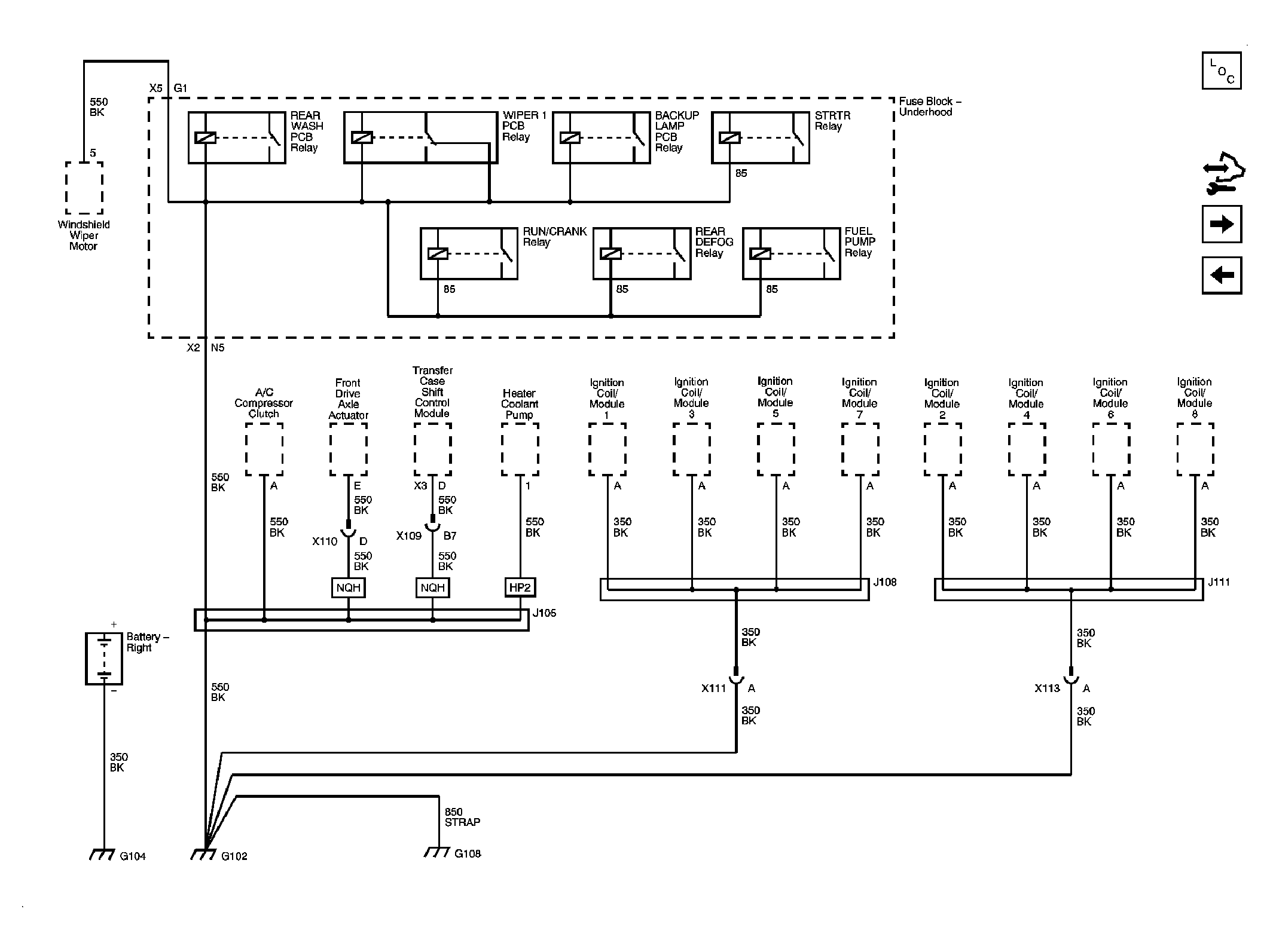
Fig 3: G102, G104 & G108 Schematic
GM1906767Courtesy of GENERAL MOTORS CORP.
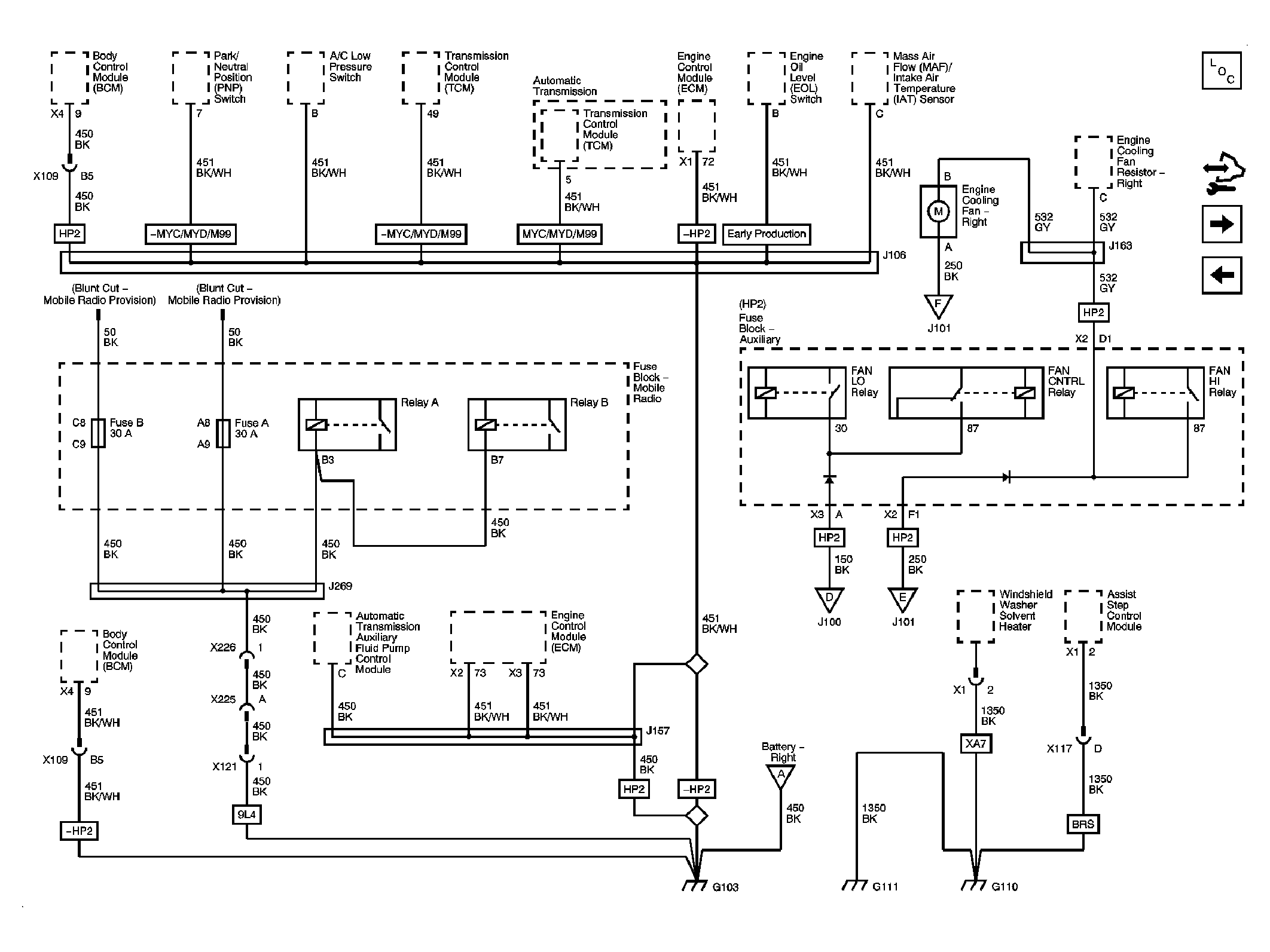
Fig 4: G103, G110 & G111 Schematic
GM1906769Courtesy of GENERAL MOTORS CORP.
Fig 5: G200 Schematic - 1 Of 2
GM1906772Courtesy of GENERAL MOTORS CORP.
Fig 6: G200 Schematic - 2 Of 2
GM1906774Courtesy of GENERAL MOTORS CORP.
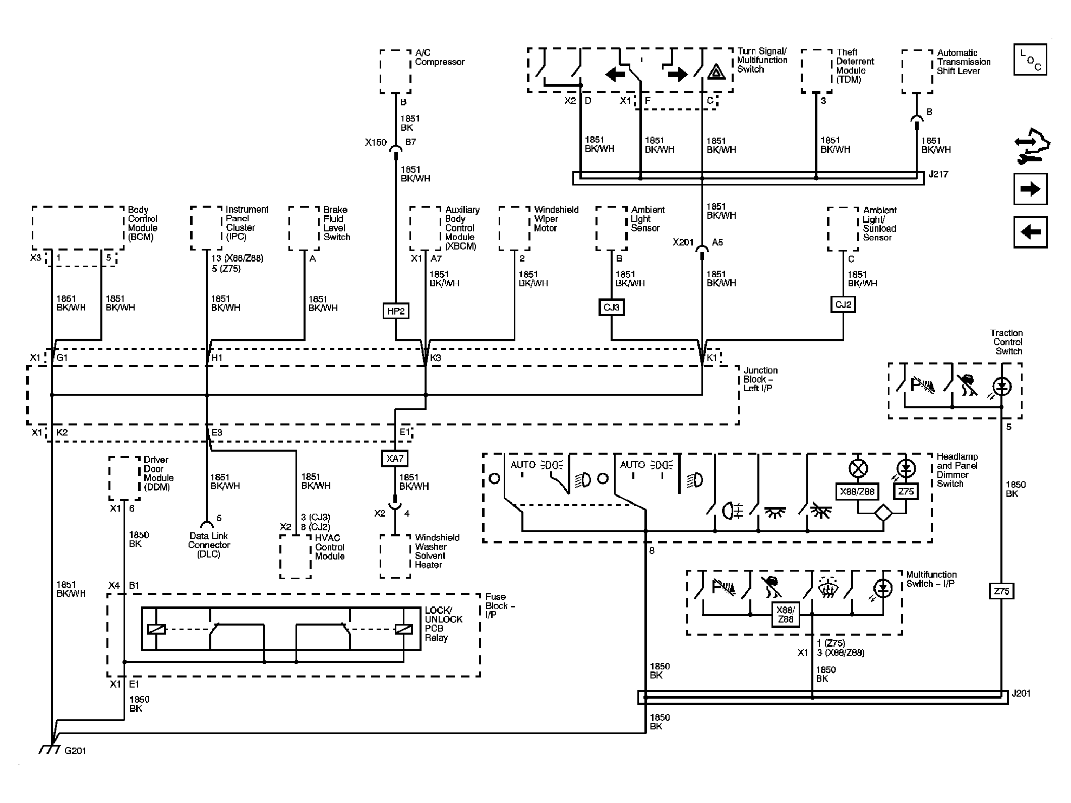
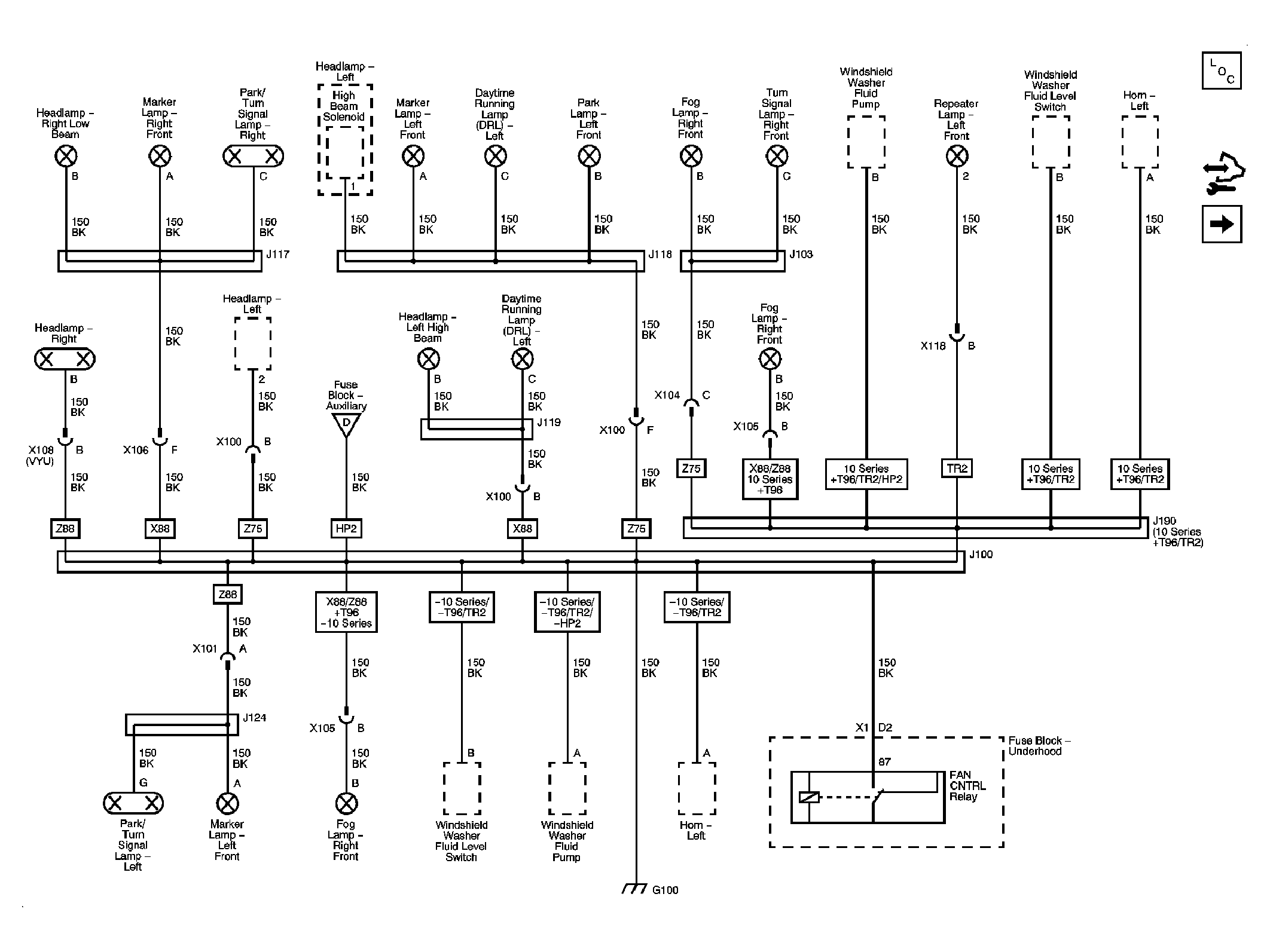
Fig 7: G201 Schematic
GM1906776Courtesy of GENERAL MOTORS CORP.
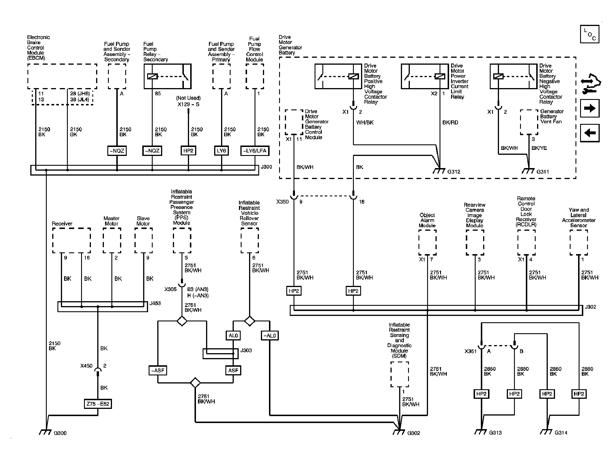
Fig 8: G300, G302, G311 & G302 Schematic
GM1906778Courtesy of GENERAL MOTORS CORP.
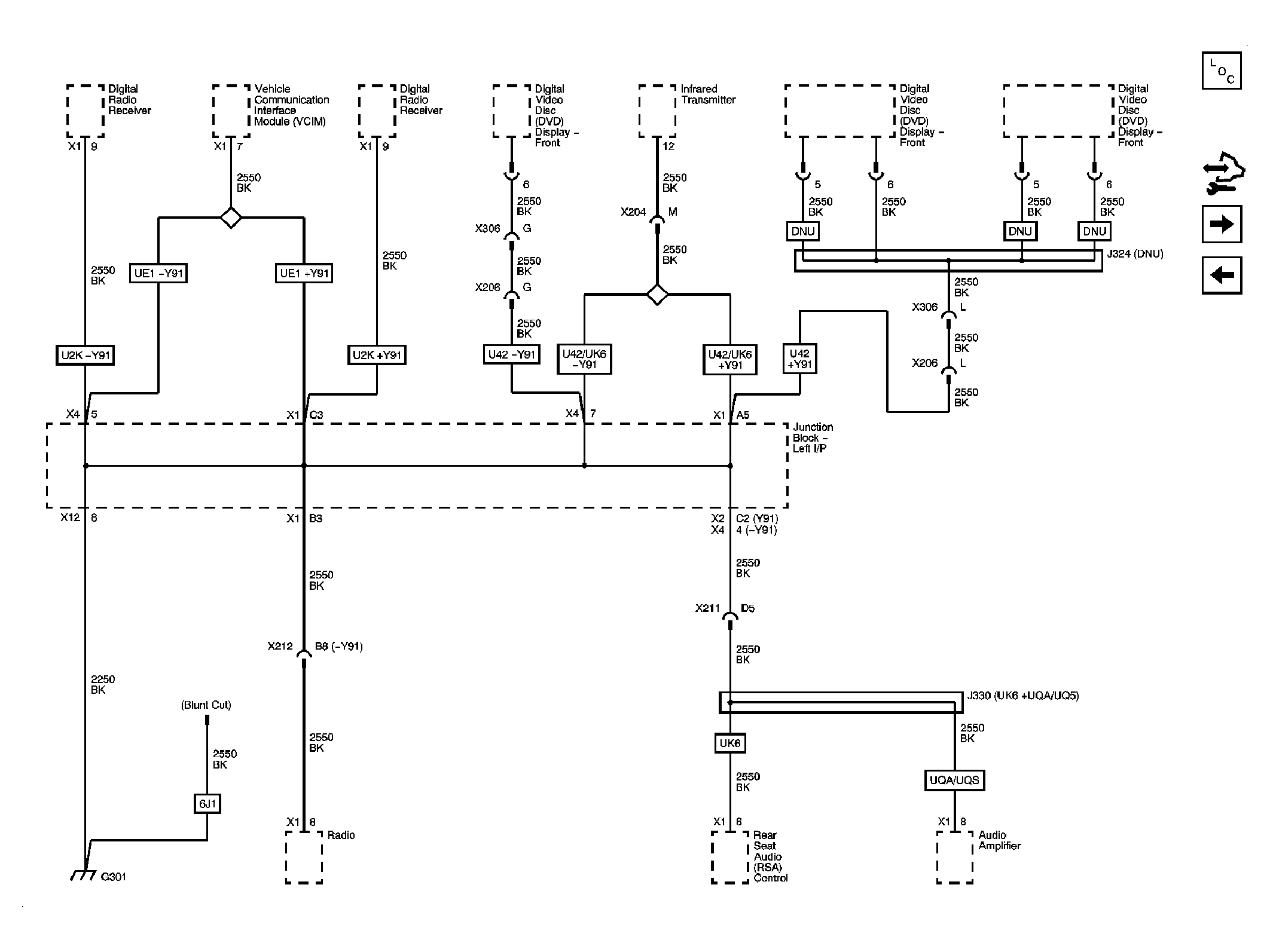
Fig 9: G301 Schematic
GM1906781Courtesy of GENERAL MOTORS CORP.
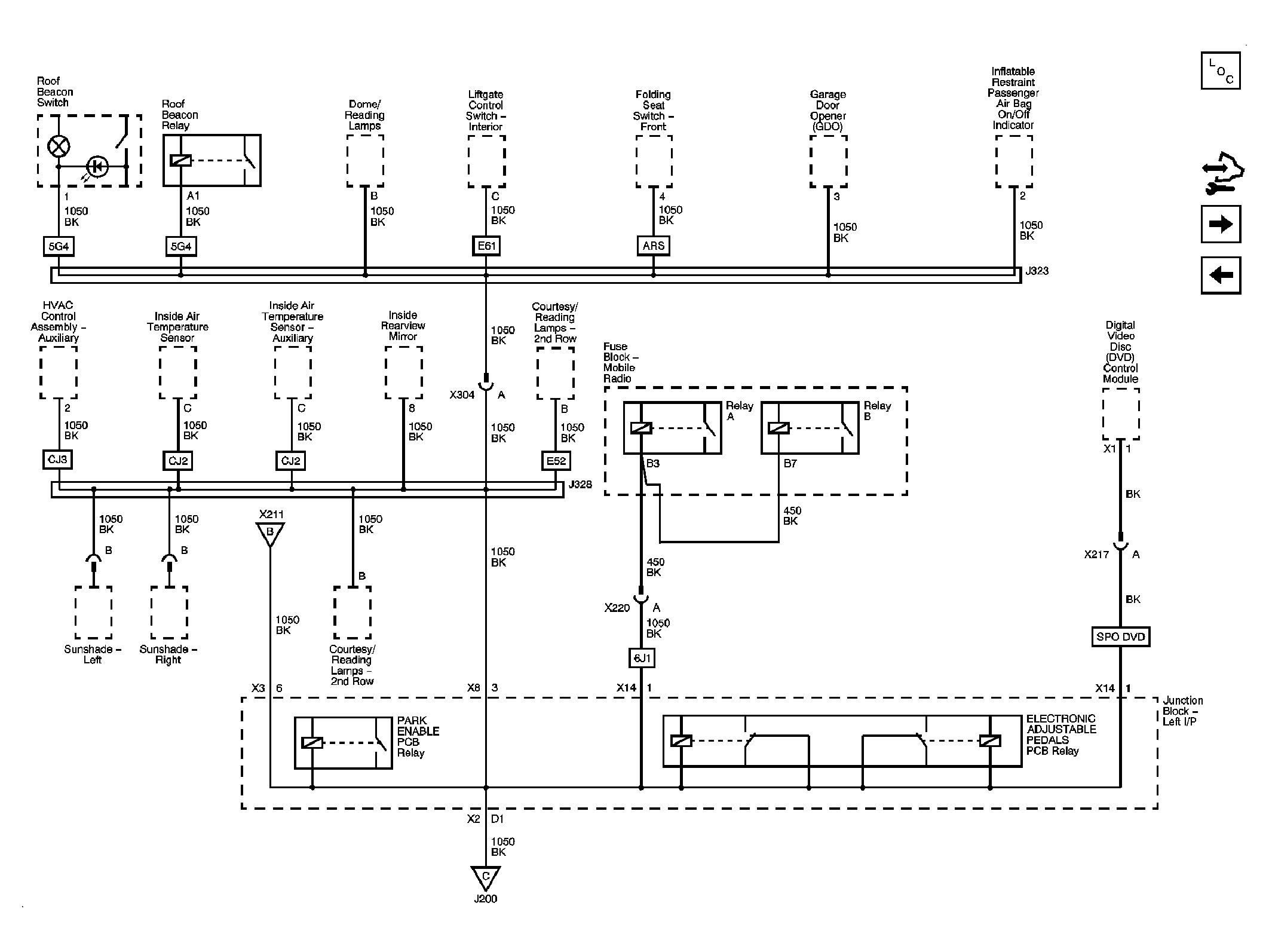
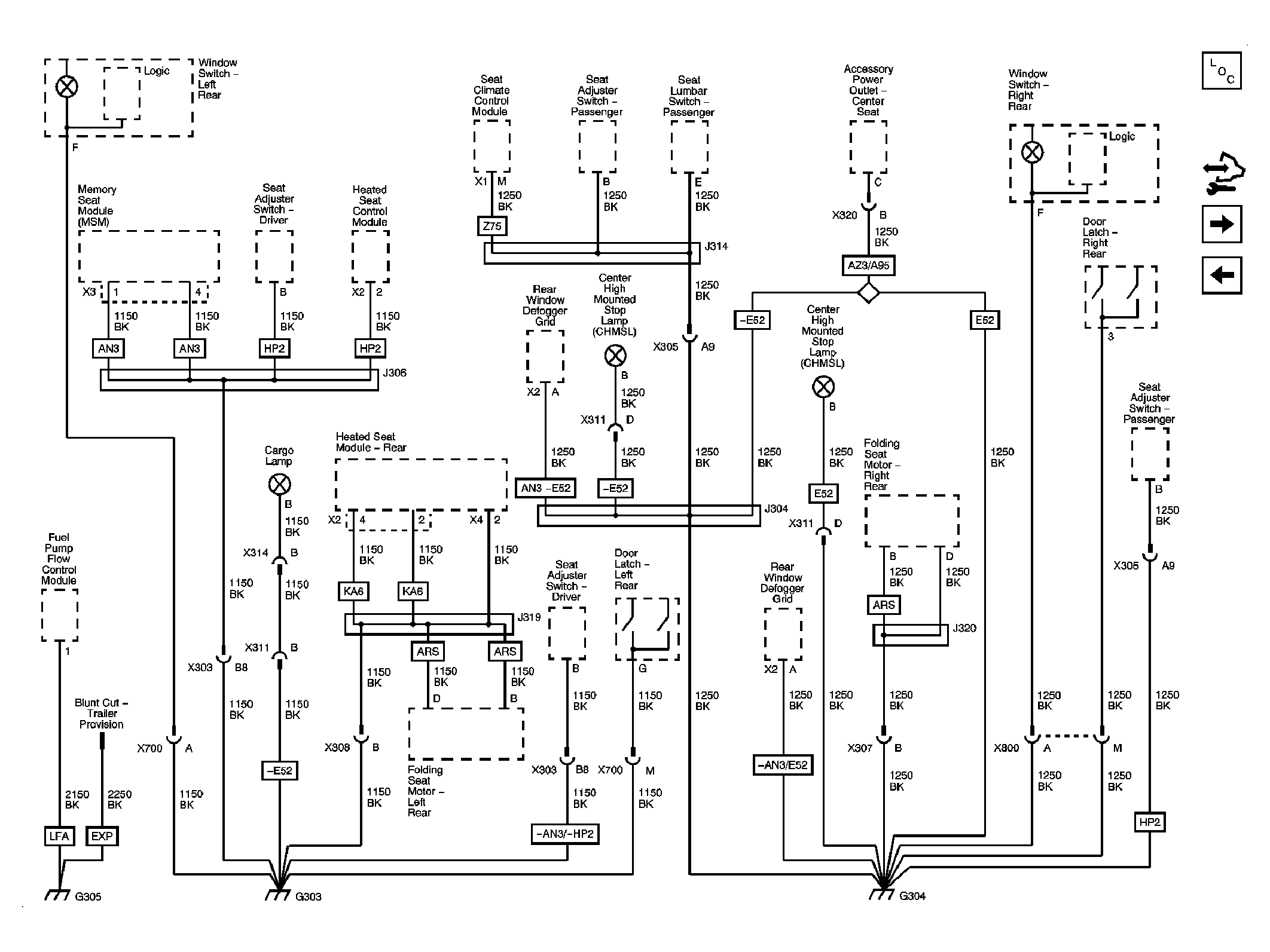
Fig 10: G303, G304 & G305 Schematic
GM1906783Courtesy of GENERAL MOTORS CORP.
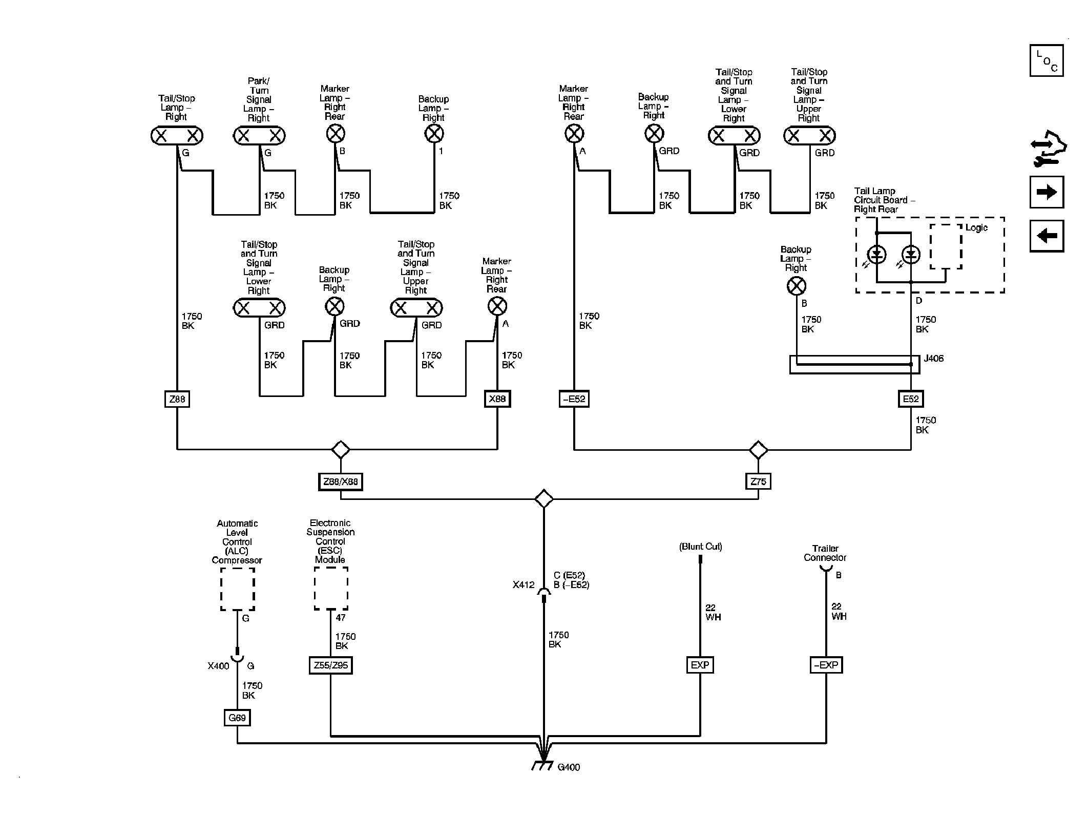
Fig 11: G400 Schematic
GM1906785Courtesy of GENERAL MOTORS CORP.
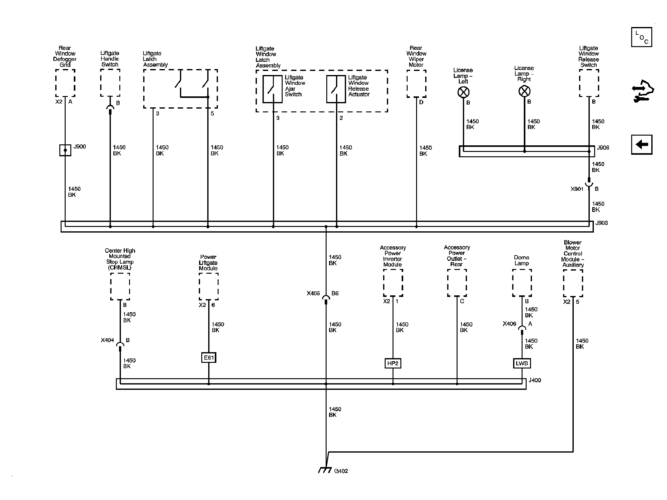
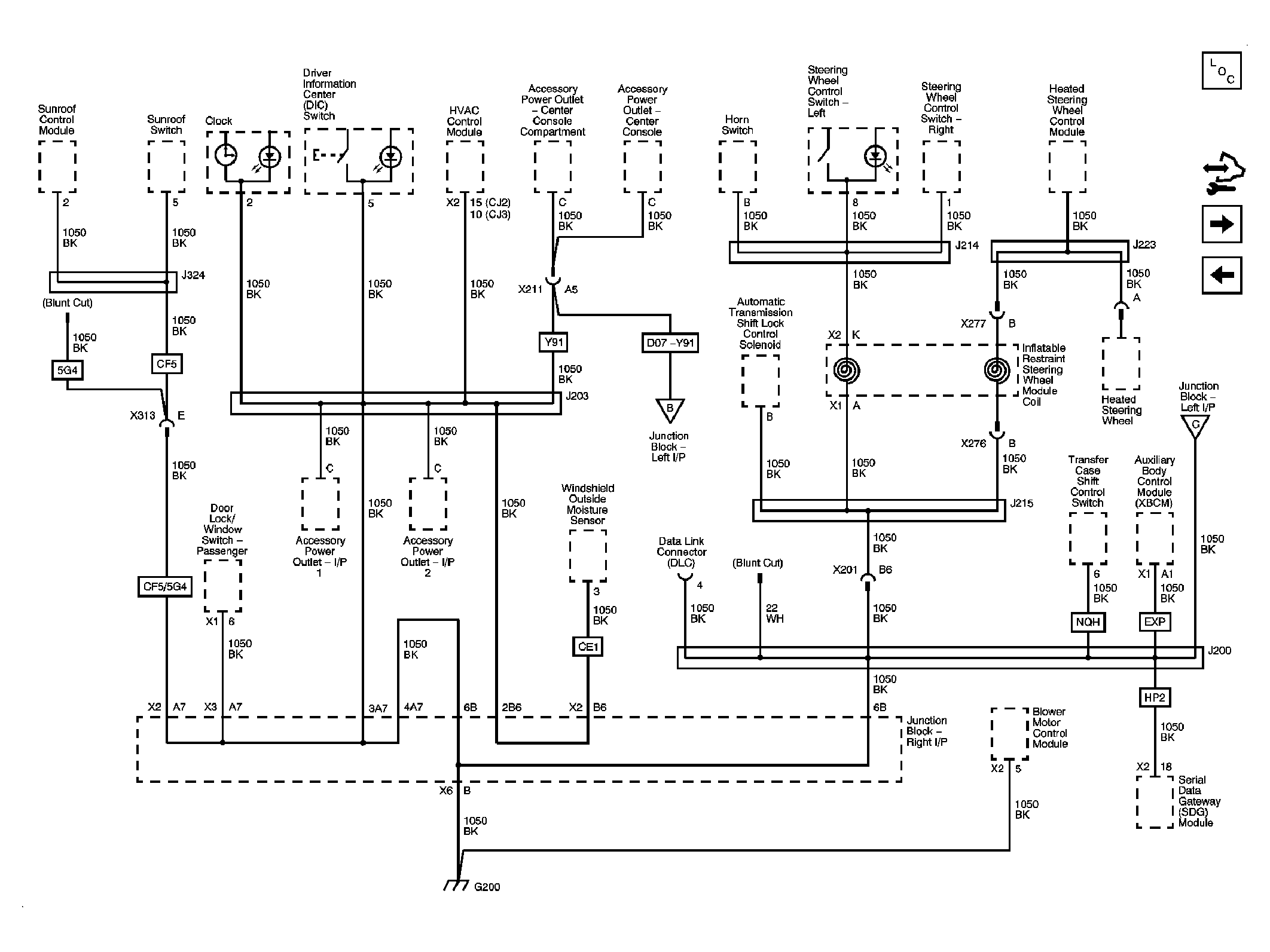
Fig 12: G401 Schematic
GM1906787Courtesy of GENERAL MOTORS CORP.
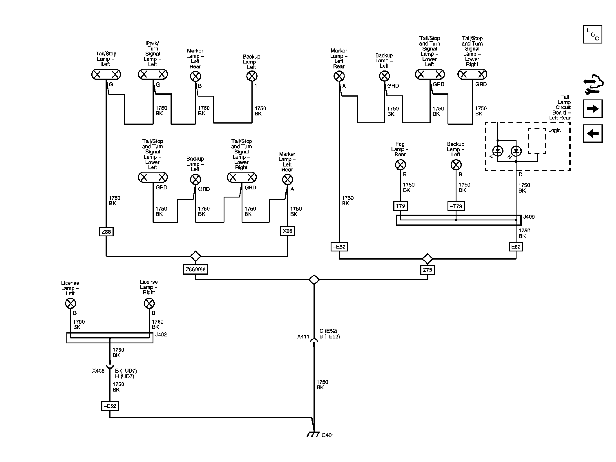
Fig 13: G402 - E52 Schematic
GM1906790Courtesy of GENERAL MOTORS CORP.