LEMON Manuals: Even more car manuals for everyone: 1960-2025
Home >> Cadillac >> 2008 >> Escalade EXT >> Repair and Diagnosis >> Body & Frame >> Ignition Switch/Steering Lock >> Wiring Systems And Power Management - Introduction >> Schematic and Routing Diagrams >> Power Distribution Schematics
April 5, 2026: LEMON Manuals is launched! Read the announcement.

Power Distribution Schematics

Fig 1: B+ Bus Schematic - 1 Of 3
GM1906702Courtesy of GENERAL MOTORS CORP.
Fig 2: B+ Bus Schematic - 2 Of 3
GM1906705Courtesy of GENERAL MOTORS CORP.
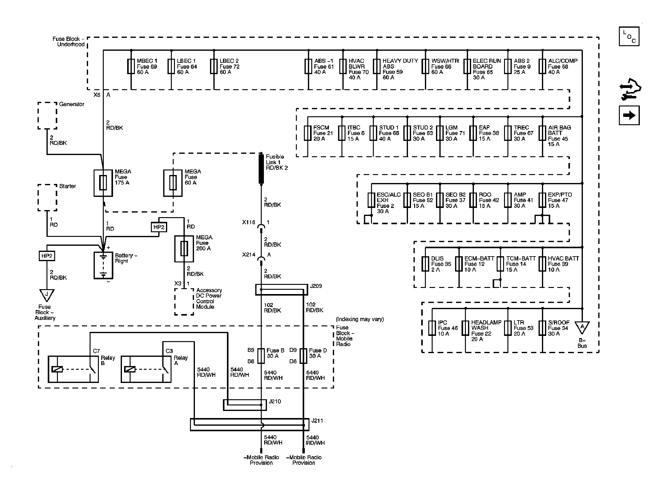
Fig 3: B+ Bus Schematic - 3 Of 3
GM1906707Courtesy of GENERAL MOTORS CORP.
Fig 4: AUX PWR, AUX PWR 2, LBEC 1, PDM, and REAR WPR Fuses Schematic
GM1906709Courtesy of GENERAL MOTORS CORP.
Fig 5: IS LAMPS, LT STOP TRN, OBS DET, REAR SEAT, and STOP LAMPS Fuses and LT DR Circuit Breaker Schematic
GM1906711Courtesy of GENERAL MOTORS CORP.
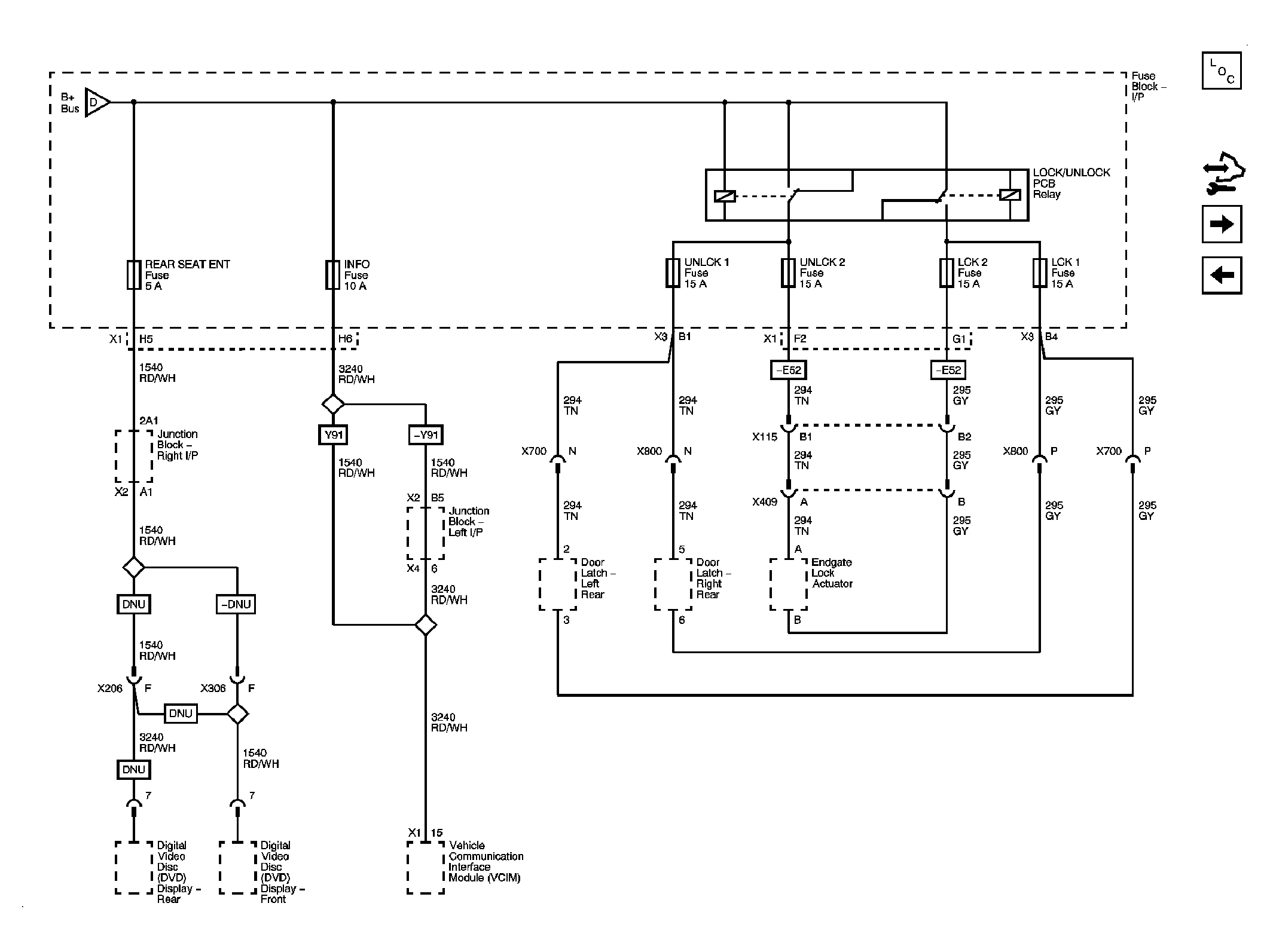
Fig 6: LCK 1, LCK 2, UNLCK 1, UNLCK 2, INFO and REAR SEAT ENT Fuses Schematic
GM1906713Courtesy of GENERAL MOTORS CORP.
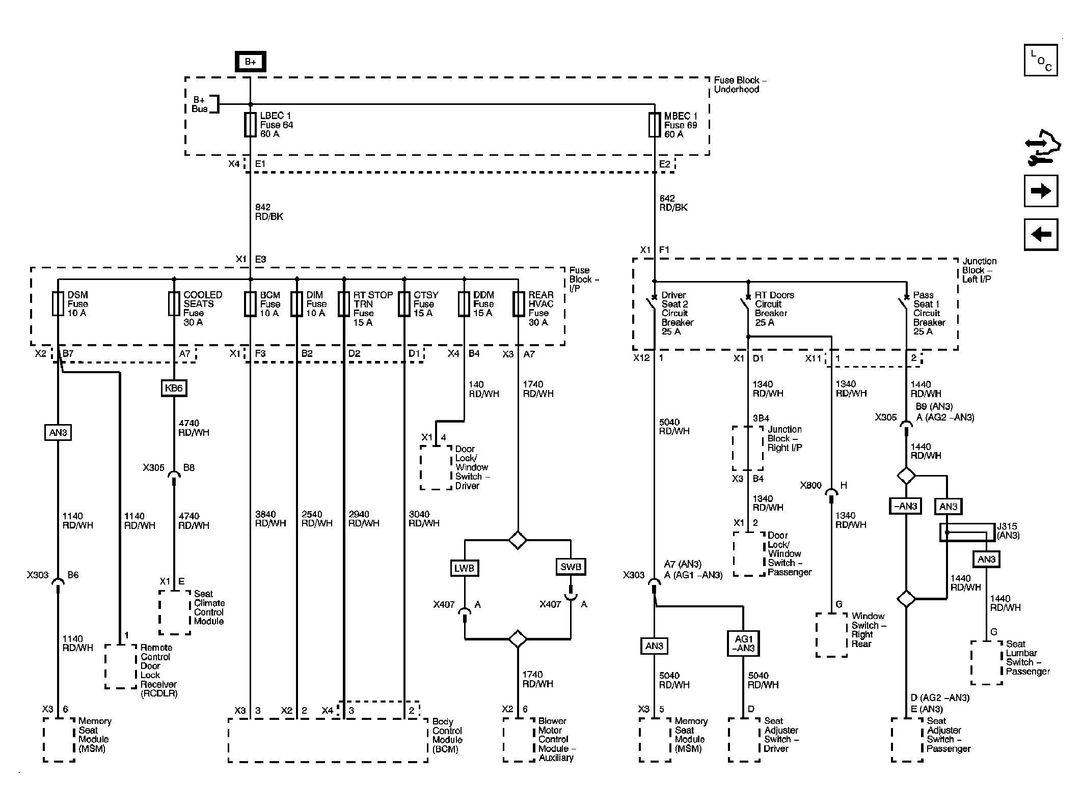
Fig 7: BCM, COOLED SEATS, CTSY, DDM, DIM, DSM, LBEC 2, MBEC 1, REAR HVAC, and RT STOP TRN Fuses and DRIVER SEAT 2, PASS SEAT 1, and RT DOORS Circuit Breakers Schematic
GM1906715Courtesy of GENERAL MOTORS CORP.
Fig 8: ECM-BATT, HEADLAMP WASH, HVAC BATT, IPC, LTR, S/ROOF, and TCM-BATT Fuses Schematic
GM1906717Courtesy of GENERAL MOTORS CORP.
Fig 9: AMP, ELEC RUN BOARD, ESC/ALC EXH, EXP/BRK MDL and TREC Fuses Schematic
GM1906719Courtesy of GENERAL MOTORS CORP.
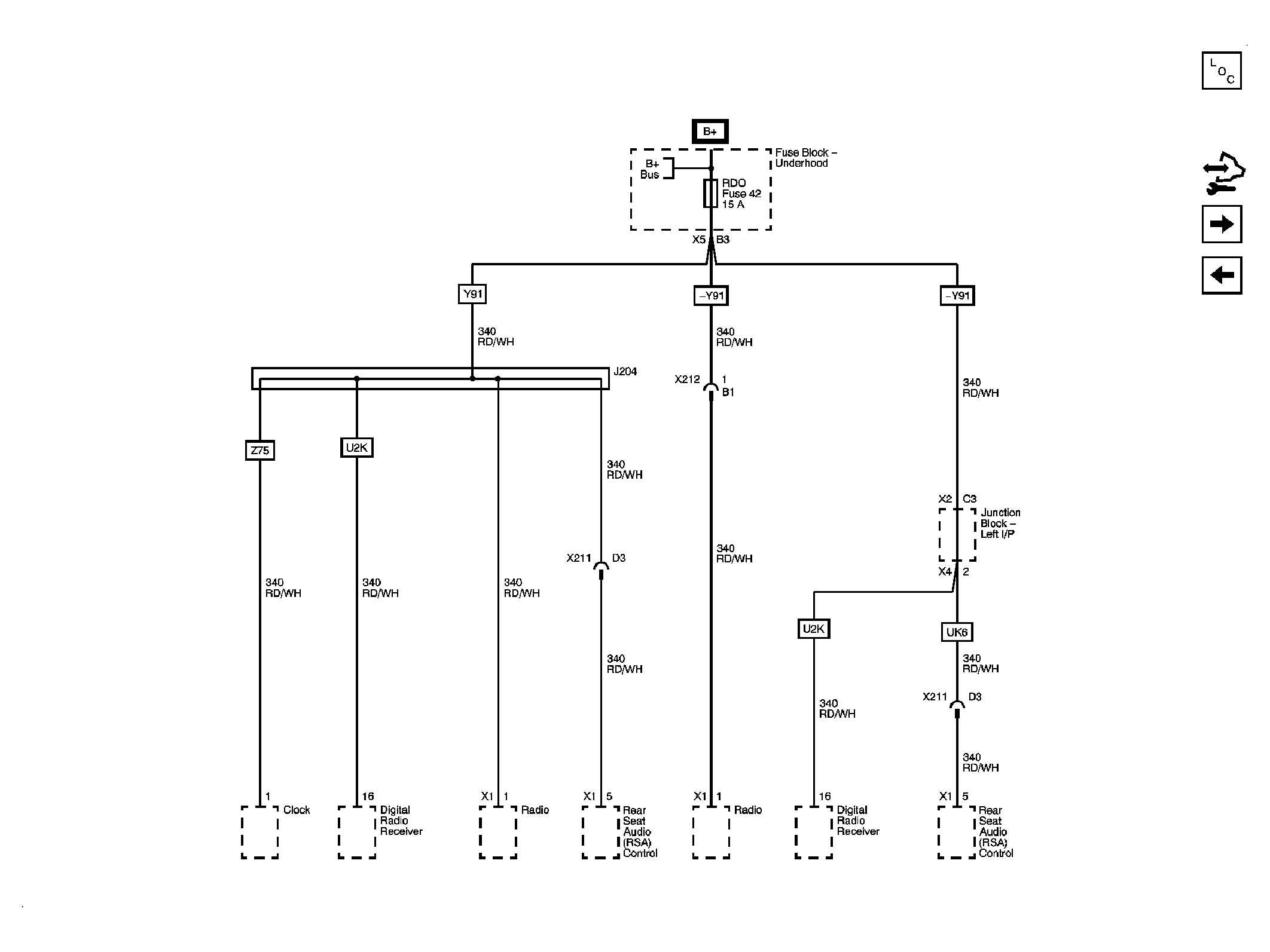
Fig 10: RDO Fuse Schematic
GM1906721Courtesy of GENERAL MOTORS CORP.
Fig 11: ABS-1, ABS 2, HEAVY DUTY ABS, HVAC BLWR, STUD 1, STUD 2, and WFHS Fuses Schematic
GM1906723Courtesy of GENERAL MOTORS CORP.
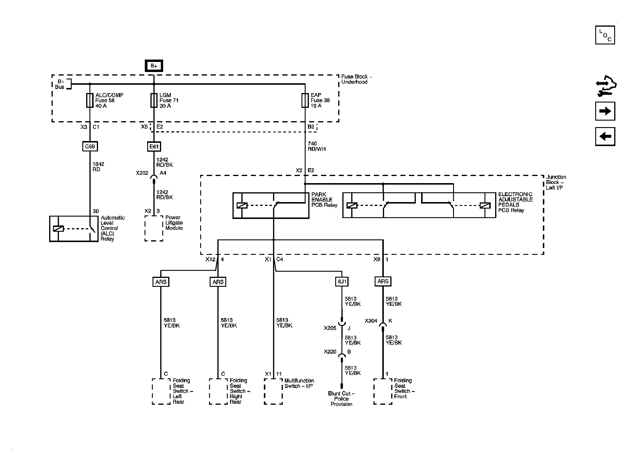
Fig 12: ALC/COMP, EAP, and LGM Fuses Schematic
GM1906727Courtesy of GENERAL MOTORS CORP.
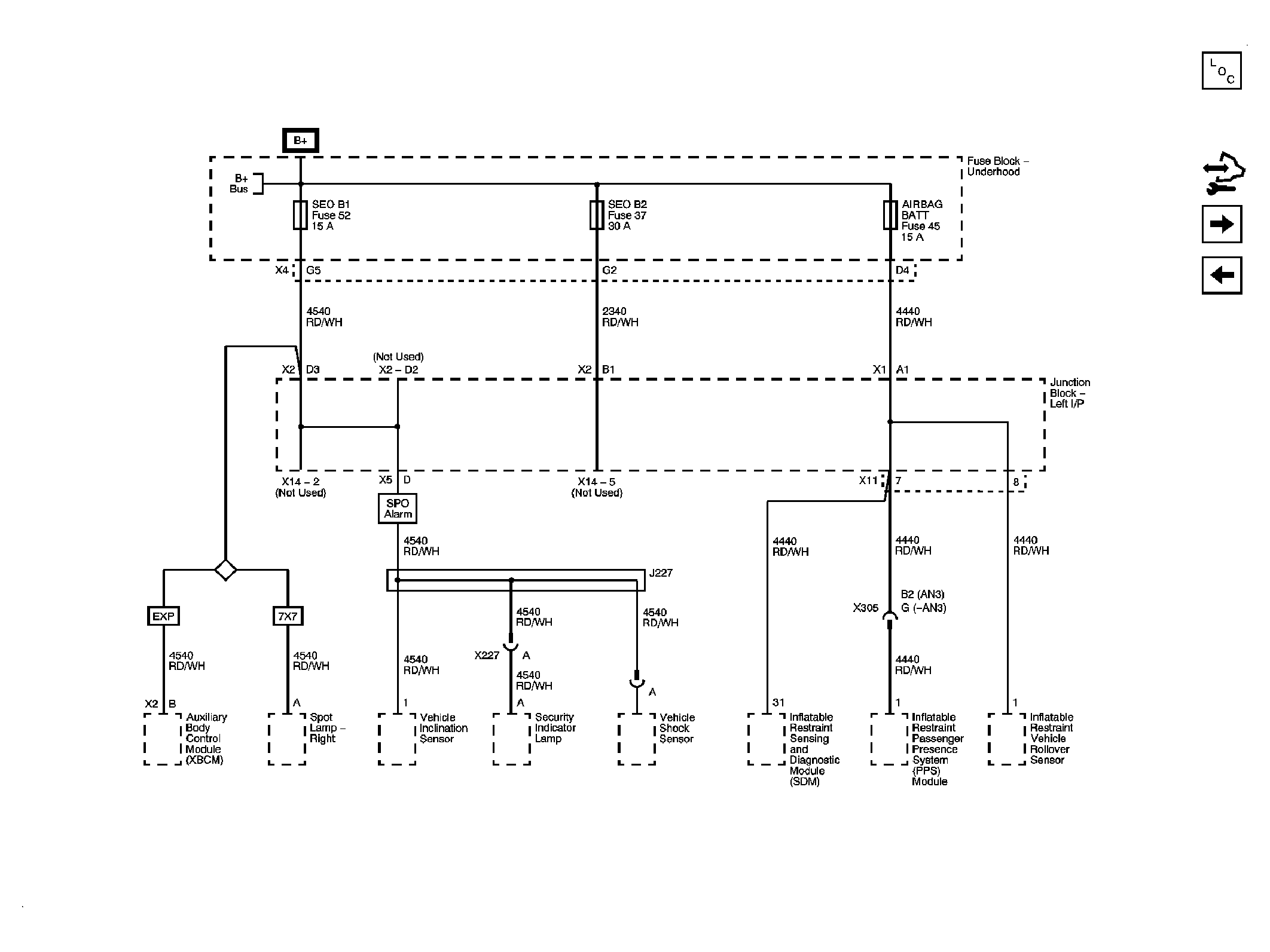
Fig 13: AIRBAG, SEO B1, and SEO B2 Fuses Schematic
GM1906729Courtesy of GENERAL MOTORS CORP.
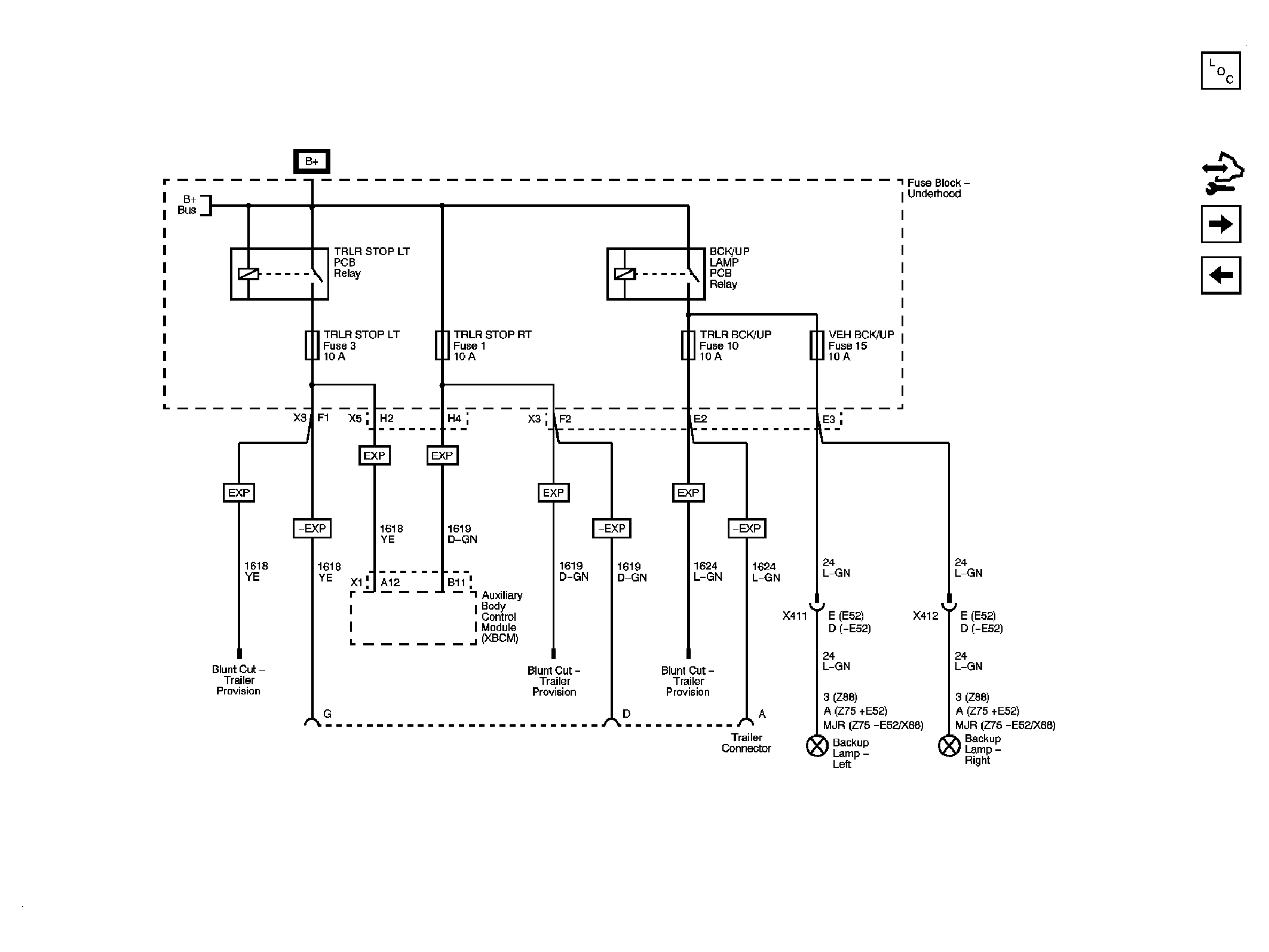
Fig 14: TRLR BCK/UP, TRLR STOP LT, TRAILER STOP RT, and VEH BCK/UP Fuses Schematic
GM1906731Courtesy of GENERAL MOTORS CORP.
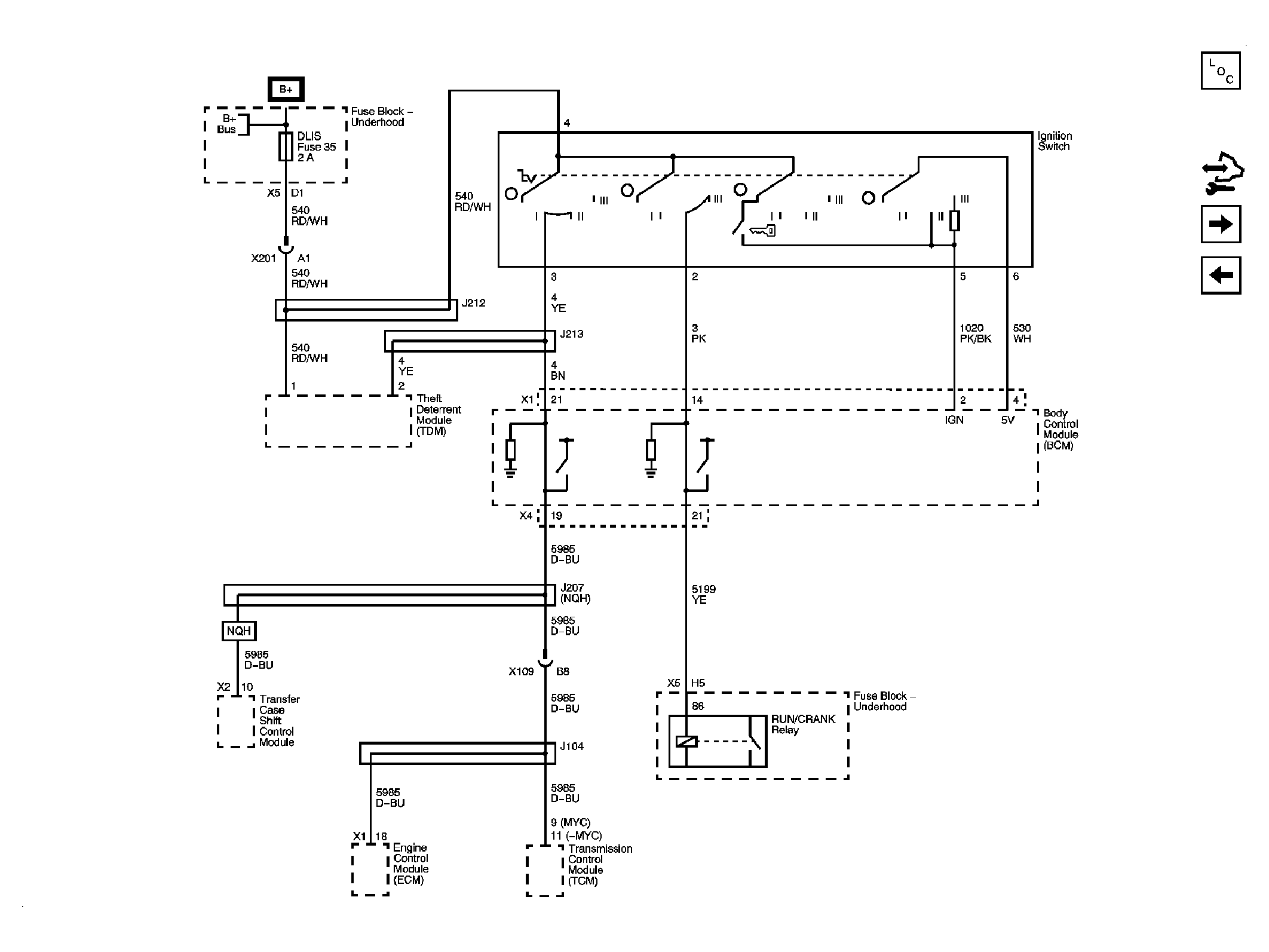
Fig 15: DLIS Fuse & Ignition Switch Schematic
GM1906733Courtesy of GENERAL MOTORS CORP.
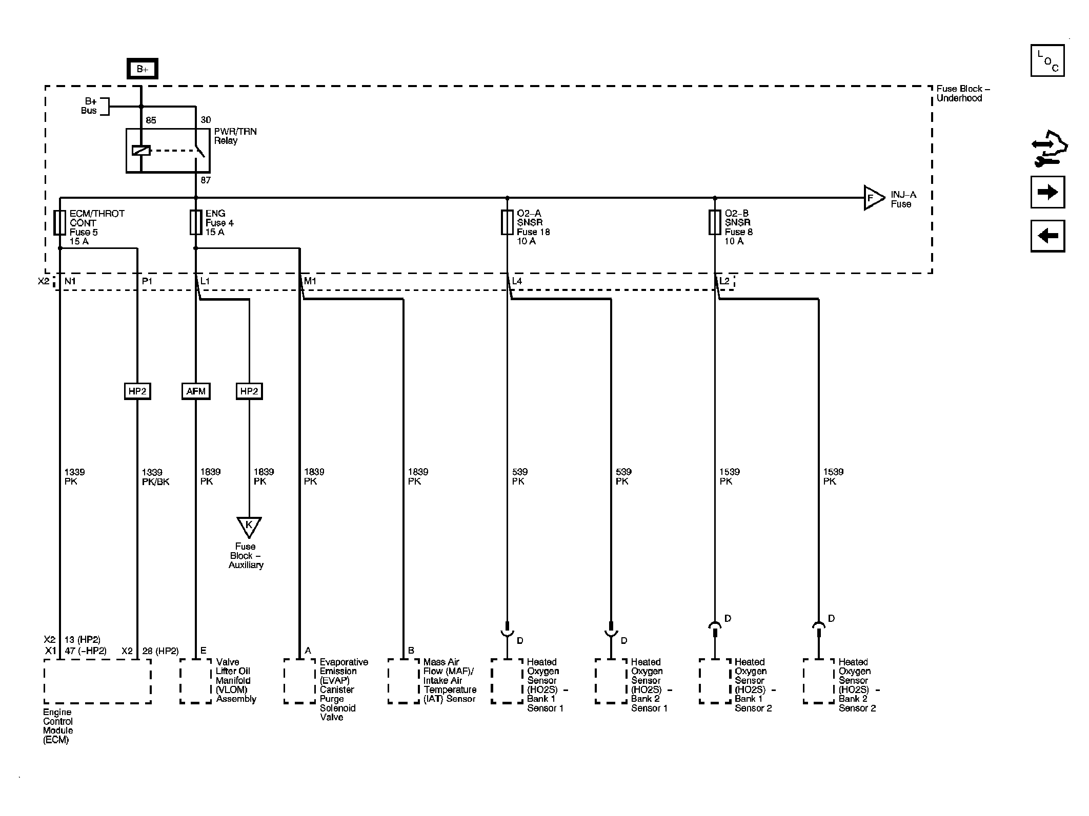
Fig 16: PWR/TRN Bus Schematic - ECM/THROT, ENG, O2-A SNSR and O2-B SNSR Fuses
GM1906735Courtesy of GENERAL MOTORS CORP.
Fig 17: PWR/TRN Bus Schematic - INJ-A and INJ-B Fuses
GM1906738Courtesy of GENERAL MOTORS CORP.
Fig 18: RUN/CRANK Bus Schematic - AIRBAG IGN, MISC IGN and SEO/ALC Fuses
GM1906740Courtesy of GENERAL MOTORS CORP.
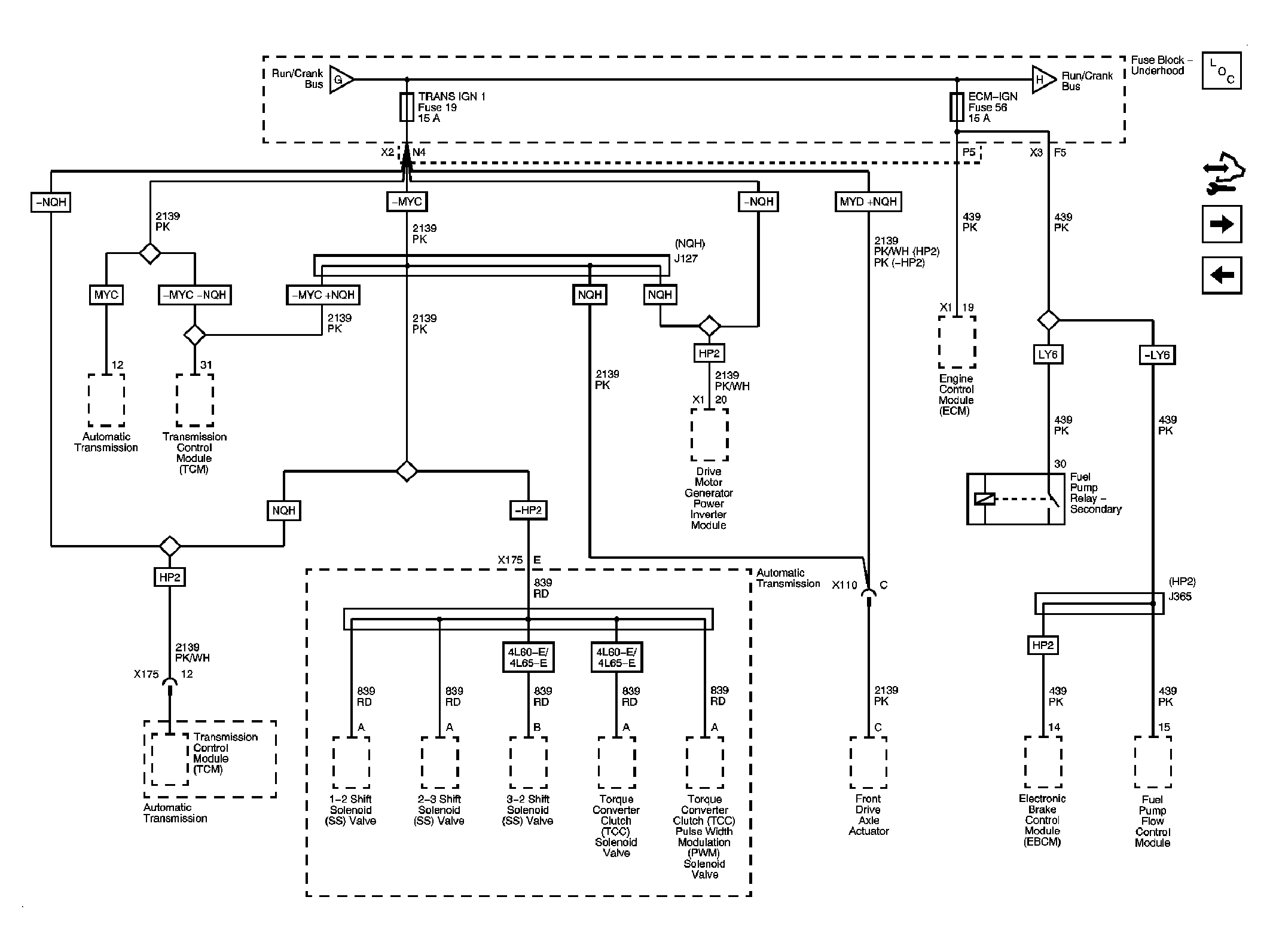
Fig 19: RUN/CRANK Bus Schematic - ECM-IGN and TRANS IGN 1 Fuses
GM1906742Courtesy of GENERAL MOTORS CORP.
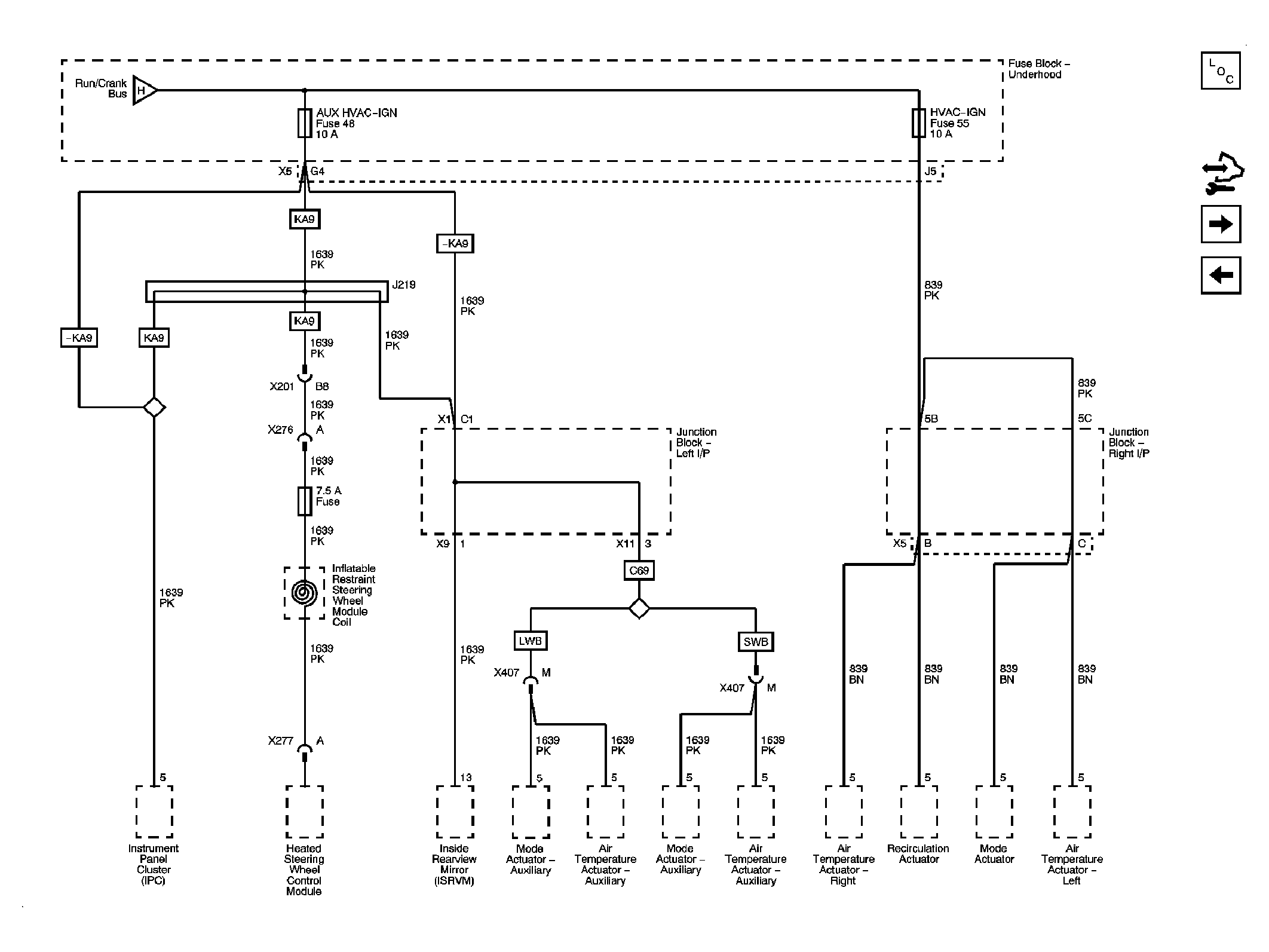
Fig 20: RUN/CRANK Bus Schematic - AUX HVAC-IGN and HVAC-IGN Fuses
GM1906745Courtesy of GENERAL MOTORS CORP.
Fig 21: FOG LAMP, HI HEADLAMP-LT and HI HEADLAMP-RT Fuses Schematic
GM1906747Courtesy of GENERAL MOTORS CORP.
Fig 22: DRL, DRL 2, LO HDLP-LT, LO HDLP-RT, and STRTR Fuses Schematic
GM1906750Courtesy of GENERAL MOTORS CORP.
Fig 23: LT PRK Fuse Schematic
GM1906753Courtesy of GENERAL MOTORS CORP.
Fig 24: RT PRK AND TRLR PRK Fuses Schematic
GM1906755Courtesy of GENERAL MOTORS CORP.
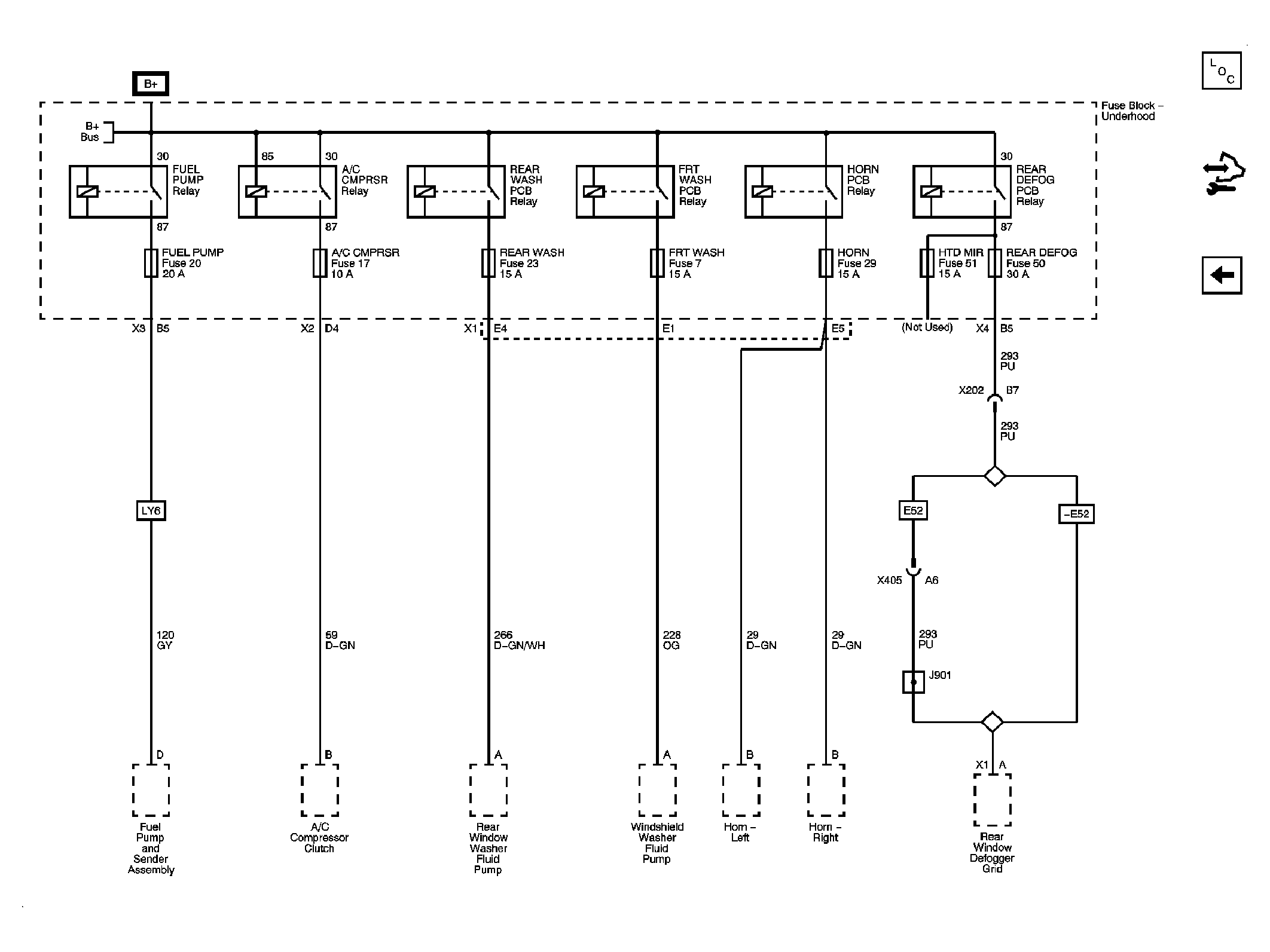
Fig 25: A/C CMPRSR, FRT WASH, FUEL PUMP, HORN, REAR DEFOG, and REAR WASH Fuses Schematic
GM1906757Courtesy of GENERAL MOTORS CORP.
Fig 26: Fuse Block Schematic - Auxiliary B+ Bus
GM2012136Courtesy of GENERAL MOTORS CORP.
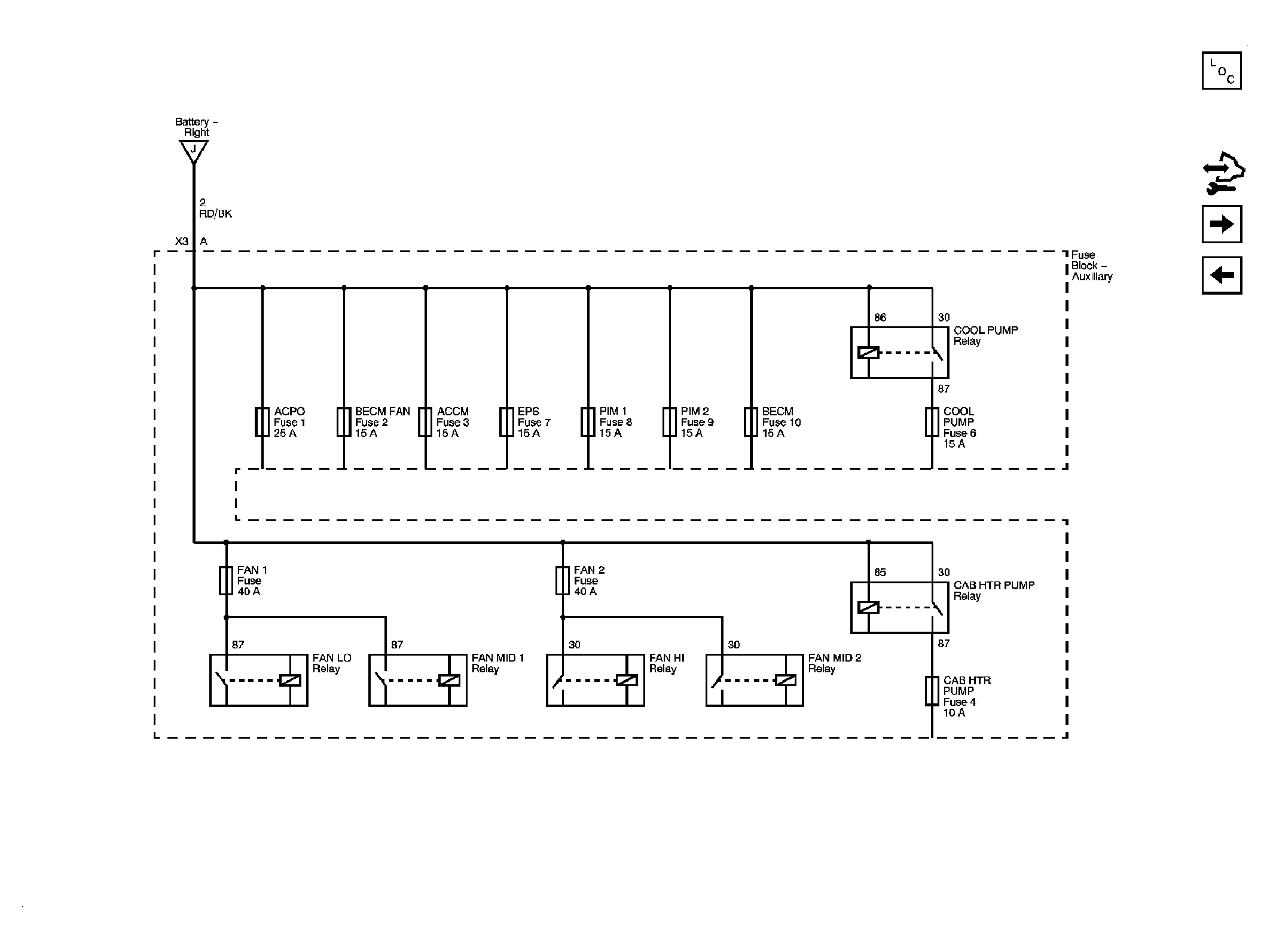
Fig 27: ACCM, ACPO, BECM, BECM FAN, CAB HTR PUMP, COOL PUMP, EPS, PIM 1 and PIM 2 Fuses Schematic
GM2012141Courtesy of GENERAL MOTORS CORP.
Fig 28: FAN 1 and FAN 2 Fuses Schematic
GM2012146Courtesy of GENERAL MOTORS CORP.