LEMON Manuals: Even more car manuals for everyone: 1960-2025
Home >> Cadillac >> 2008 >> Escalade EXT >> Repair and Diagnosis >> Body & Frame >> Windows >> Fixed & MOVEABLE Window Systems >> Schematic & Routing Diagrams >> Defogger Schematics
April 5, 2026: LEMON Manuals is launched! Read the announcement.

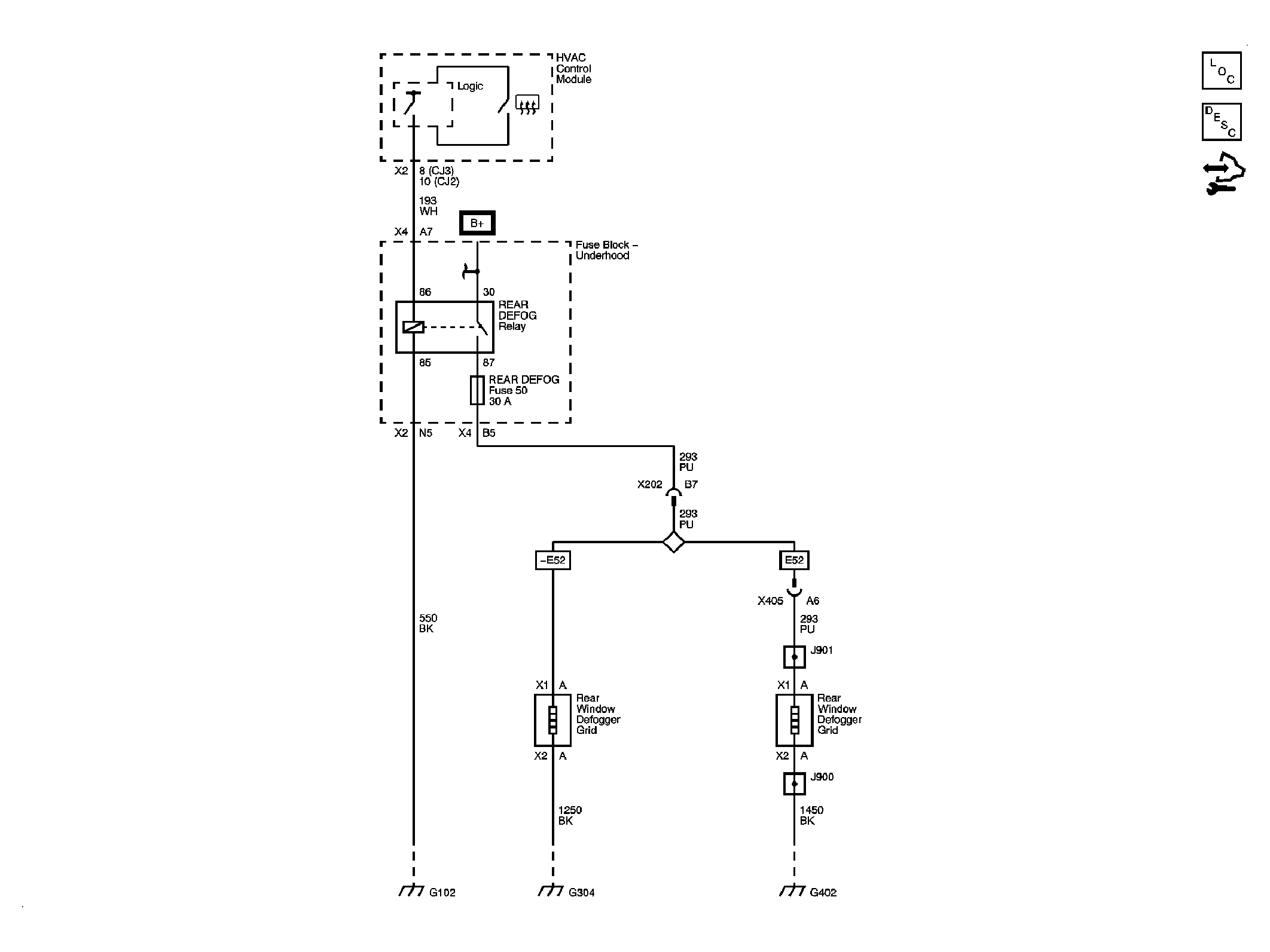
Defogger Schematics

Fig 1: Defogger Schematic
GM1907371Courtesy of GENERAL MOTORS CORP.