LEMON Manuals: Even more car manuals for everyone: 1960-2025
Home >> Cadillac >> 2008 >> Escalade EXT >> Repair and Diagnosis >> External Pages >> Different car >> Section 37 (Data Communication System) >> Schematic and Routing Diagrams >> Data Communication Schematics
April 5, 2026: LEMON Manuals is launched! Read the announcement.

Data Communication Schematics

WARNING: This page does not describe the selected car, but rather 8 other vehicles, including the 2007 GMC Yukon XL, 2007 GMC Yukon, 2007 Chevrolet Tahoe, 2007 Chevrolet Suburban, and 2007 Chevrolet Avalanche. However, it is still accessible from the selected car via links, so may be relevant.
Fig 1: Low Speed Bus - SP200 - 1 of 3 Schematic
GM1697855Courtesy of GENERAL MOTORS CORP.
Fig 2: Low Speed Bus - SP200 - 2 of 3 Schematic
GM1697858Courtesy of GENERAL MOTORS CORP.
Fig 3: Low Speed Bus - SP200 - 3 of 3 and SP300 Schematic
GM1697862Courtesy of GENERAL MOTORS CORP.
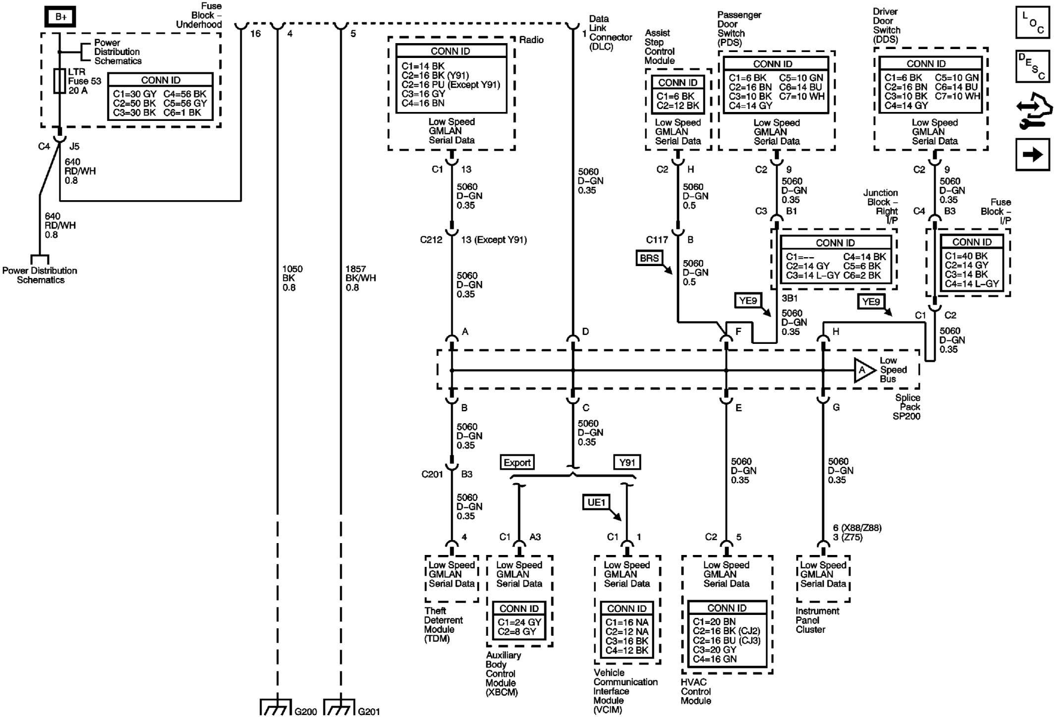
Fig 4: High Speed Bus - 1 of 2 Schematic
GM1697864Courtesy of GENERAL MOTORS CORP.
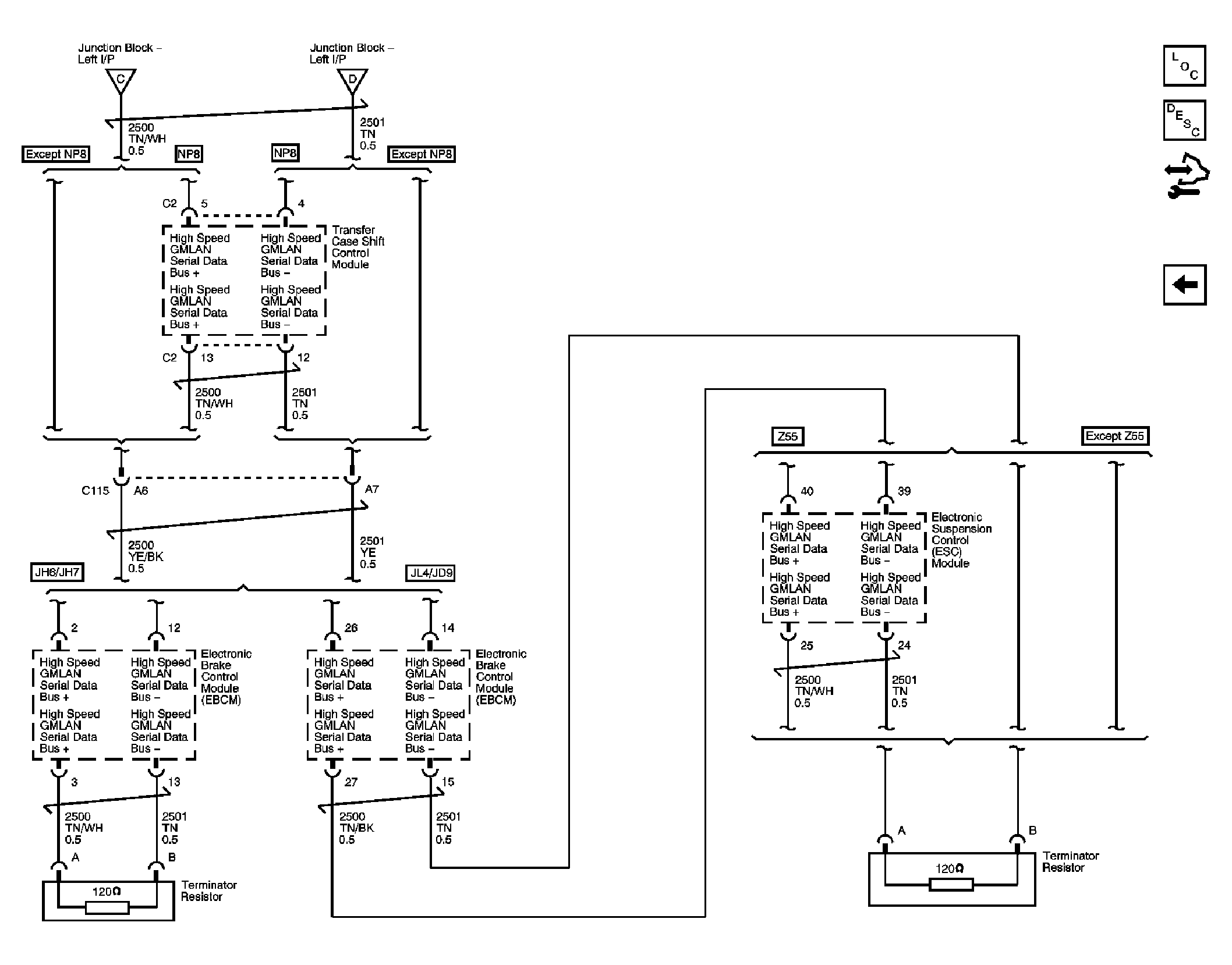
Fig 5: High Speed Bus - 2 of 2 Schematic
GM1697865Courtesy of GENERAL MOTORS CORP.