LEMON Manuals: Even more car manuals for everyone: 1960-2025
Home >> Cadillac >> 2008 >> Escalade EXT >> Repair and Diagnosis >> Steering >> Power Steering System >> Schematic & Routing Diagrams >> Power Steering Schematics
April 5, 2026: LEMON Manuals is launched! Read the announcement.

Power Steering Schematics

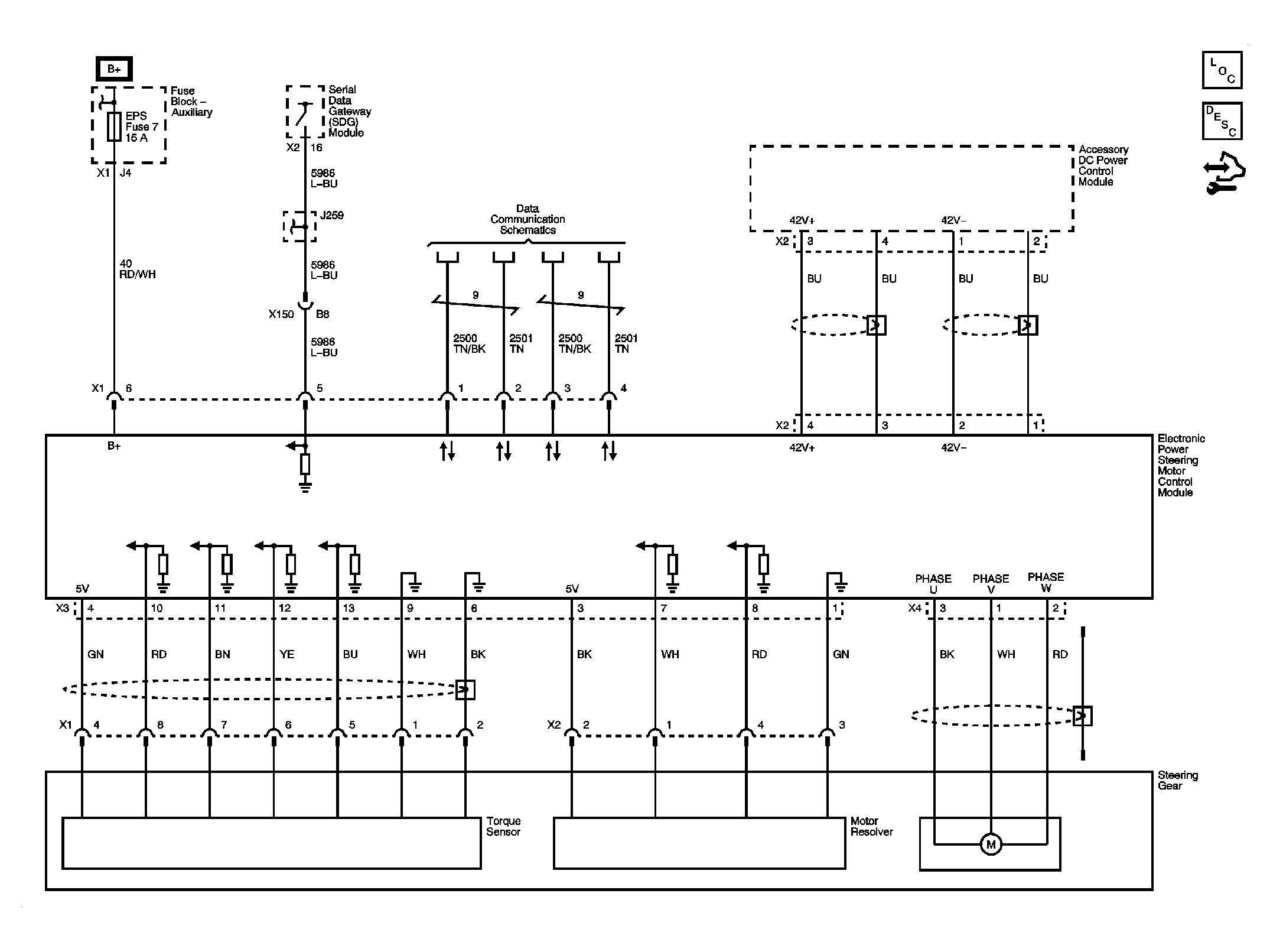
Fig 1: Hybrid Power Steering System Schematic
GM1993520Courtesy of GENERAL MOTORS CORP.