LEMON Manuals: Even more car manuals for everyone: 1960-2025
Home >> Cadillac >> 2008 >> STS Base, 4.6 A, AWD >> Repair and Diagnosis >> Body & Frame >> Door Locks >> Keyless Entry System & Remote Functions >> Schematic and Routing Diagrams >> Remote Function Schematics
April 5, 2026: LEMON Manuals is launched! Read the announcement.

Remote Function Schematics

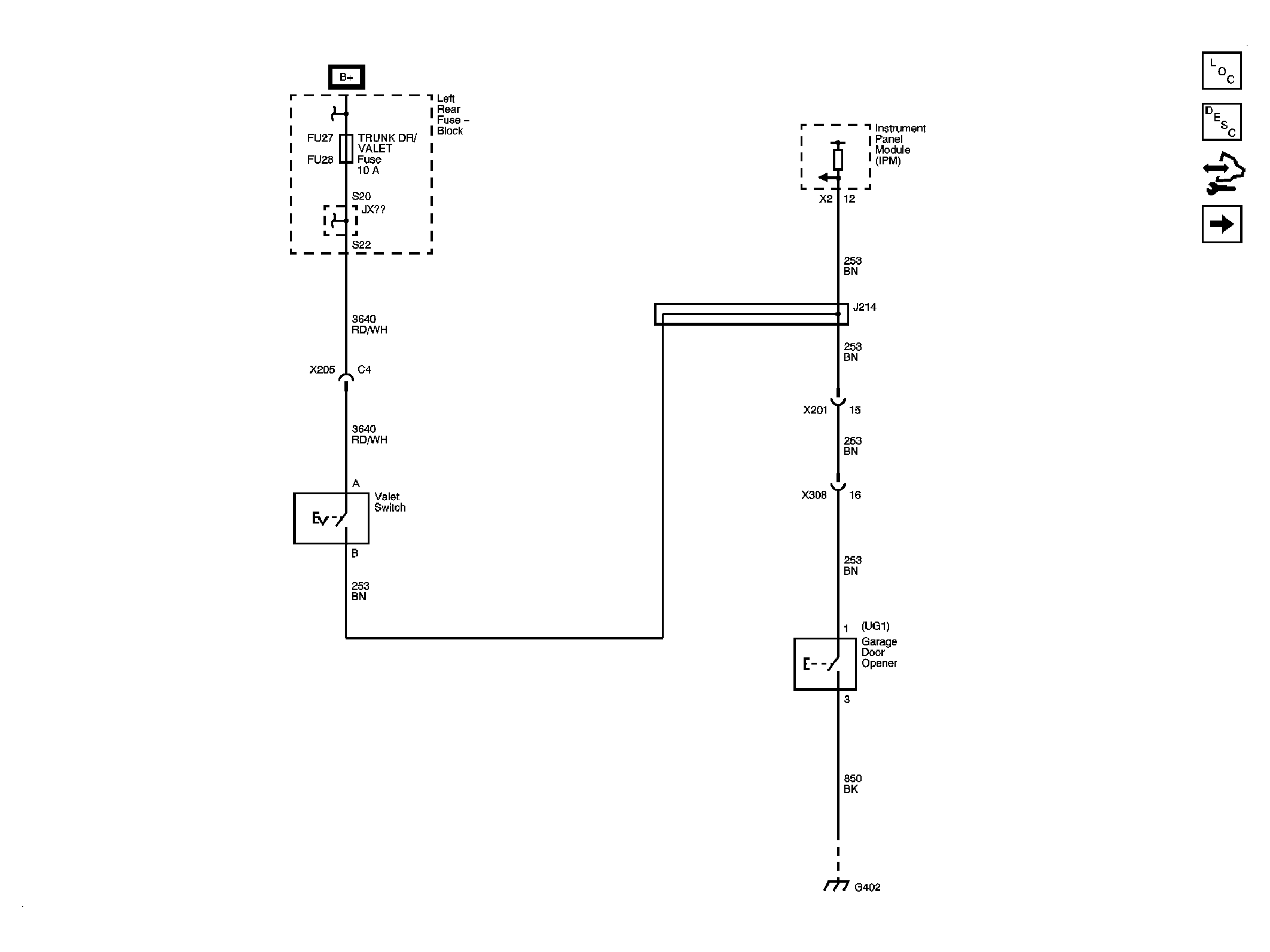
Fig 1: Garage Door Opener Schematic
GM1903013Courtesy of GENERAL MOTORS CORP.
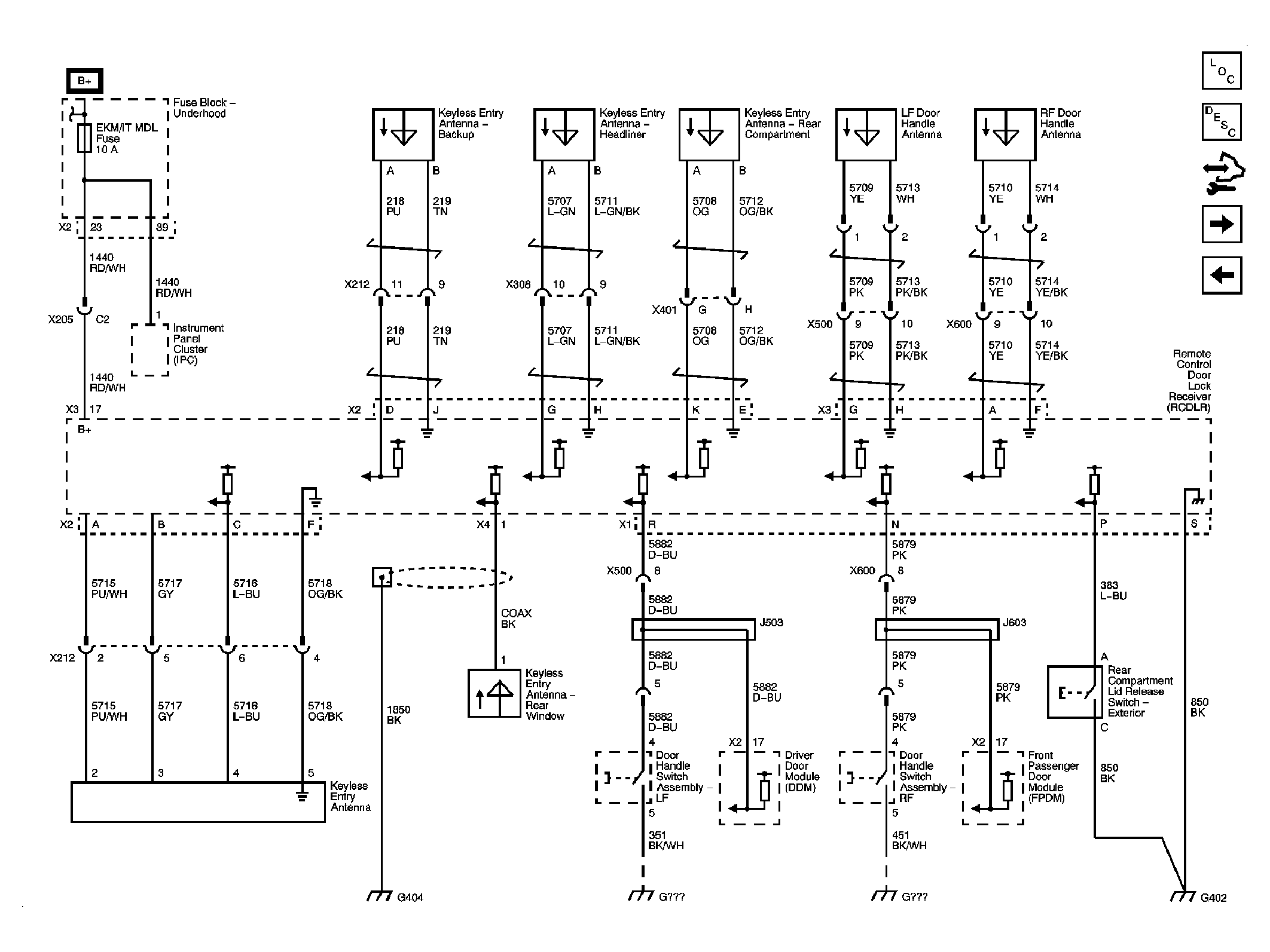
Fig 2: Keyless Entry Module Power, Grounds, Antennas and Switches Schematic
GM1903016Courtesy of GENERAL MOTORS CORP.
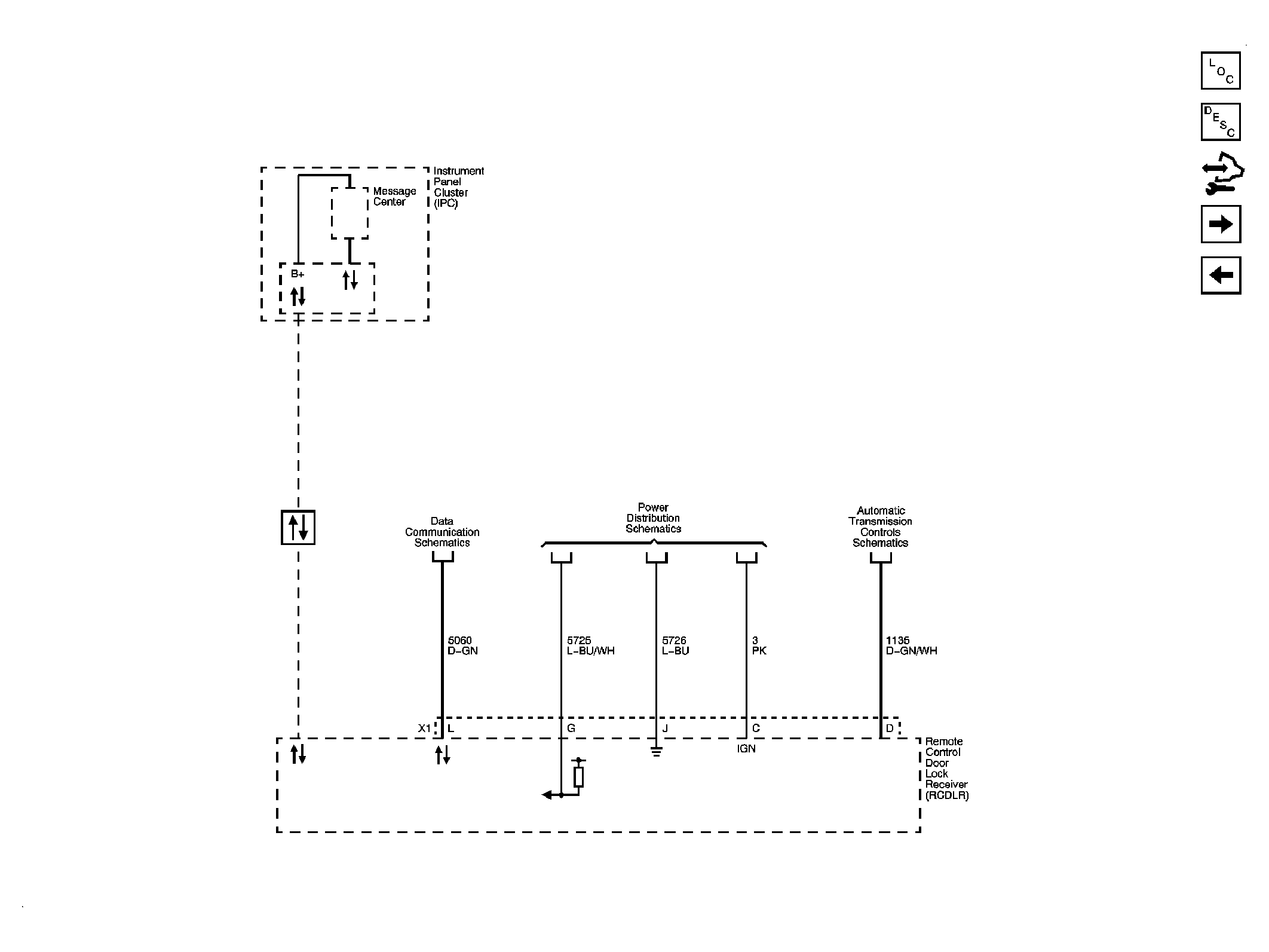
Fig 3: Keyless Entry DLC, Instrument Panel Cluster (IPC) Schematic
GM1903018Courtesy of GENERAL MOTORS CORP.
Fig 4: Keyless Entry Hood Ajar Switch Schematic
GM1903021Courtesy of GENERAL MOTORS CORP.