LEMON Manuals: Even more car manuals for everyone: 1960-2025
Home >> Cadillac >> 2008 >> STS Base, 4.6 A, AWD >> Repair and Diagnosis >> External Pages >> Different car >> Section 19 (Data Communication System) >> Schematic and Routing Diagrams >> Data Communication Schematics
April 5, 2026: LEMON Manuals is launched! Read the announcement.

Data Communication Schematics

WARNING: This page is about a different car, the 2008 Chevrolet Malibu Classic. However, it is still accessible from the selected car via links, so may be relevant.
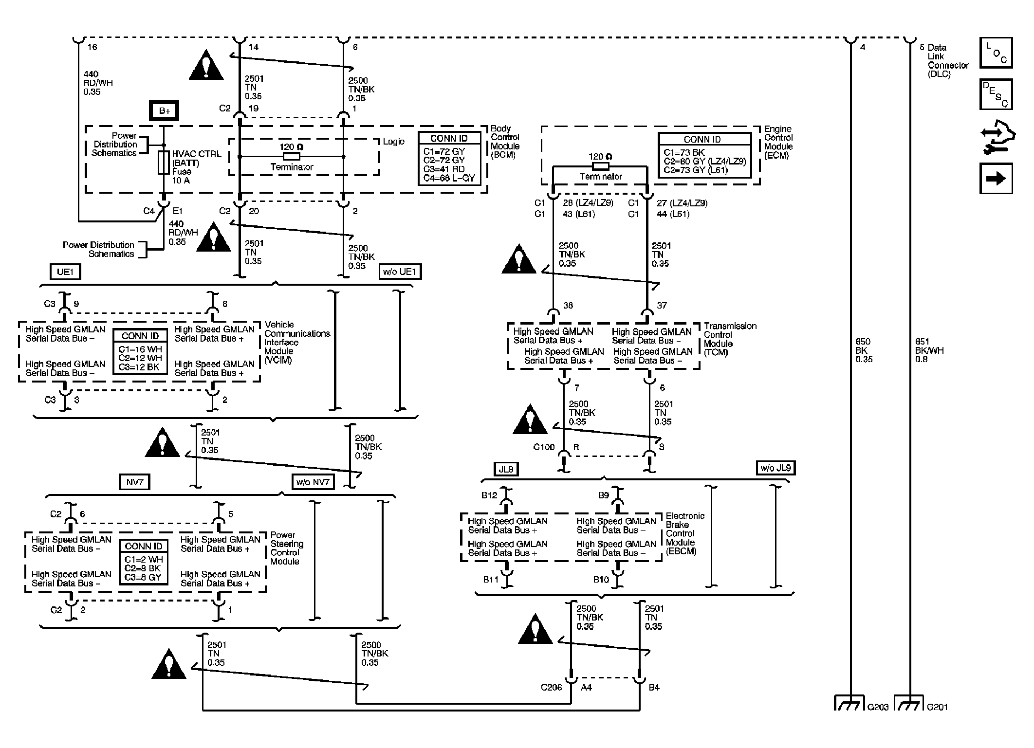
Fig 1: Power, Ground And High Speed Serial Data - Schematic
GM1892073Courtesy of GENERAL MOTORS CORP.
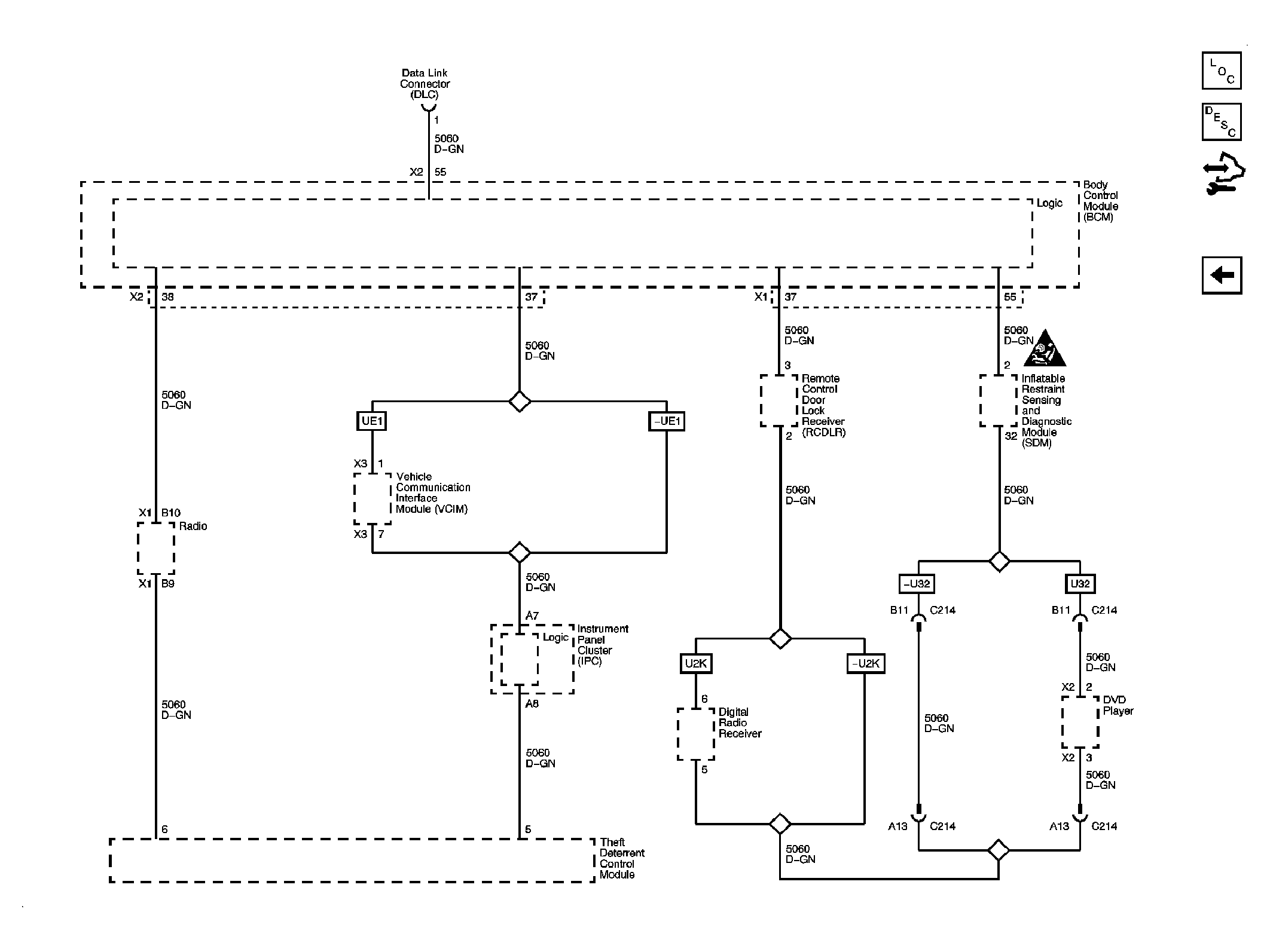
Fig 2: Low Speed Serial Data - Schematic
GM1892018Courtesy of GENERAL MOTORS CORP.