LEMON Manuals: Even more car manuals for everyone: 1960-2025
Home >> Cadillac >> 2008 >> STS V >> Repair and Diagnosis >> Engine Performance >> System >> Engine Controls And Fuel - 4.4L - Introduction >> Schematic and Routing Diagrams >> Engine Controls Schematics
April 5, 2026: LEMON Manuals is launched! Read the announcement.

Engine Controls Schematics

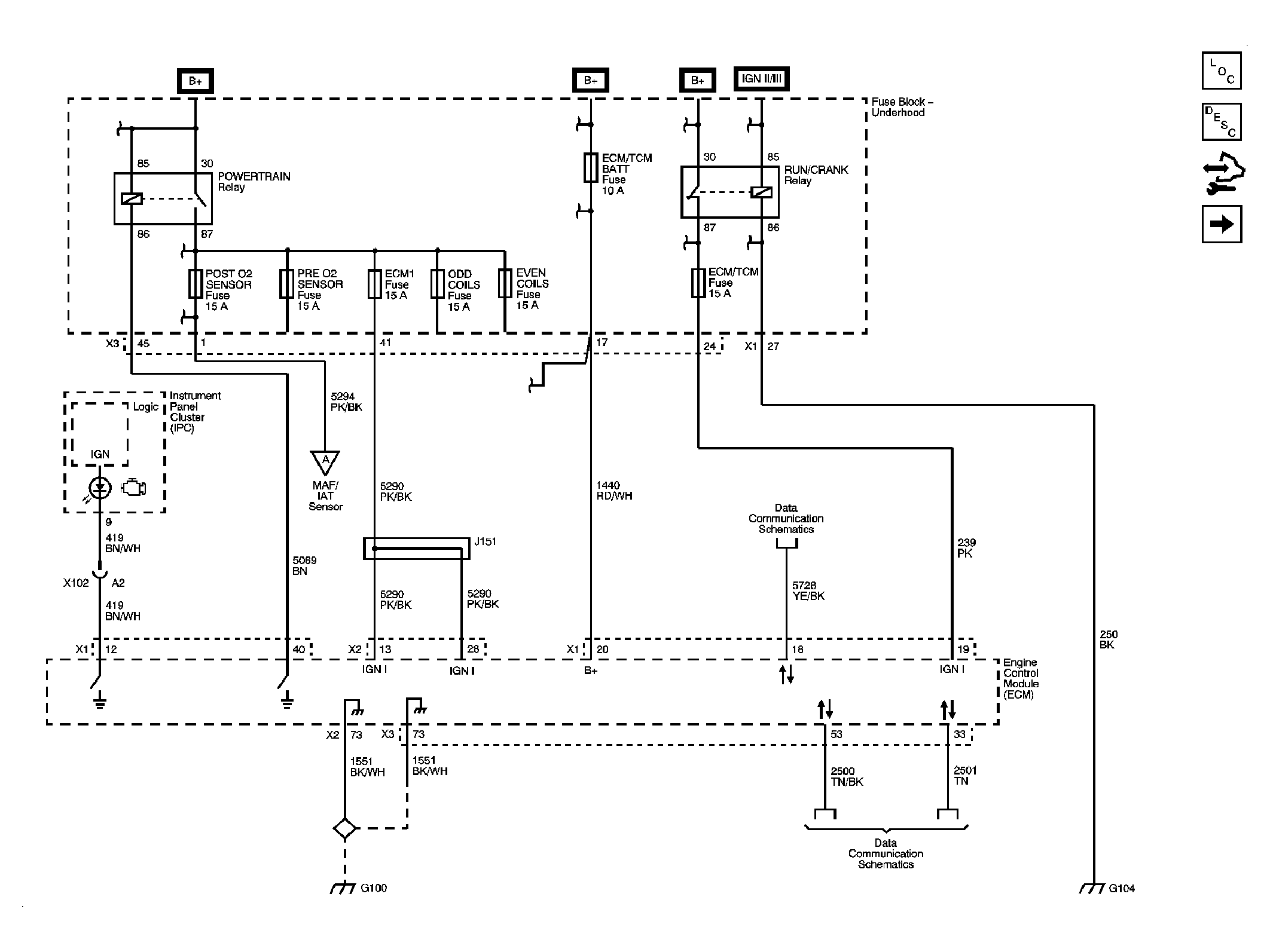
Fig 1: ECM Power, Ground, Serial Data, and MIL Schematic
GM1905891Courtesy of GENERAL MOTORS CORP.
Fig 2: Engine Data Sensors - 5-Volt and Low Reference Schematic (1 of 2)
GM1905893Courtesy of GENERAL MOTORS CORP.
Fig 3: Engine Data Sensors - 5 Volt and Low Reference Schematic (2 of 2)
GM1905886Courtesy of GENERAL MOTORS CORP.
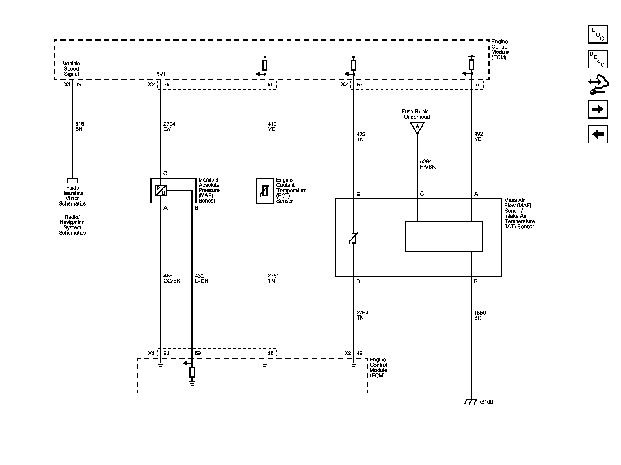
Fig 4: Engine Data Sensors - Pressure, Temperature, MAF, VSS Schematic
GM1905896Courtesy of GENERAL MOTORS CORP.
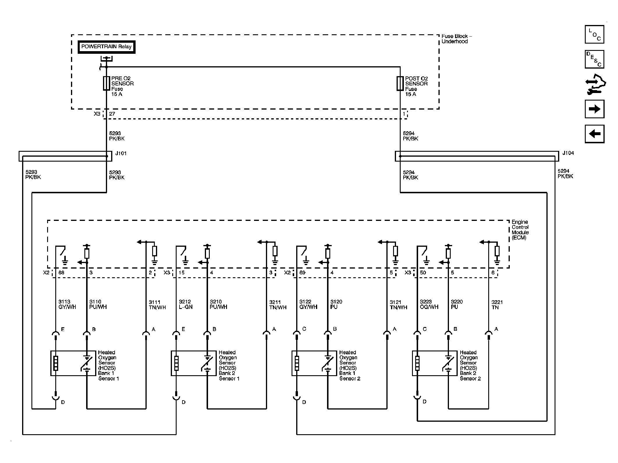
Fig 5: Engine Data Sensors - Oxygen Sensors Schematic
GM1905899Courtesy of GENERAL MOTORS CORP.
Fig 6: Engine Data Sensors - Electronic Throttle Controls Schematic
GM1905901Courtesy of GENERAL MOTORS CORP.
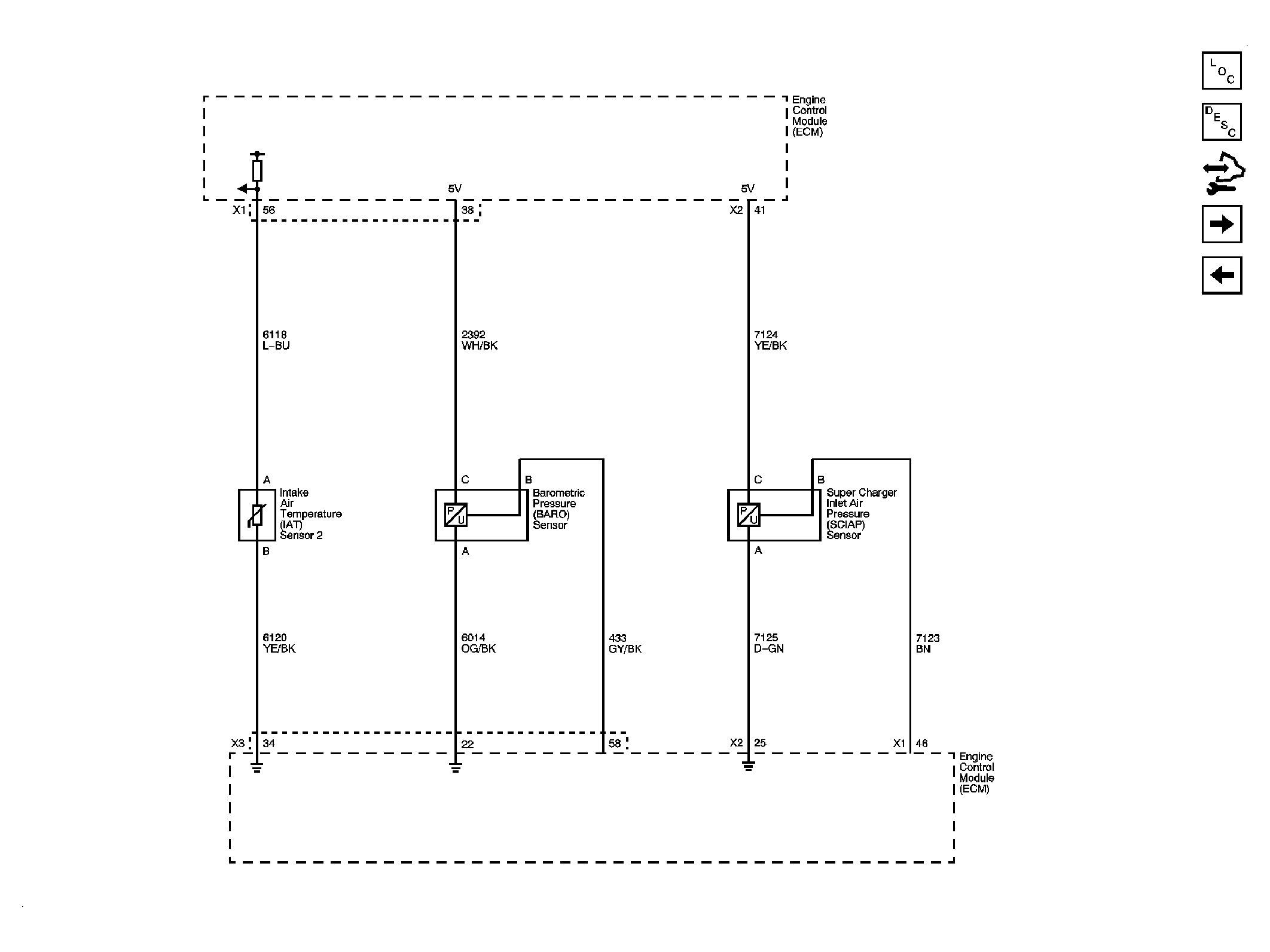
Fig 7: Engine Data Sensors - IAT 2, BARO, SCIAP Schematic
GM1905936Courtesy of GENERAL MOTORS CORP.
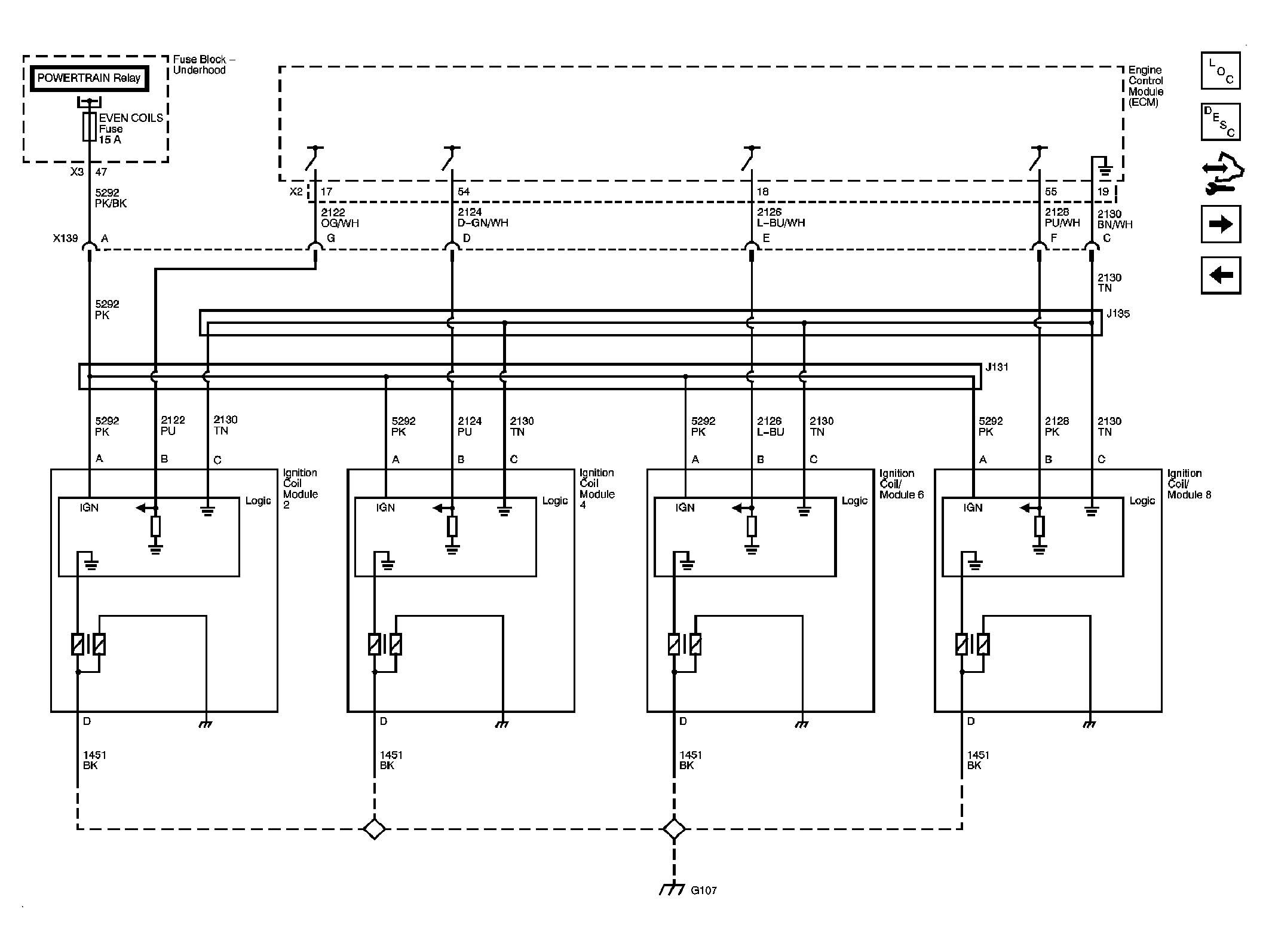
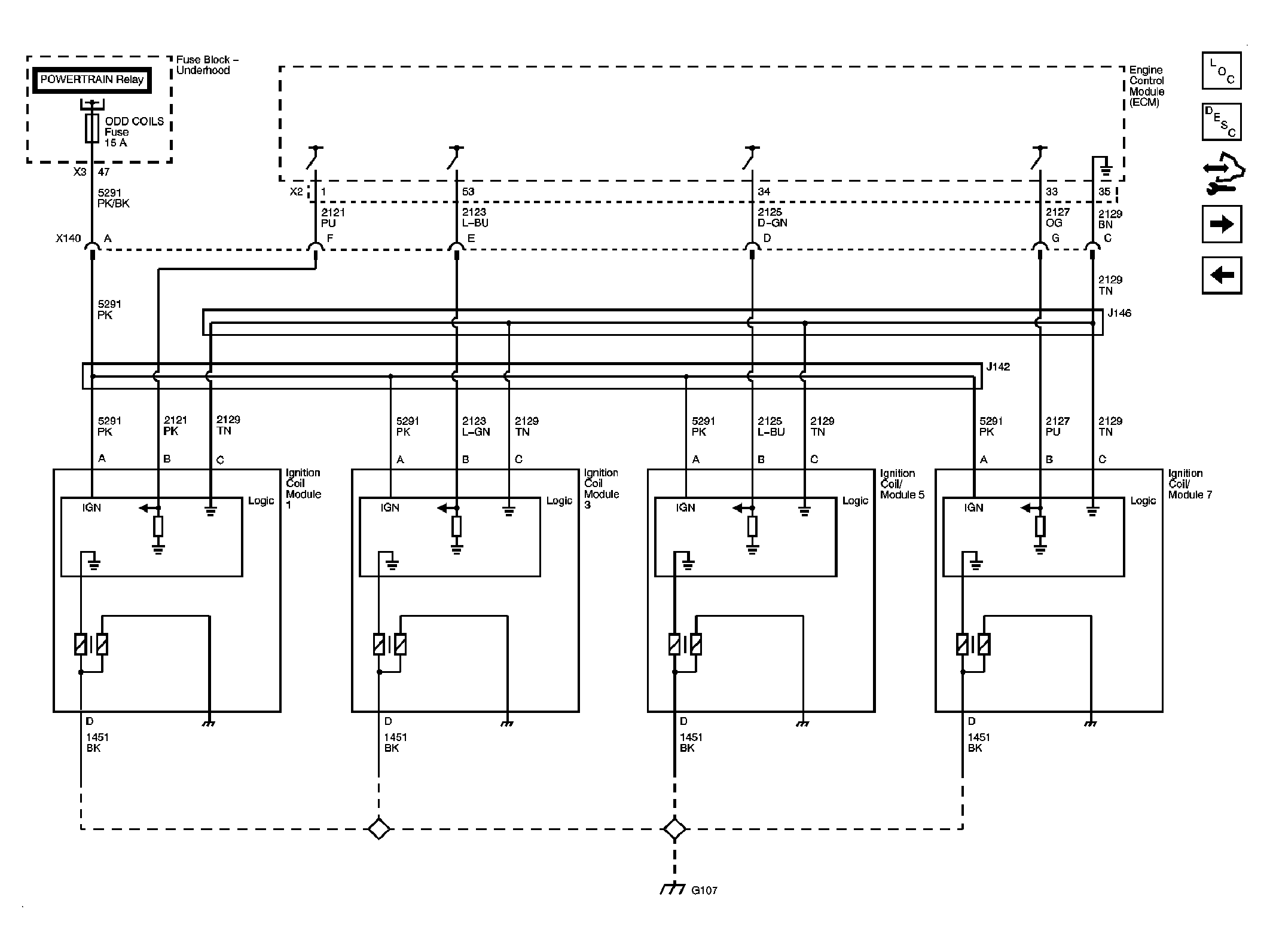
Fig 8: Ignition Controls - Ignition System Bank 1 Schematic
GM1905903Courtesy of GENERAL MOTORS CORP.
Fig 9: Ignition Controls - Ignition System Bank 2 Schematic
GM1905907Courtesy of GENERAL MOTORS CORP.
Fig 10: Ignition Controls - CMP Sensors and Solenoids Schematic
GM1905910Courtesy of GENERAL MOTORS CORP.
Fig 11: Crankshaft Position (CKP) Sensor and Knock Sensors Schematic
GM1905914Courtesy of GENERAL MOTORS CORP.
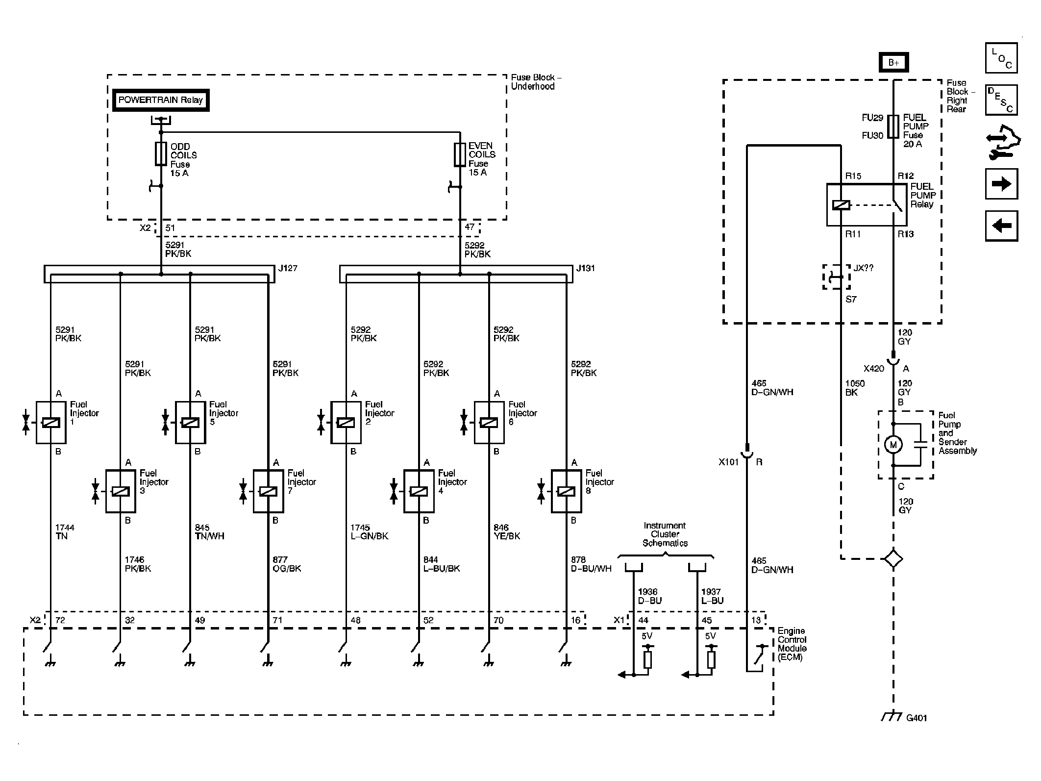
Fig 12: Fuel Controls - Injectors and Pump Schematic
GM1905917Courtesy of GENERAL MOTORS CORP.
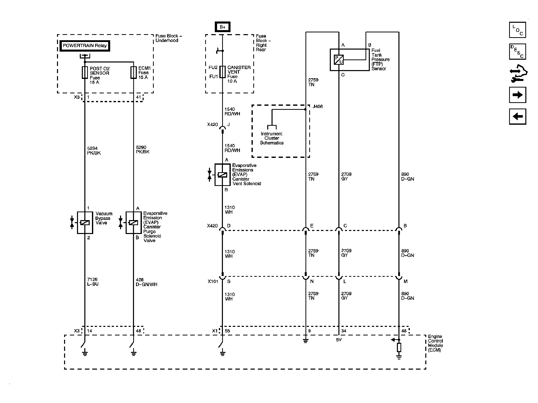
Fig 13: Fuel Controls - EVAP, Fuel Tank Pressure (FTP) Sensor, Vacuum Bypass Valve Schematic
GM1905923Courtesy of GENERAL MOTORS CORP.
Fig 14: Charge Air Cooler (CAC) Coolant Pump Schematic
GM1905932Courtesy of GENERAL MOTORS CORP.
Fig 15: Controlled/Monitored Subsystem References Schematic
GM1905929Courtesy of GENERAL MOTORS CORP.