LEMON Manuals: Even more car manuals for everyone: 1960-2025
Home >> Cadillac >> 2008 >> XLR Base >> Repair and Diagnosis >> Accessories & Equipment >> Collision/Avoidance >> Object Detection System >> Schematic and Routing Diagrams >> Object Detection Schematics
April 5, 2026: LEMON Manuals is launched! Read the announcement.

Object Detection Schematics

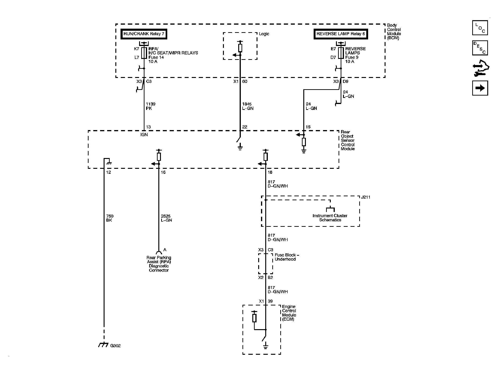
Fig 1: Power, Ground, DLC, and Sensor Signals
GM1899936Courtesy of GENERAL MOTORS CORP.
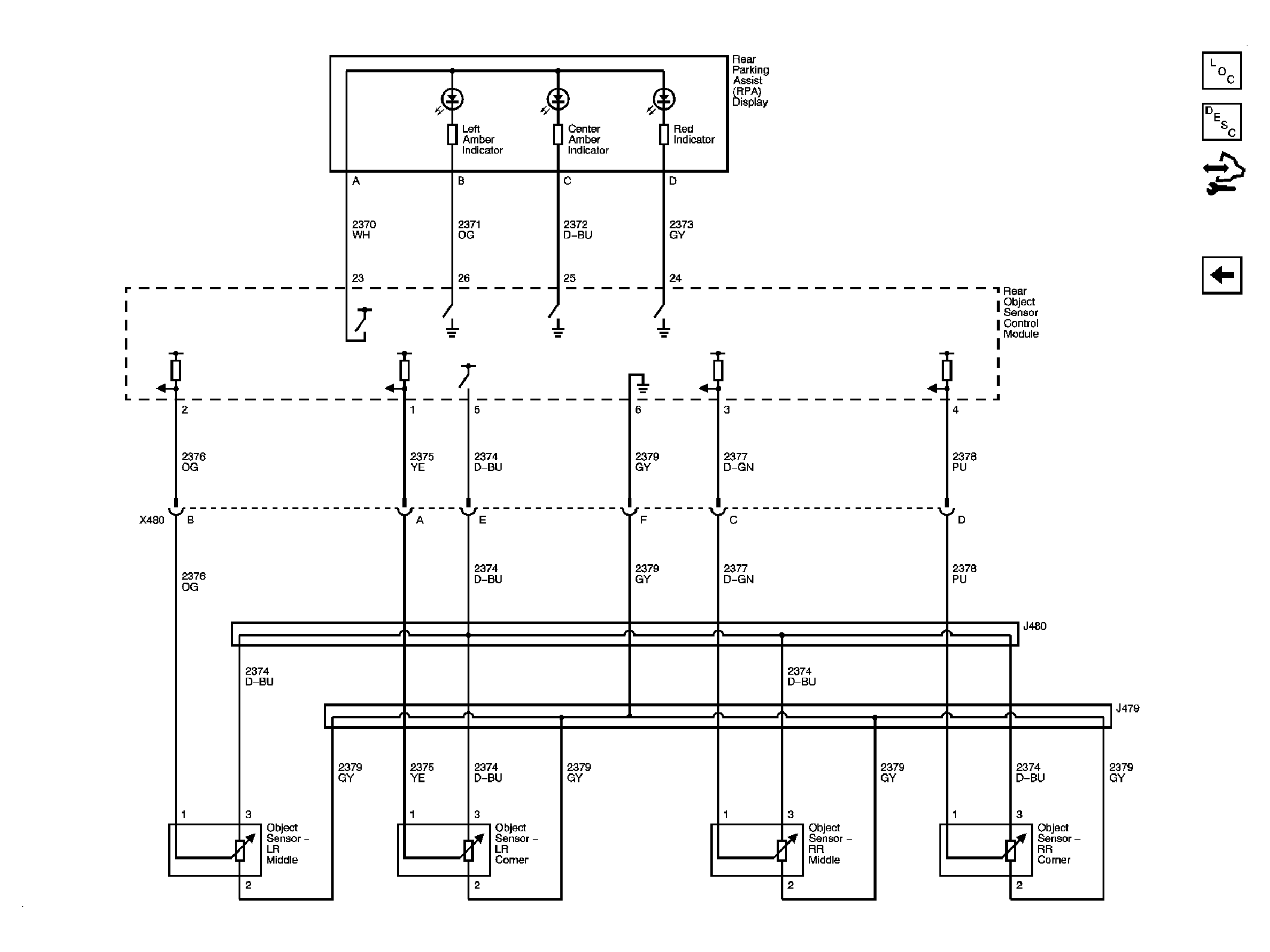
Fig 2: Display and Sensors
GM1899939Courtesy of GENERAL MOTORS CORP.