LEMON Manuals: Even more car manuals for everyone: 1960-2025
Home >> Cadillac >> 2008 >> XLR Base >> Repair and Diagnosis >> Engine Performance >> System >> Engine Controls And Fuel - 4.6L (LH2) - Introduction >> Schematic and Routing Diagrams >> Engine Controls Schematics
April 5, 2026: LEMON Manuals is launched! Read the announcement.

Engine Controls Schematics

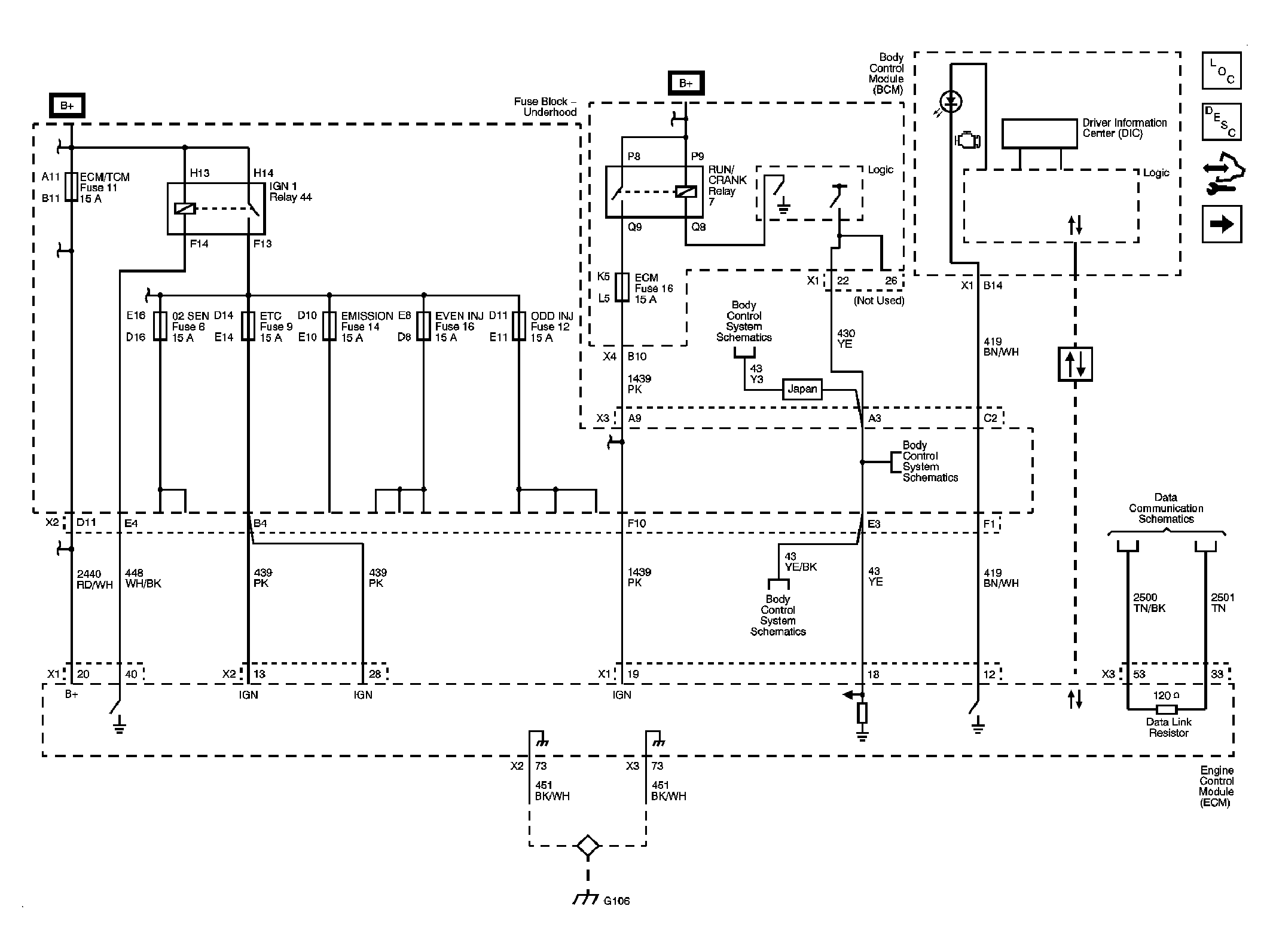
Fig 1: ECM Power, Ground, MIL, and Serial Data
GM1899454Courtesy of GENERAL MOTORS CORP.
Fig 2: 5-Volt Reference Bussing
GM1899472Courtesy of GENERAL MOTORS CORP.
Fig 3: Low Reference Bussing
GM1899476Courtesy of GENERAL MOTORS CORP.
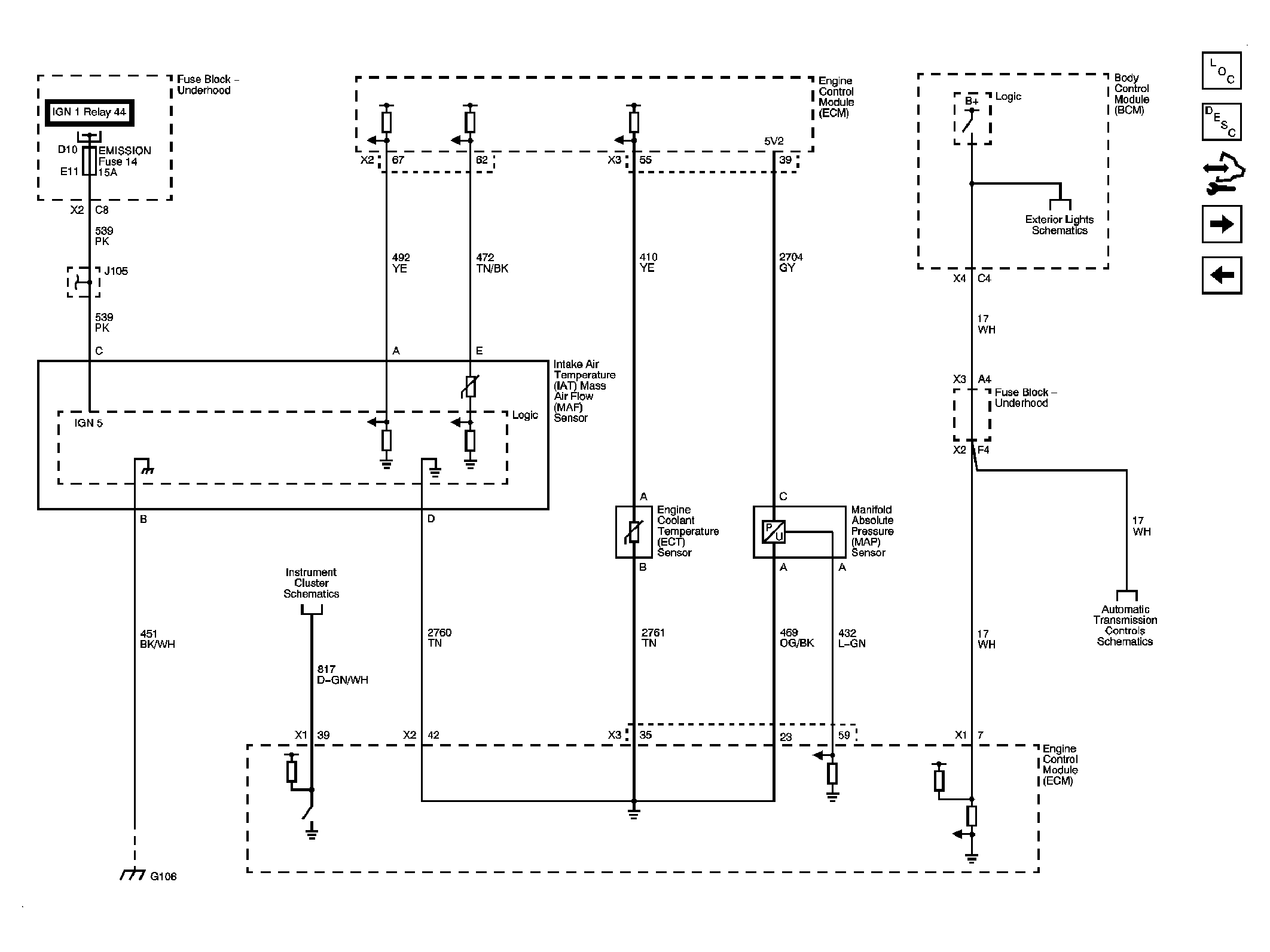
Fig 4: MAF/IAT, ECT, MAP Sensors, and Stop Lamp Switch Signal
GM1899480Courtesy of GENERAL MOTORS CORP.
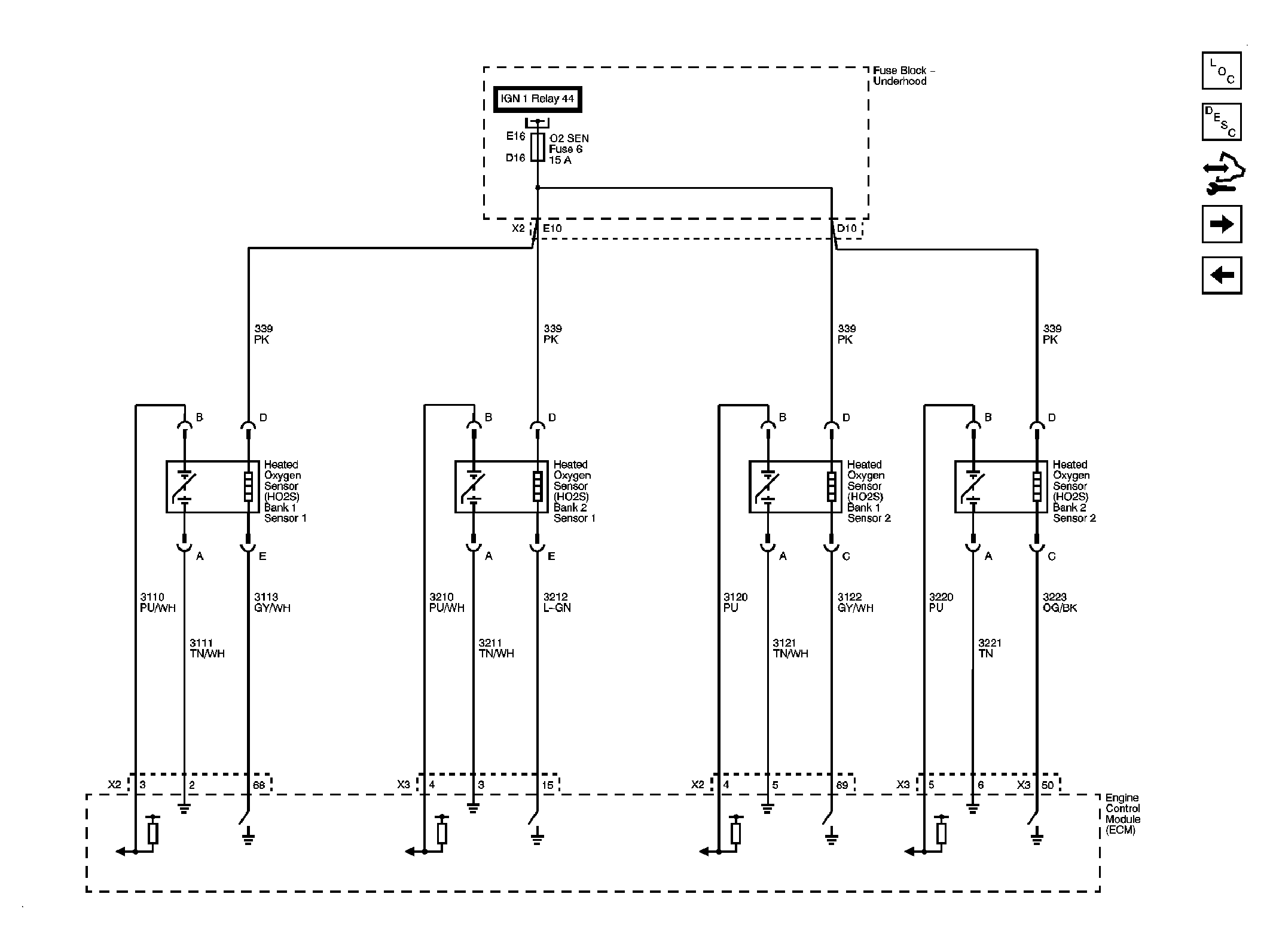
Fig 5: Heated Oxygen Sensors
GM1899484Courtesy of GENERAL MOTORS CORP.
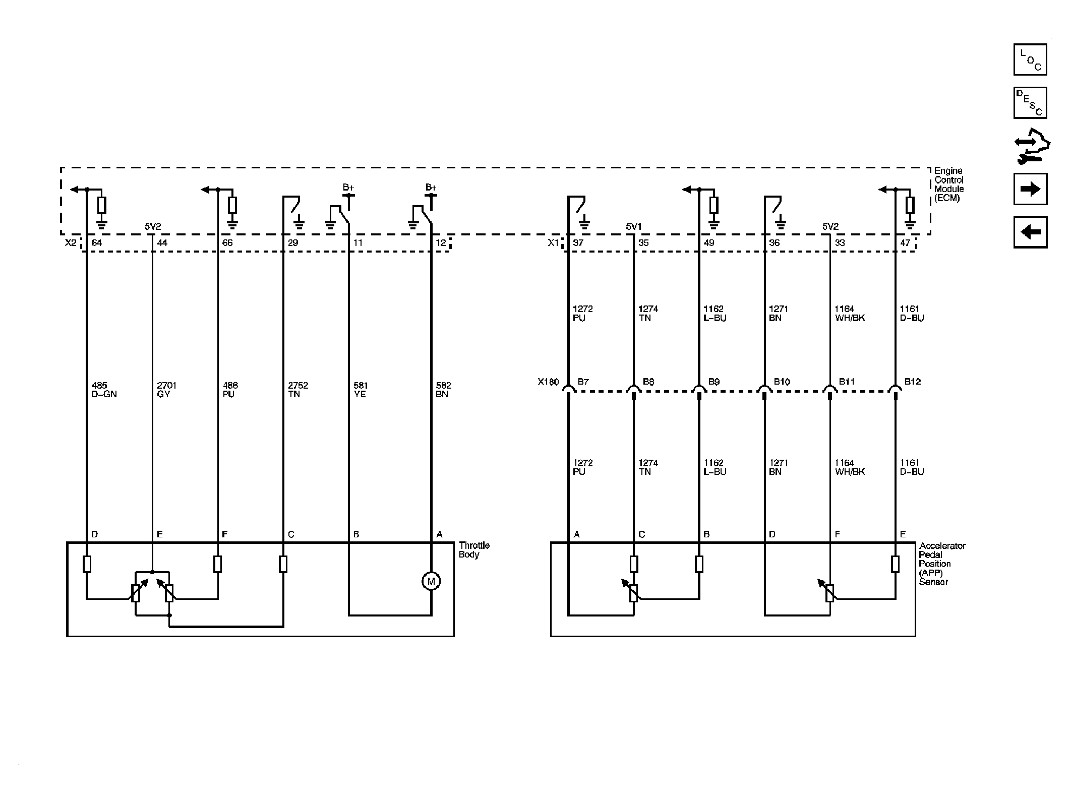
Fig 6: Electronic Throttle Controls
GM1899485Courtesy of GENERAL MOTORS CORP.
Fig 7: Ignition Coils Bank 1
GM1899486Courtesy of GENERAL MOTORS CORP.
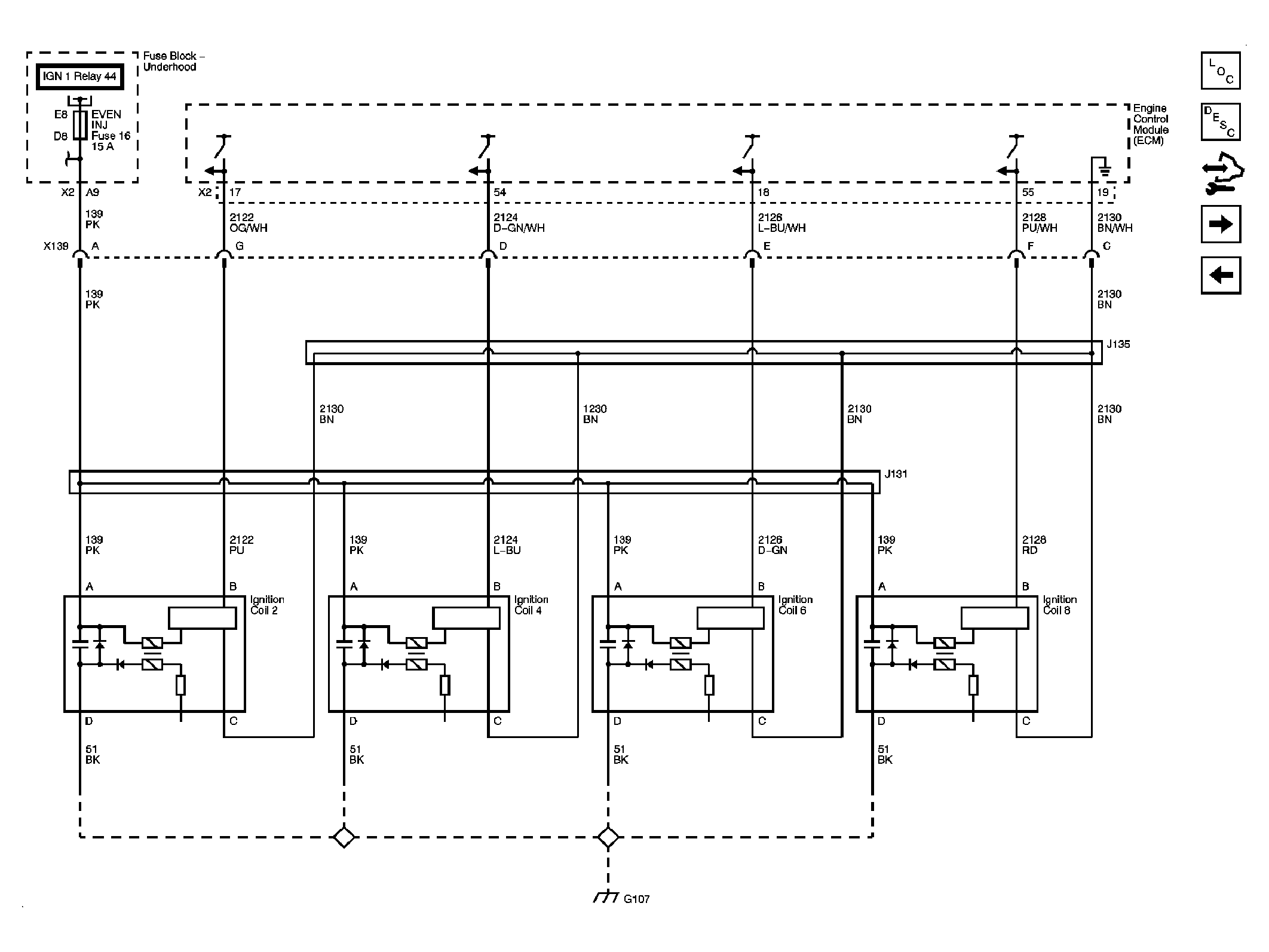
Fig 8: Ignition Coils Bank 2
GM1899490Courtesy of GENERAL MOTORS CORP.
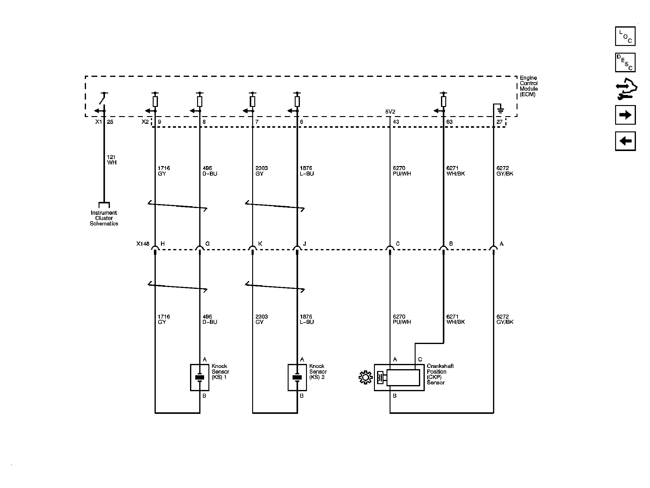
Fig 9: CMP and KS Sensors
GM1899492Courtesy of GENERAL MOTORS CORP.
Fig 10: CMP Sensors, and Actuators
GM1899494Courtesy of GENERAL MOTORS CORP.
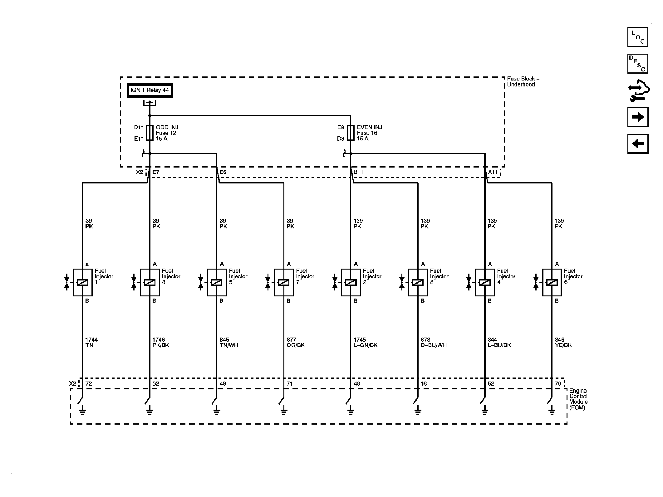
Fig 11: Fuel Injectors
GM1899497Courtesy of GENERAL MOTORS CORP.
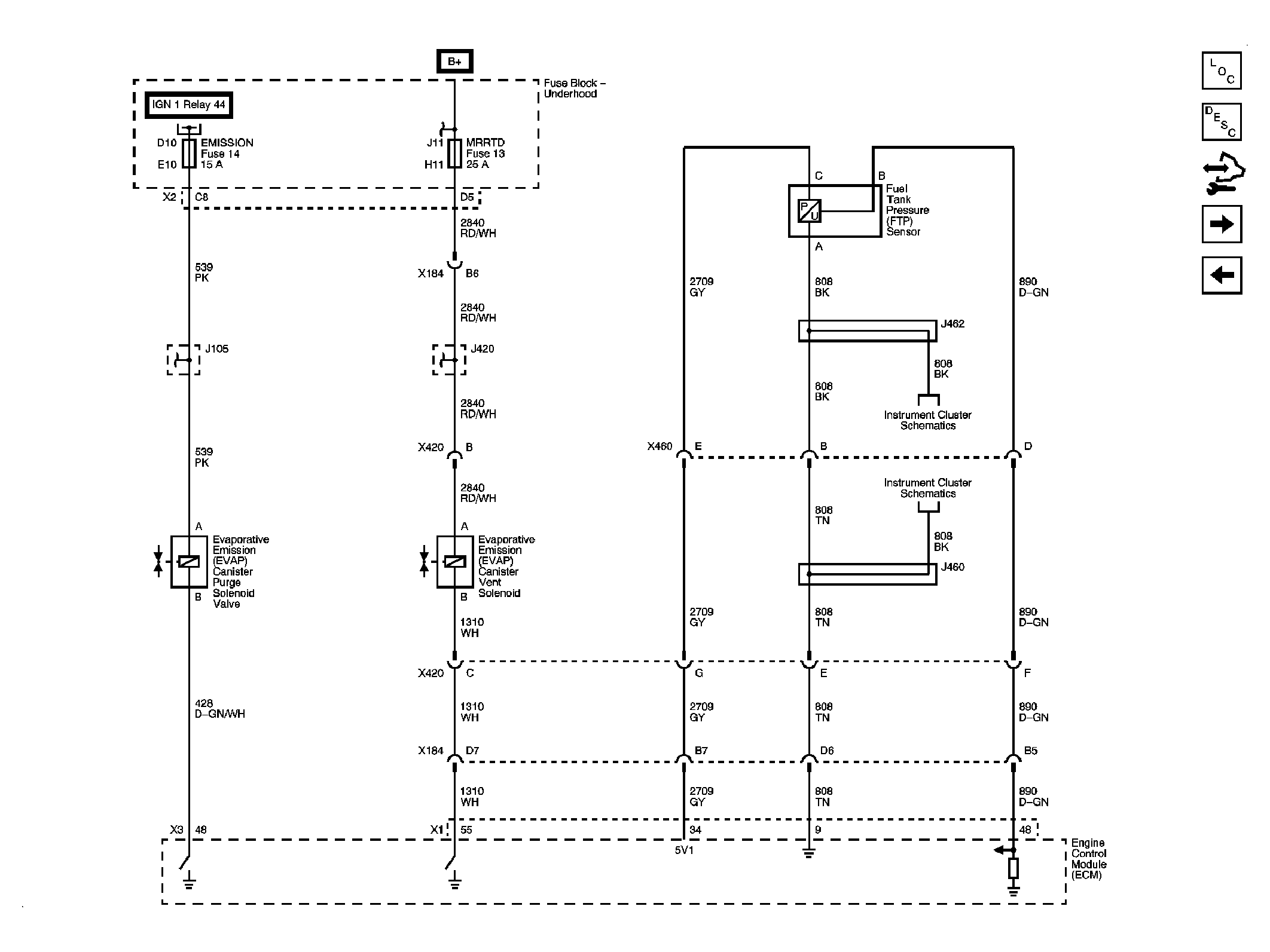
Fig 12: EVAP Solenoids, and FTP Sensor
GM1899498Courtesy of GENERAL MOTORS CORP.
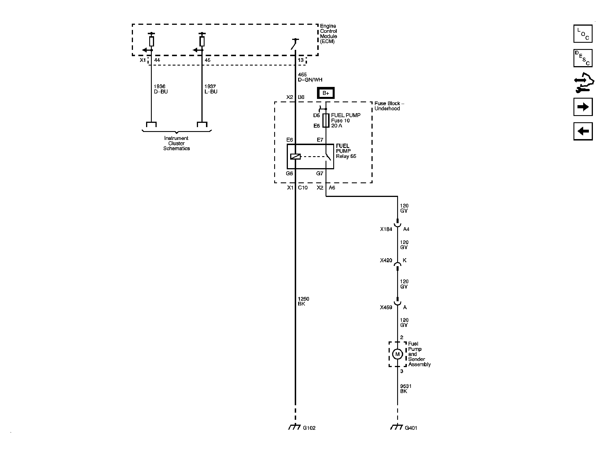
Fig 13: Fuel Pump Controls
GM1899503Courtesy of GENERAL MOTORS CORP.
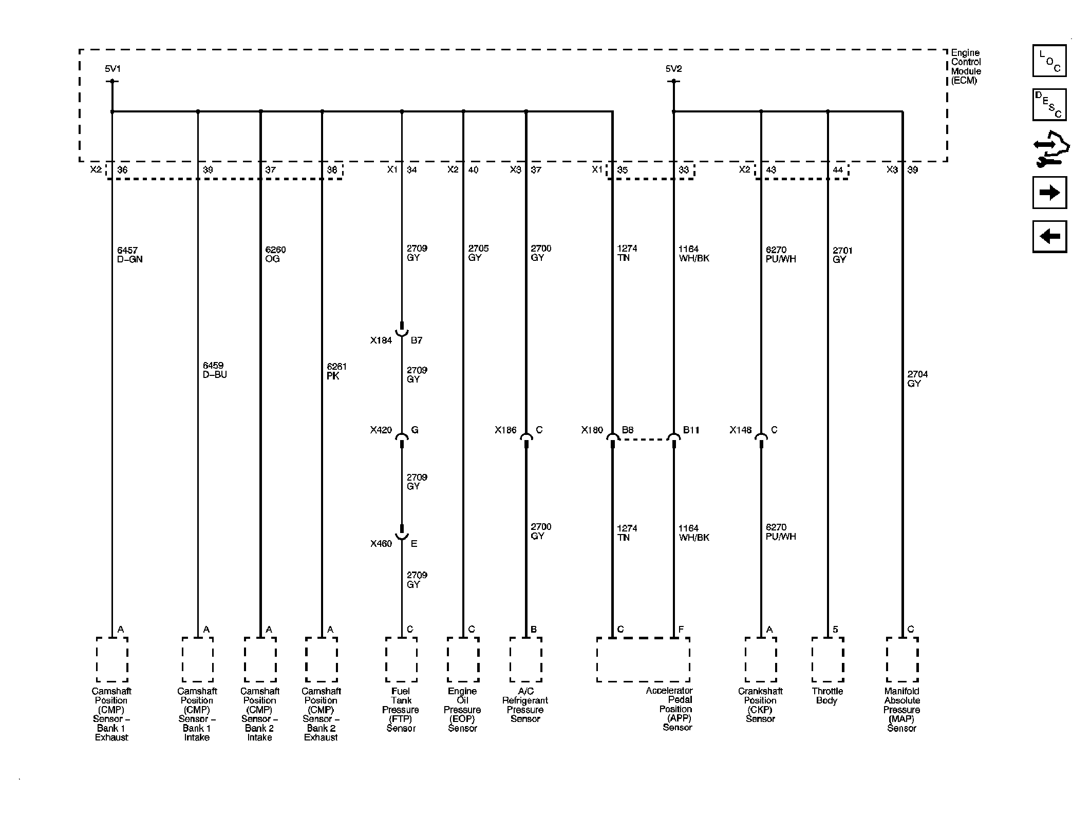
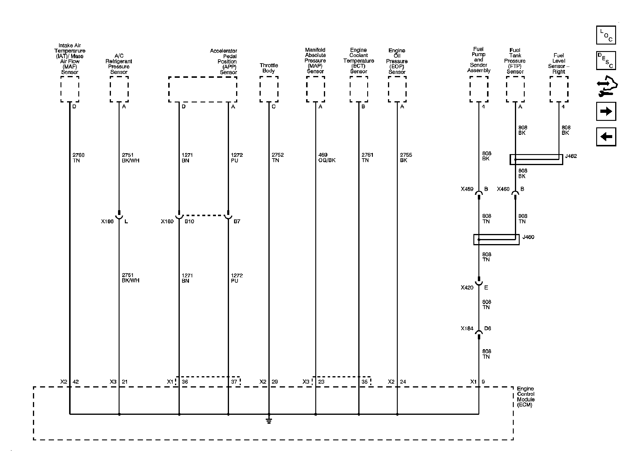
Fig 14: Controlled/Monitored Subsystem References
GM1899505Courtesy of GENERAL MOTORS CORP.