LEMON Manuals: Even more car manuals for everyone: 1960-2025
Home >> Cadillac >> 2008 >> XLR V >> Repair and Diagnosis >> Engine Performance >> System >> Engine Controls And Fuel - 4.4L - Introduction >> Schematic and Routing Diagrams >> Engine Controls Schematics
April 5, 2026: LEMON Manuals is launched! Read the announcement.

Engine Controls Schematics

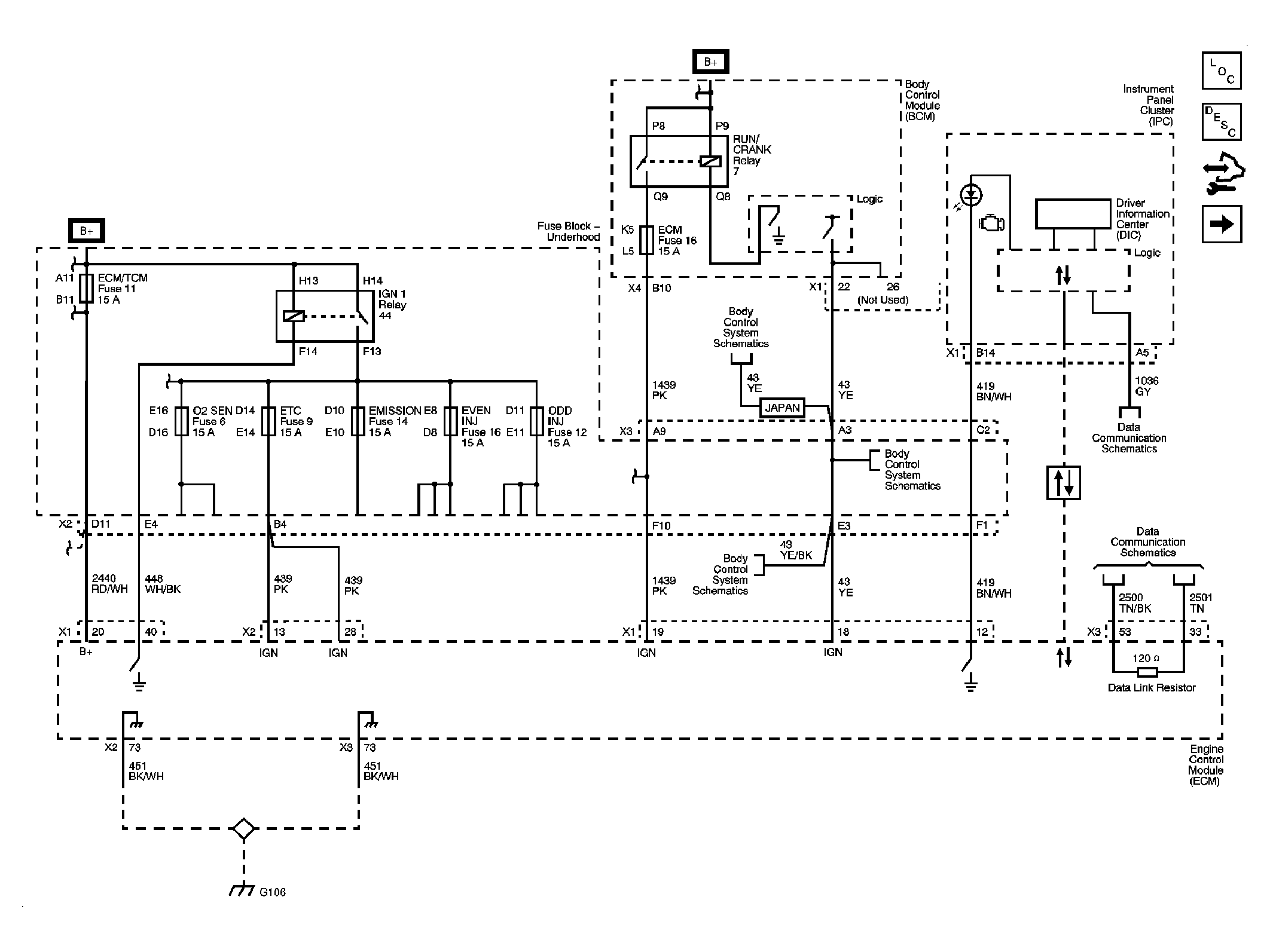
Fig 1: ECM Power, Ground, MIL, and Serial Data
GM1899391Courtesy of GENERAL MOTORS CORP.
Fig 2: 5-Volt Reference Bussing
GM1899396Courtesy of GENERAL MOTORS CORP.
Fig 3: Low Reference Bussing
GM1899399Courtesy of GENERAL MOTORS CORP.
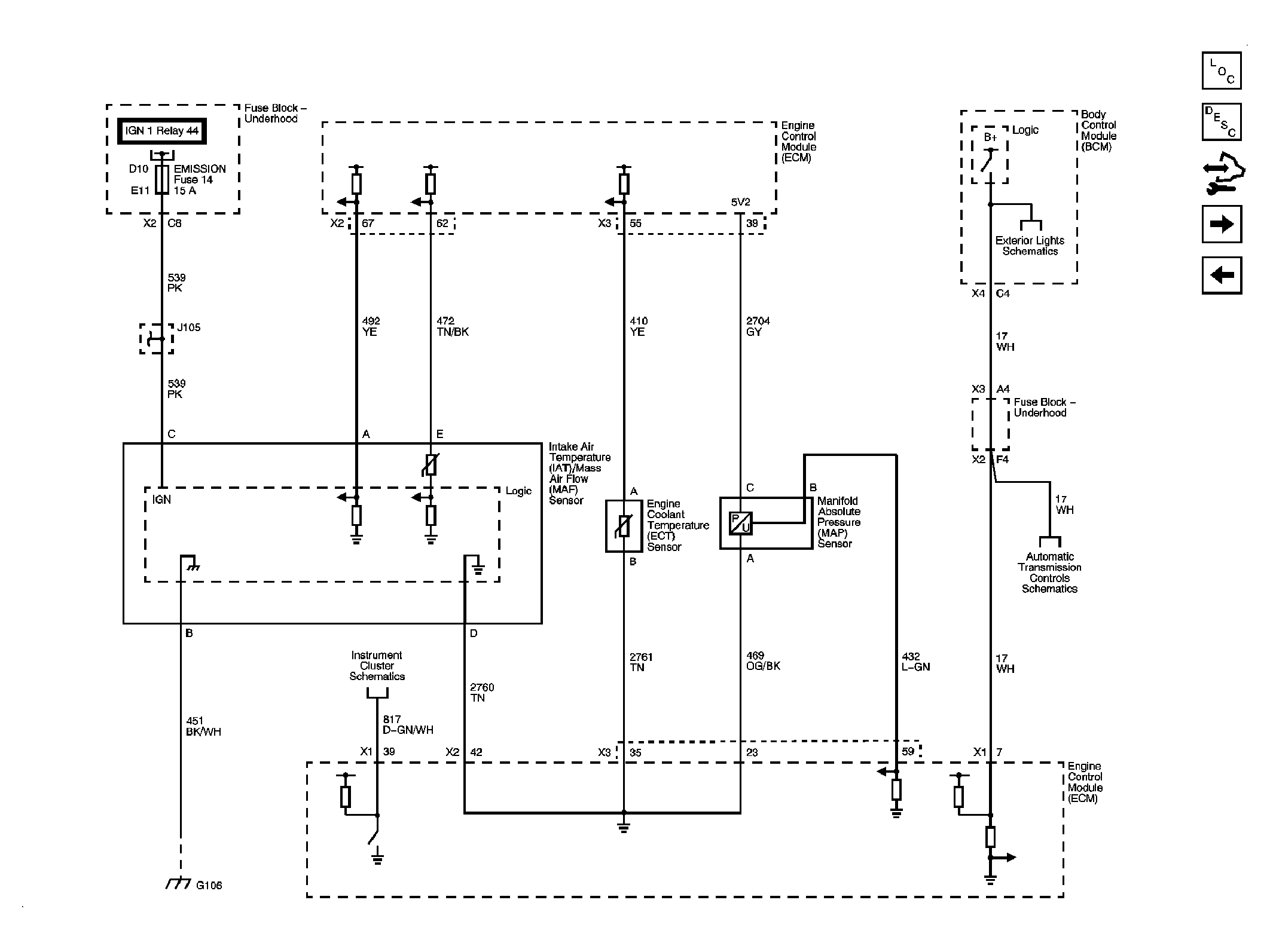
Fig 4: MAF/IAT, ECT, MAP Sensors, and Stop Lamp Switch Signal
GM1899401Courtesy of GENERAL MOTORS CORP.
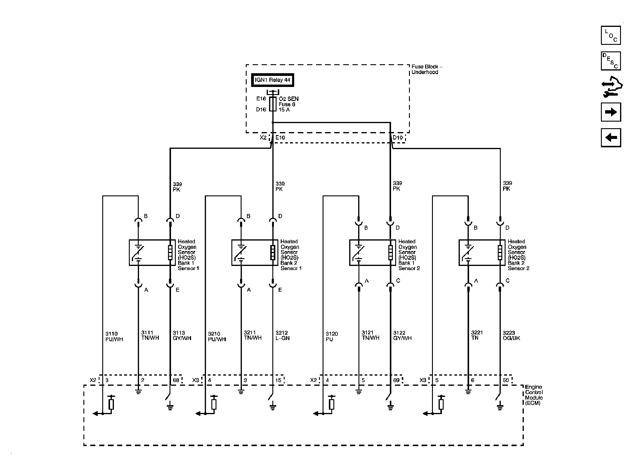
Fig 5: Heated Oxygen Sensors
GM1899405Courtesy of GENERAL MOTORS CORP.
Fig 6: Electronic Throttle Controls
GM1899408Courtesy of GENERAL MOTORS CORP.
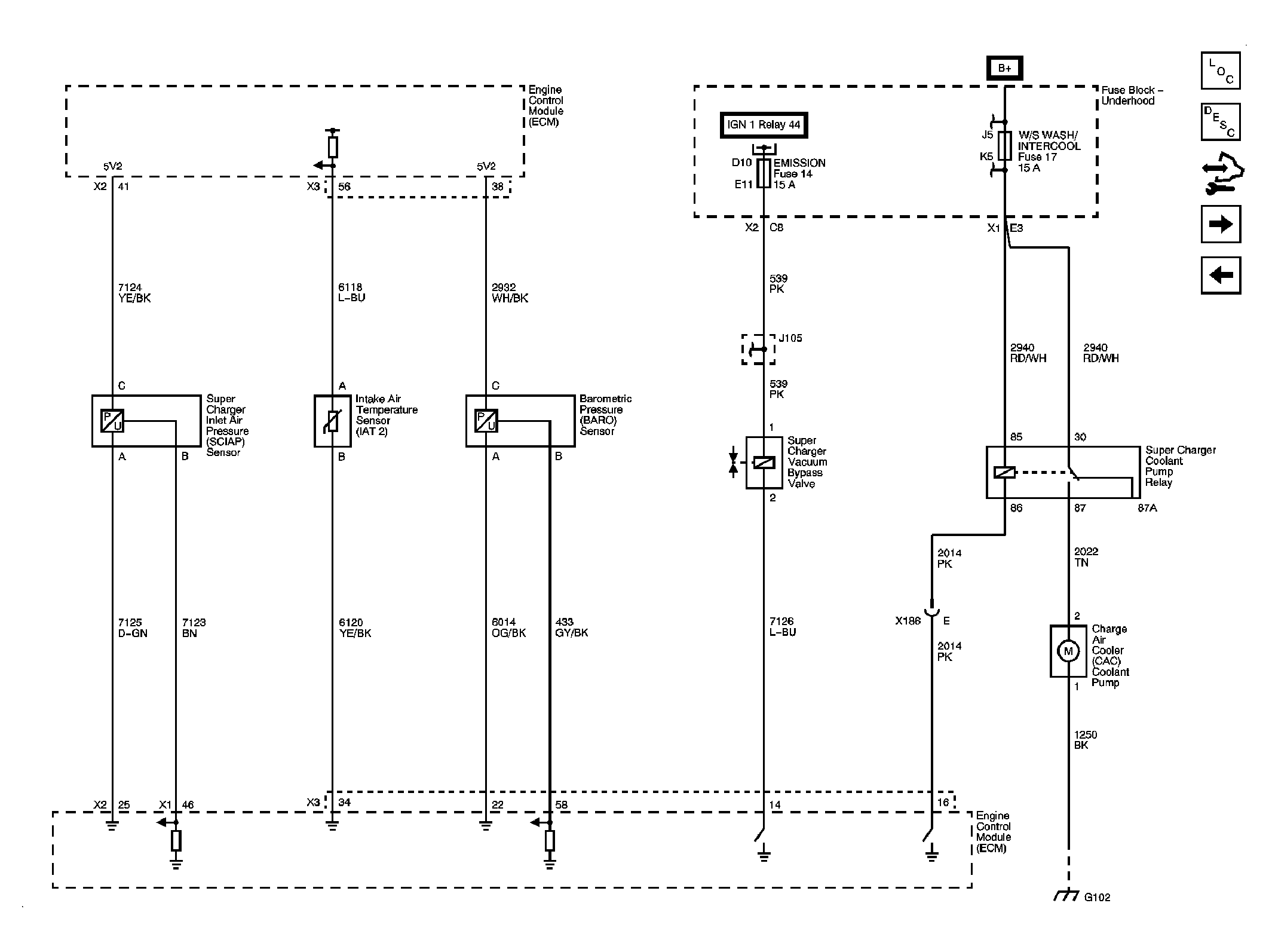
Fig 7: SCIAP, IAT 2, BARO Sensors, Super Charger Vacuum Bypass Valve, and Charge Air Cooler (CAC) Coolant Pump
GM1899410Courtesy of GENERAL MOTORS CORP.
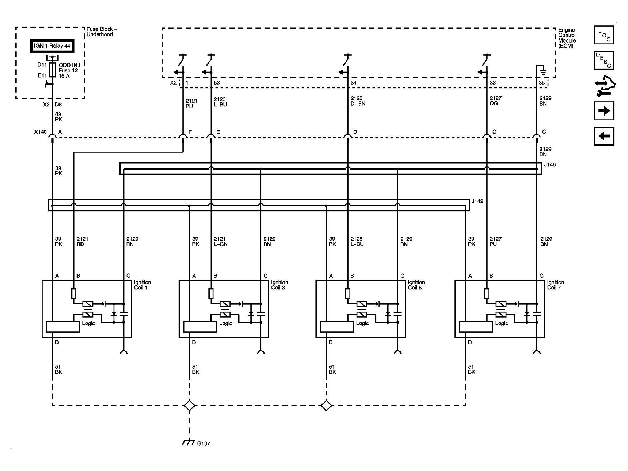
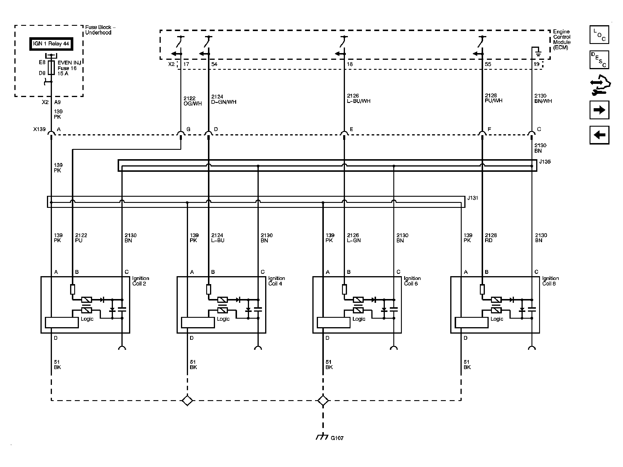
Fig 8: Ignition Coils Bank 1
GM1899417Courtesy of GENERAL MOTORS CORP.
Fig 9: Ignition Coils Bank 2
GM1899421Courtesy of GENERAL MOTORS CORP.
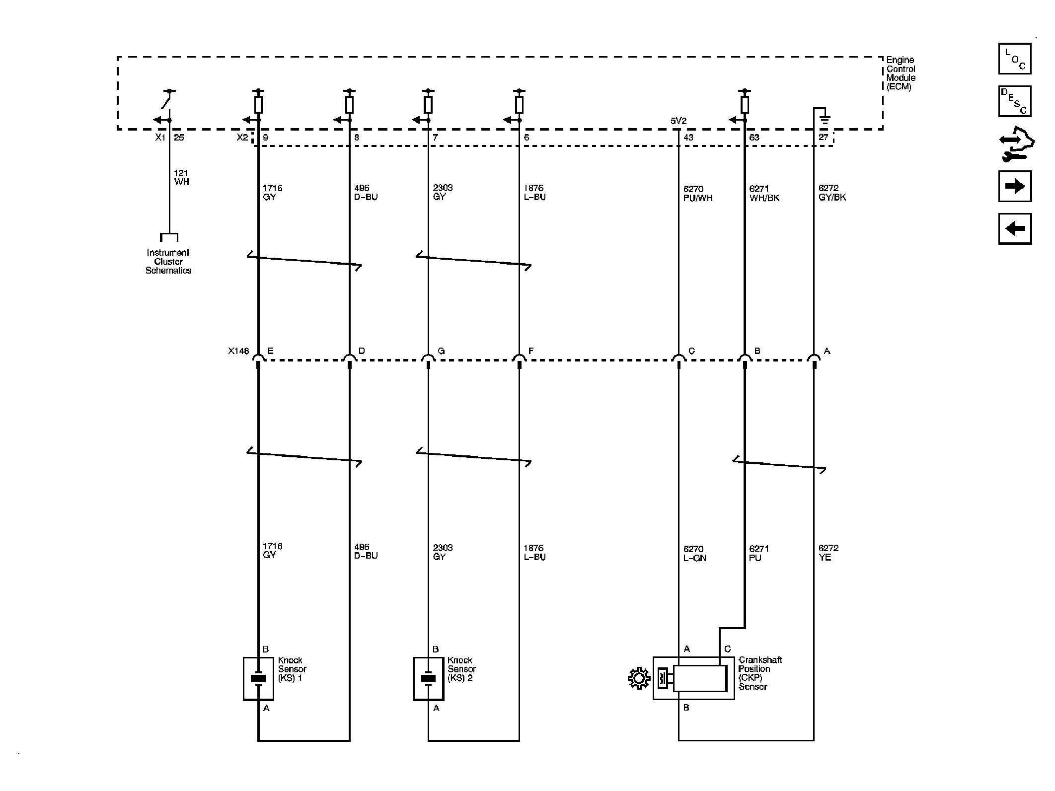
Fig 10: CKP and KS Sensors
GM1899425Courtesy of GENERAL MOTORS CORP.
Fig 11: CMP Sensors and Actuators
GM1899428Courtesy of GENERAL MOTORS CORP.
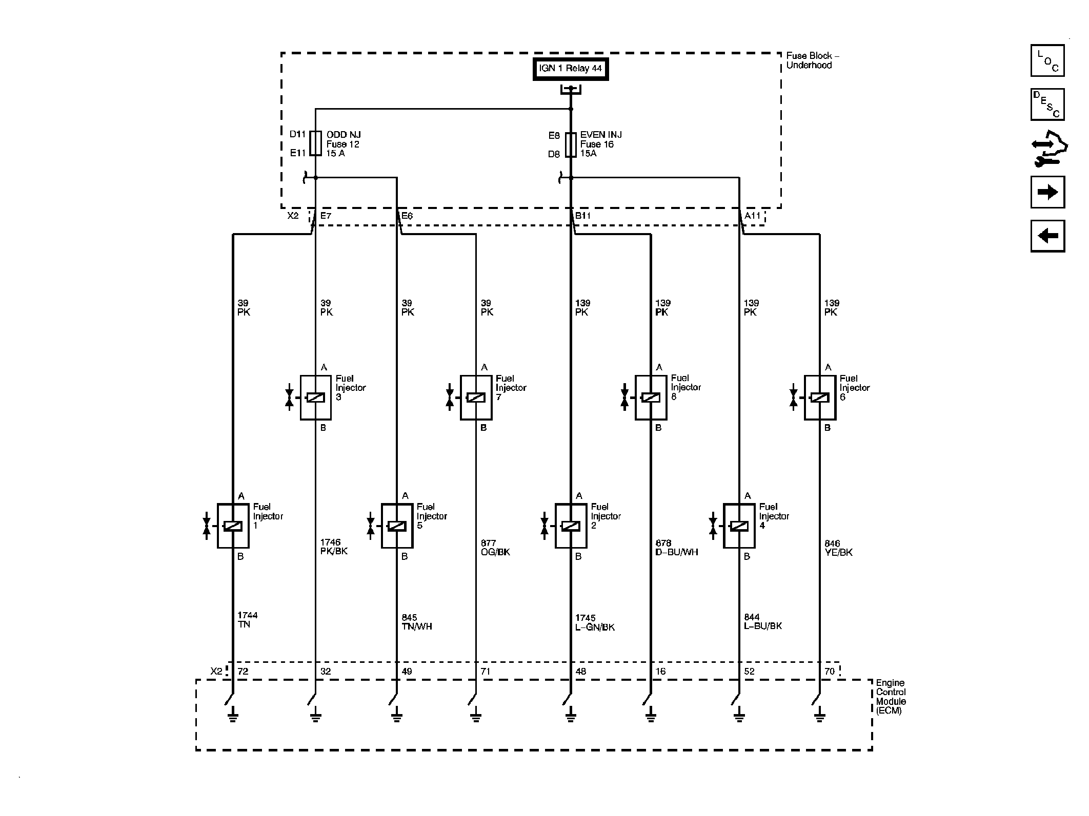
Fig 12: Fuel Injectors
GM1899433Courtesy of GENERAL MOTORS CORP.
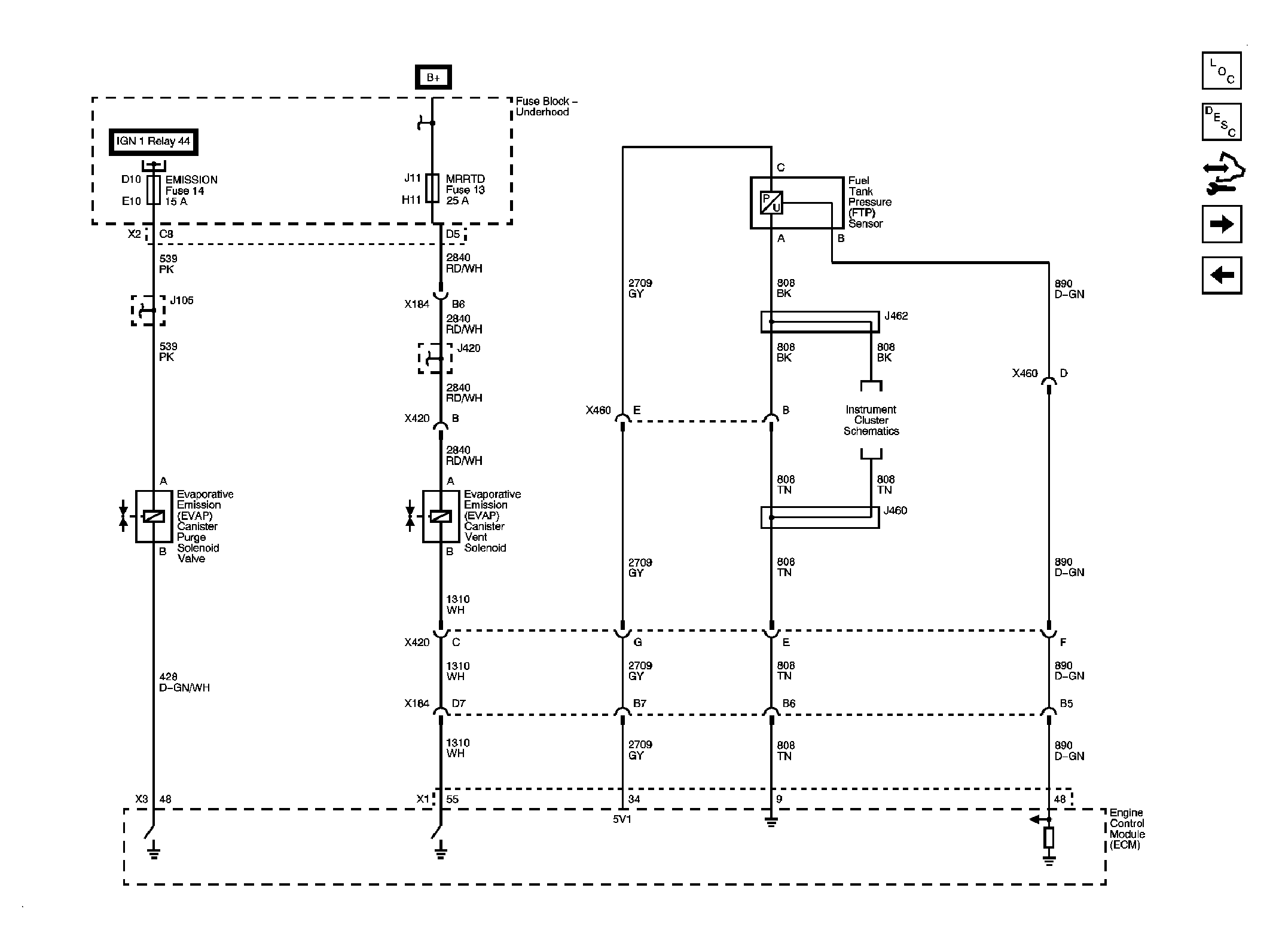
Fig 13: EVAP Solenoids and FTP Sensor
GM1899435Courtesy of GENERAL MOTORS CORP.
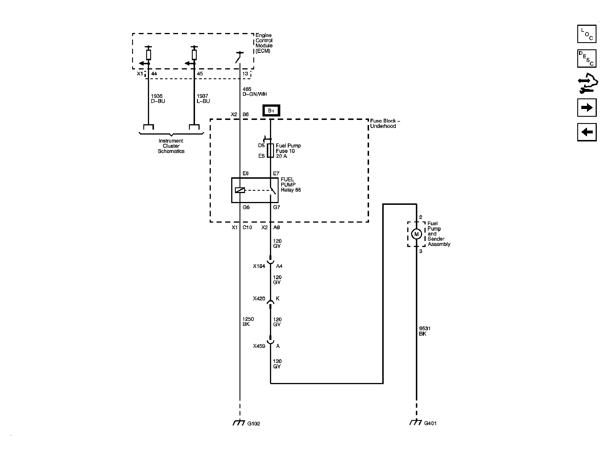
Fig 14: Fuel Pump Controls
GM1899438Courtesy of GENERAL MOTORS CORP.
Fig 15: Controlled/Monitored Subsystem References
GM1899451Courtesy of GENERAL MOTORS CORP.