LEMON Manuals: Even more car manuals for everyone: 1960-2025
Home >> Cadillac >> 2009 >> CTS Base, 3.6 7, AWD >> Repair and Diagnosis >> Engine Performance >> System >> Data Communication System >> Schematic and Routing Diagrams >> Data Communication Schematics
April 5, 2026: LEMON Manuals is launched! Read the announcement.

Data Communication Schematics

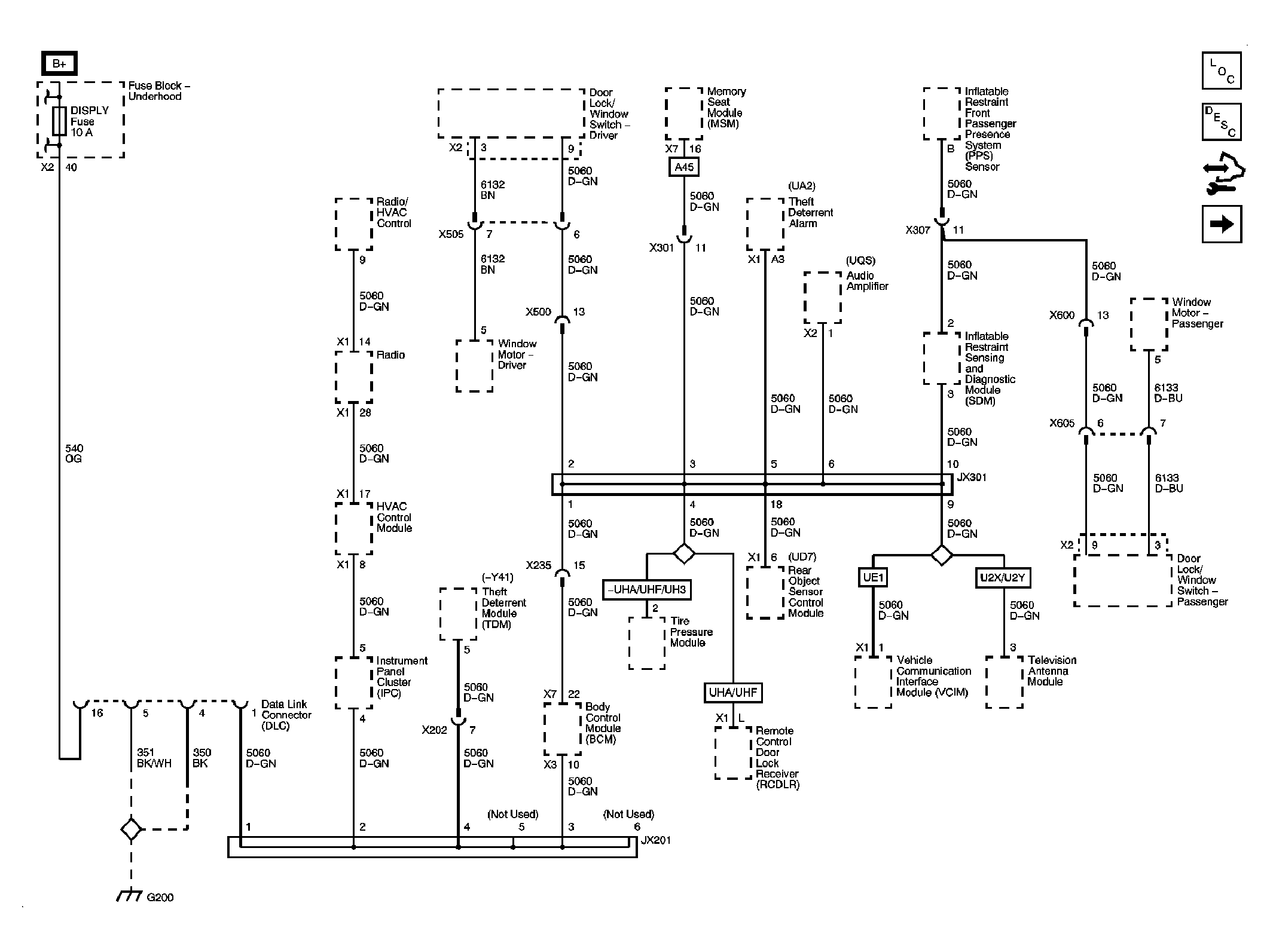
Fig 1: Low Speed GMLAN
GM2080710Courtesy of GENERAL MOTORS CORP.
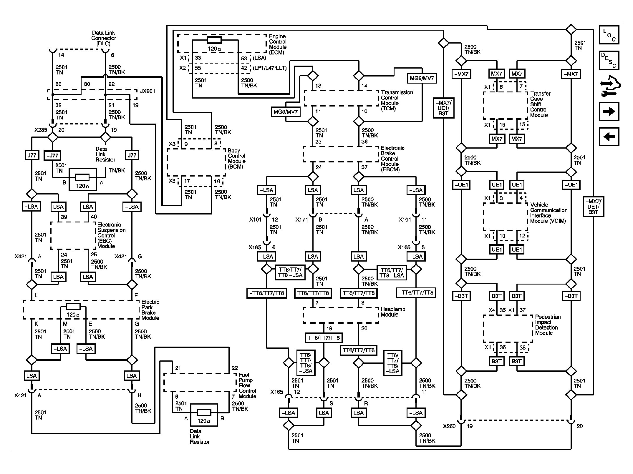
Fig 2: High Speed GMLAN
GM2080713Courtesy of GENERAL MOTORS CORP.
Fig 3: Communications Enable
GM2080716Courtesy of GENERAL MOTORS CORP.