LEMON Manuals: Even more car manuals for everyone: 1960-2025
Home >> Cadillac >> 2009 >> CTS Base, 3.6 7, AWD >> Repair and Diagnosis >> Engine Performance >> System >> Engine Controls And Fuel - 3.6L - Introduction >> Schematic and Routing Diagrams >> Engine Controls Schematics
April 5, 2026: LEMON Manuals is launched! Read the announcement.

Engine Controls Schematics

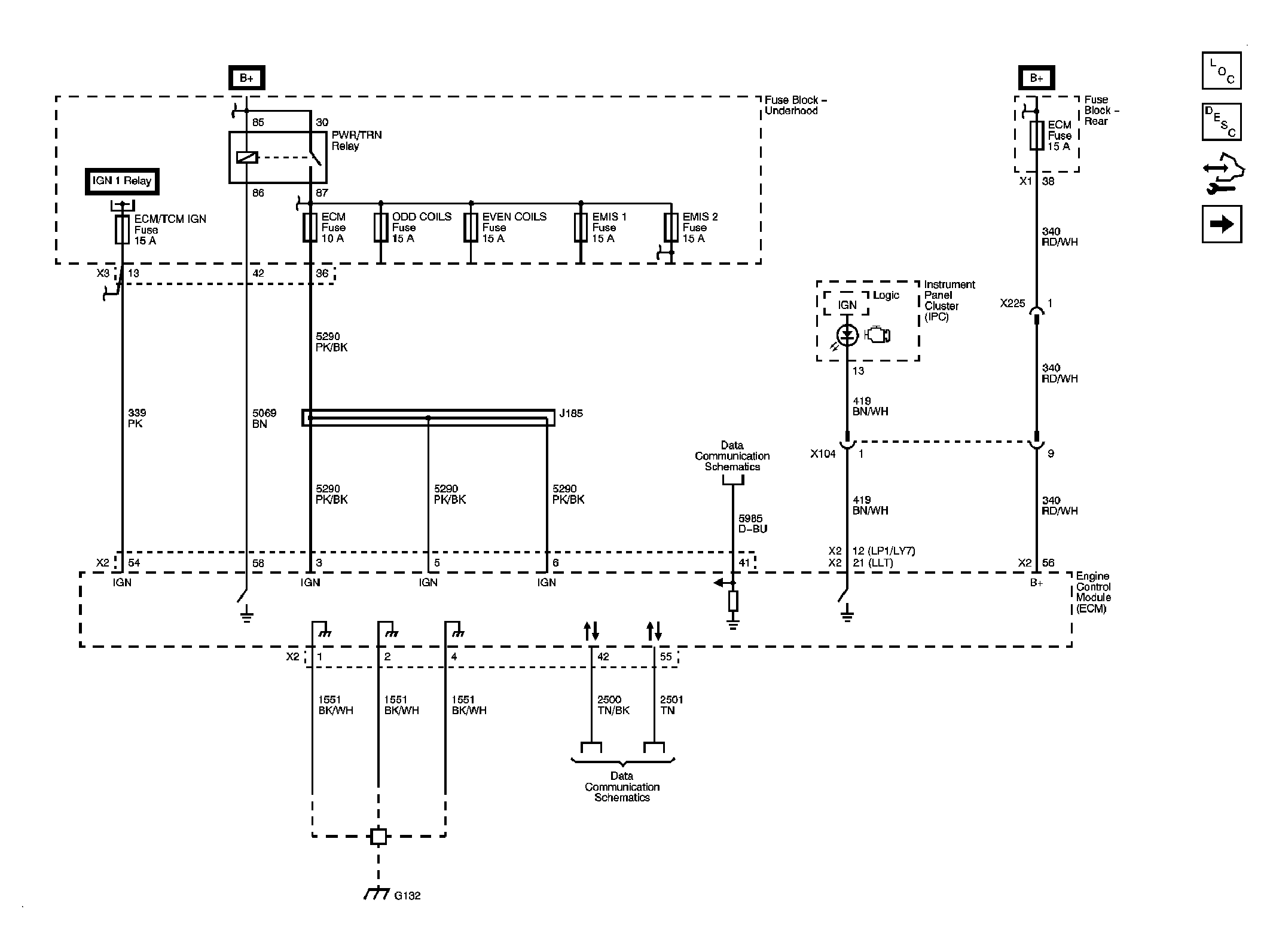
Fig 1: Module Power, Ground, Serial Data & MIL
GM2077218Courtesy of GENERAL MOTORS CORP.
Fig 2: 5-Volt & Low Reference - 1 of 2
GM2077220Courtesy of GENERAL MOTORS CORP.
Fig 3: 5-Volt & Low Reference - 2 of 2
GM2077221Courtesy of GENERAL MOTORS CORP.
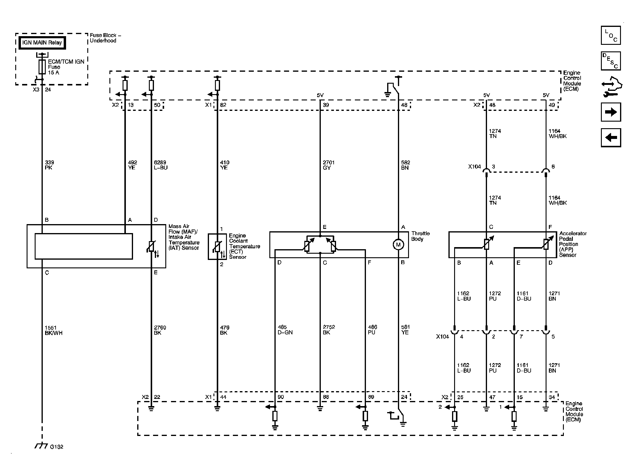
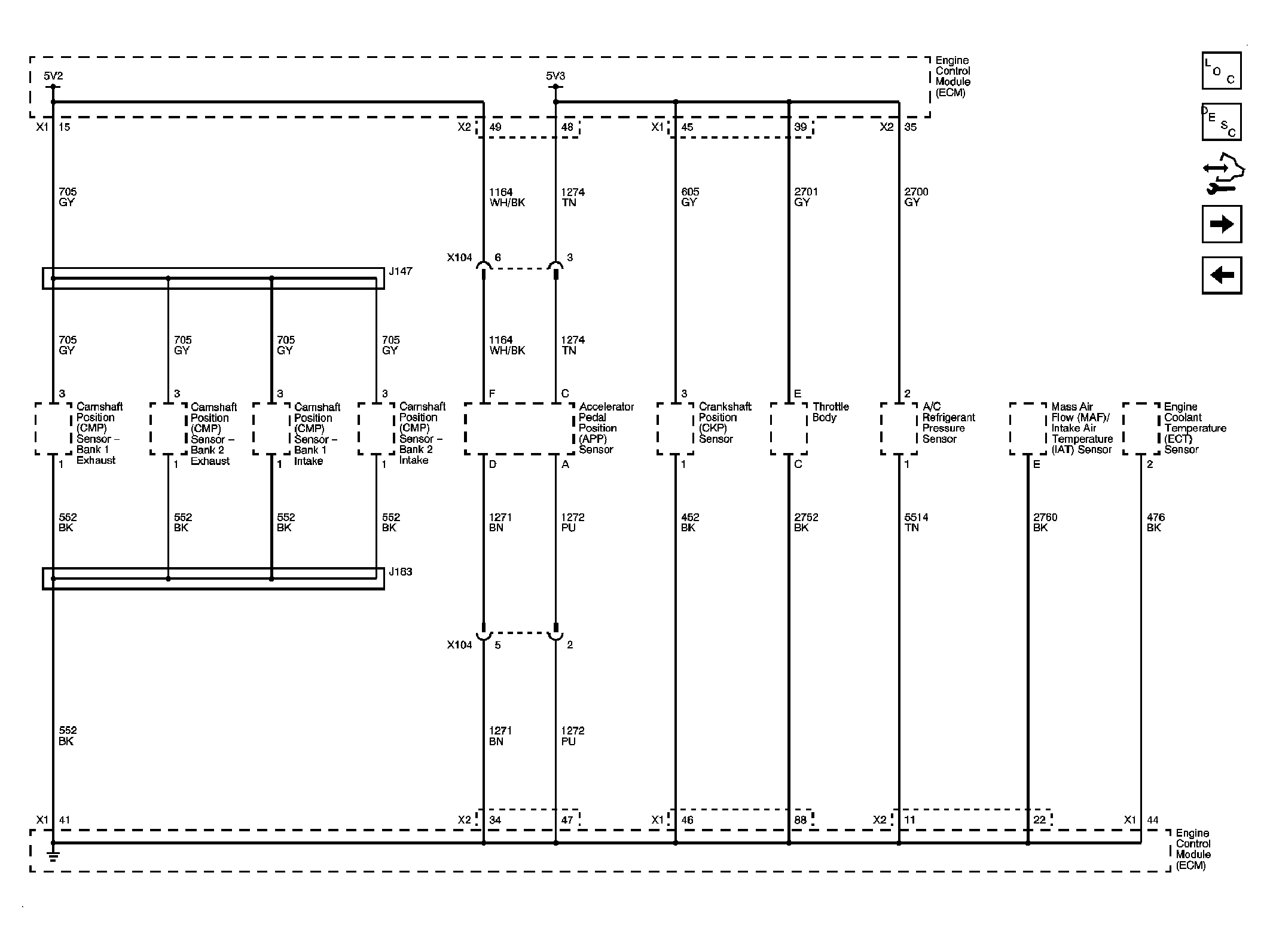
Fig 4: Engine Data Sensors - Pressure, Temperature, & Throttle Controls
GM2077222Courtesy of GENERAL MOTORS CORP.
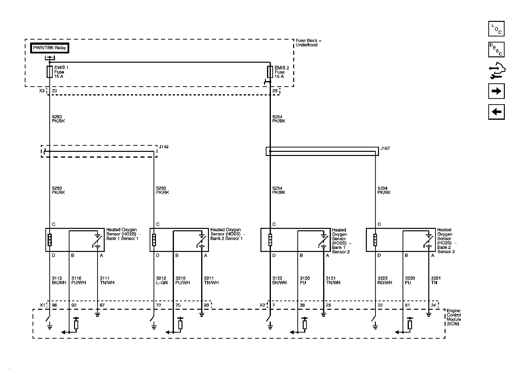
Fig 5: Engine Data Sensors - HO2S
GM2077223Courtesy of GENERAL MOTORS CORP.
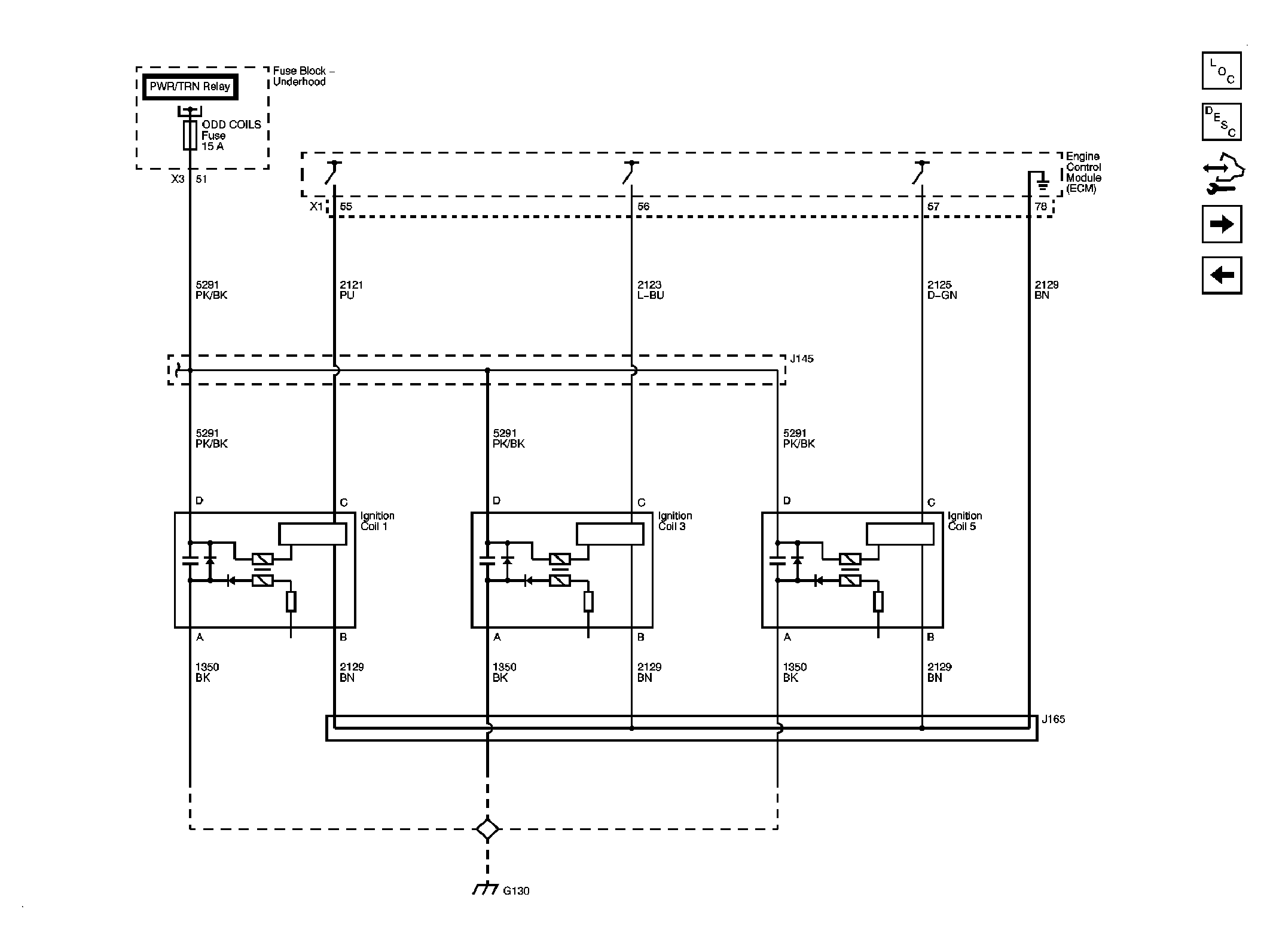
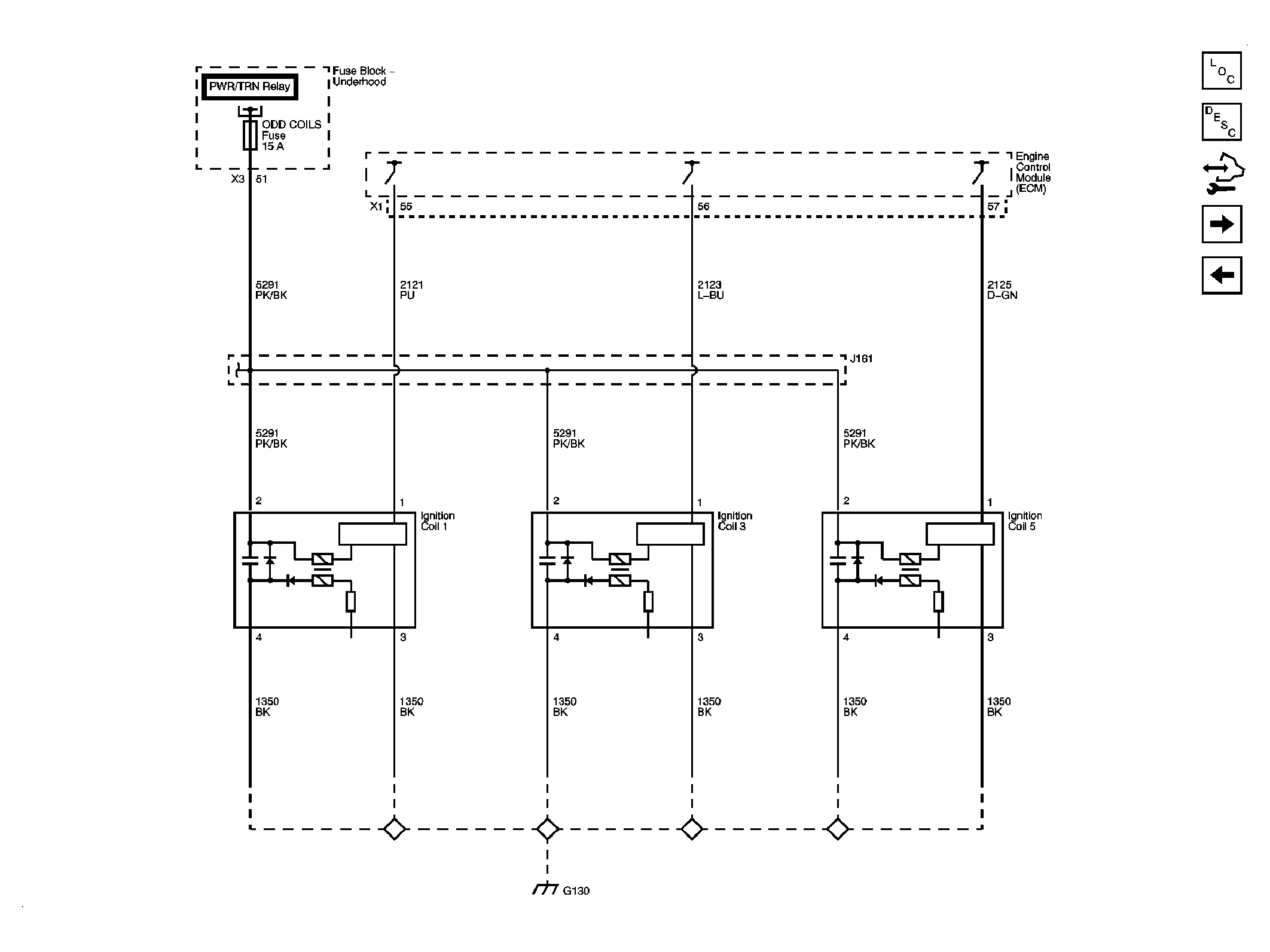
Fig 6: Ignition Controls - Ignition System Coils 1, 3, & 5 - LLT
GM2077225Courtesy of GENERAL MOTORS CORP.
Fig 7: Ignition Controls - Ignition System Coils 1, 3, & 5 - LP1/LY7
GM2077226Courtesy of GENERAL MOTORS CORP.
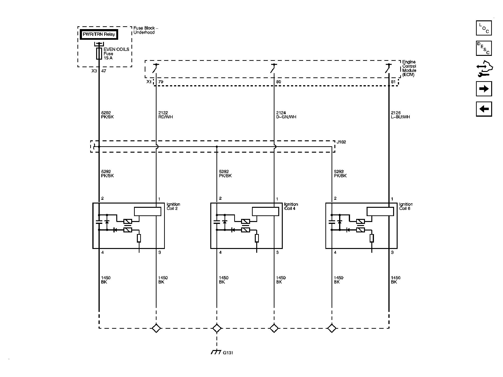
Fig 8: Ignition Controls - Ignition System Coils 2, 4, & 6 - LLT
GM2077228Courtesy of GENERAL MOTORS CORP.
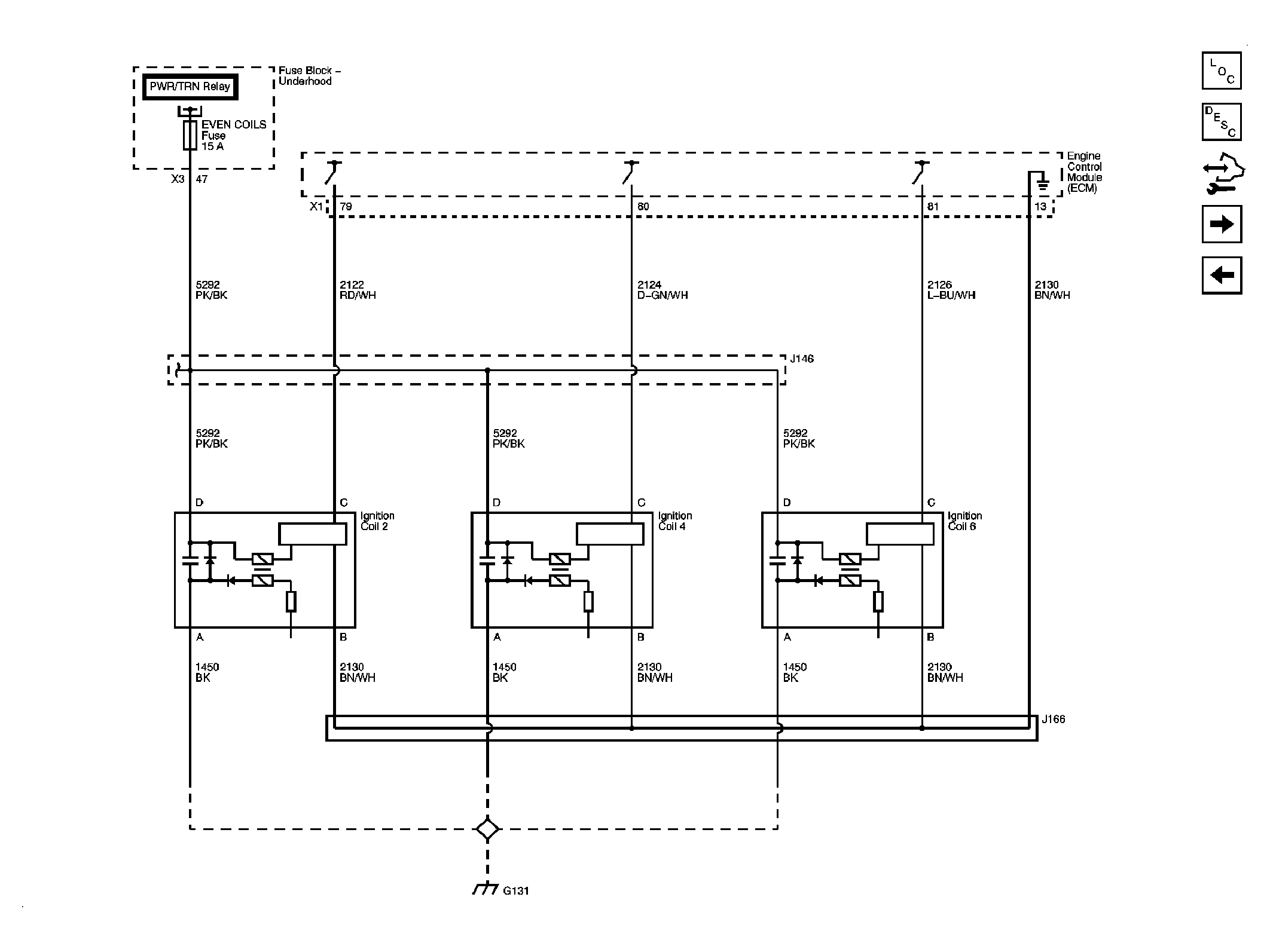
Fig 9: Ignition Controls - Ignition System Coils 2, 4, & 6 - LP1/LY7
GM2077229Courtesy of GENERAL MOTORS CORP.
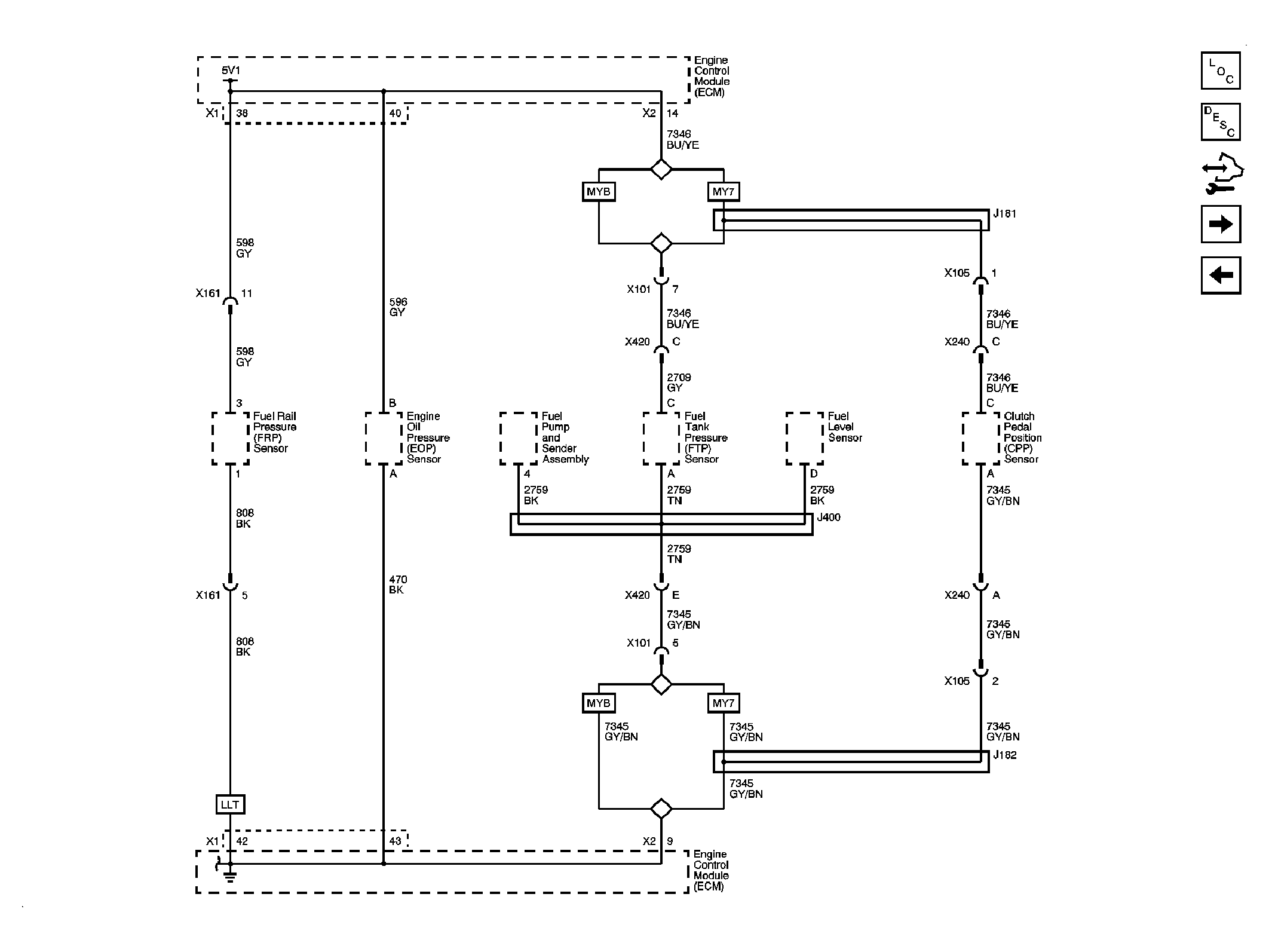
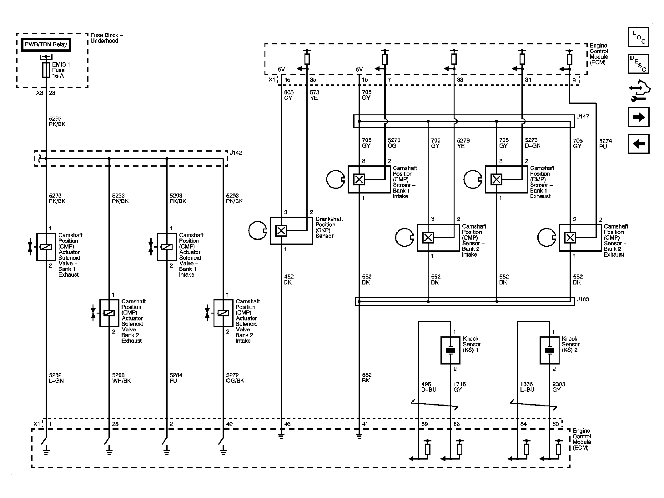
Fig 10: Ignition Controls - Sensors
GM2077230Courtesy of GENERAL MOTORS CORP.
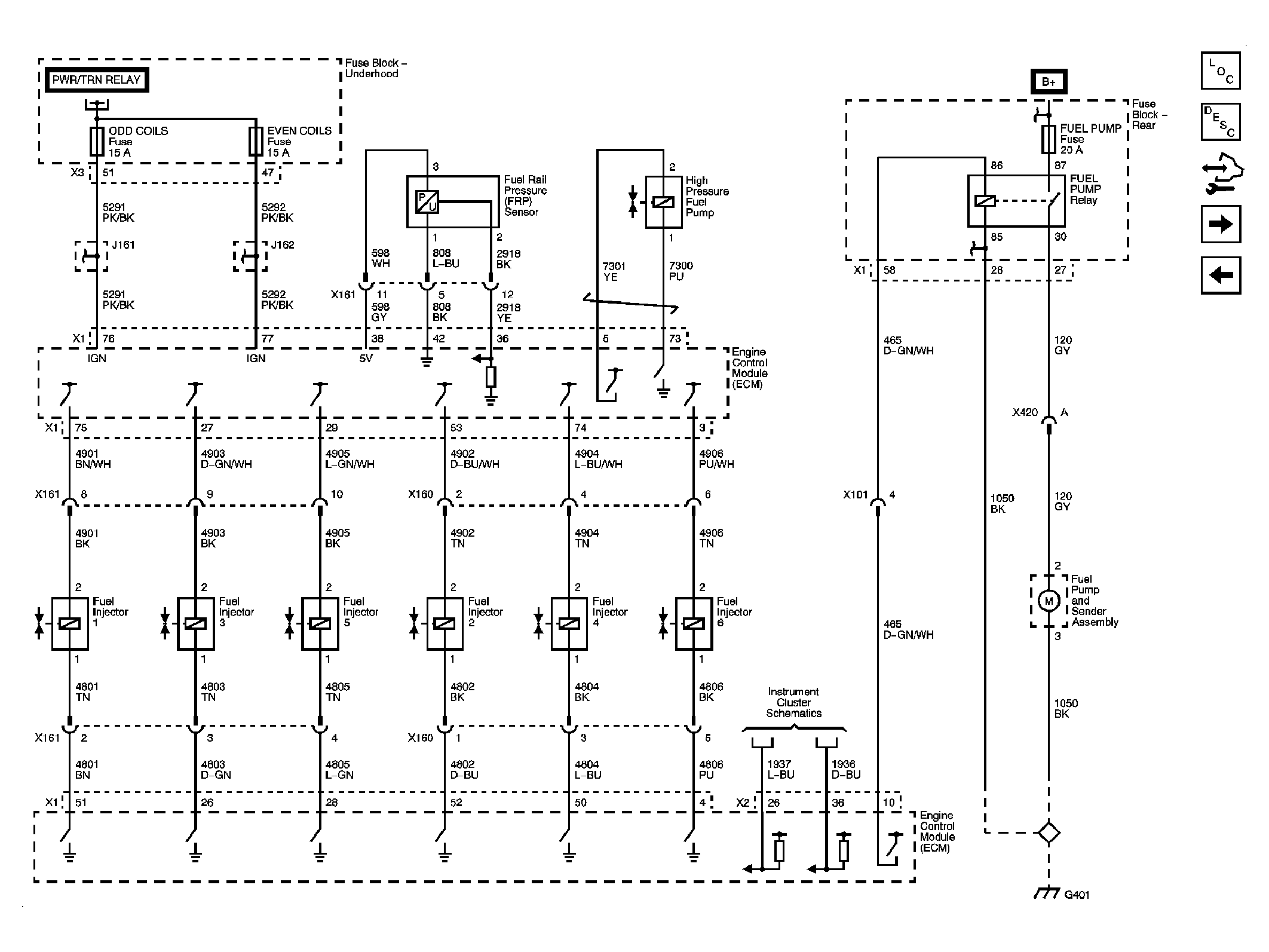
Fig 11: Fuel Controls - Fuel Injectors, Pressure & Fuel Pump Controls - LLT
GM2077231Courtesy of GENERAL MOTORS CORP.
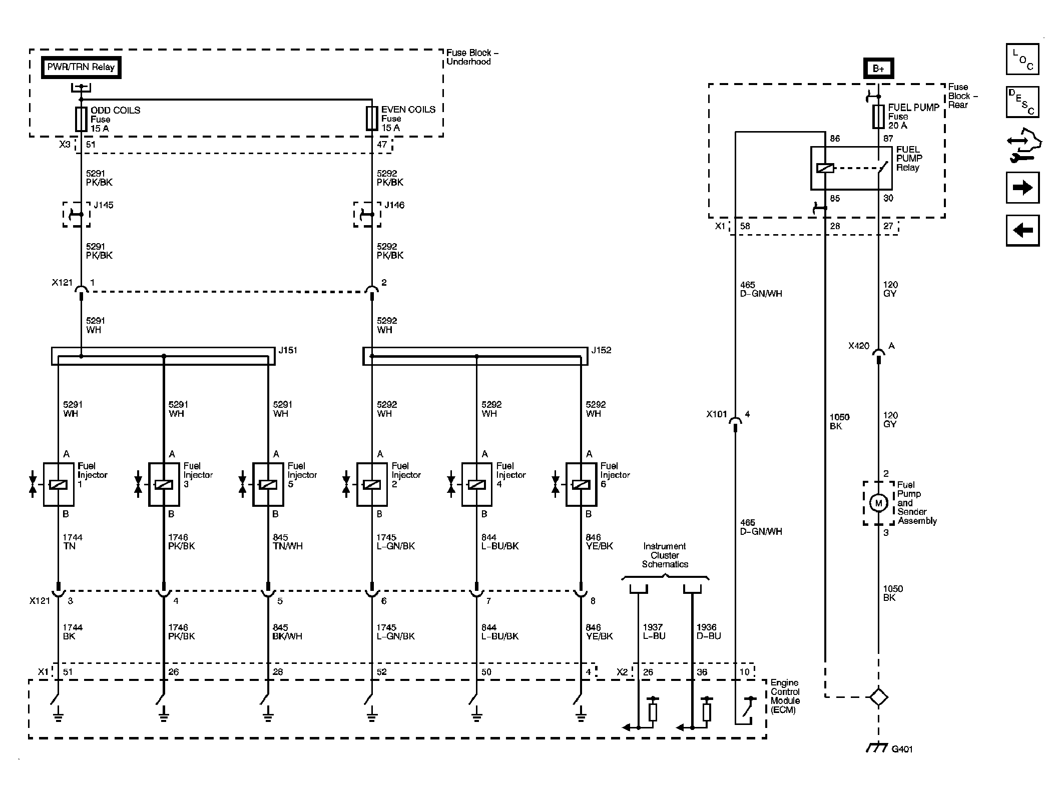
Fig 12: Fuel Controls - Fuel Injectors & Fuel Pump Controls - LP1/LY7
GM2077232Courtesy of GENERAL MOTORS CORP.
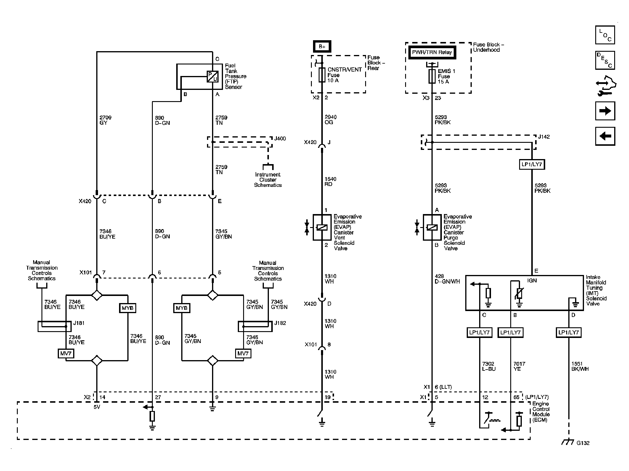
Fig 13: Fuel Controls - EVAP Controls & Manifold Tuning
GM2077233Courtesy of GENERAL MOTORS CORP.
Fig 14: Monitored/Controlled Subsystem References
GM2077234Courtesy of GENERAL MOTORS CORP.