LEMON Manuals: Even more car manuals for everyone: 1960-2025
Home >> Cadillac >> 2009 >> CTS Base, 3.6 7, AWD >> Repair and Diagnosis >> External Pages >> Different car >> Section 94 (Cellular System, Entertainment System & Navigation System) >> Schematic and Routing Diagrams >> OnStar Schematics
April 5, 2026: LEMON Manuals is launched! Read the announcement.

OnStar Schematics

WARNING: This page is about a different car, the 2009 Buick Lucerne. However, it is still accessible from the selected car via links, so may be relevant.
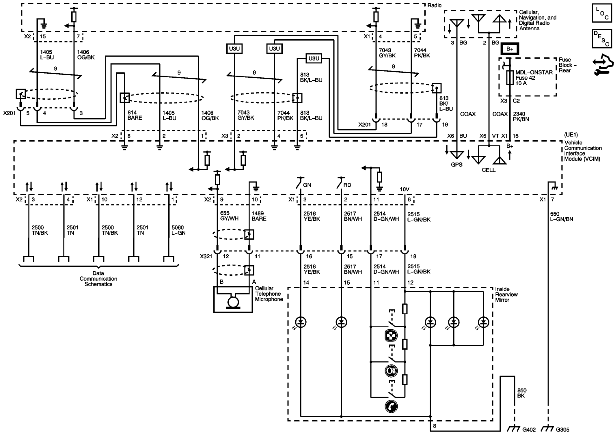
Fig 1: UE1
GM2081254Courtesy of GENERAL MOTORS CORP.
Fig 2: Data Link Communication
GM2081255Courtesy of GENERAL MOTORS CORP.