LEMON Manuals: Even more car manuals for everyone: 1960-2025
Home >> Cadillac >> 2009 >> CTS Base, 3.6 V, AWD >> Repair and Diagnosis >> Body & Frame >> Door Locks >> Keyless Entry System And Remote Functions >> Schematic and Routing Diagrams >> Remote Function Schematics
April 5, 2026: LEMON Manuals is launched! Read the announcement.

Remote Function Schematics

Fig 1: Garage Door Opener - UG1
GM2077293Courtesy of GENERAL MOTORS CORP.
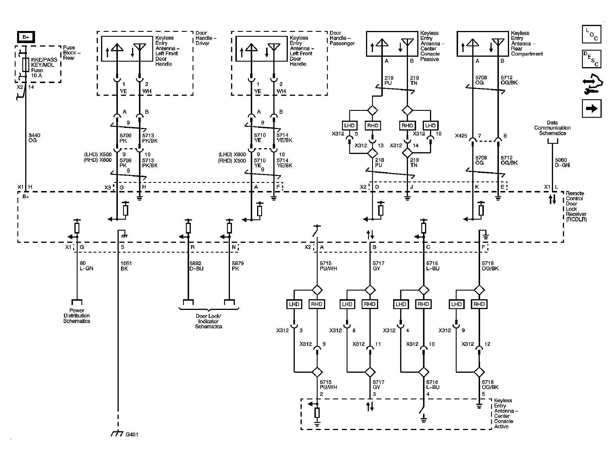
Fig 2: Power, Grounds, Antennas, Indicator and Release Switch
GM2077294Courtesy of GENERAL MOTORS CORP.