LEMON Manuals: Even more car manuals for everyone: 1960-2025
Home >> Cadillac >> 2009 >> CTS Base, 3.6 V, AWD >> Repair and Diagnosis >> External Pages >> Different car >> Section 138 (Data Communication System) >> Schematic and Routing Diagrams >> Body Control System Schematics
April 5, 2026: LEMON Manuals is launched! Read the announcement.

Body Control System Schematics

WARNING: This page is about a different car, the 2009 Buick Lucerne. However, it is still accessible from the selected car via links, so may be relevant.
Fig 1: BCM Power, Ground and DLC
GM2081272Courtesy of GENERAL MOTORS CORP.
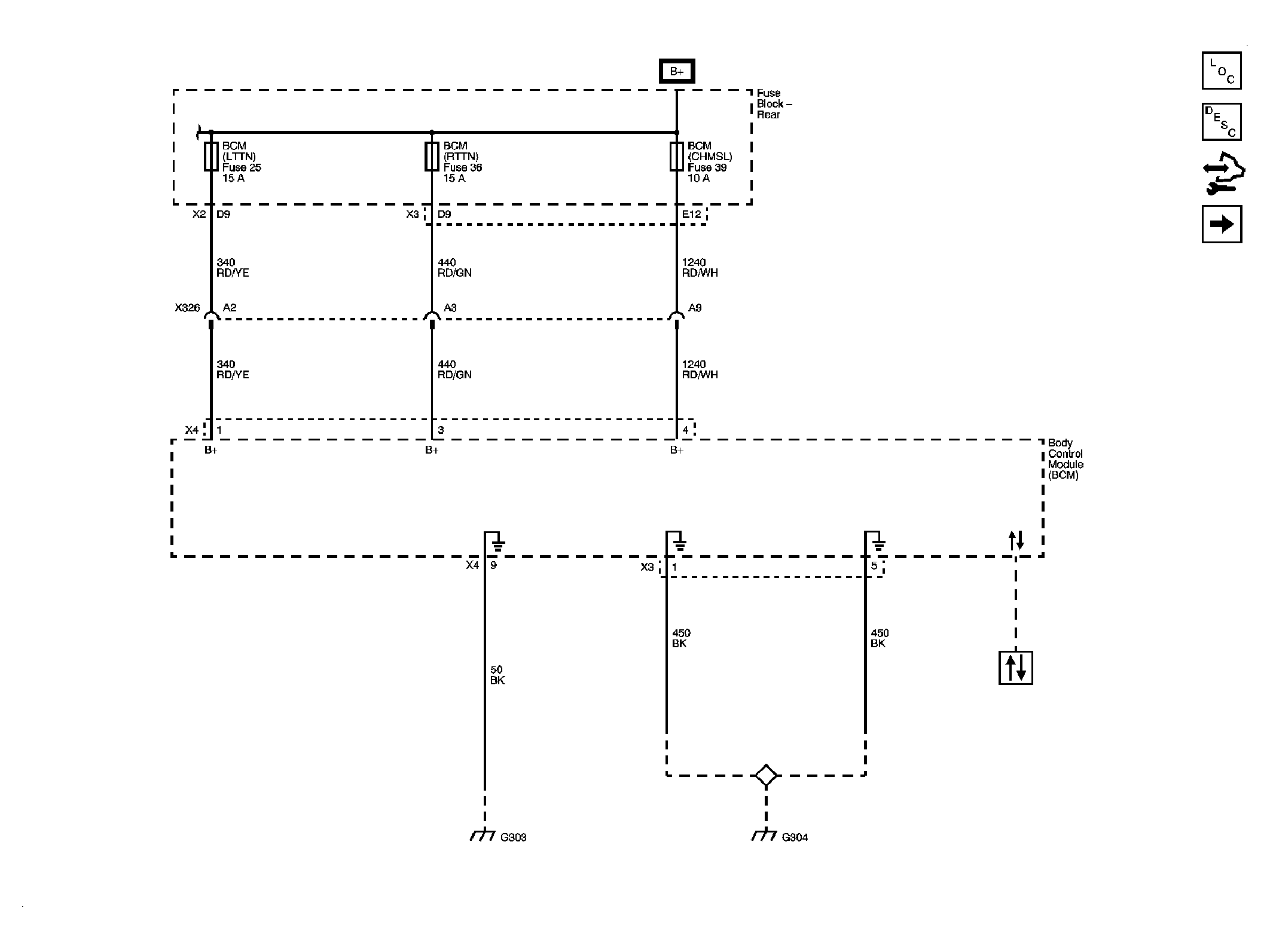
Fig 2: BCM Inputs and Outputs 1 of 4
GM2081273Courtesy of GENERAL MOTORS CORP.
Fig 3: BCM Inputs and Outputs 2 of 4
GM2081274Courtesy of GENERAL MOTORS CORP.
Fig 4: BCM Inputs and Outputs 3 of 4
GM2081275Courtesy of GENERAL MOTORS CORP.
Fig 5: BCM Inputs and Outputs 4 of 4
GM2081276Courtesy of GENERAL MOTORS CORP.