LEMON Manuals: Even more car manuals for everyone: 1960-2025
Home >> Cadillac >> 2009 >> CTS RWD V8-6.2L SC >> Repair and Diagnosis >> Diagrams >> Exploded Views >> Engine
April 5, 2026: LEMON Manuals is launched! Read the announcement.

Engine




Disassembled Views

Supercharger/Upper Engine




1 - Evaporative (EVAP) Emission Canister Purge Tube
2 - Positive Crankcase Ventilation (PCV) Tube - Fresh Air
3 - Supercharger Cover Bolts
4 - Supercharger Cover
5 - Supercharger Cover Seal
6 - Supercharger Insulator Seal
7 - Supercharger Bolts
8 - Supercharger
9 - Supercharger Gasket
10 - Supercharger Gasket Rivet
11 - Engine Coolant Air Bleed Plug
12 - Engine Coolant Air Bleed Pipe Bolt
13 - Engine Coolant Air Bleed Pipe
14 - Engine Coolant Air Bleed Pipe Seal
15 - Engine Coolant Air Bleed Pipe
16 - Valley Cover Bolt
17 - Engine Oil Pressure Sensor
18 - Valley Cover
19 - PCV Hose - Dirty Air
20 - Valley Cover Seal
21 - Valley Cover Gasket
22 - Engine Block

Cylinder Head/Upper Engine




1 - Oil Cap
2 - Oil Cap O-ring Seal
3 - Oil Fill Tube
4 - Oil Fill Tube O-ring Seal
5 - Valve Rocker Arm Cover Gasket
6 - Valve Rocker Arm Cover
7 - Positive Crankcase Ventilation (PCV) Tube - Fresh Air
8 - Bolt
9 - Ignition Coil
10 - Spark Plug Wire
11 - Bolt
12 - Bolt Grommet
13 - Valve Rocker Arm Cover
14 - Valve Rocker Arm Cover Gasket
15 - Valve Stem Key
16 - Valve Spring Cap
17 - Valve Spring
18 - Valve Stem Oil Seal
19 - Spark Plug
20 - Cylinder Head Bolt - M11
21 - Cylinder Head Bolt - M8
22 - Cylinder Head
23 - Cylinder Head Gasket
24 - Cylinder Head Locating Pin
25 - Cylinder Head Plug
26 - Coolant Temperature Sensor
27 - Exhaust Valve
28 - Intake Valve
29 - Exhaust Manifold Gasket
30 - Exhaust Manifold
31 - Exhaust Manifold Heat Shield
32 - Exhaust Manifold Heat Shield Bolt
33 - Exhaust Manifold Bolt
34 - Bolt
35 - Valve Rocker Arm
36 - Valve Rocker Arm Pivot Support
37 - Valve Pushrod
38 - Bolt
39 - Valve Lifter Guide
40 - Valve Lifter
41 - Engine Block

Front of Engine




1 - Bolt
2 - Water Inlet Housing
3 - Water Inlet Seal
4 - Engine Coolant Thermostat
5 - Water Pump
6 - Water Pump Gasket
7 - Bolt
8 - Bolt
9 - Balancer Weight - Crankshaft Balancer - Manual Transmission
10 - Crankshaft Balancer
11 - Crankshaft Front Oil Seal
12 - Camshaft Position (CMP) Sensor Wire Harness Bolt
13 - CMP Sensor Wire Harness
14 - CMP Sensor Bolt
15 - CMP Sensor Seal
16 - CMP Sensor
17 - Bolt
18 - Engine Front Cover
19 - Engine Front Cover Gasket
20 - Bolt
21 - Timing Chain Tensioner
22 - Timing Chain
23 - Crankshaft Balancer Washer
24 - Crankshaft Sprocket
25 - Bolt
26 - Camshaft Sprocket
27 - Bolt
28 - Camshaft Retainer
29 - Camshaft Sprocket Locating Pin
30 - Camshaft
31 - Camshaft Bearings
32 - Engine Block
33 - Oil Pump Suction Pipe Nut
34 - Oil Pump Suction Pipe
35 - Oil Pump Suction Pipe Bolt
36 - Oil Pump O-ring Seal
37 - Oil Pressure Relief Valve Bore Plug
38 - Oil Pressure Relief Valve Spring
39 - Oil Pressure Relief Valve
40 - Oil Pump Driven Gear
41 - Oil Pump Drive Gear
42 - Oil Pump Cover
43 - Oil Pump Cover Bolt
44 - Oil Pump
45 - Oil Pump Bolt

Rear of Engine




1 - Engine Block
2 - Crankshaft Rear Oil Seal Housing Gasket
3 - Crankshaft Rear Oil Seal Housing
4 - Bolt
5 - Crankshaft Rear Oil Seal
6 - Flexplate - Automatic Transmission
7 - Transmission Pilot Bearing - Manual Transmission
8 - Balance Weight - Flywheel - Manual Transmission
9 - Flywheel - Manual Transmission
10 - Bolt
11 - Clutch Pressure Plate Locating Pin - Manual Transmission
12 - Clutch Drive Plate - Manual Transmission
13 - Clutch Pressure Plate - Manual Transmission
14 - Bolt

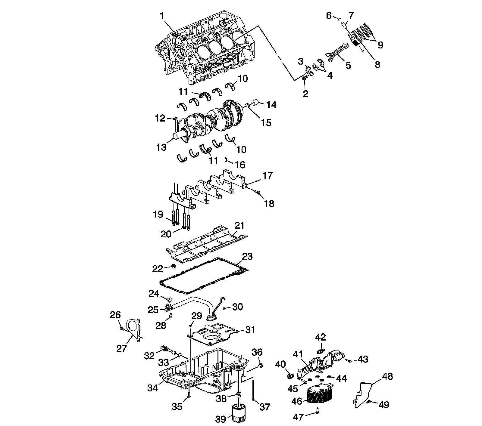
Lower Engine Assembly




1 - Engine Block
2 - Bolt
3 - Connecting Rod Cap
4 - Connecting Rod Bearing
5 - Connecting Rod
6 - Piston Pin Retainer
7 - Piston Pin
8 - Piston
9 - Piston Ring Set
10 - Crankshaft Bearing
11 - Crankshaft Bearing - Thrust
12 - Crankshaft Sprocket Key
13 - Crankshaft
14 - Transmission Pilot Bearing - Manual Transmission
15 - Crankshaft Hole Plug
16 - Crankshaft Bearing Cap Locating Pin
17 - Crankshaft Bearing Cap
18 - Bolt - M8
19 - Stud - M10
20 - Bolt - M10
21 - Crankshaft Oil Deflector
22 - Crankshaft Oil Deflector Nut
23 - Oil Pan Gasket
24 - Oil Pump Suction Pipe Seal
25 - Oil Pump Suction Pipe
26 - Bolt
27 - Engine Cover - Right
28 - Oil Pump Suction Pipe Bolt
29 - Oil Pan Baffle Bolt
30 - Oil Pump Suction Pipe Nut
31 - Oil Pan Baffle
32 - Engine Oil Level Sensor
33 - Engine Oil Level Sensor Seal
34 - Oil Pan
35 - Oil Pan Bolt
36 - Oil Pan Drain Plug
37 - Oil Pan Bolt
38 - Oil Filter Fitting
39 - Oil Filter
40 - Engine Oil Cooler Coolant Fitting
41 - Engine Oil Cooler Housing
42 - Engine Oil Cooler Gasket
43 - Engine Oil Cooler-to-Oil Pan Bolt - M6
44 - Engine Oil Cooler Core Seal
45 - Engine Oil Cooler-to-Oil Pan Bolt - M8
46 - Engine Oil Cooler Core
47 - Engine Oil Cooler Core-to-Housing Bolt
48 - Oil Pan Cover - Left
49 - Bolt

Engine Block Plugs/Sensors




1 - Engine Block Oil Gallery Plug - Front
2 - Engine Block Oil Gallery Plug Seal
3 - Engine Block Oil Gallery Plug - Side
4 - Engine Block Coolant Heater Seal
5 - Engine Block Coolant Heater
6 - Knock Sensor
7 - Bolt
8 - Engine Block Oil Gallery Plug - Side
9 - Engine Block Oil Gallery Plug Seal
10 - Engine Block
11 - Transmission Locating Pin
12 - Engine Block Oil Gallery Plug Seal
13 - Engine Block Oil Gallery Plug - Rear
14 - Piston Oil Nozzle
15 - Crankshaft Position (CKP) Sensor Seal
16 - CKP Sensor
17 - CKP Sensor Bolt
18 - Engine Block Coolant Drain Hole Plug Seal
19 - Engine Block Coolant Drain Hole Plug - Side

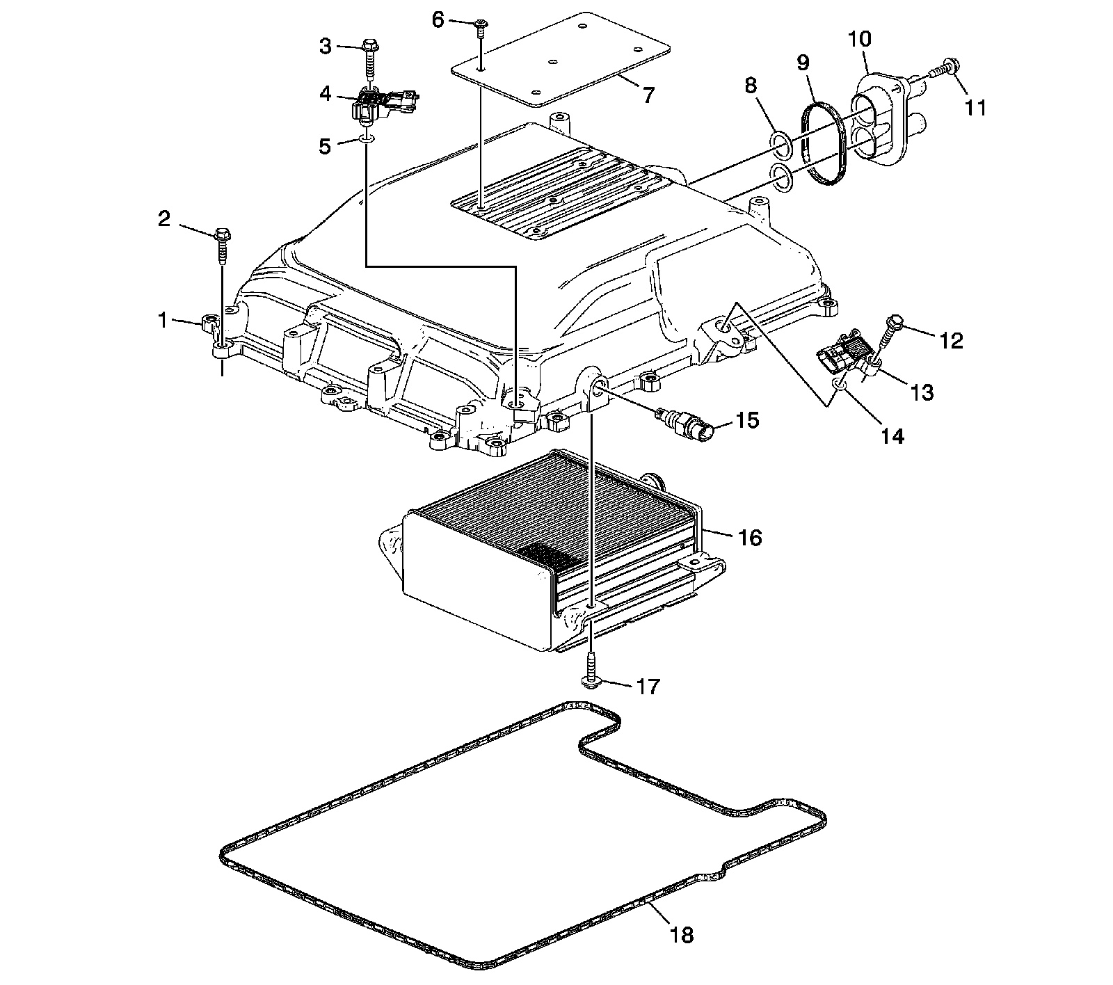
Supercharger Cover Assembly




1 - Charge Air Cooler Cover
2 - Charge Air Cooler Cover Bolt
3 - Barometric Pressure Sensor Bolt
4 - Barometric Pressure Sensor
5 - Barometric Pressure Sensor Seal
6 - Isolator Pad Bolt
7 - Isolator Pad
8 - Charge Air Cooler Coolant Pipe Seal
9 - Charge Air Cooler Coolant Outlet Pipe Assembly Seal
10 - Charge Air Cooler Coolant Outlet Pipe Assembly
11 - Charge Air Cooler Coolant Outlet Pipe Assembly Bolt
12 - Supercharger Air Outlet Pressure Sensor Bolt
13 - Supercharger Air Outlet Pressure Sensor
14 - Supercharger Air Outlet Pressure Sensor Seal
15 - Intake Air Temperature Sensor
16 - Charge Air Cooler
17 - Charge Air Cooler Bolt
18 - Charge Air Cooler Cover Seal

Supercharger Assembly




1 - Fuel Injector Wiring Harness
2 - Multiport Fuel Injection Fuel Rail
3 - Fuel Rail Service Port Cap
4 - Fuel Injector Seal
5 - Fuel Injector Retainer
6 - Fuel Injector
7 - Fuel Injection Fuel Rail Bolt
8 - Fuel Injector Fuel Rail Stud
9 - Fuel Injector Wiring Harness
10 - Charge Air Cooler Insulator
11 - Fuel Injector Wiring Harness Connector Bracket - Right
12 - Fuel Injector Wiring Harness Connector Bracket Bolt
13 - Supercharger Bolt
14 - Fuel Injector Wiring Harness Connector Bracket - Left
15 - Supercharger
16 - Intake Manifold Gasket
17 - Intake Manifold Gasket Rivet
18 - Throttle Body Bolt
19 - Throttle Body
20 - Throttle Body Seal
21 - Charge Air Bypass Valve Vacuum Tube
22 - Supercharger Bypass Actuator
23 - Charge Air Bypass Valve w/Bracket
24 - Supercharger Bypass Actuator Bolt
25 - Charge Air Bypass Valve Bolt
26 - Charge Air Bypass Valve Tube
27 - Bypass Valve Actuator Tube
28 - Evaporative Emission Canister Purge Valve
29 - Evaporative Emission Canister Purge Valve Seal
30 - Supercharger Inlet Air Pressure Sensor Bolt
31 - Supercharger Inlet Air Pressure Sensor
32 - Supercharger Inlet Air Pressure Sensor Seal

Oil Pump Assembly




408 - Bolt
409 - Oil Pump Housing Cover
410 - Oil Pump Drive Gear
412 - Oil Pump Driven Gear
413 - Oil Pump
414 - Oil Pump Pressure Relief Valve
415 - Oil Pump Pressure Relief Valve Spring
416 - Oil Pump Housing Plug