LEMON Manuals: Even more car manuals for everyone: 1960-2025
Home >> Cadillac >> 2009 >> DTS 4.6 9 >> Repair and Diagnosis >> Accessories & Equipment >> Collision/Avoidance >> Object Detection System >> Schematic and Routing Diagrams >> Object Detection Schematics
April 5, 2026: LEMON Manuals is launched! Read the announcement.

Object Detection Schematics

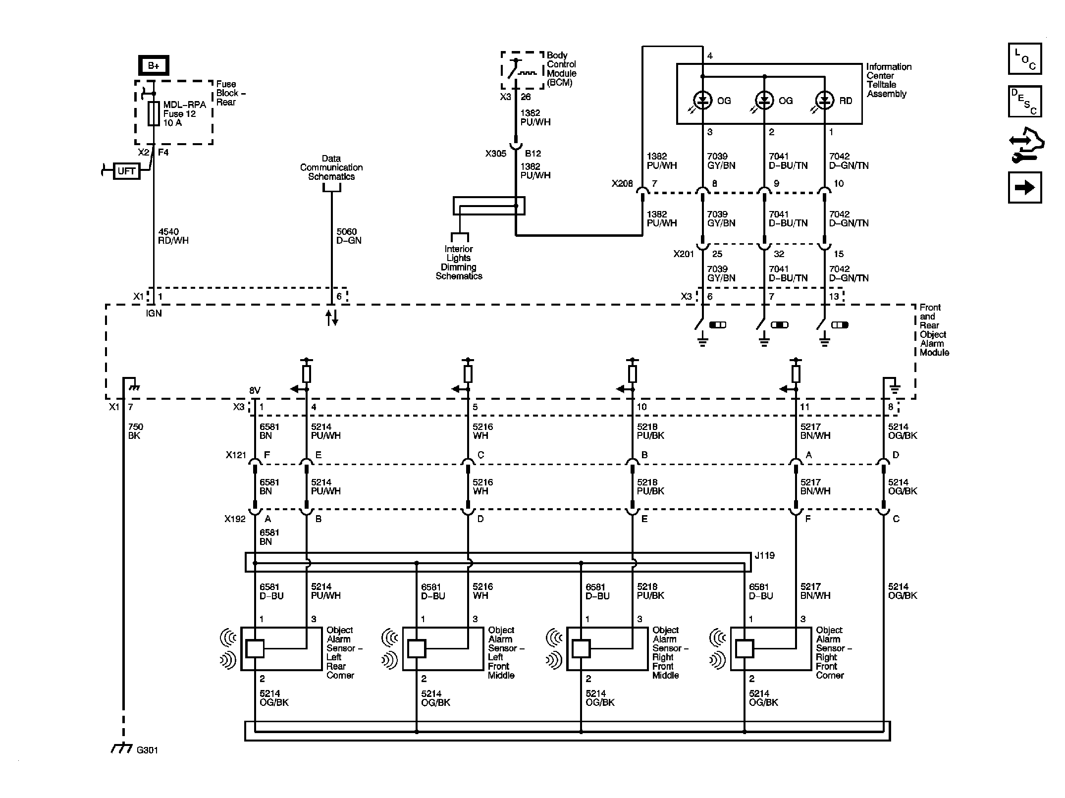
Fig 1: Front Park Assist (UFR)
GM2082391Courtesy of GENERAL MOTORS CORP.
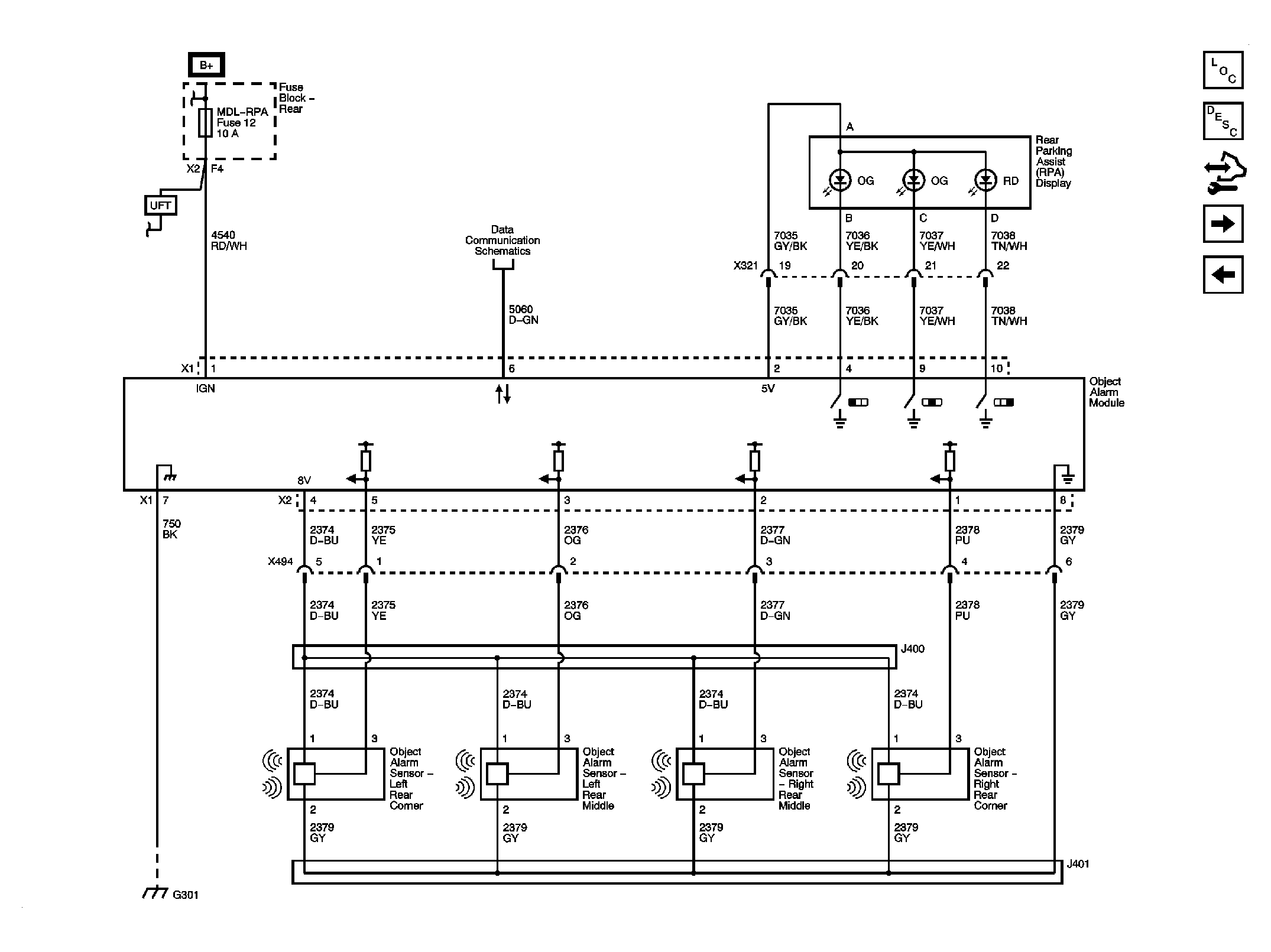
Fig 2: Rear Park Assist (UFR)
GM2082392Courtesy of GENERAL MOTORS CORP.
Fig 3: Lane Departure Warning System (UFL)
GM2082393Courtesy of GENERAL MOTORS CORP.
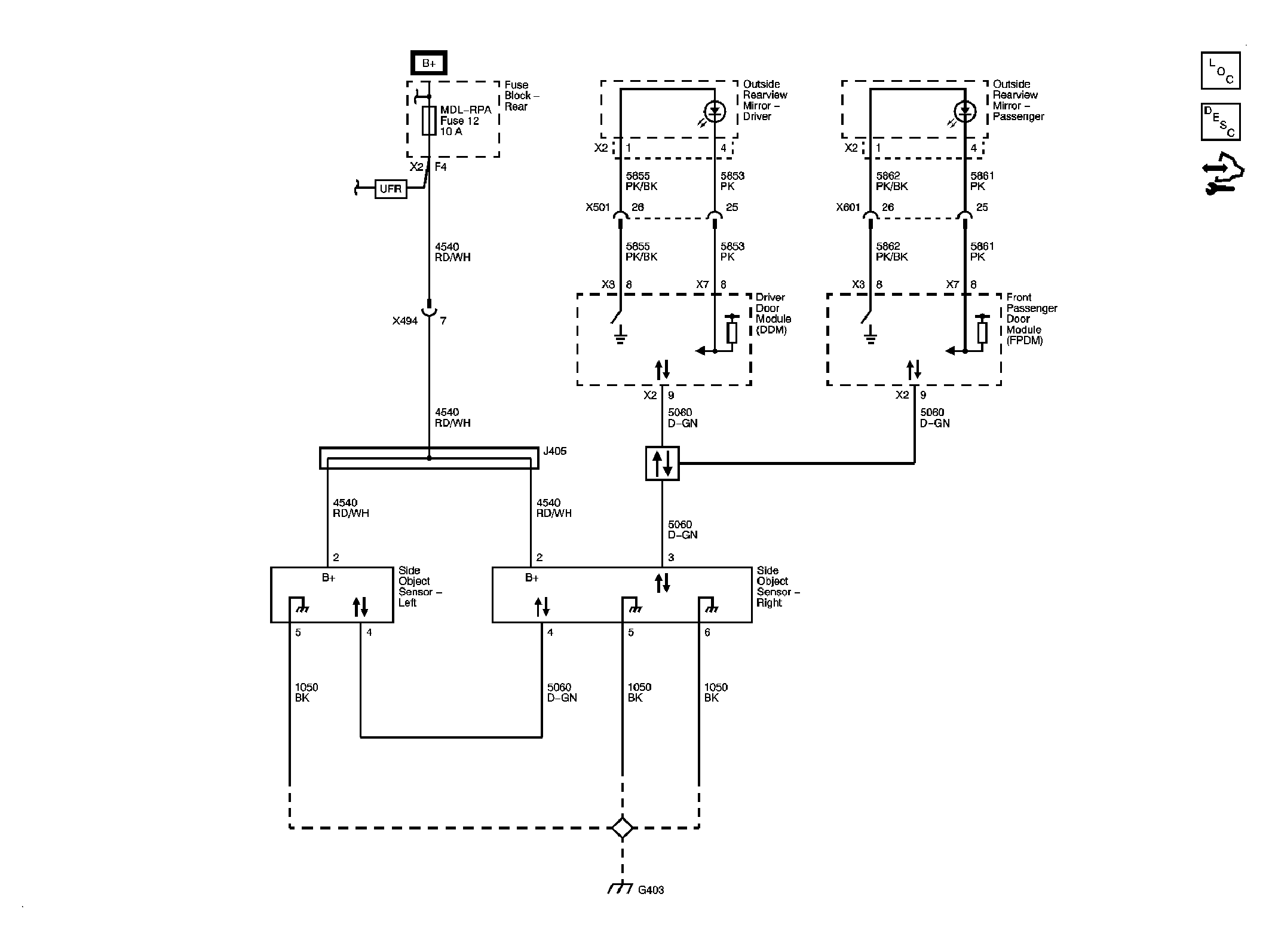
Fig 4: Side Object Detection (UFT)
GM2082394Courtesy of GENERAL MOTORS CORP.