LEMON Manuals: Even more car manuals for everyone: 1960-2025
Home >> Cadillac >> 2009 >> DTS 4.6 9 >> Repair and Diagnosis >> Accessories & Equipment >> Infotainment >> Cellular System, Entertainment System & Navigation System >> Schematic and Routing Diagrams >> Radio/Navigation System Schematics
April 5, 2026: LEMON Manuals is launched! Read the announcement.

Radio/Navigation System Schematics

Fig 1: Radio Power and Ground
GM2082303Courtesy of GENERAL MOTORS CORP.
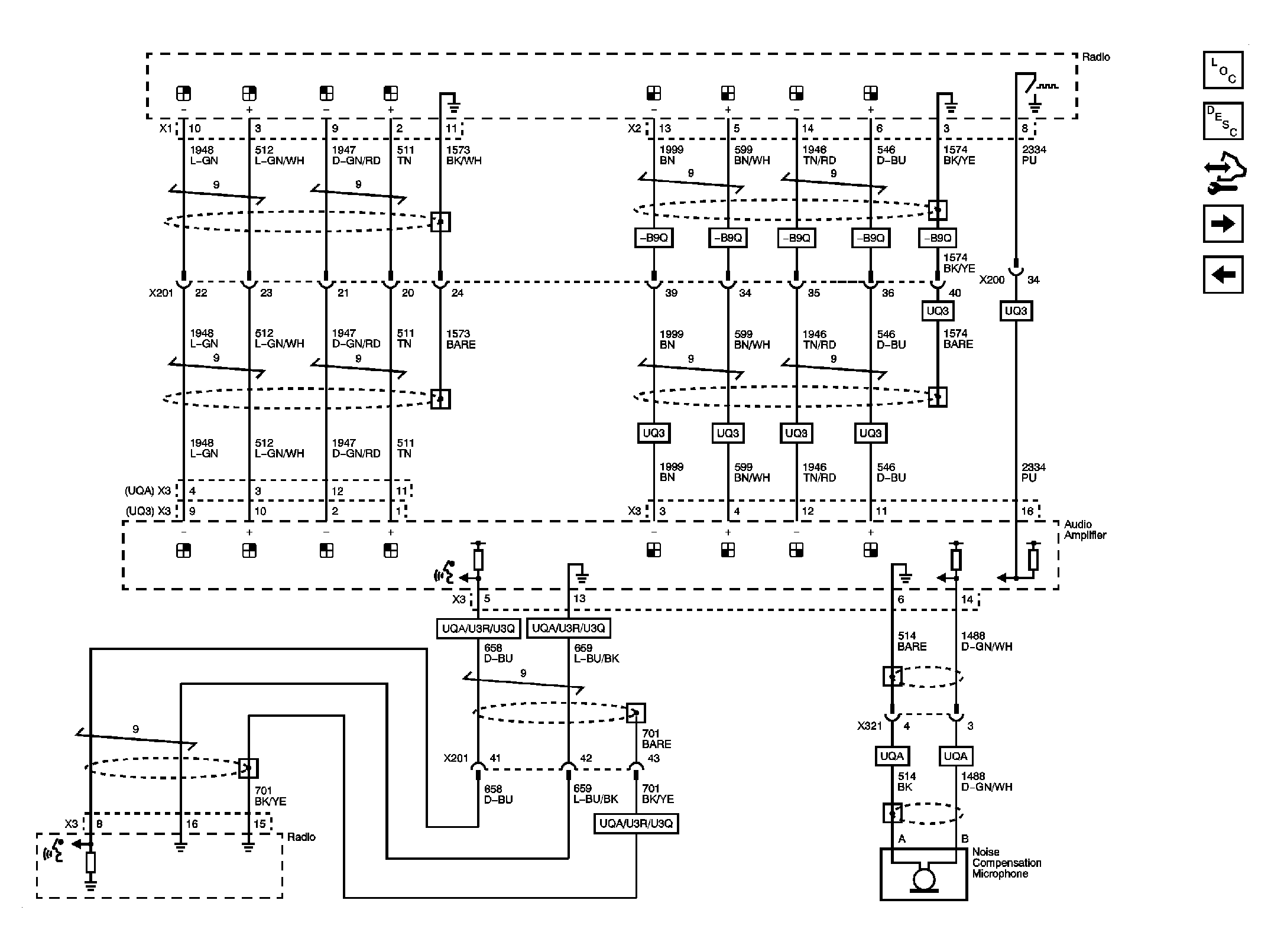
Fig 2: Amplifier
GM2082304Courtesy of GENERAL MOTORS CORP.
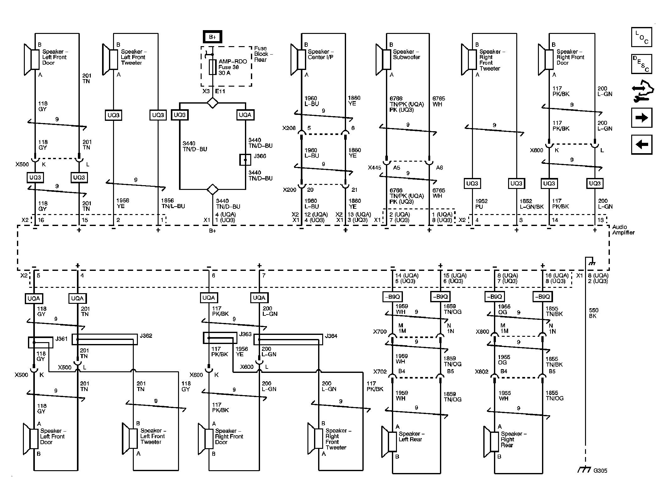
Fig 3: Speakers
GM2082306Courtesy of GENERAL MOTORS CORP.
Fig 4: Redundant Steering Wheel Controls
GM2082307Courtesy of GENERAL MOTORS CORP.
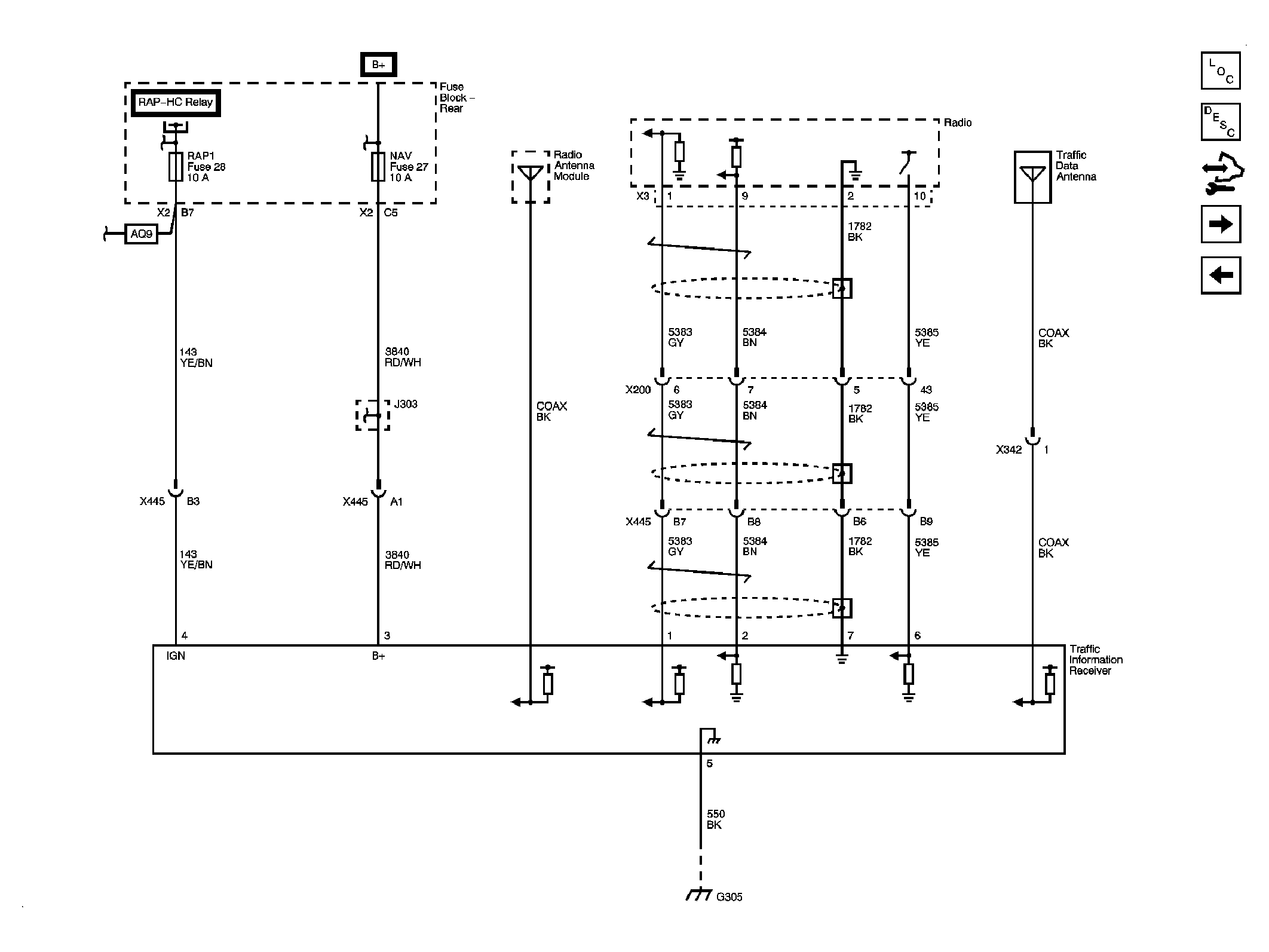
Fig 5: Traffic Information Receiver U3Q
GM2082308Courtesy of GENERAL MOTORS CORP.
Fig 6: Radio (without UE1)
GM2082311Courtesy of GENERAL MOTORS CORP.