LEMON Manuals: Even more car manuals for everyone: 1960-2025
Home >> Cadillac >> 2009 >> DTS 4.6 9 >> Repair and Diagnosis >> Body & Frame >> Door Locks >> Keyless Entry System And Remote Functions >> Schematic and Routing Diagrams >> Remote Function Schematics
April 5, 2026: LEMON Manuals is launched! Read the announcement.

Remote Function Schematics

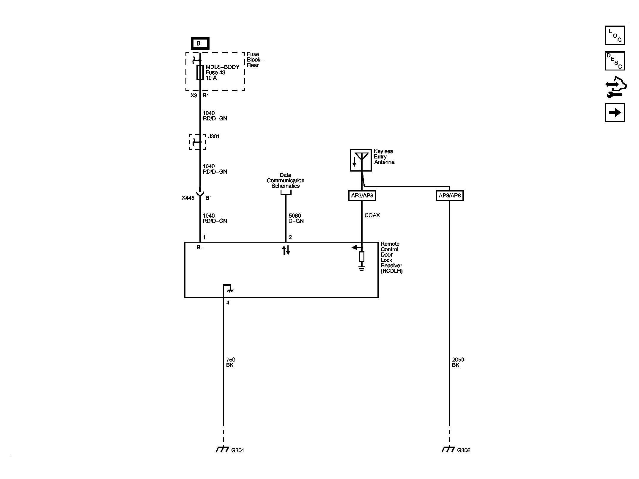
Fig 1: Remote Control Door Lock Receiver (RCDLR)
GM2082395Courtesy of GENERAL MOTORS CORP.
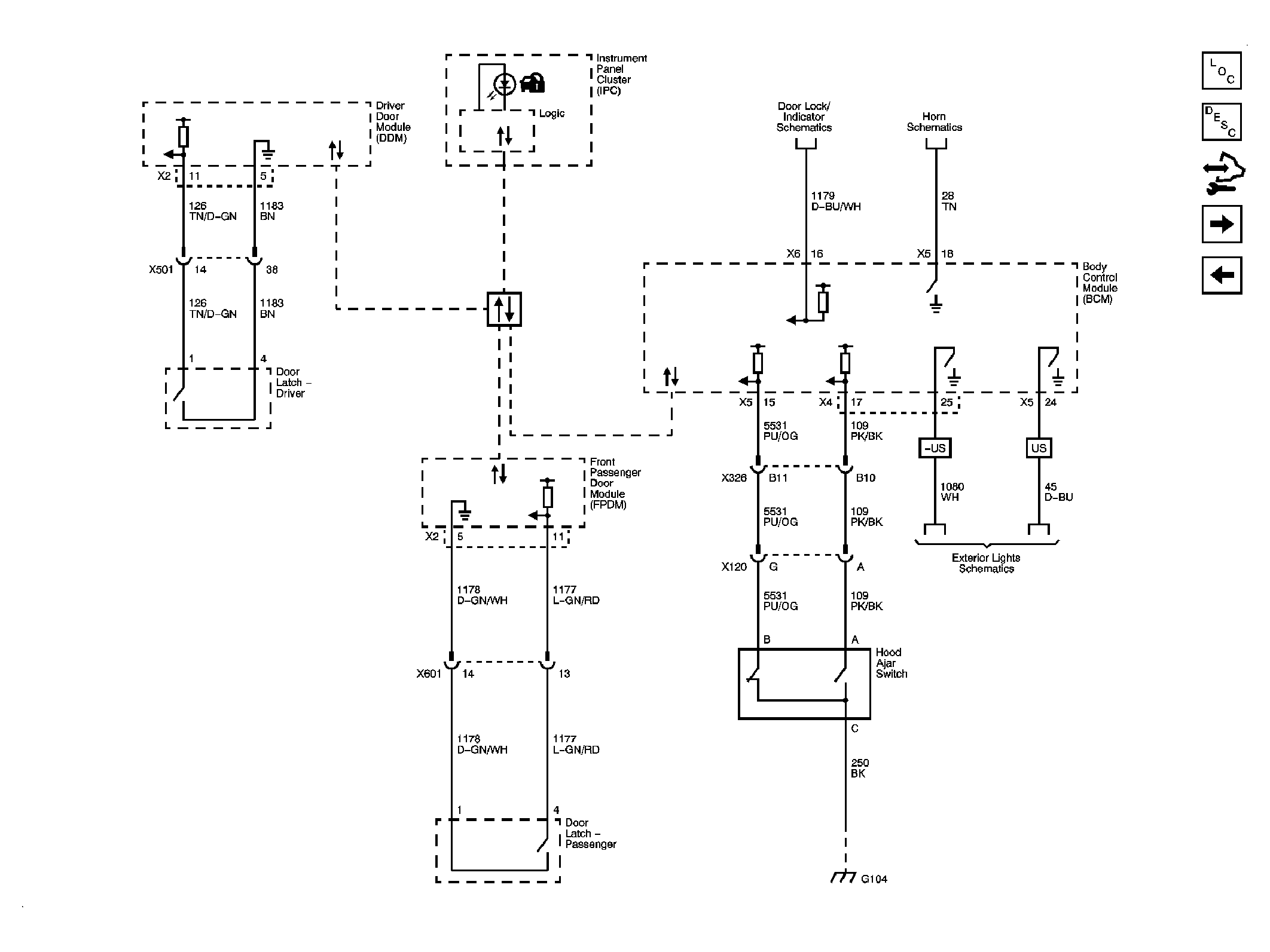
Fig 2: Door Latch Assemblies and Hood Ajar Switch
GM2082397Courtesy of GENERAL MOTORS CORP.
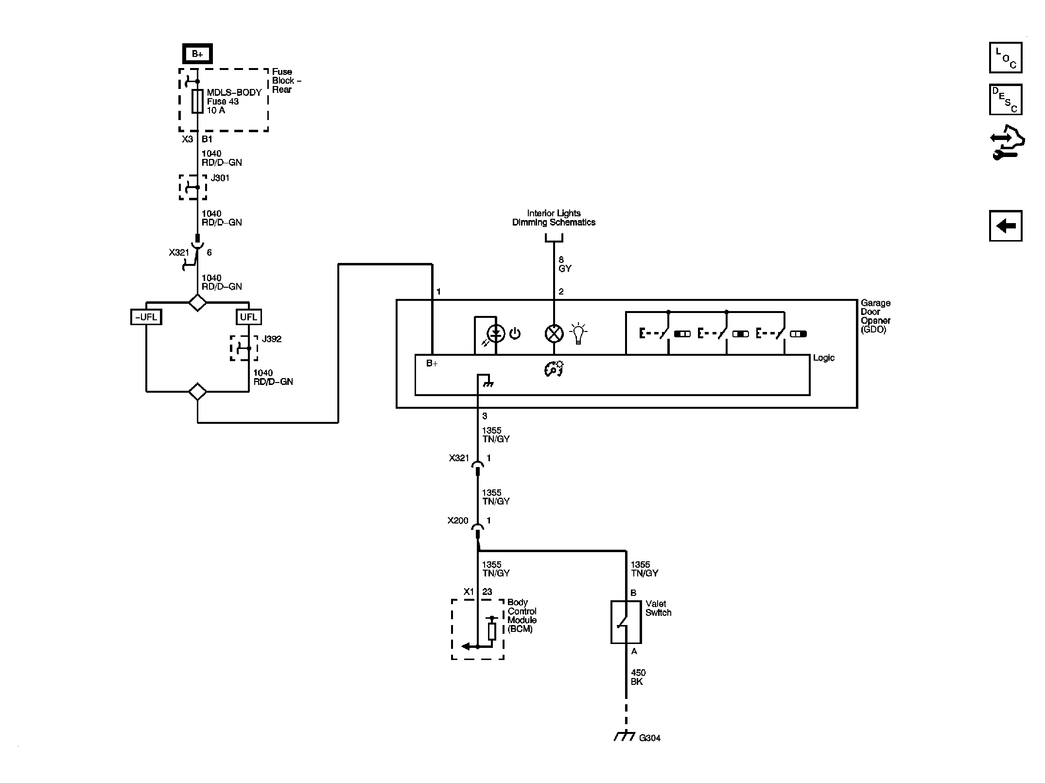
Fig 3: Garage Door Opener
GM2082398Courtesy of GENERAL MOTORS CORP.