LEMON Manuals: Even more car manuals for everyone: 1960-2025
Home >> Cadillac >> 2009 >> DTS 4.6 9 >> Repair and Diagnosis >> External Pages >> Different car >> Section 226 (Cellular System, Entertainment System, And Navigation System) >> Wiring Schematics >> Radio/Navigation System Wiring Schematics >> Radio Power and Ground Wiring Schematics
April 5, 2026: LEMON Manuals is launched! Read the announcement.

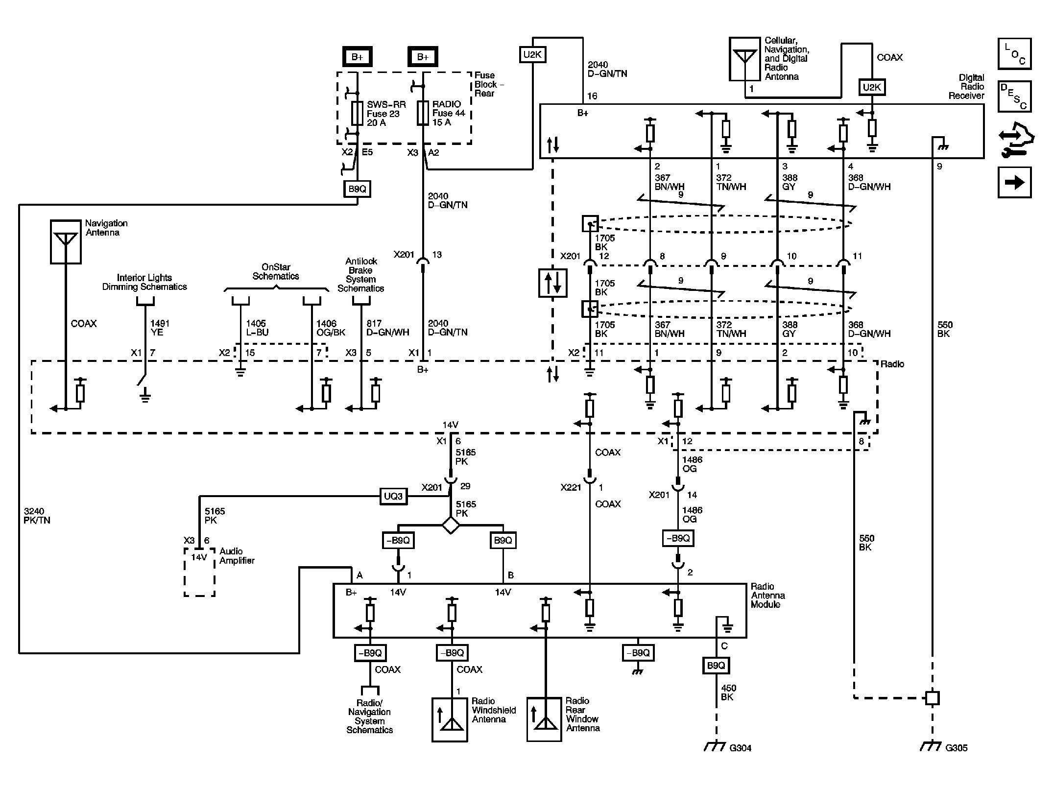
Radio Power and Ground Wiring Schematics

WARNING: This page is about a different car, the 2011 Cadillac DTS. However, it is still accessible from the selected car via links, so may be relevant.
Fig 1: Radio Power and Ground Wiring Schematic
GM2398285Courtesy of GENERAL MOTORS COMPANY