LEMON Manuals: Even more car manuals for everyone: 1960-2025
Home >> Cadillac >> 2009 >> Escalade Base, AWD >> Repair and Diagnosis (Single Page) >> Accessories & Equipment >> Collision/Avoidance >> Object Detection System >> Schematic and Routing Diagrams >> Object Detection Schematics
April 5, 2026: LEMON Manuals is launched! Read the announcement.

Object Detection Schematics

Fig 1: Rear Object Sensing (UD7)
GM2075496Courtesy of GENERAL MOTORS CORP.
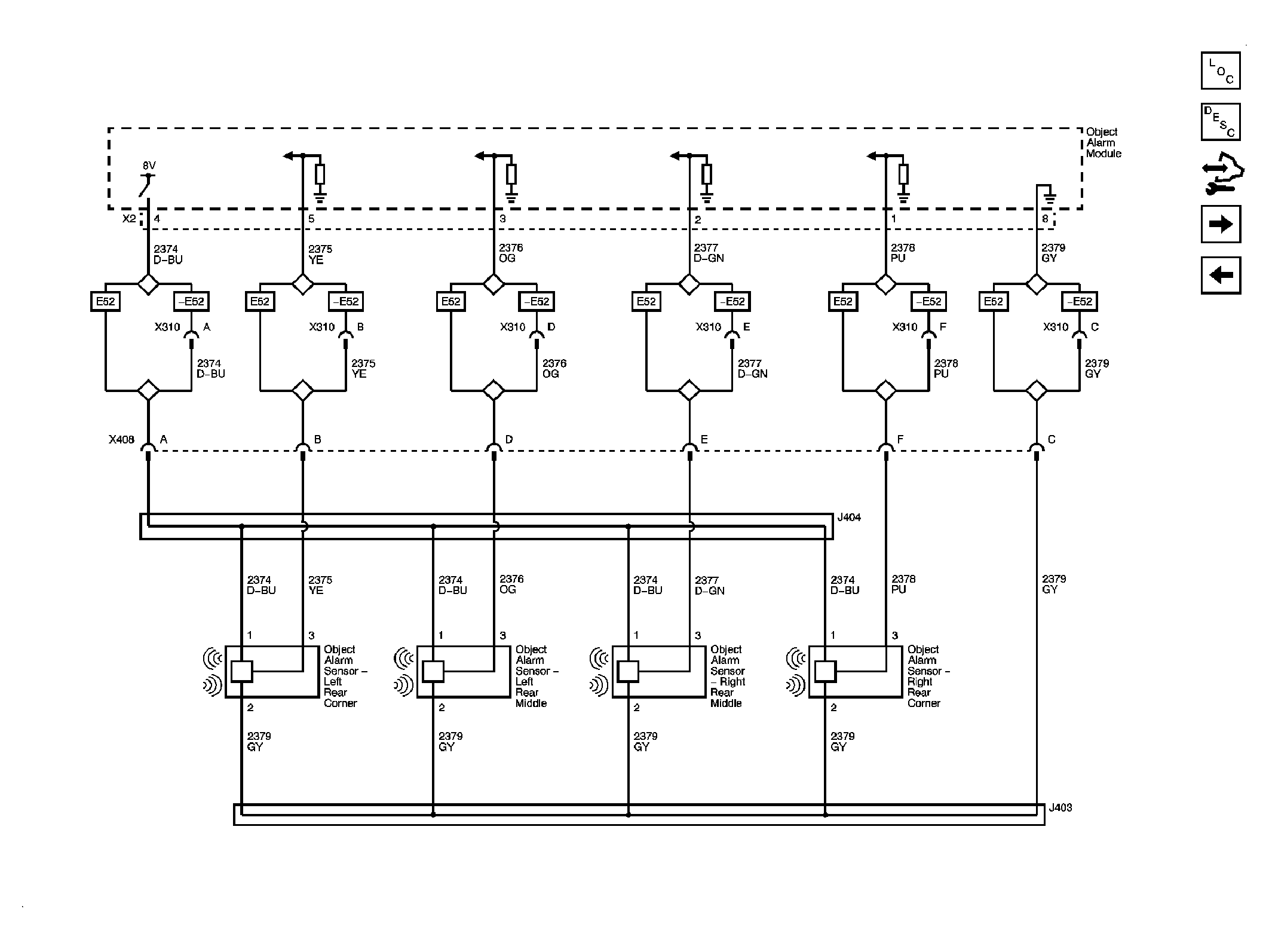
Fig 2: Rear Object Sensors (UD7)
GM2075498Courtesy of GENERAL MOTORS CORP.
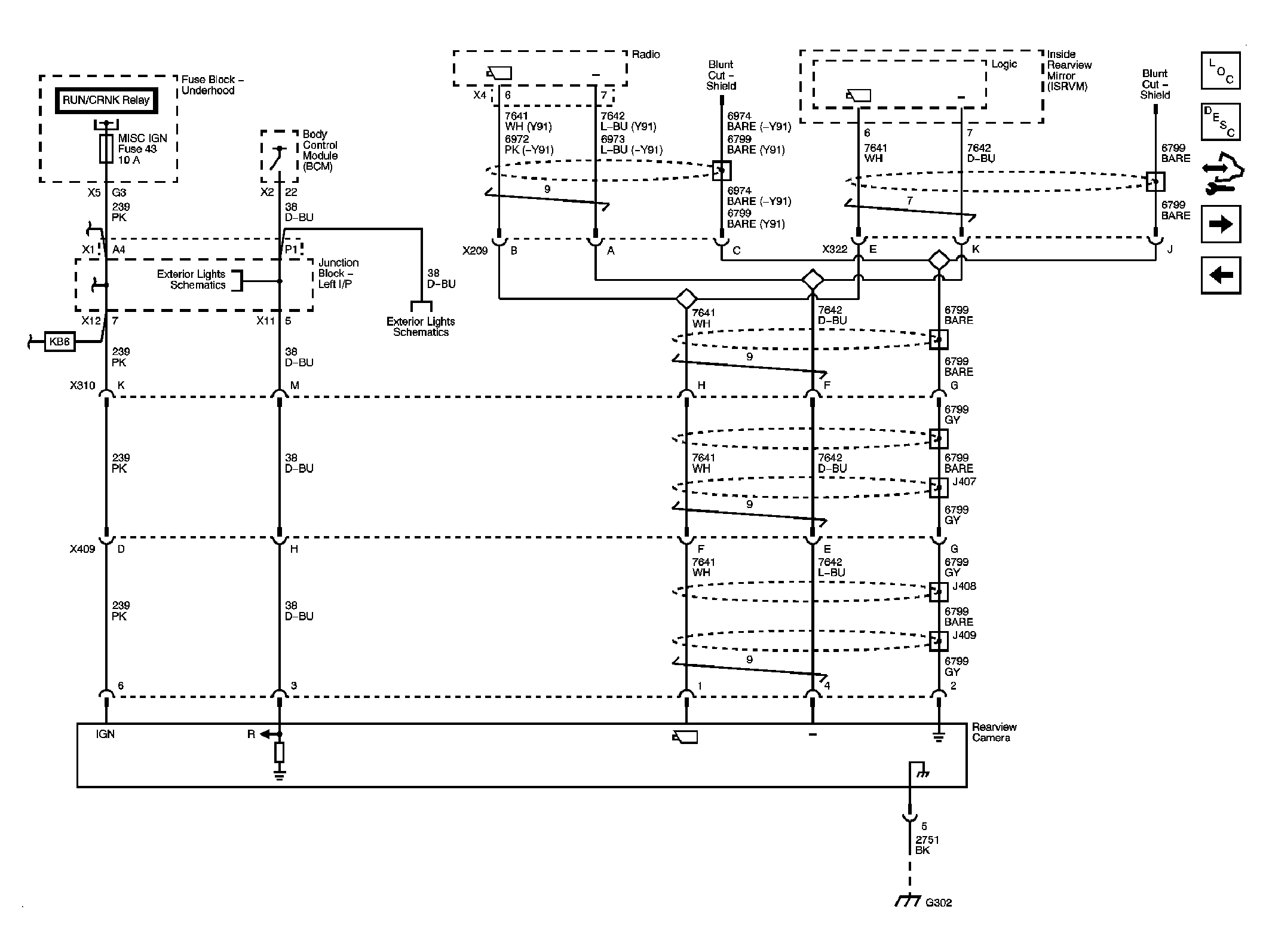
Fig 3: Rear Video Camera - 1 of 2 (UVC)
GM2075500Courtesy of GENERAL MOTORS CORP.
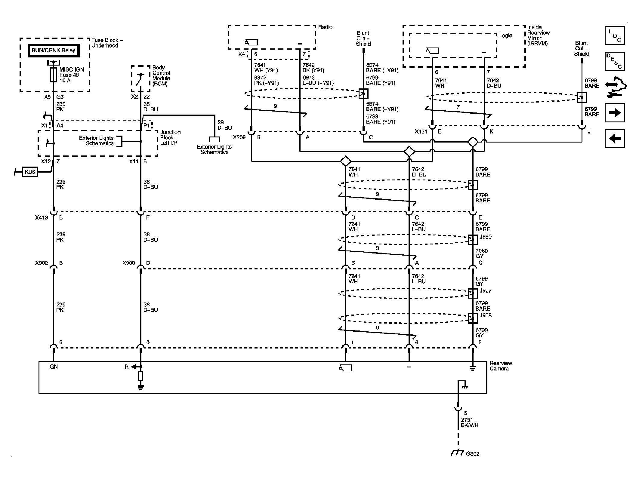
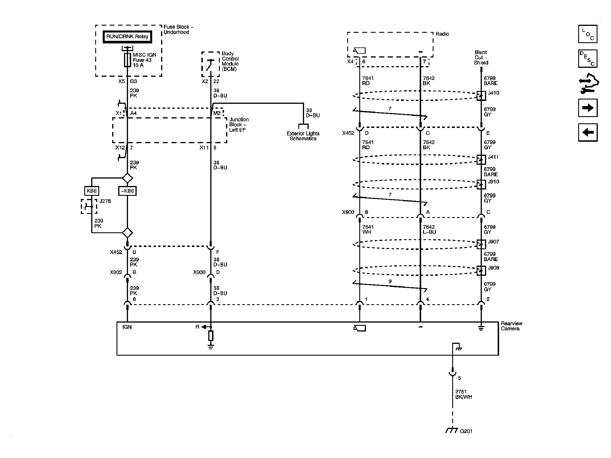
Fig 4: Rear Video Camera 2 of 2 (UVC)
GM2075503Courtesy of GENERAL MOTORS CORP.
Fig 5: SPO Accessory Rear Vision Camera
GM2156148Courtesy of GENERAL MOTORS CORP.
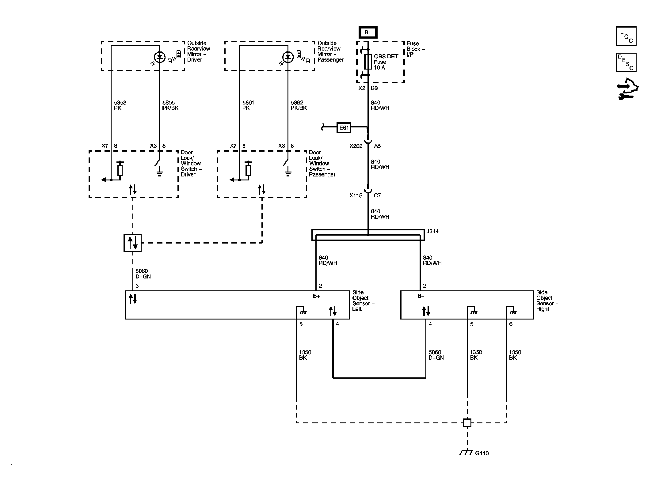
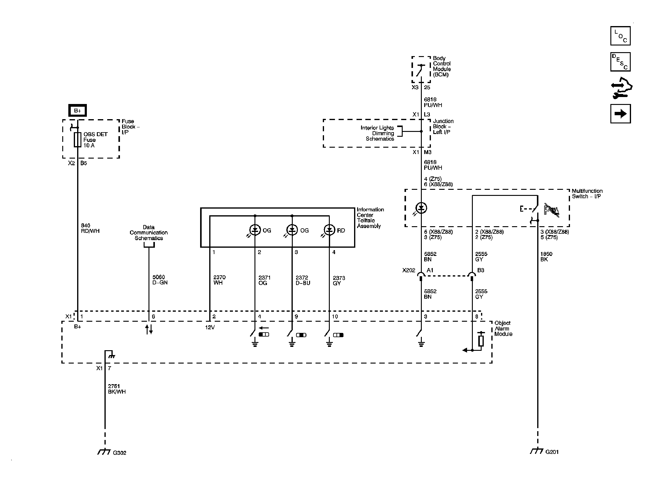
Fig 6: Side Object Detection - UFT
GM2097067Courtesy of GENERAL MOTORS CORP.