LEMON Manuals: Even more car manuals for everyone: 1960-2025
Home >> Cadillac >> 2009 >> Escalade EXT >> Repair and Diagnosis (Single Page) >> Body & Frame >> Ignition Switch/Steering Lock >> Wiring Systems And Power Management - Introduction >> Schematic and Routing Diagrams >> Power Moding Schematics
April 5, 2026: LEMON Manuals is launched! Read the announcement.

Power Moding Schematics

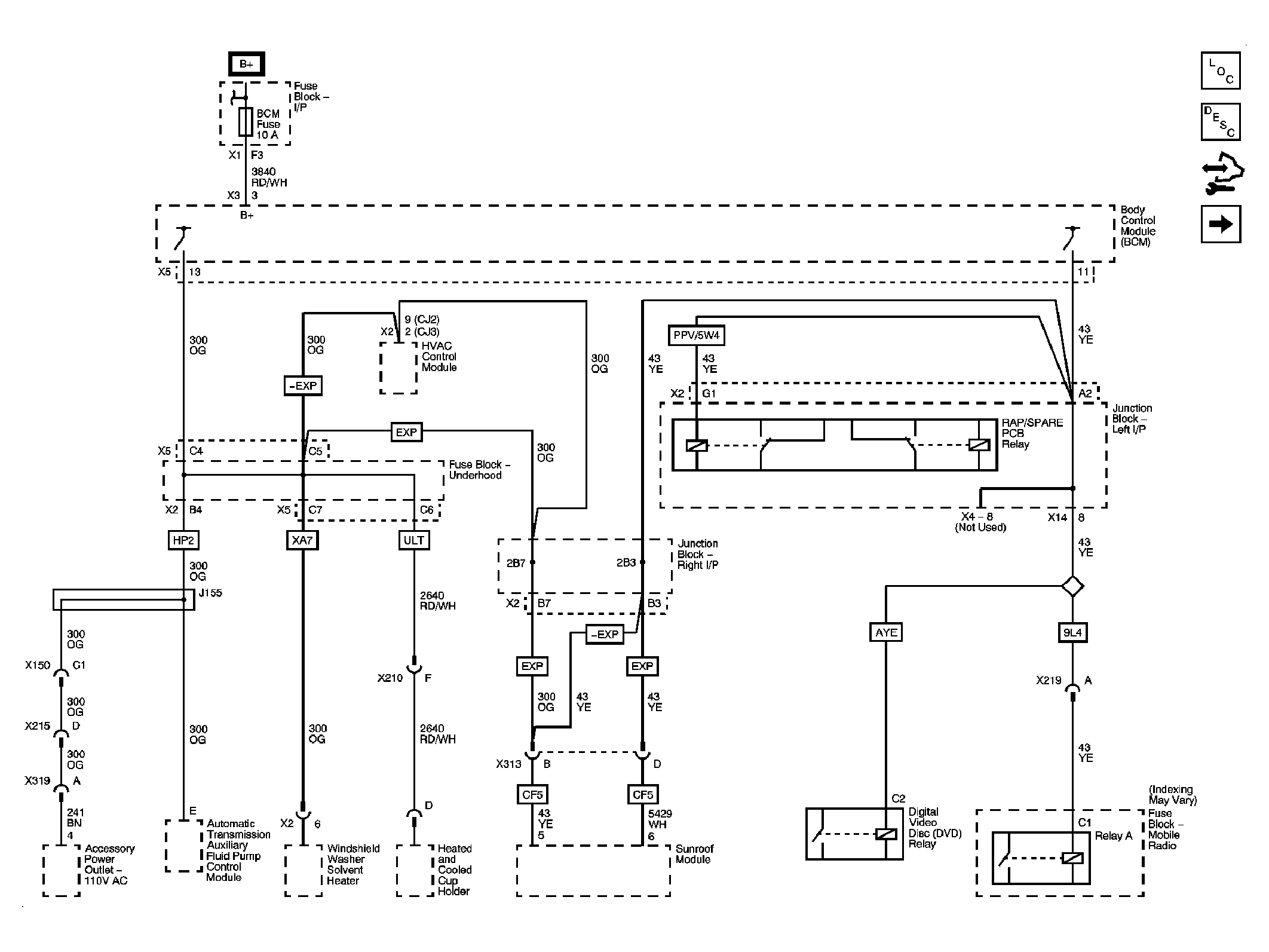
Fig 1: Ignition 3 and Accessory Voltage
GM2075728Courtesy of GENERAL MOTORS CORP.
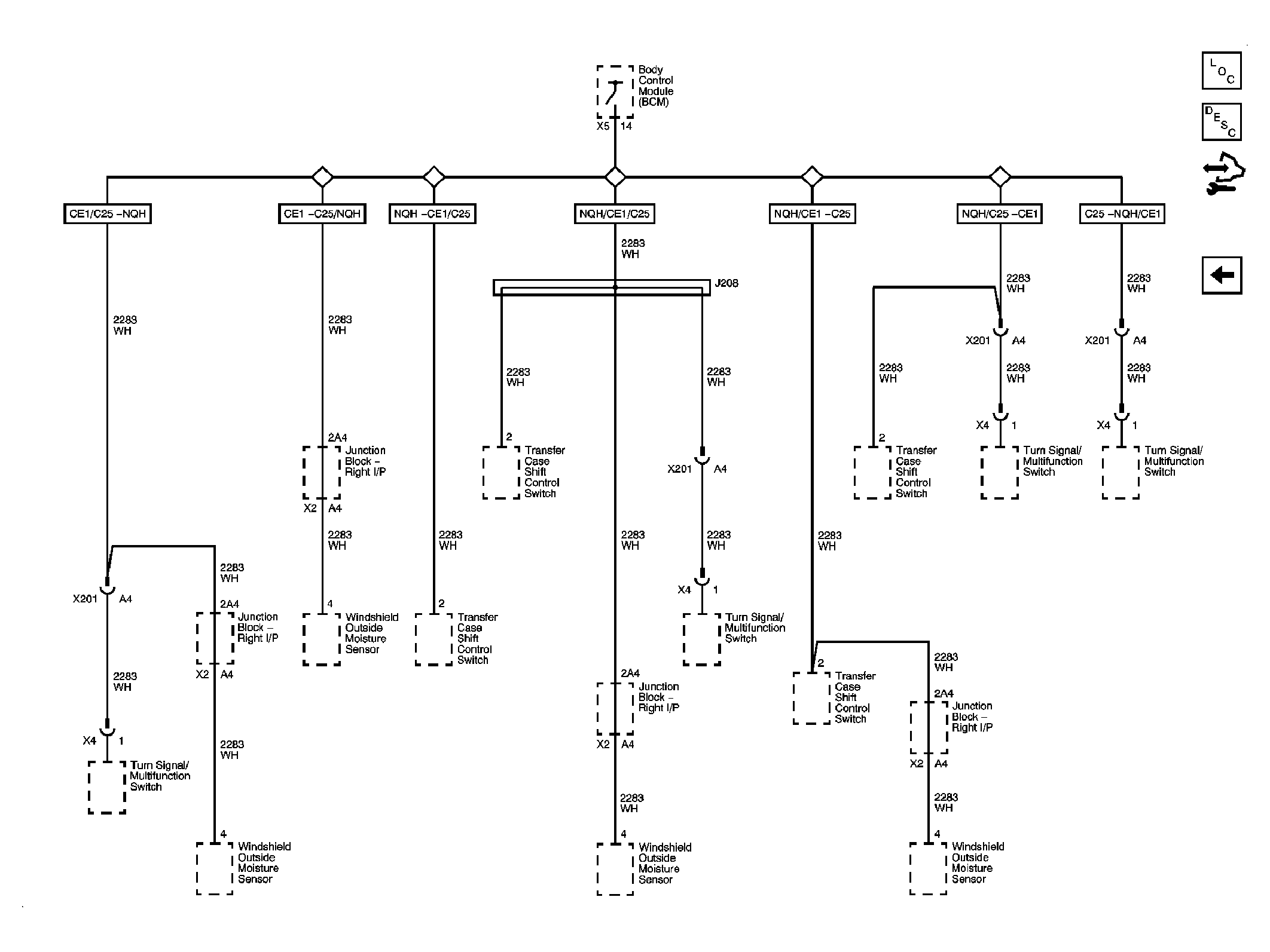
Fig 2: Ignition 2/3 Voltage
GM2155214Courtesy of GENERAL MOTORS CORP.
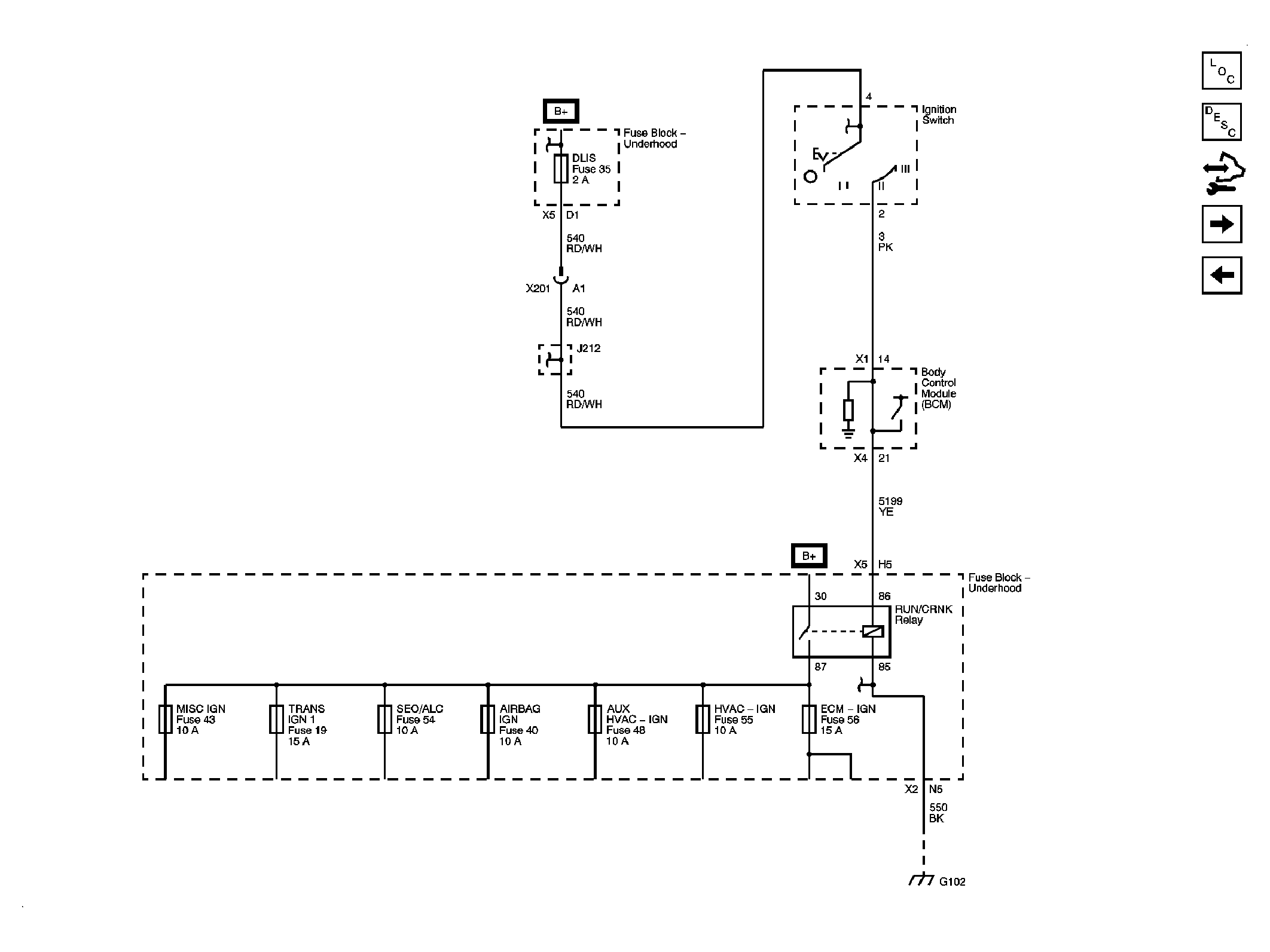
Fig 3: Ignition 1 Voltage
GM2075730Courtesy of GENERAL MOTORS CORP.