LEMON Manuals: Even more car manuals for everyone: 1960-2025
Home >> Cadillac >> 2009 >> Escalade EXT >> Repair and Diagnosis (Single Page) >> Engine Performance >> System >> Engine Control System & Fuel - 4.8L, 5.3L, 6.0L Or 6.2L - Introduction >> Schematic and Routing Diagrams >> Engine Controls Schematics
April 5, 2026: LEMON Manuals is launched! Read the announcement.

Engine Controls Schematics

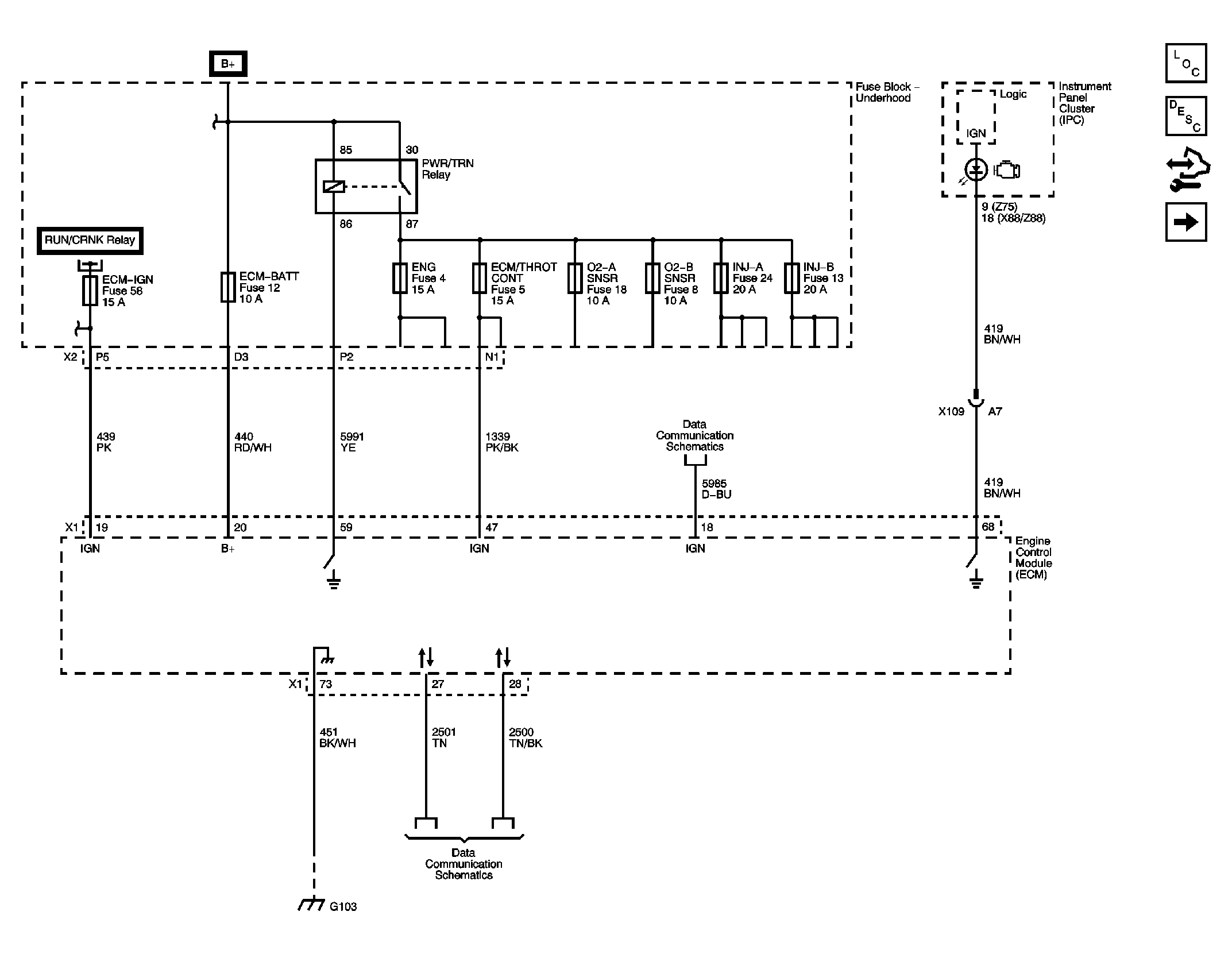
Fig 1: Module Power, Ground, Serial Data, and MIL
GM2074716Courtesy of GENERAL MOTORS CORP.
Fig 2: Engine Data Sensors - 5-Volt and Low Reference
GM2074718Courtesy of GENERAL MOTORS CORP.
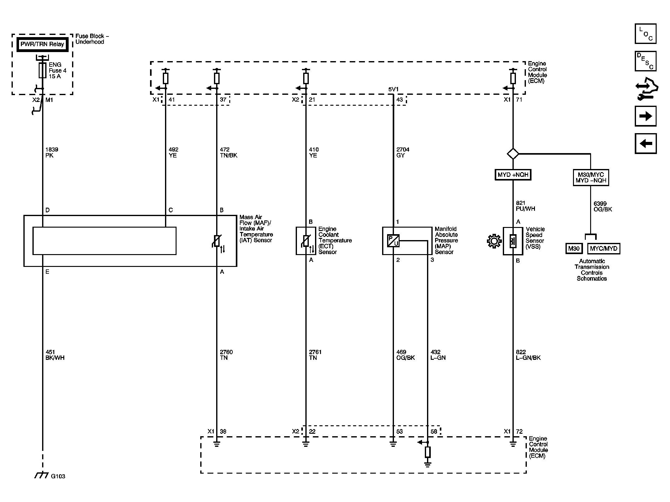
Fig 3: Engine Data Sensors - Pressure and Temperature
GM2074720Courtesy of GENERAL MOTORS CORP.
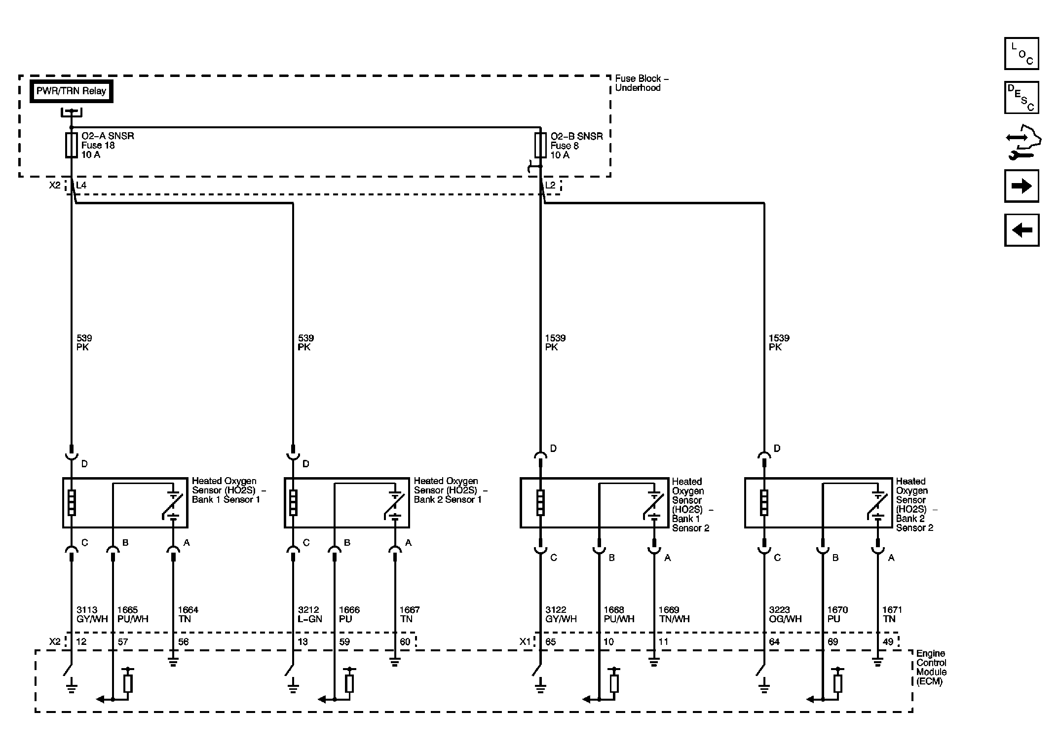
Fig 4: Engine Data Sensors - Oxygen Sensors
GM2074722Courtesy of GENERAL MOTORS CORP.
Fig 5: Engine Data Sensors - Throttle Controls
GM2074725Courtesy of GENERAL MOTORS CORP.
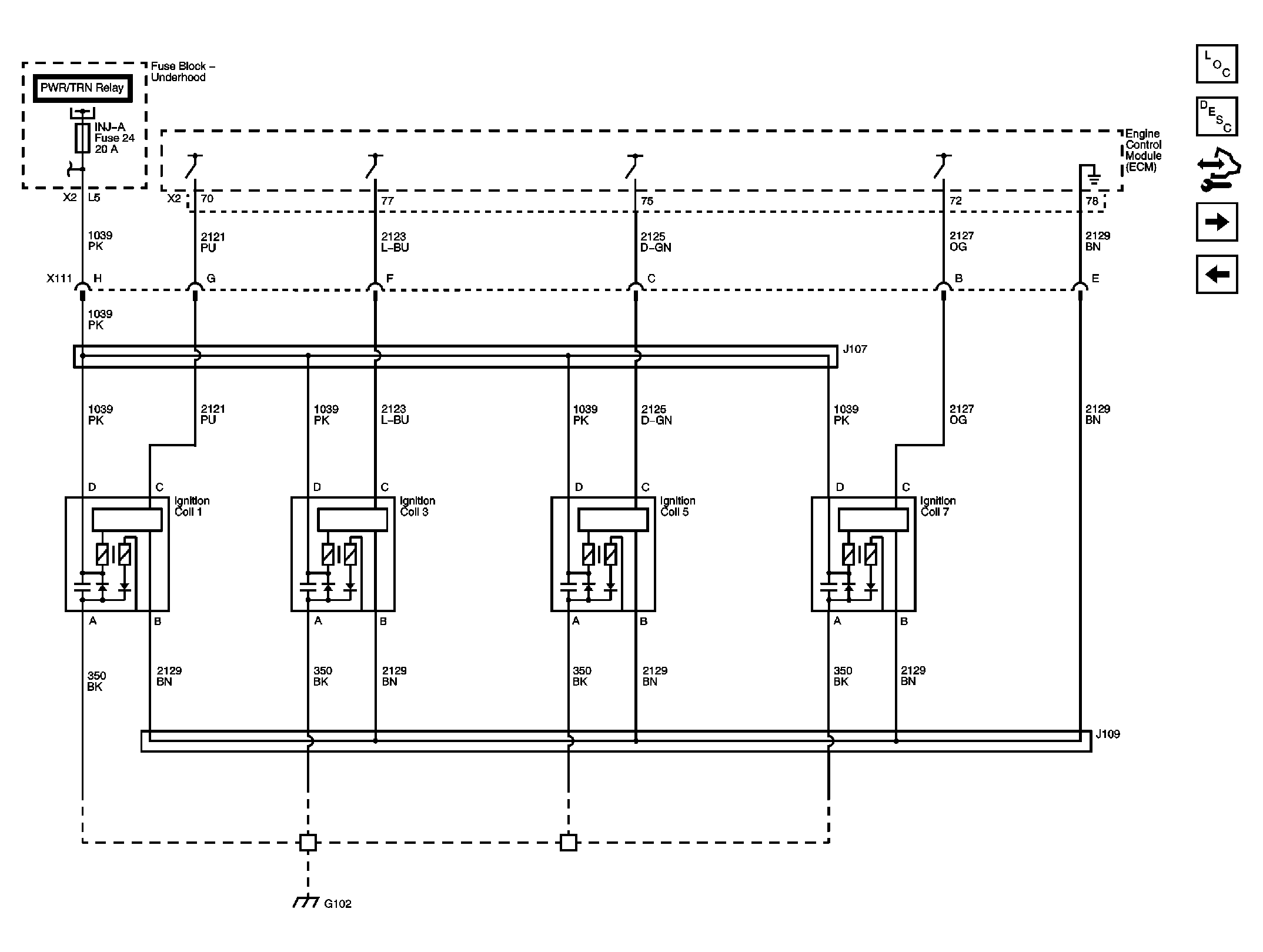
Fig 6: Ignition Controls - Ignition System Coils 1, 3, 5, and 7
GM2074918Courtesy of GENERAL MOTORS CORP.
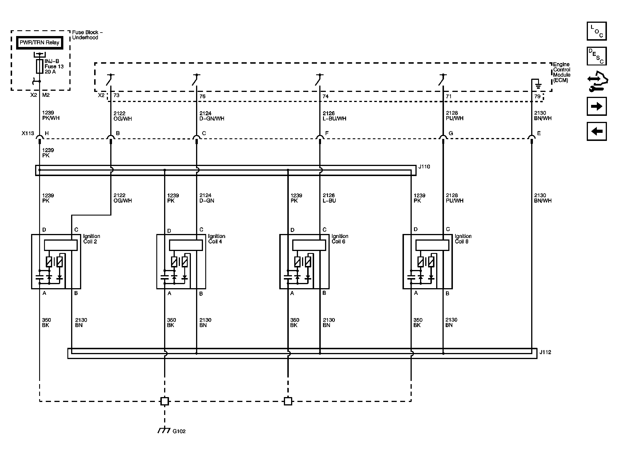
Fig 7: Ignition Controls - Ignition System Coils 2, 4, 6, and 8
GM2074920Courtesy of GENERAL MOTORS CORP.
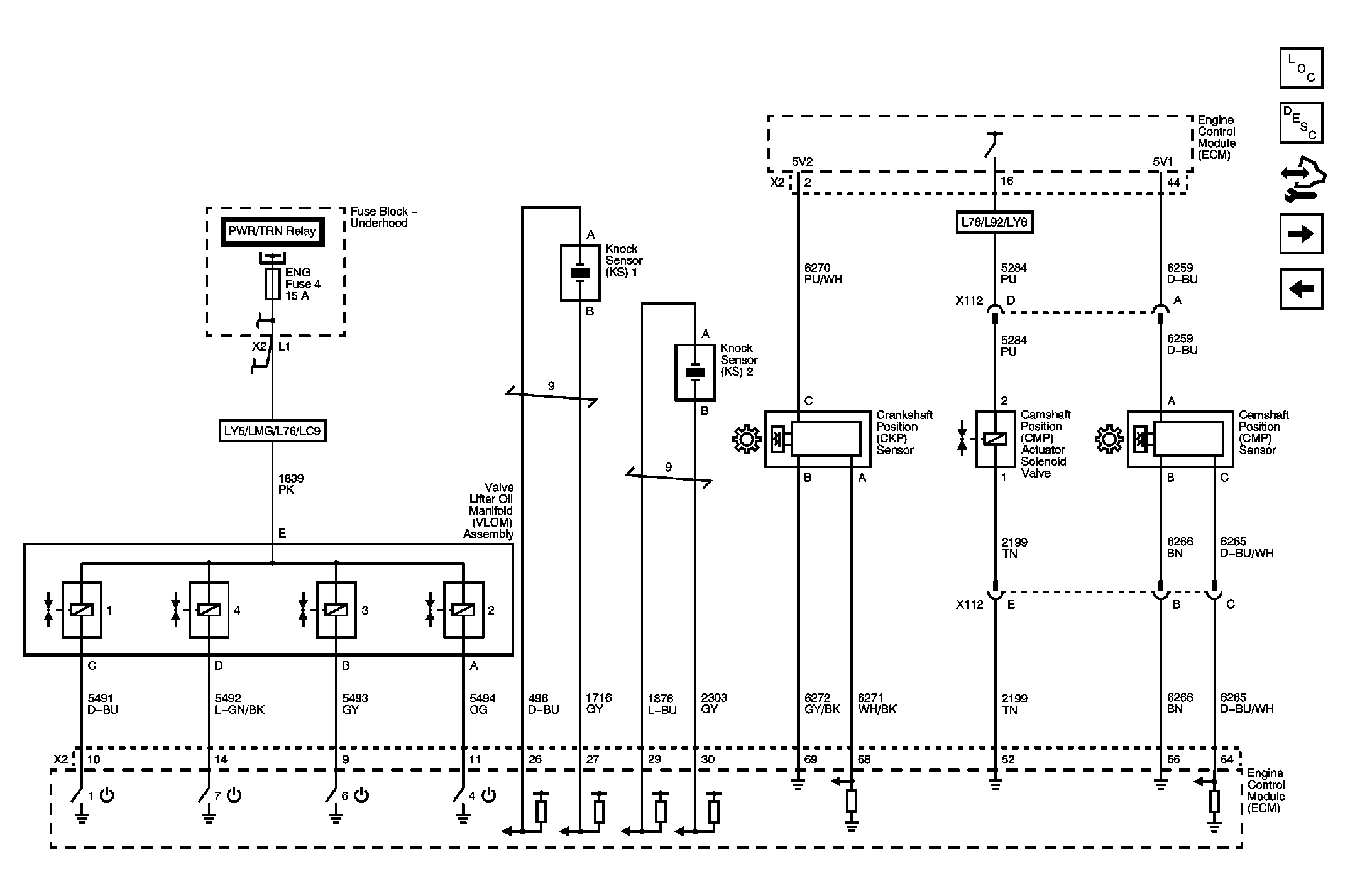
Fig 8: Ignition Controls - Sensors and Active Fuel Management (AFM) Controls
GM2074925Courtesy of GENERAL MOTORS CORP.
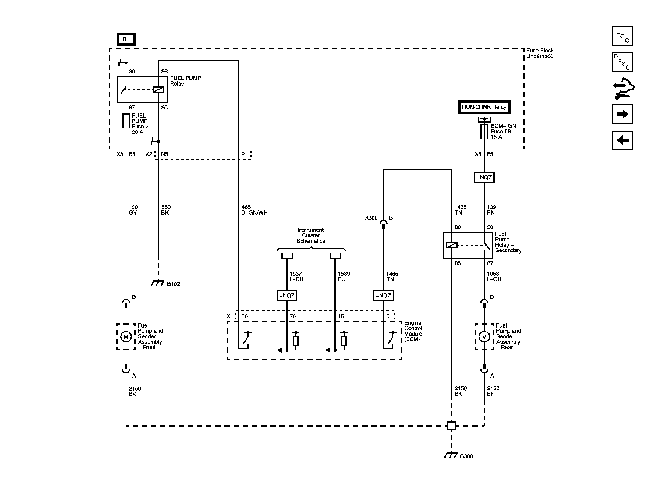
Fig 9: Fuel Controls - Fuel Pump Controls (LY6)
GM2074929Courtesy of GENERAL MOTORS CORP.
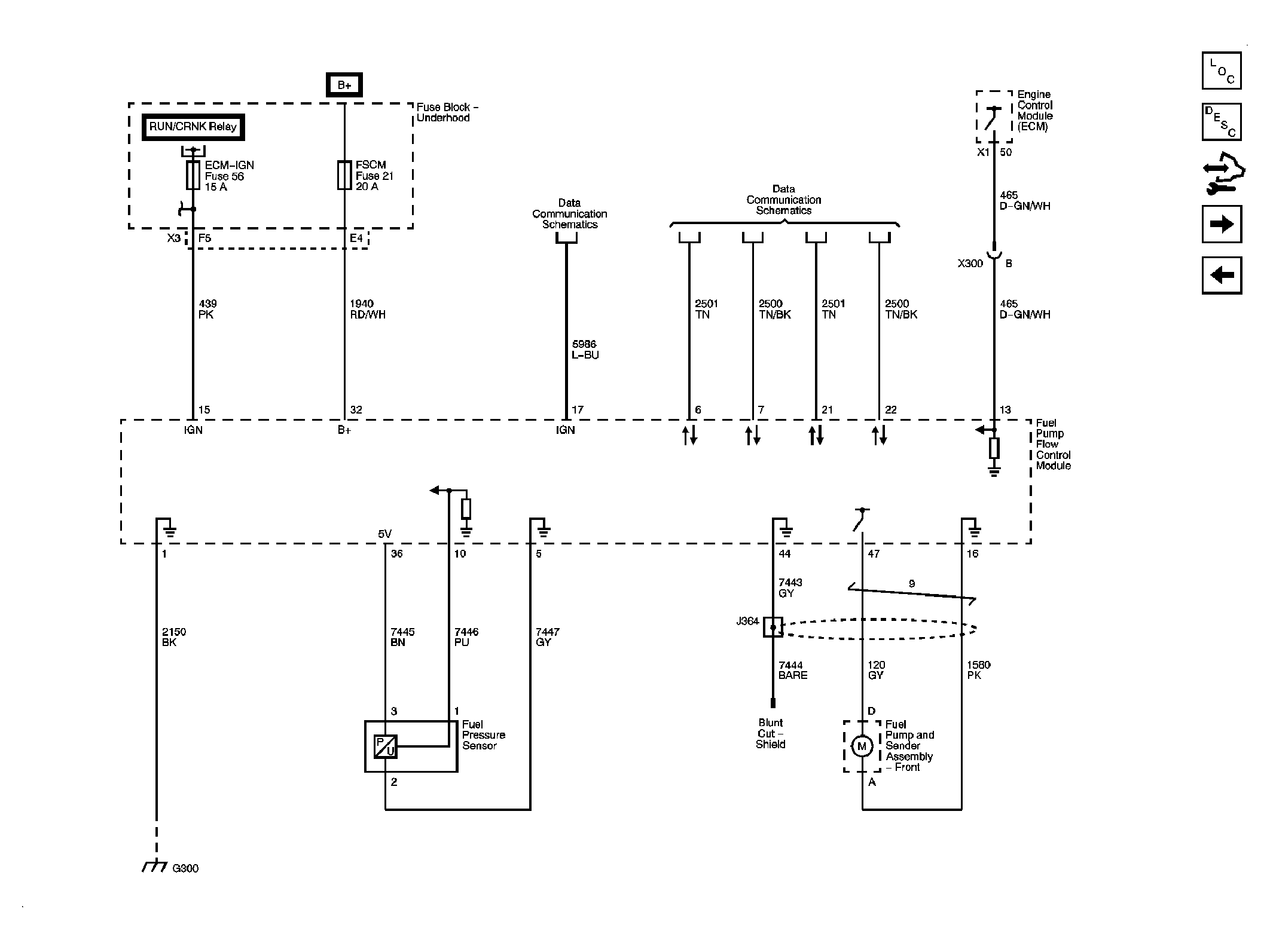
Fig 10: Fuel Pump Flow Control Module (except LY6)
GM2074933Courtesy of GENERAL MOTORS CORP.
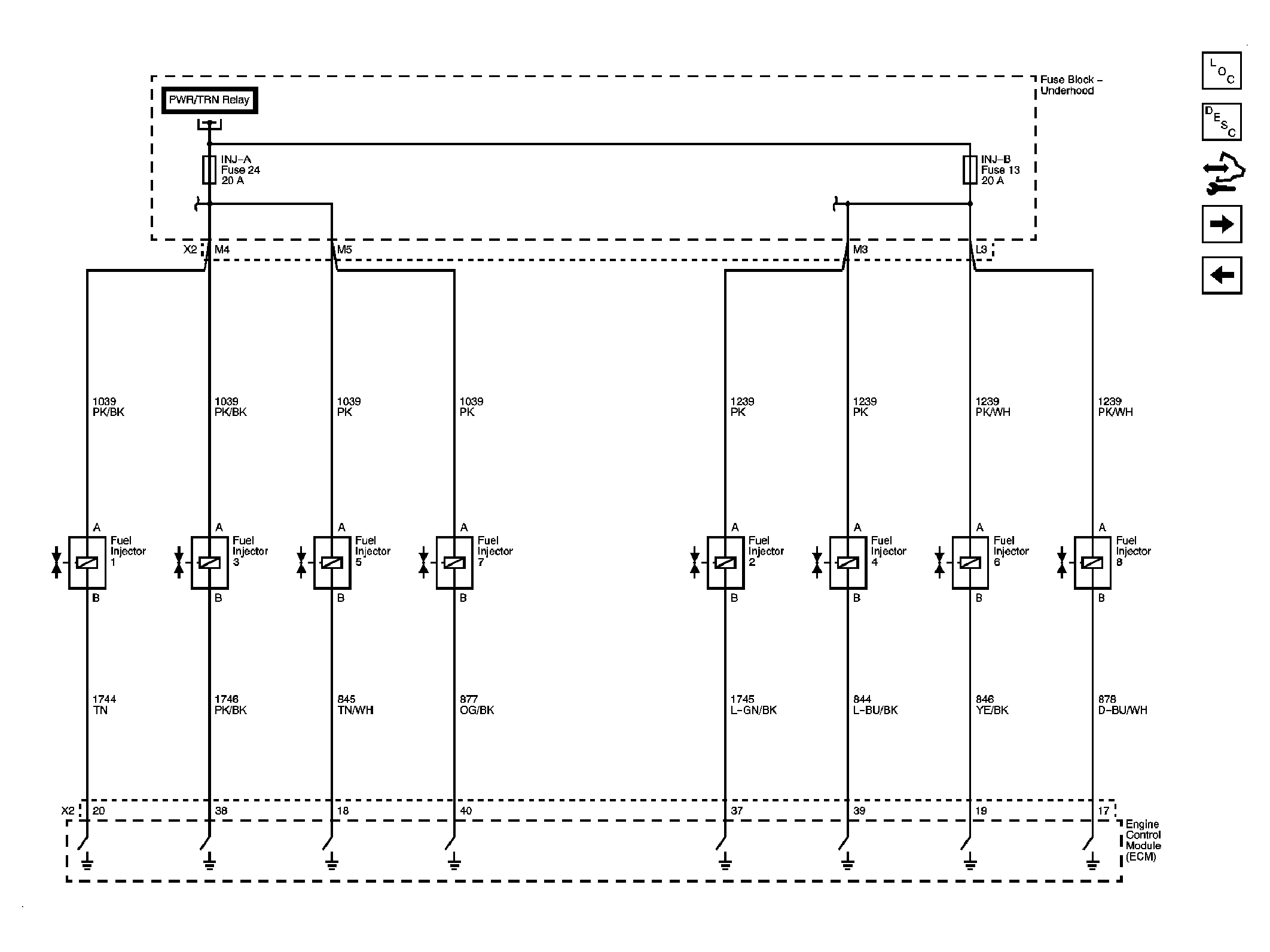
Fig 11: Fuel Controls - Fuel Injectors
GM2074937Courtesy of GENERAL MOTORS CORP.
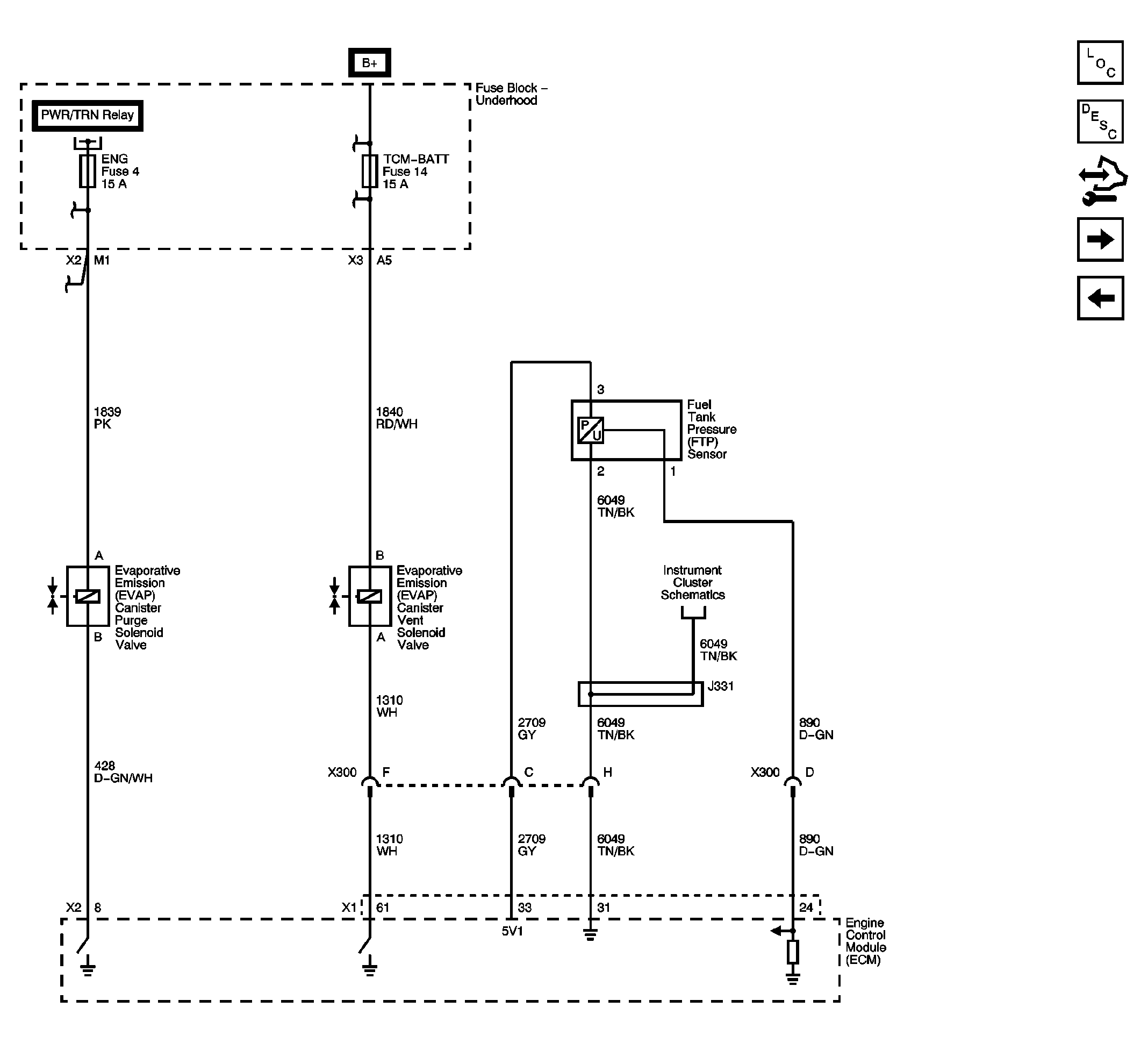
Fig 12: Fuel Controls - EVAP Controls
GM2074939Courtesy of GENERAL MOTORS CORP.
Fig 13: Controlled/Monitored Subsystem References
GM2074951Courtesy of GENERAL MOTORS CORP.