LEMON Manuals: Even more car manuals for everyone: 1960-2025
Home >> Cadillac >> 2009 >> Escalade EXT >> Repair and Diagnosis >> Accessories & Equipment >> Memory Modules >> Adjustable Pedal System >> Schematic and Routing Diagrams >> Adjustable Pedal Schematics
April 5, 2026: LEMON Manuals is launched! Read the announcement.

Adjustable Pedal Schematics

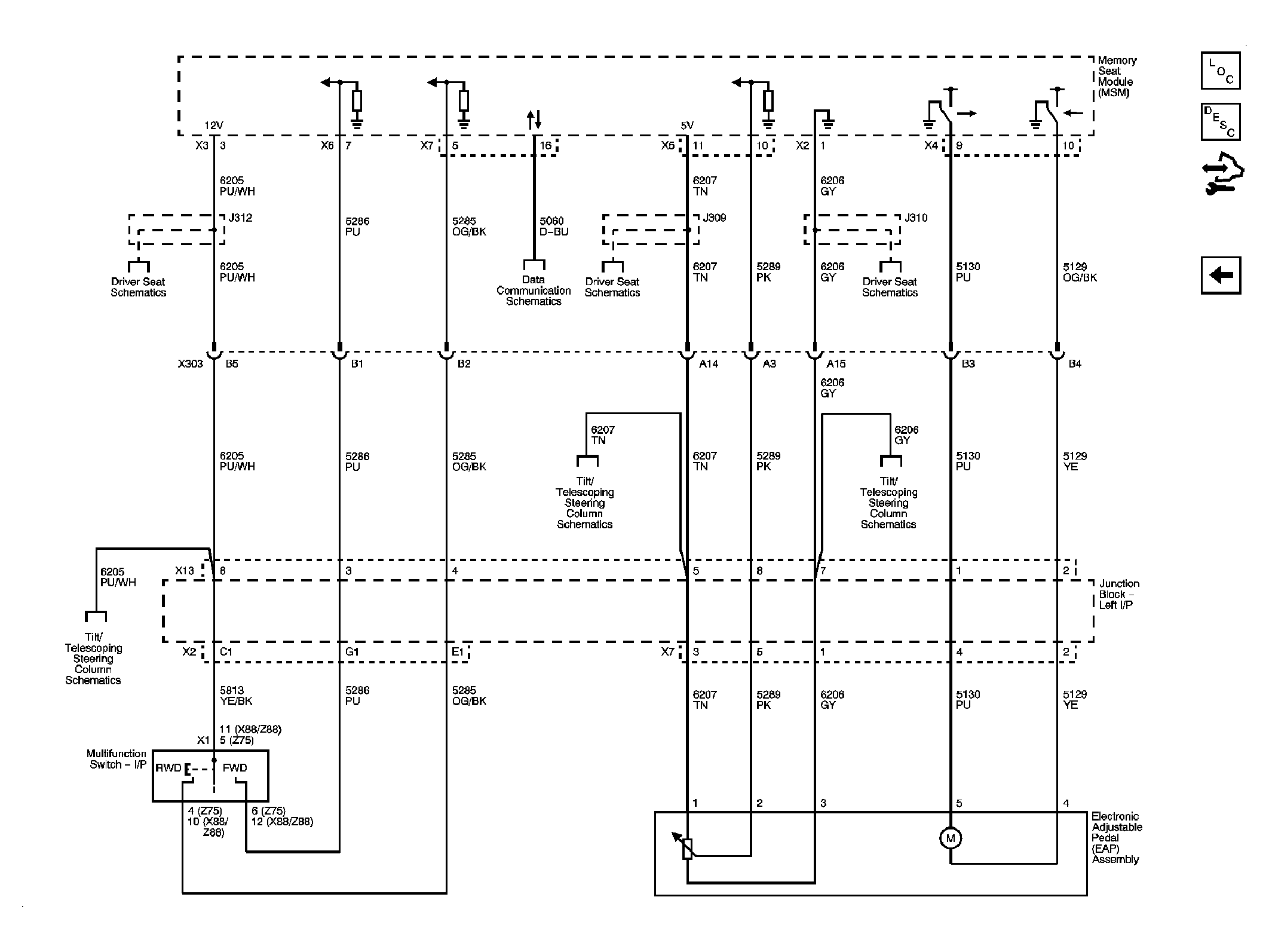
Fig 1: Adjustable Pedal Schematic Except AN3
GM1907205Courtesy of GENERAL MOTORS CORP.
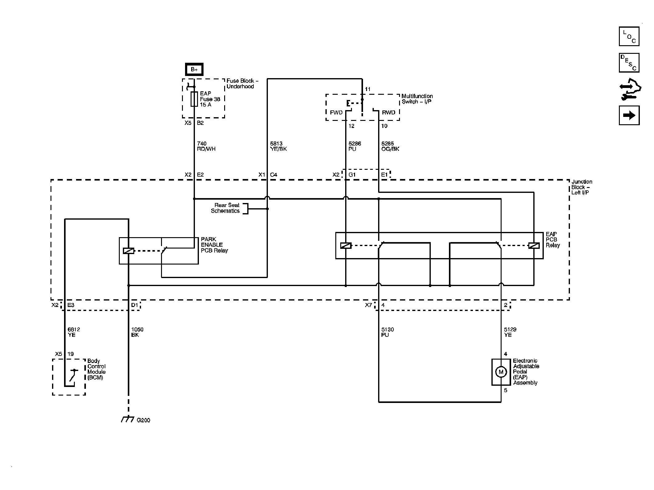
Fig 2: AN3
GM2075227Courtesy of GENERAL MOTORS CORP.