LEMON Manuals: Even more car manuals for everyone: 1960-2025
Home >> Cadillac >> 2009 >> Escalade EXT >> Repair and Diagnosis >> Body & Frame >> Ignition Switch/Steering Lock >> Wiring Systems And Power Management - Introduction >> Schematic and Routing Diagrams >> Ground Distribution Schematics
April 5, 2026: LEMON Manuals is launched! Read the announcement.

Ground Distribution Schematics

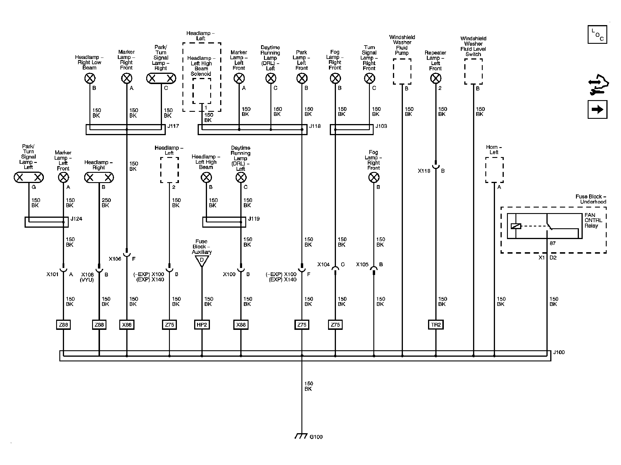
Fig 1: G100
GM2074617Courtesy of GENERAL MOTORS CORP.
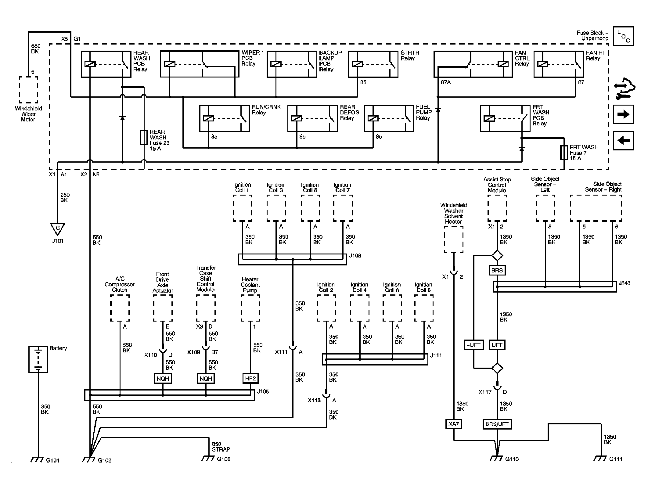
Fig 2: G101
GM2074619Courtesy of GENERAL MOTORS CORP.
Fig 3: G102, G104 and G108
GM2074622Courtesy of GENERAL MOTORS CORP.
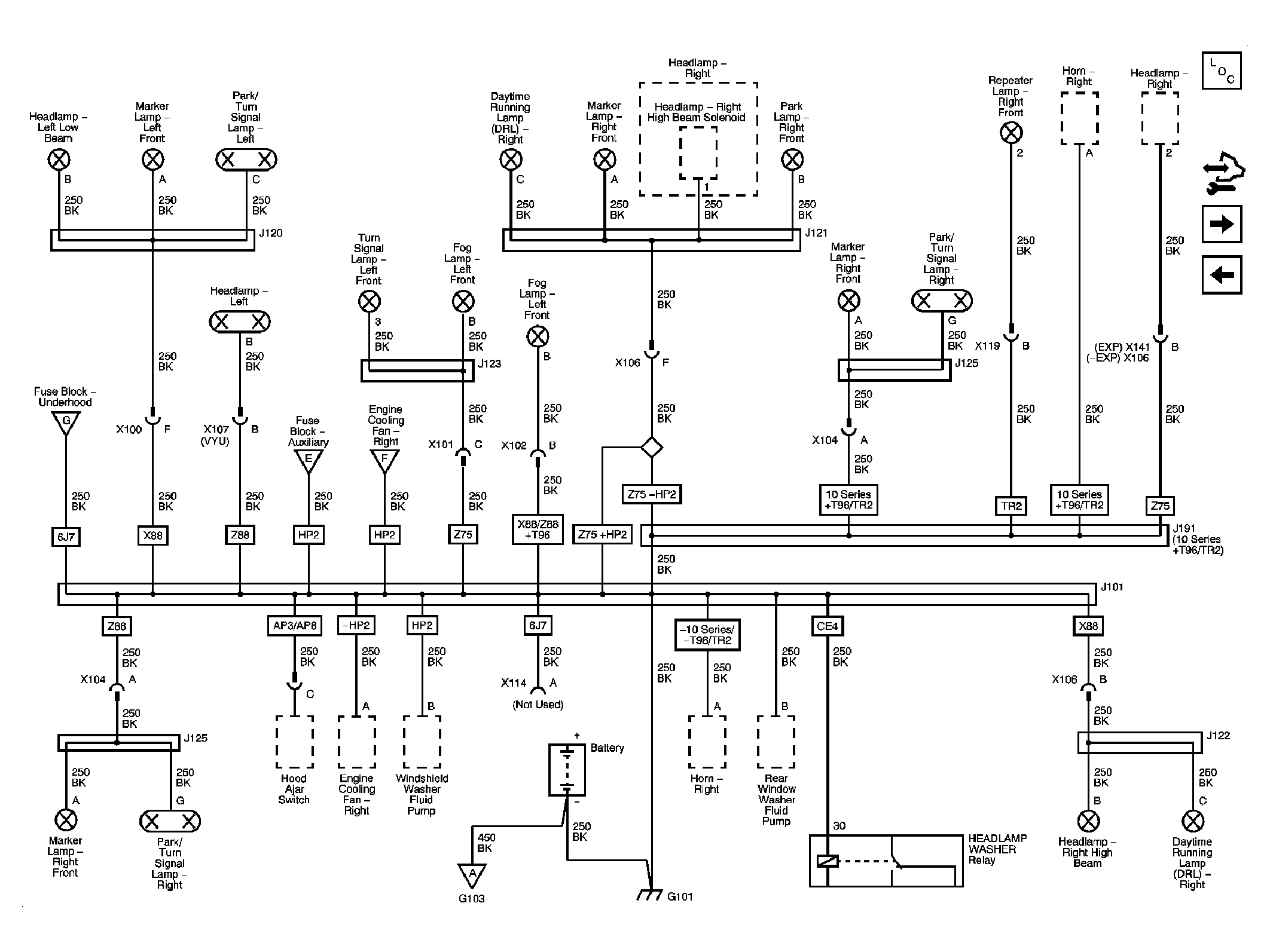
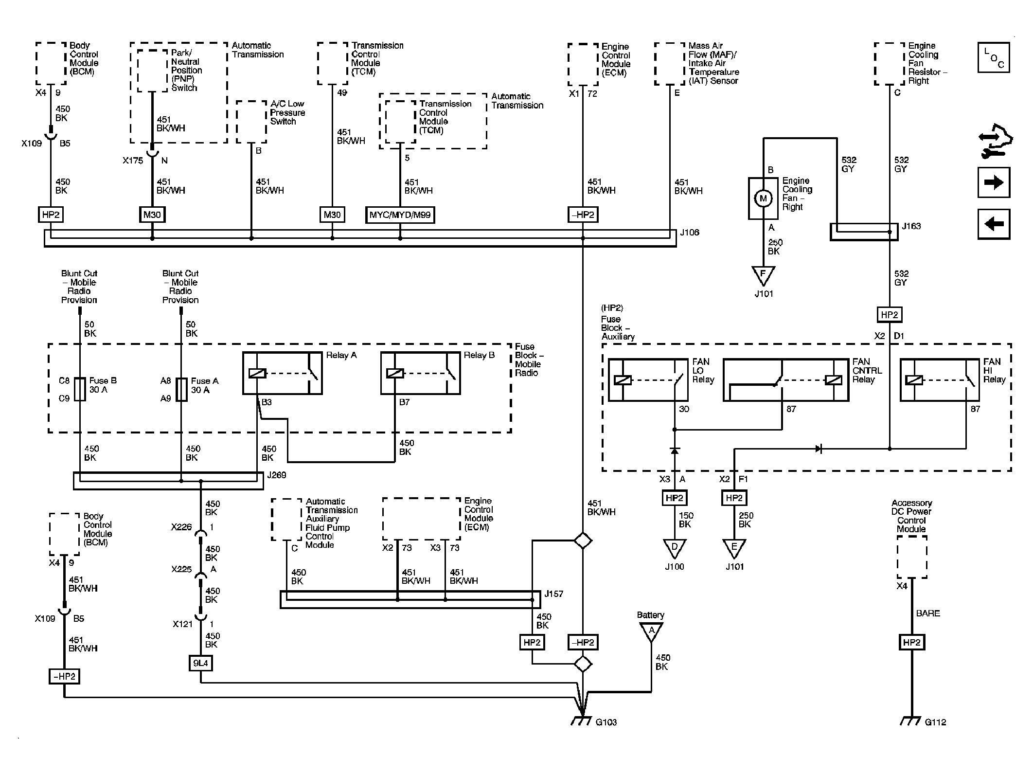
Fig 4: G103, G110, and G111
GM2074624Courtesy of GENERAL MOTORS CORP.
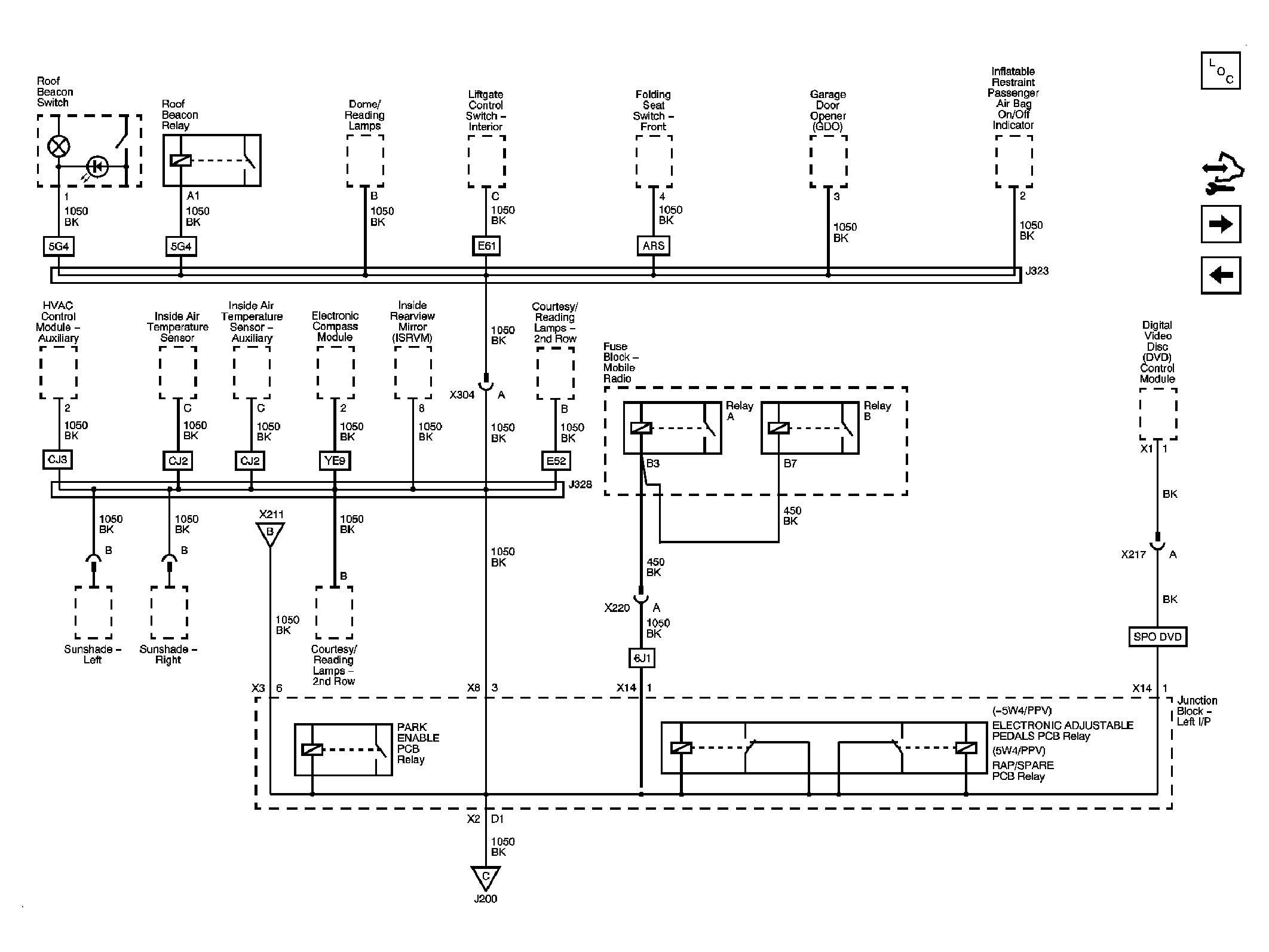
Fig 5: G200 - 1 of 2
GM2074628Courtesy of GENERAL MOTORS CORP.
Fig 6: G200 - 2 of 2
GM2074632Courtesy of GENERAL MOTORS CORP.
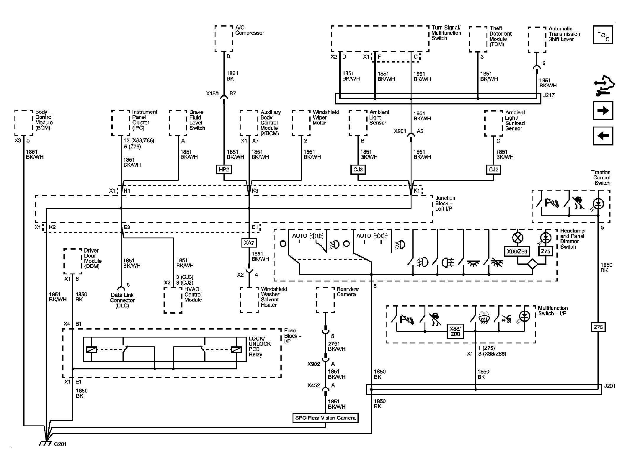
Fig 7: G201
GM2074635Courtesy of GENERAL MOTORS CORP.
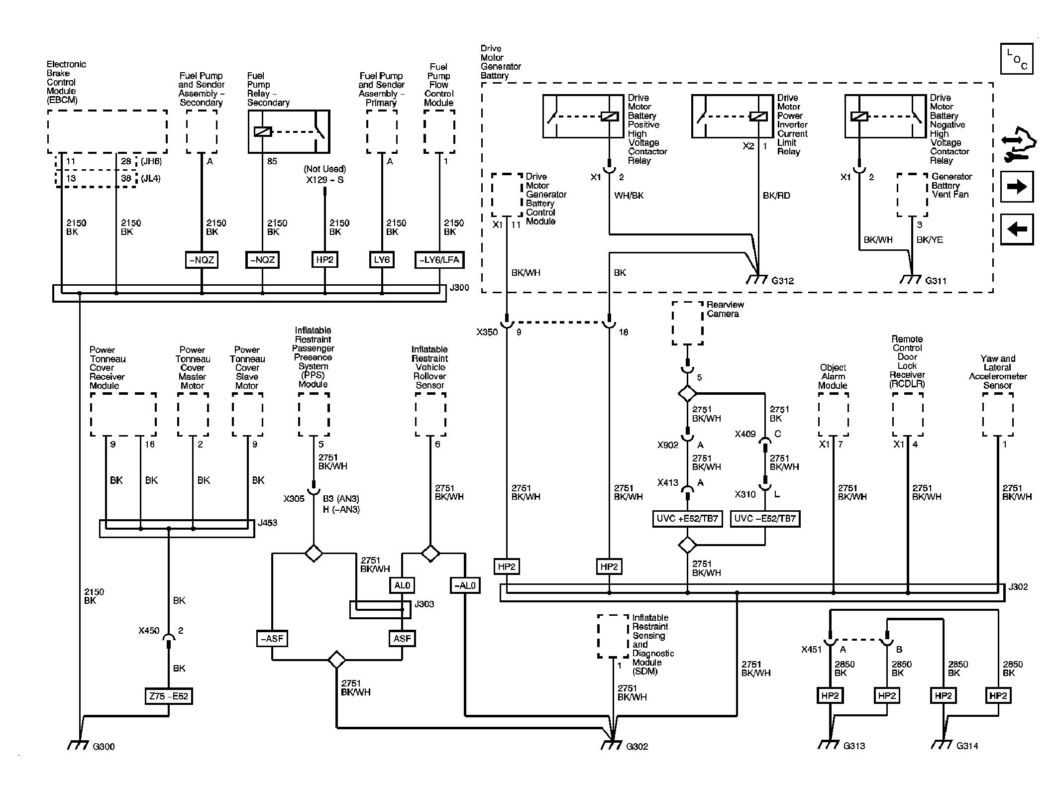
Fig 8: G300, G302, G311, G312, G313 (HP2) and G314 (HP2)
GM2074639Courtesy of GENERAL MOTORS CORP.
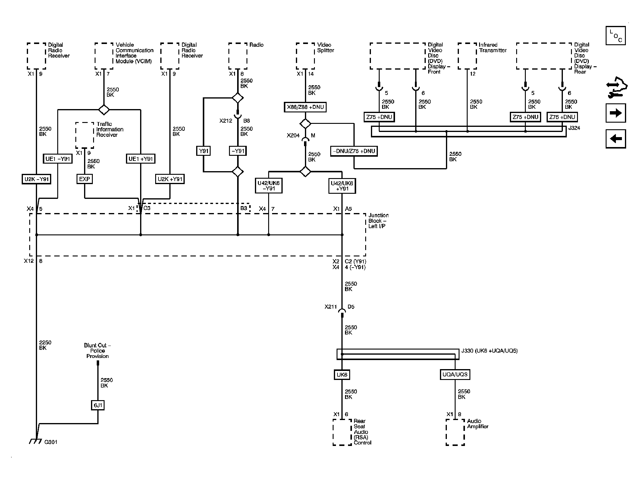
Fig 9: G301
GM2074643Courtesy of GENERAL MOTORS CORP.
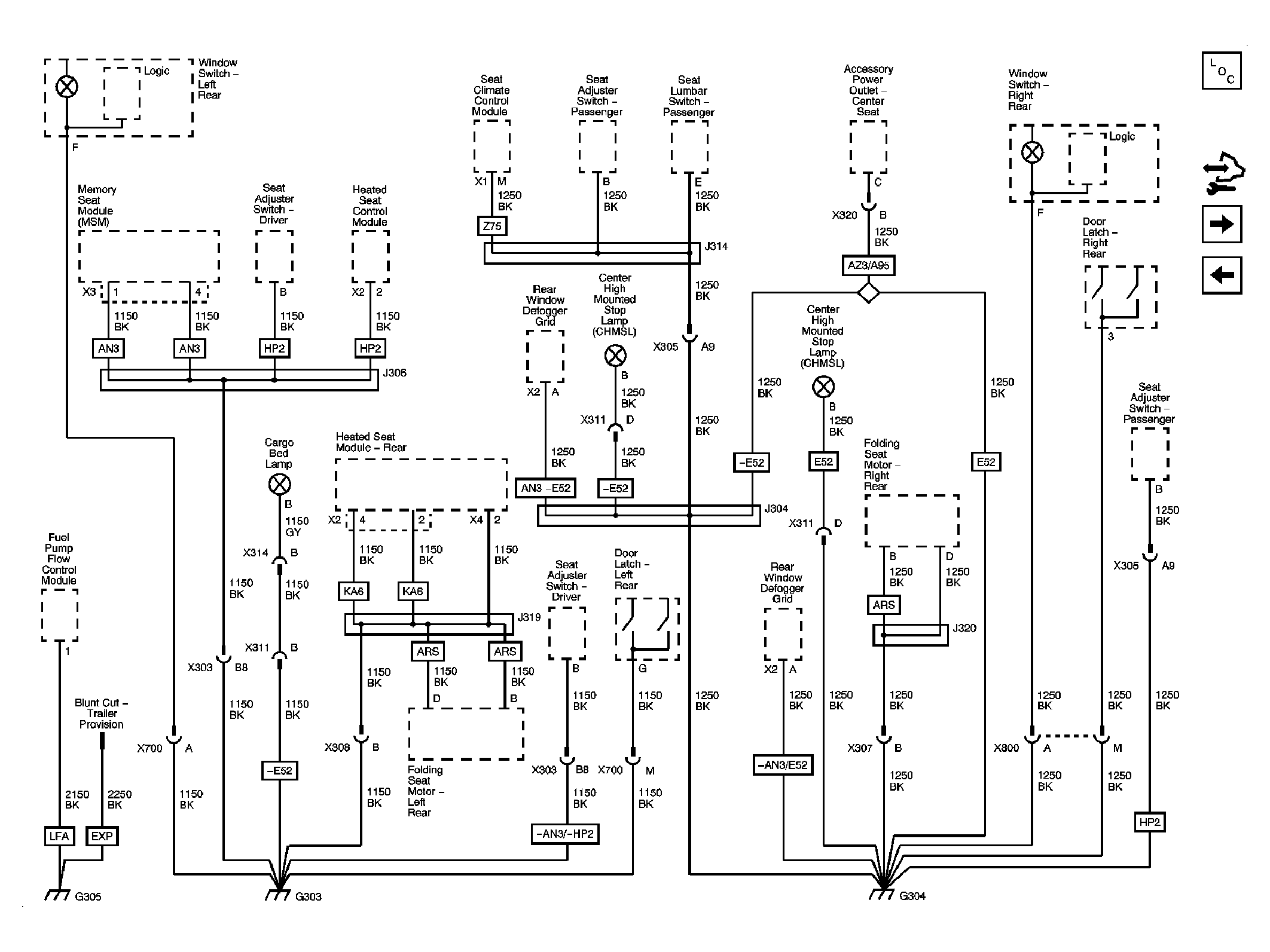
Fig 10: G303, G304, and G305
GM2074650Courtesy of GENERAL MOTORS CORP.
Fig 11: G400
GM2074652Courtesy of GENERAL MOTORS CORP.
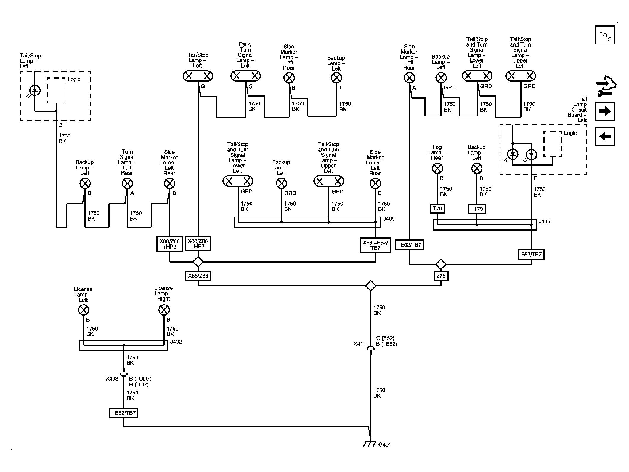
Fig 12: G401
GM2074654Courtesy of GENERAL MOTORS CORP.
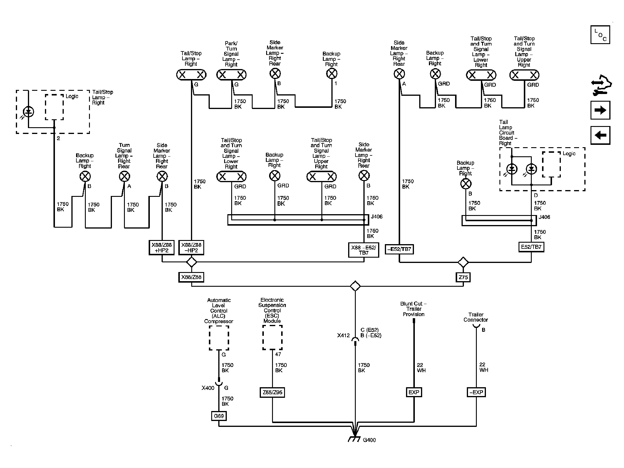
Fig 13: G402 - E52
GM2074656Courtesy of GENERAL MOTORS CORP.