LEMON Manuals: Even more car manuals for everyone: 1960-2025
Home >> Cadillac >> 2009 >> Escalade EXT >> Repair and Diagnosis >> Body & Frame >> Ignition Switch/Steering Lock >> Wiring Systems And Power Management - Introduction >> Schematic and Routing Diagrams >> Power Distribution Schematics
April 5, 2026: LEMON Manuals is launched! Read the announcement.

Power Distribution Schematics

Fig 1: B+ Bus - 1 of 3
GM2074487Courtesy of GENERAL MOTORS CORP.
Fig 2: B+ Bus - 2 of 3
GM2074489Courtesy of GENERAL MOTORS CORP.
Fig 3: B+ Bus - 3 of 3
GM2074491Courtesy of GENERAL MOTORS CORP.
Fig 4: AUX PWR, AUX PWR 2, LBEC 1, PDM, and REAR WPR Fuses
GM2074493Courtesy of GENERAL MOTORS CORP.
Fig 5: IS LAMPS, LT STOP TRN, OBS DET, REAR SEAT, and STOP LAMPS Fuses and LT DR Circuit Breaker
GM2074497Courtesy of GENERAL MOTORS CORP.
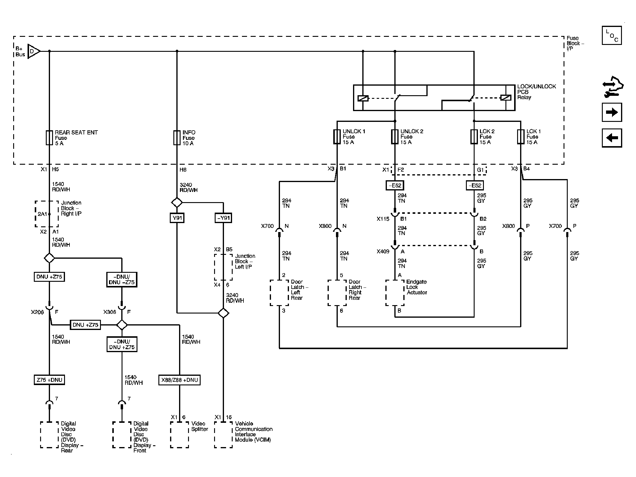
Fig 6: LCK 1, LCK 2, UNLCK 1, UNLCK 2, INFO and REAR SEAT ENT Fuses
GM2074500Courtesy of GENERAL MOTORS CORP.
Fig 7: BCM, COOLED SEATS, CTSY, DDM, DIM, DSM, LBEC 2, MBEC 1, REAR HVAC, and RT STOP TRN Fuses and DRIVER SEAT 2, PASS SEAT 1, and RT DOORS Circuit Breakers
GM2074505Courtesy of GENERAL MOTORS CORP.
Fig 8: ECM-BATT, HEADLAMP WASH, HVAC BATT, IPC, LTR, S/ROOF, and TCM-BATT Fuses
GM2074509Courtesy of GENERAL MOTORS CORP.
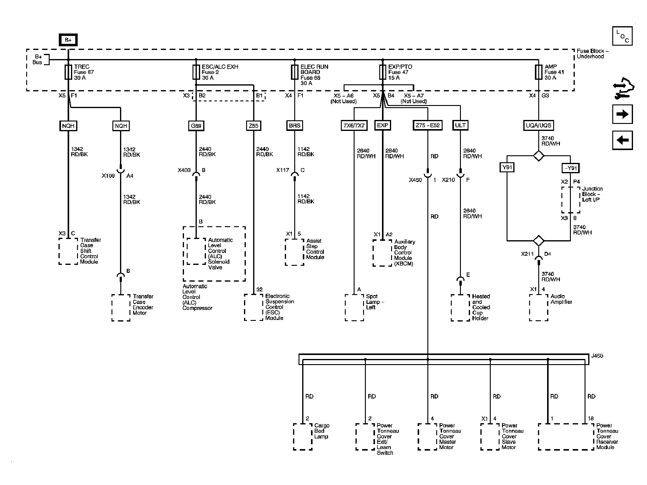
Fig 9: AMP, ELEC RUN BOARD, ESC/ALC EXH, EXP/BRK MDL and TREC Fuses
GM2074513Courtesy of GENERAL MOTORS CORP.
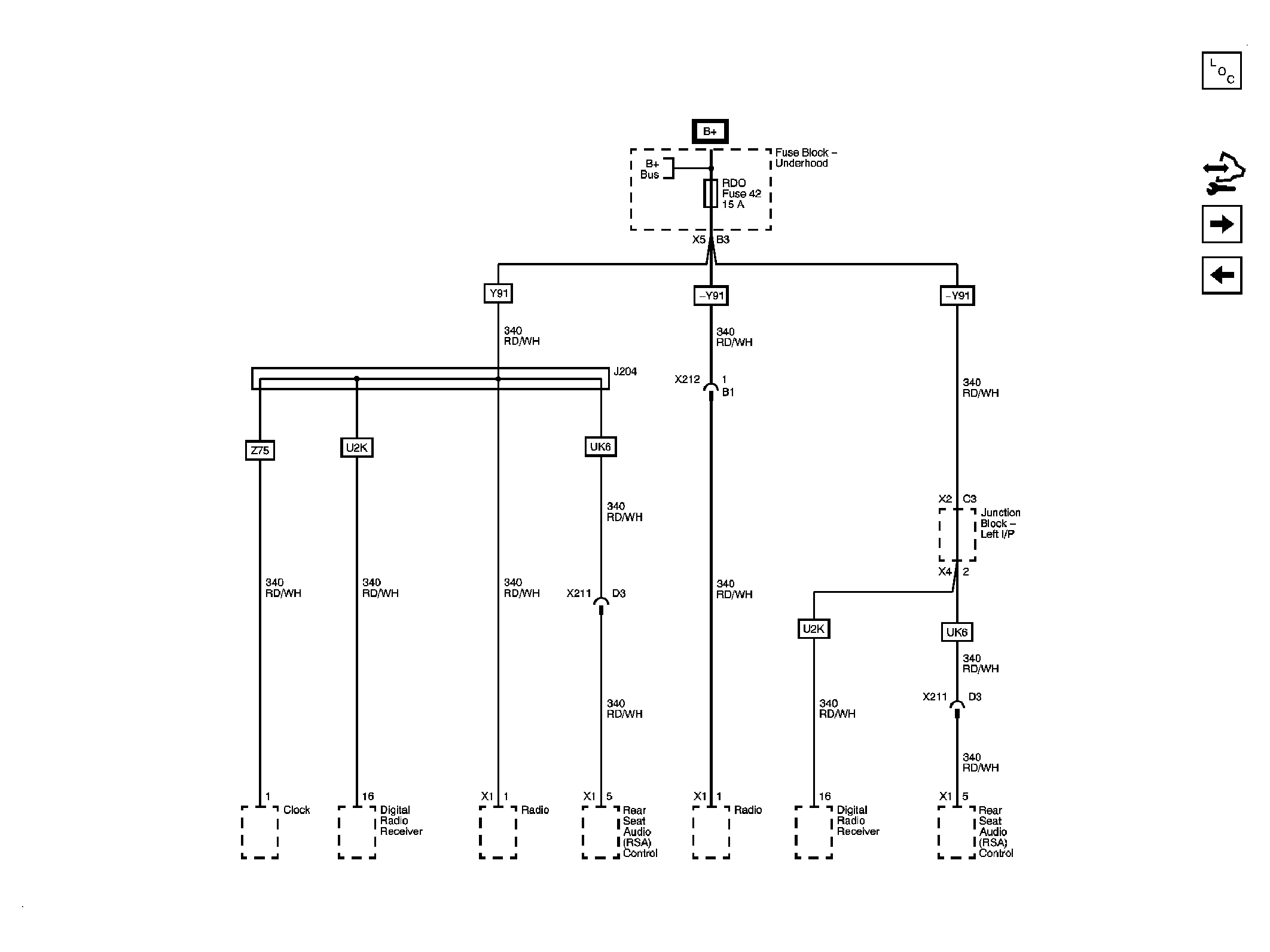
Fig 10: RDO Fuse
GM2074516Courtesy of GENERAL MOTORS CORP.
Fig 11: ABS-1, ABS 2, HEAVY DUTY ABS, HVAC BLWR, STUD 1, STUD 2, and WFHS Fuses
GM2074521Courtesy of GENERAL MOTORS CORP.
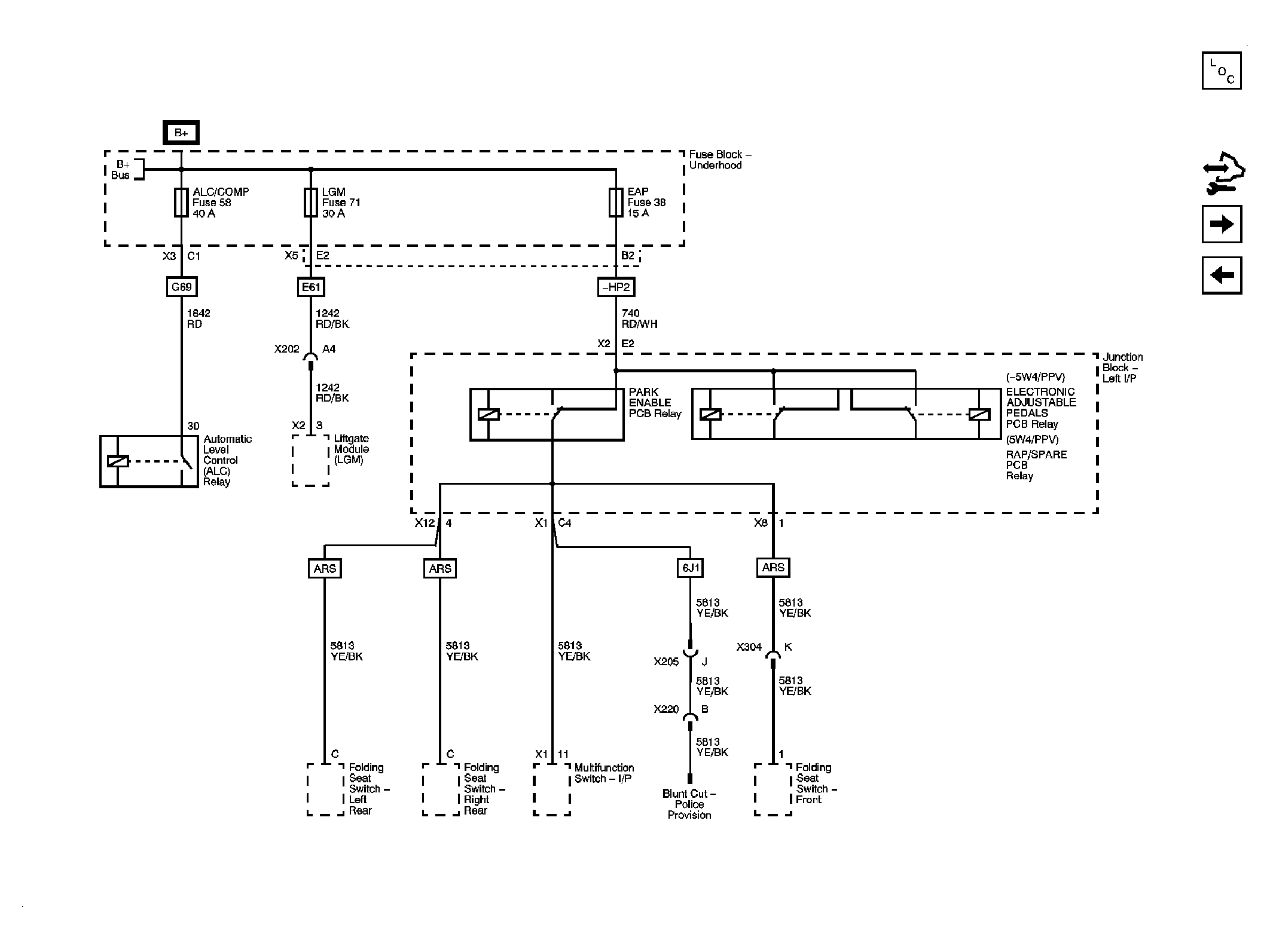
Fig 12: ALC/COMP, EAP, and LGM Fuses
GM2074532Courtesy of GENERAL MOTORS CORP.
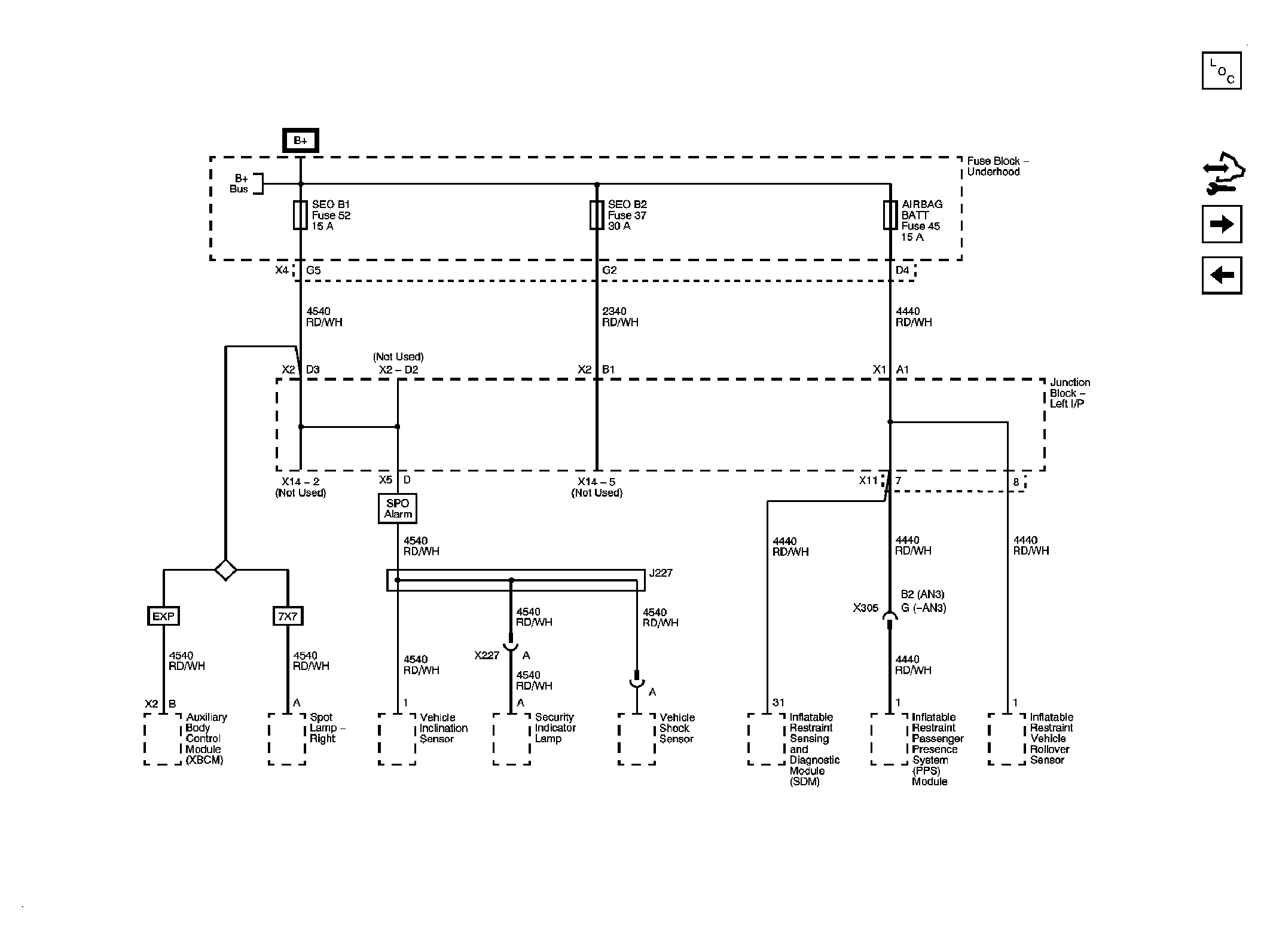
Fig 13: AIRBAG, SEO B1, and SEO B2 Fuses
GM2074536Courtesy of GENERAL MOTORS CORP.
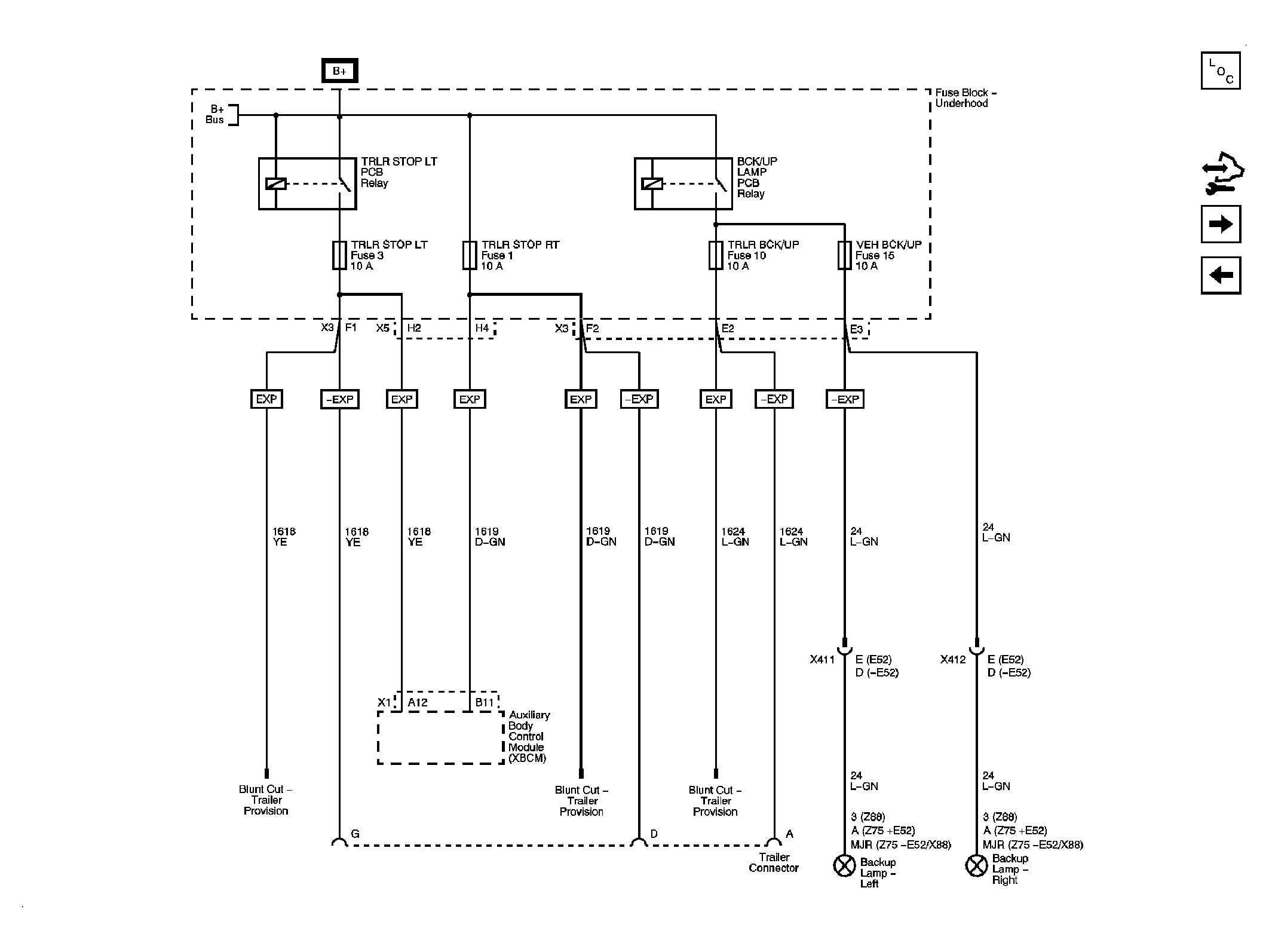
Fig 14: TRLR BCK/UP, TRLR STOP LT, TRAILER STOP RT, and VEH BCK/UP Fuses
GM2074541Courtesy of GENERAL MOTORS CORP.
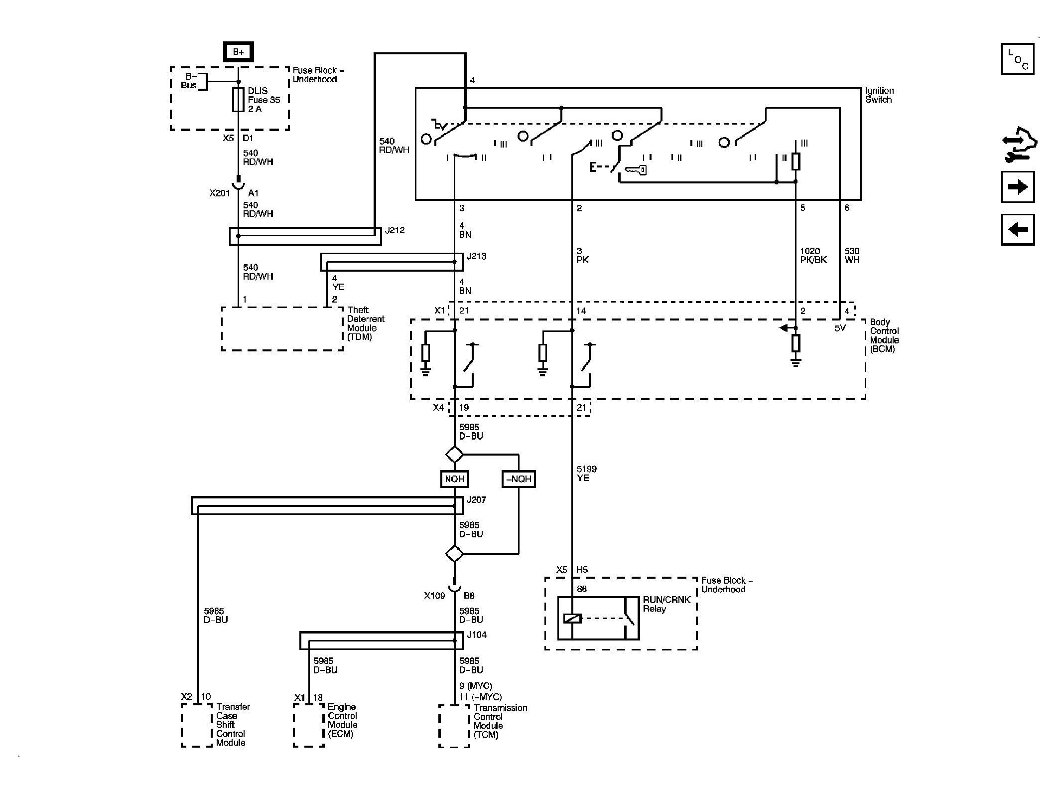
Fig 15: DLIS Fuse and Ignition Switch
GM2074546Courtesy of GENERAL MOTORS CORP.
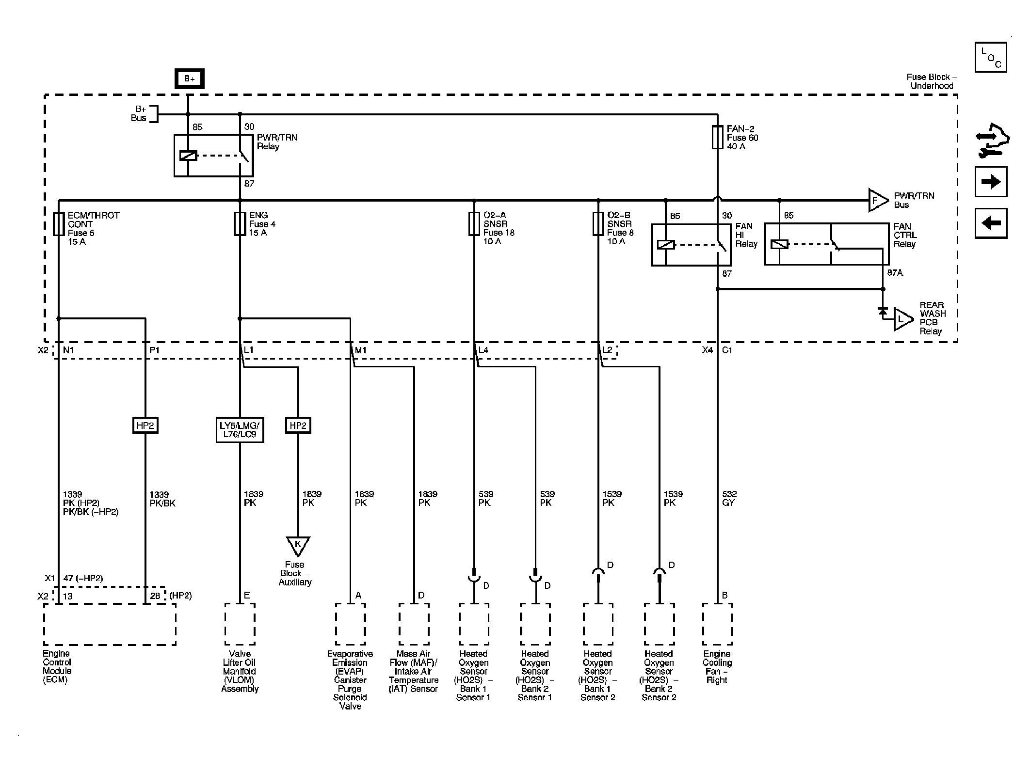
Fig 16: PWR/TRN Bus - ECM/THROT, ENG, O2-A SNSR and O2-B SNSR Fuses
GM2074553Courtesy of GENERAL MOTORS CORP.
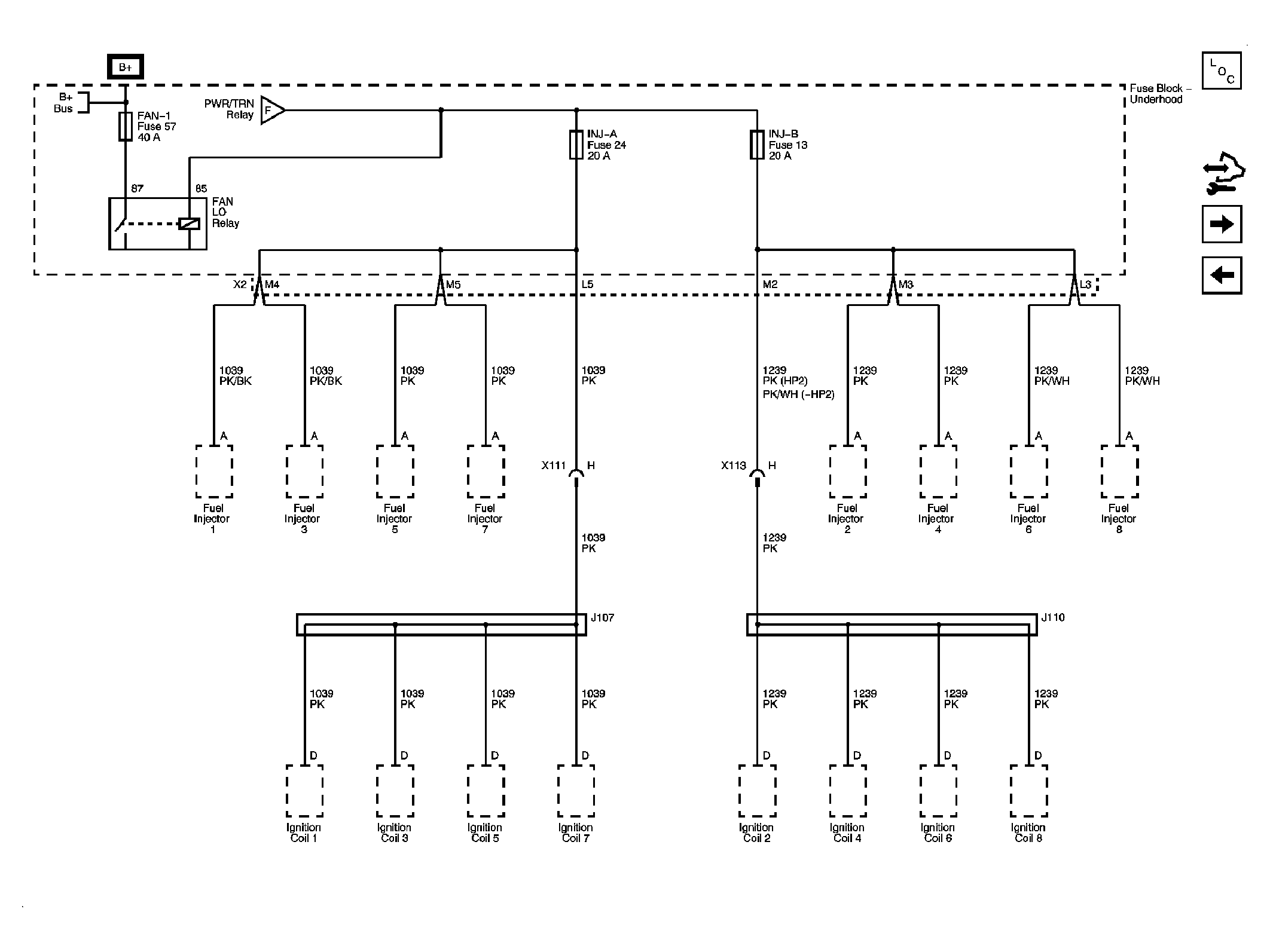
Fig 17: PWR/TRN Bus - INJ-A and INJ-B Fuses
GM2074559Courtesy of GENERAL MOTORS CORP.
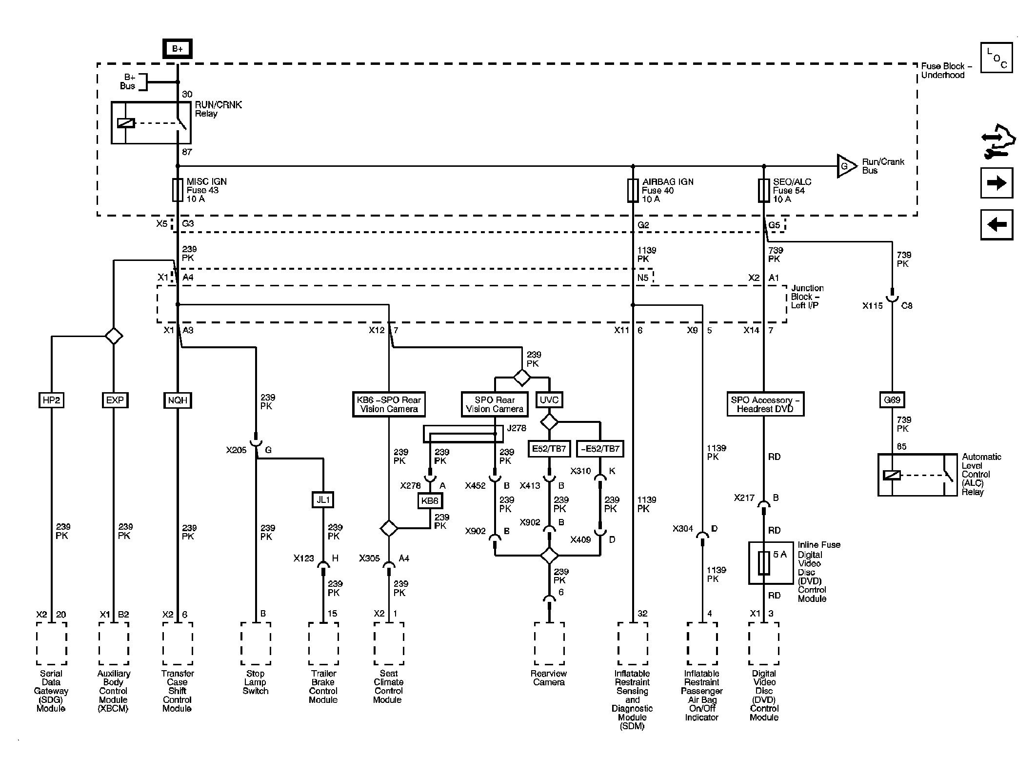
Fig 18: RUN/CRANK Bus - AIRBAG IGN, MISC IGN and SEO/ALC Fuses
GM2074569Courtesy of GENERAL MOTORS CORP.
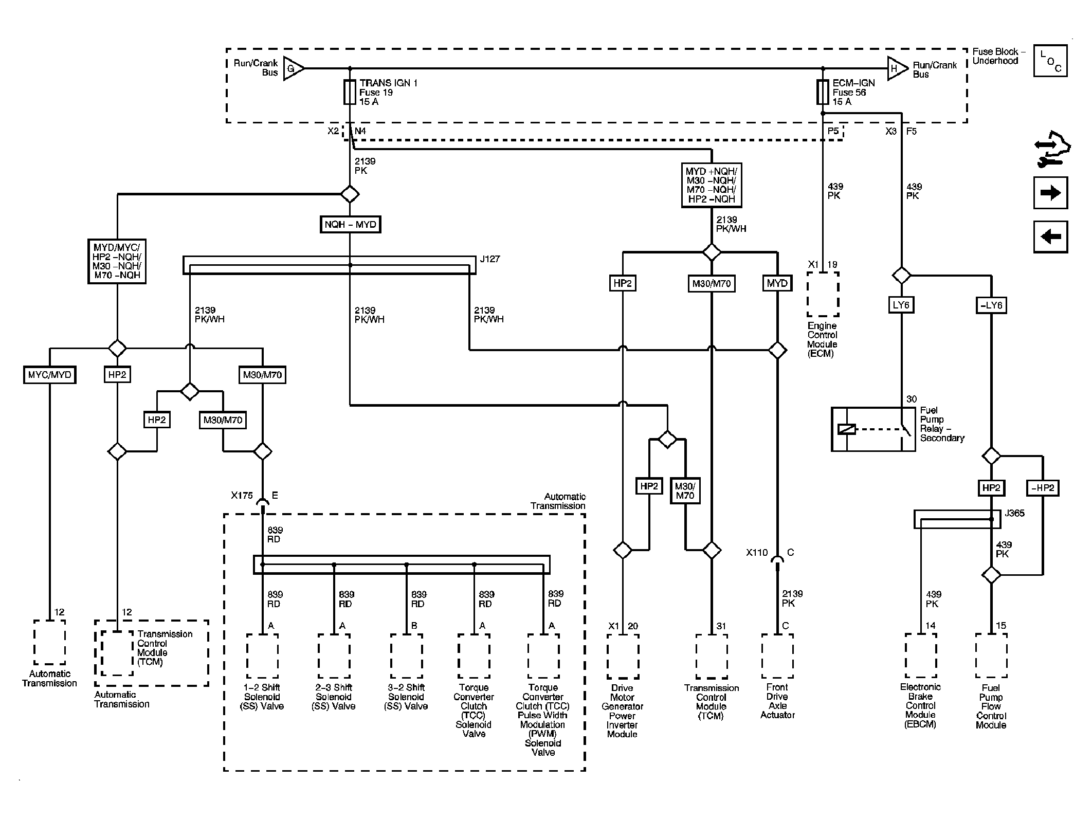
Fig 19: RUN/CRANK Bus - ECM-IGN and TRANS IGN 1 Fuses
GM2074573Courtesy of GENERAL MOTORS CORP.
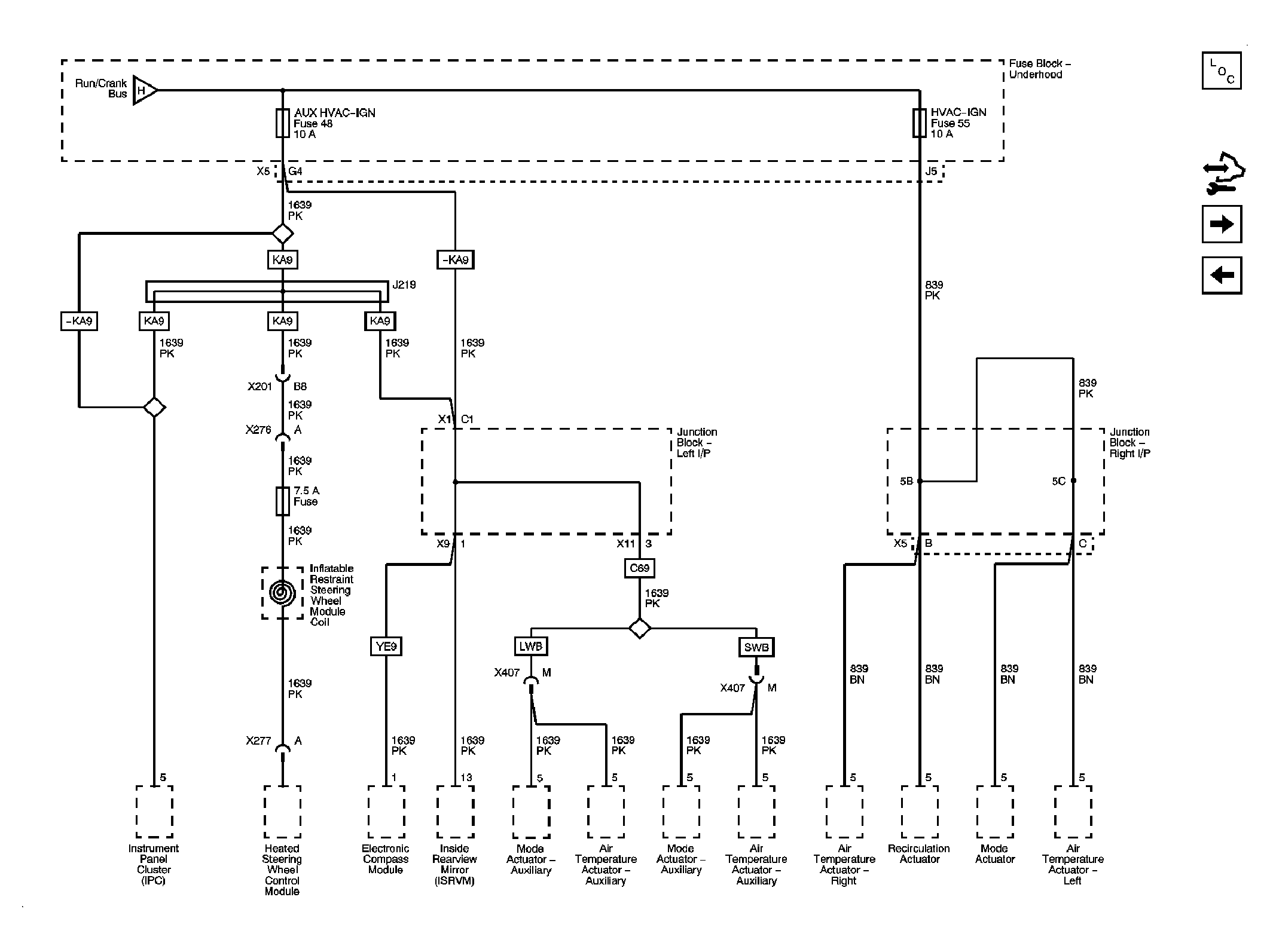
Fig 20: RUN/CRANK Bus - AUX HVAC-IGN and HVAC-IGN Fuses
GM2074577Courtesy of GENERAL MOTORS CORP.
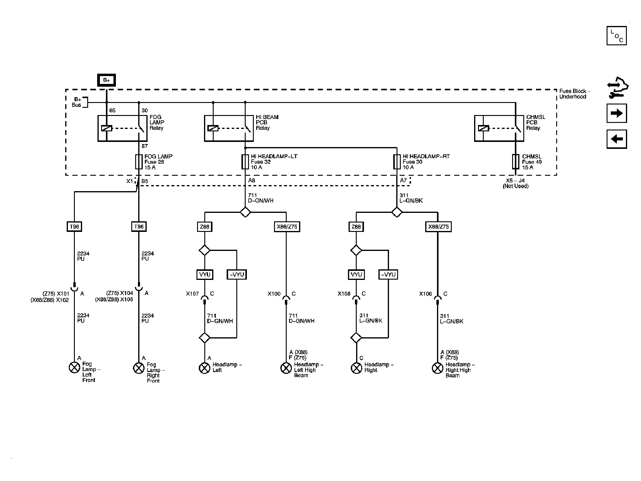
Fig 21: FOG LAMP, HI HEADLAMP-LT and HI HEADLAMP-RT Fuses
GM2074583Courtesy of GENERAL MOTORS CORP.
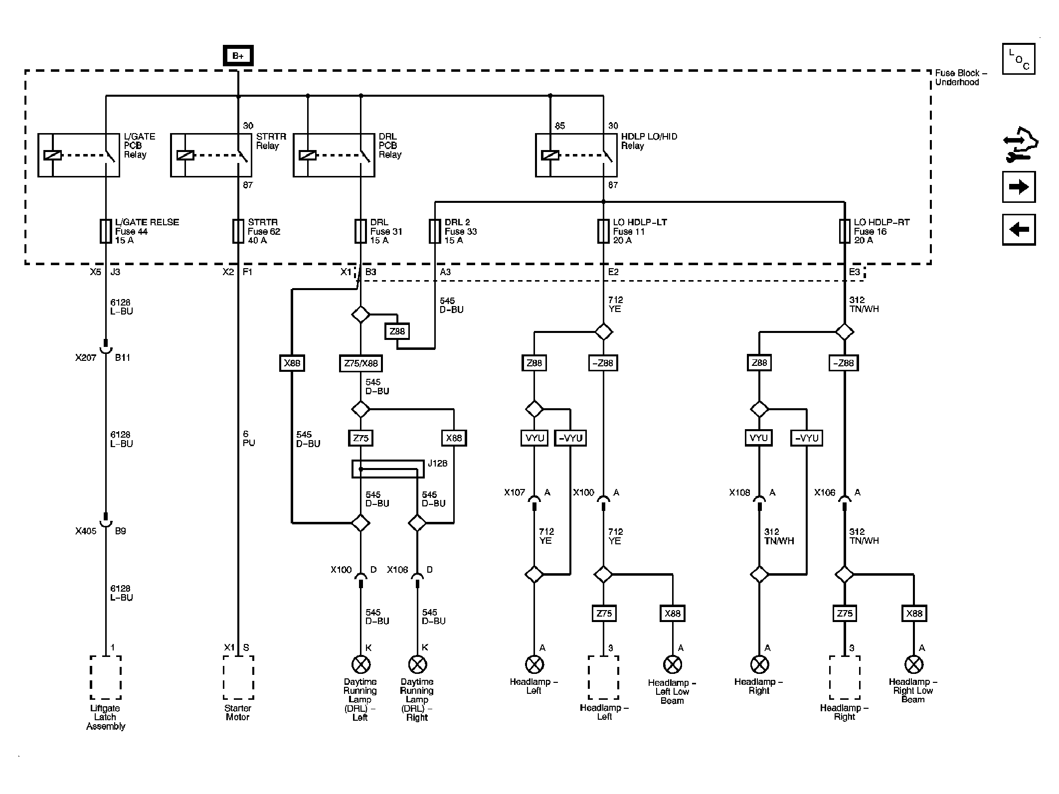
Fig 22: DRL, DRL 2, LO HDLP-LT, LO HDLP-RT, and STRTR Fuses
GM2074585Courtesy of GENERAL MOTORS CORP.
Fig 23: LT PRK Fuse
GM2074589Courtesy of GENERAL MOTORS CORP.
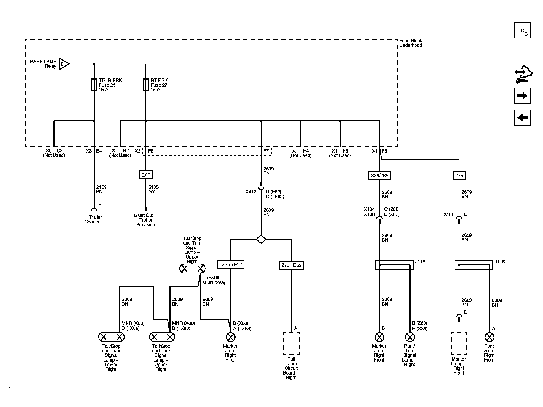
Fig 24: RT PRK AND TRLR PRK Fuses
GM2074592Courtesy of GENERAL MOTORS CORP.
Fig 25: A/C CMPRSR, FRT WASH, FUEL PUMP, HORN, REAR DEFOG, and REAR WASH Fuses
GM2074595Courtesy of GENERAL MOTORS CORP.
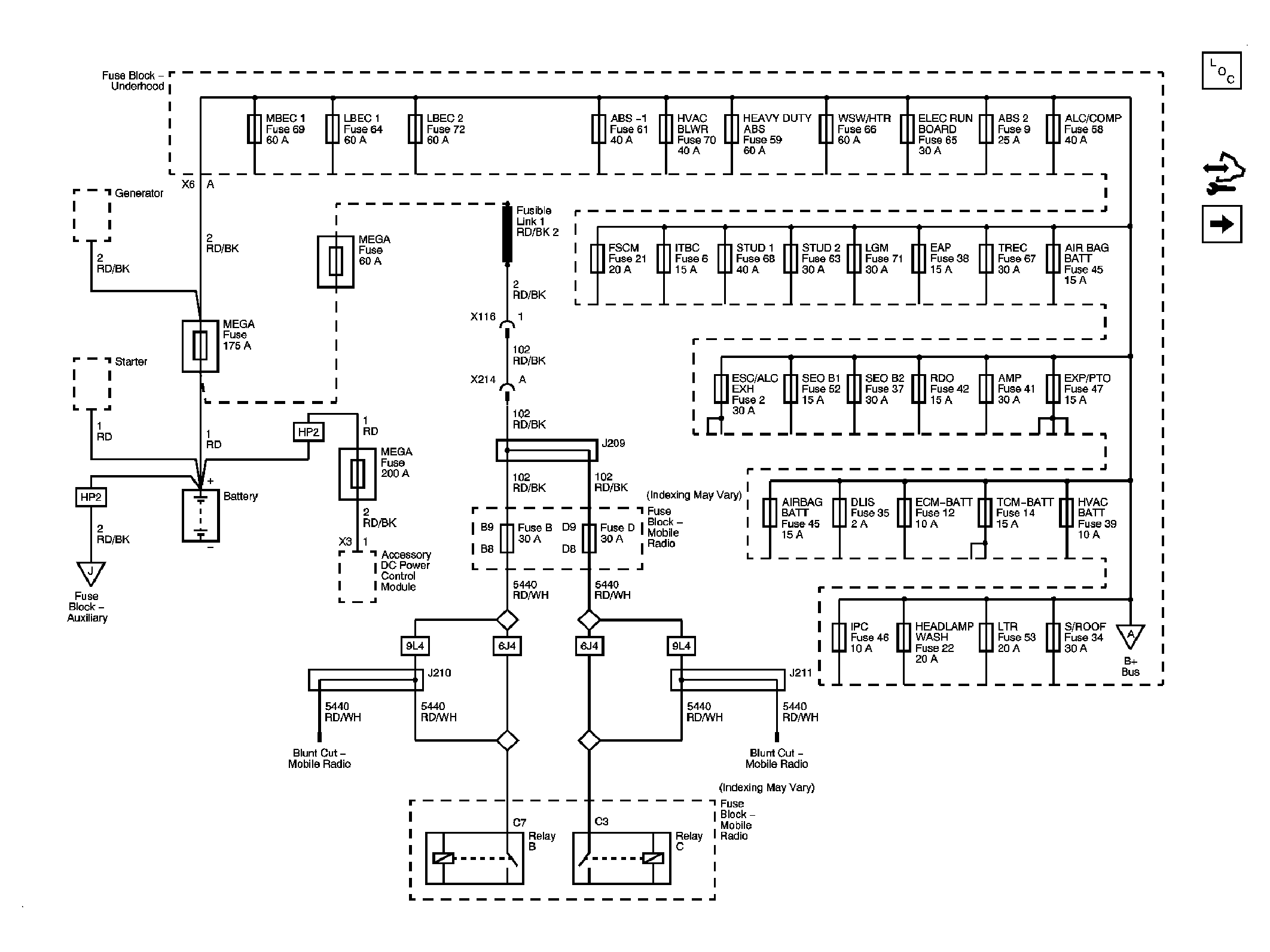
Fig 26: Fuse Block - Auxiliary B+ Bus
GM2074600Courtesy of GENERAL MOTORS CORP.
Fig 27: ACCM, ACPO, BECM, BECM FAN, CAB HTR PUMP, COOL PUMP, EPS, PIM 1 and PIM 2 Fuses
GM2074606Courtesy of GENERAL MOTORS CORP.
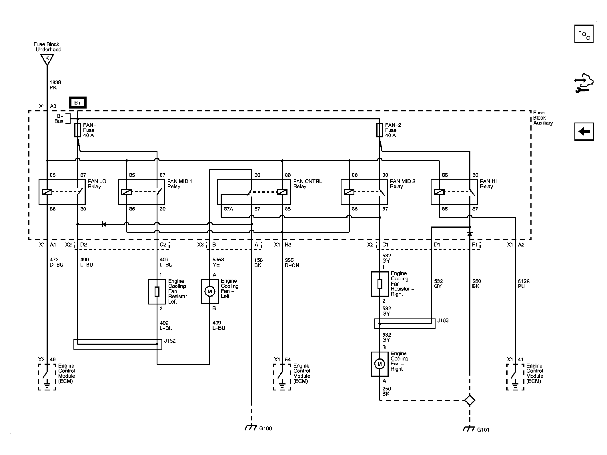
Fig 28: FAN 1 and FAN 2 Fuses
GM2074611Courtesy of GENERAL MOTORS CORP.