LEMON Manuals: Even more car manuals for everyone: 1960-2025
Home >> Cadillac >> 2009 >> Escalade EXT >> Repair and Diagnosis >> Body & Frame >> Ignition Switch/Steering Lock >> Wiring Systems And Power Management - Introduction >> Schematic and Routing Diagrams >> Upfitter Provision Schematics
April 5, 2026: LEMON Manuals is launched! Read the announcement.

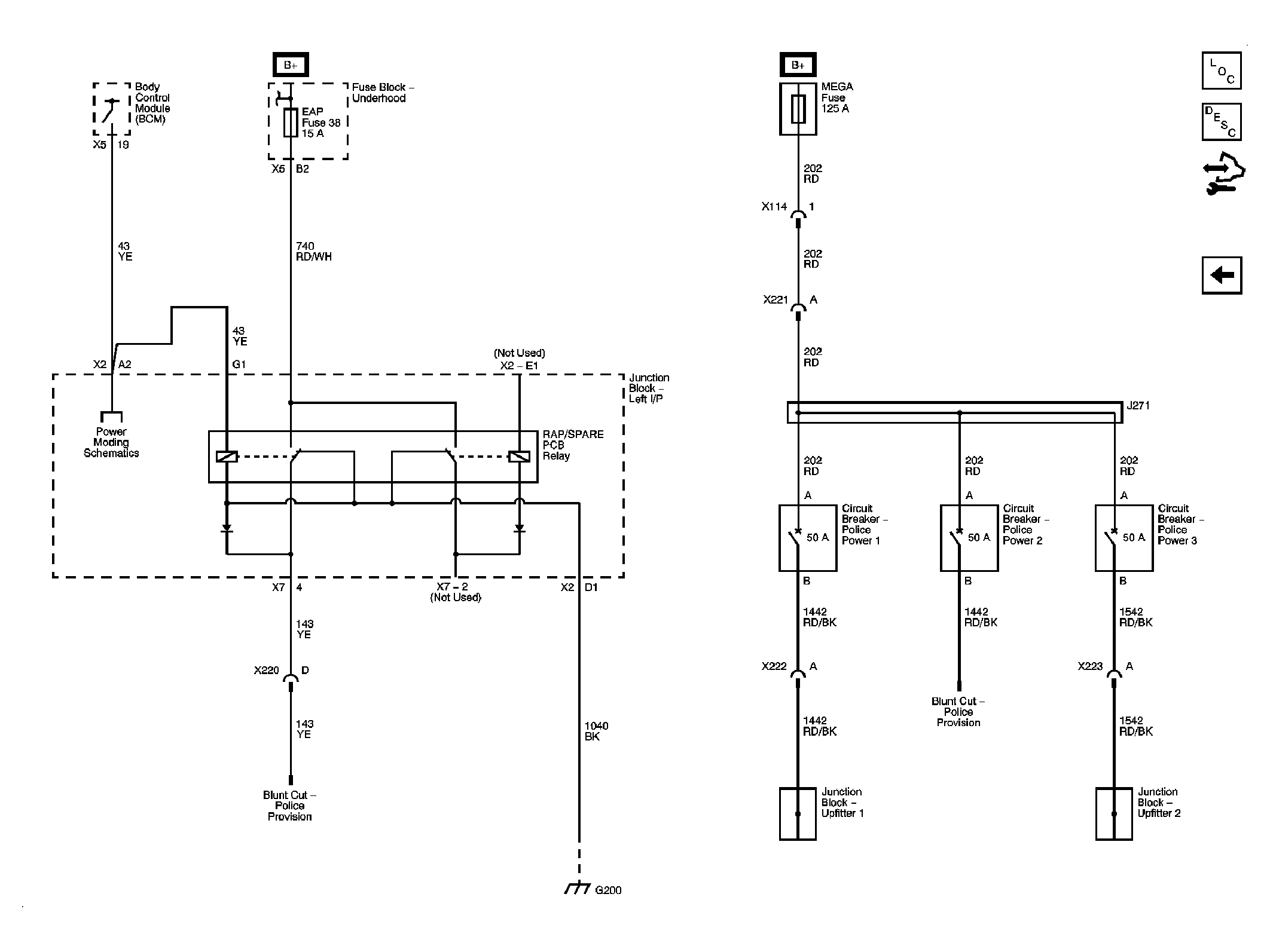
Upfitter Provision Schematics

Fig 1: Roof Beacon - TRW/5G4
GM2075732Courtesy of GENERAL MOTORS CORP.
Fig 2: Police Power - 5W4 or PPV
GM2187444Courtesy of GENERAL MOTORS CORP.