LEMON Manuals: Even more car manuals for everyone: 1960-2025
Home >> Cadillac >> 2009 >> Escalade EXT >> Repair and Diagnosis >> Body & Frame >> Towing Systems >> Trailer Brake Control System >> Schematic and Routing Diagrams >> Trailer Brake Control Schematics
April 5, 2026: LEMON Manuals is launched! Read the announcement.

Trailer Brake Control Schematics

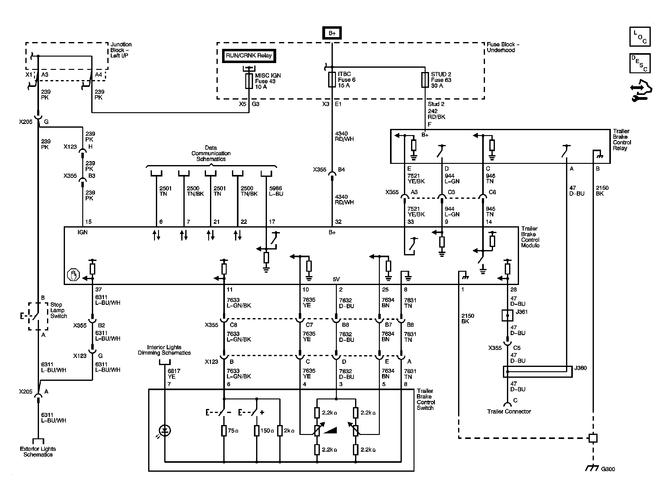
Fig 1: Trailer Brake Control System - E52
GM2098763Courtesy of GENERAL MOTORS CORP.
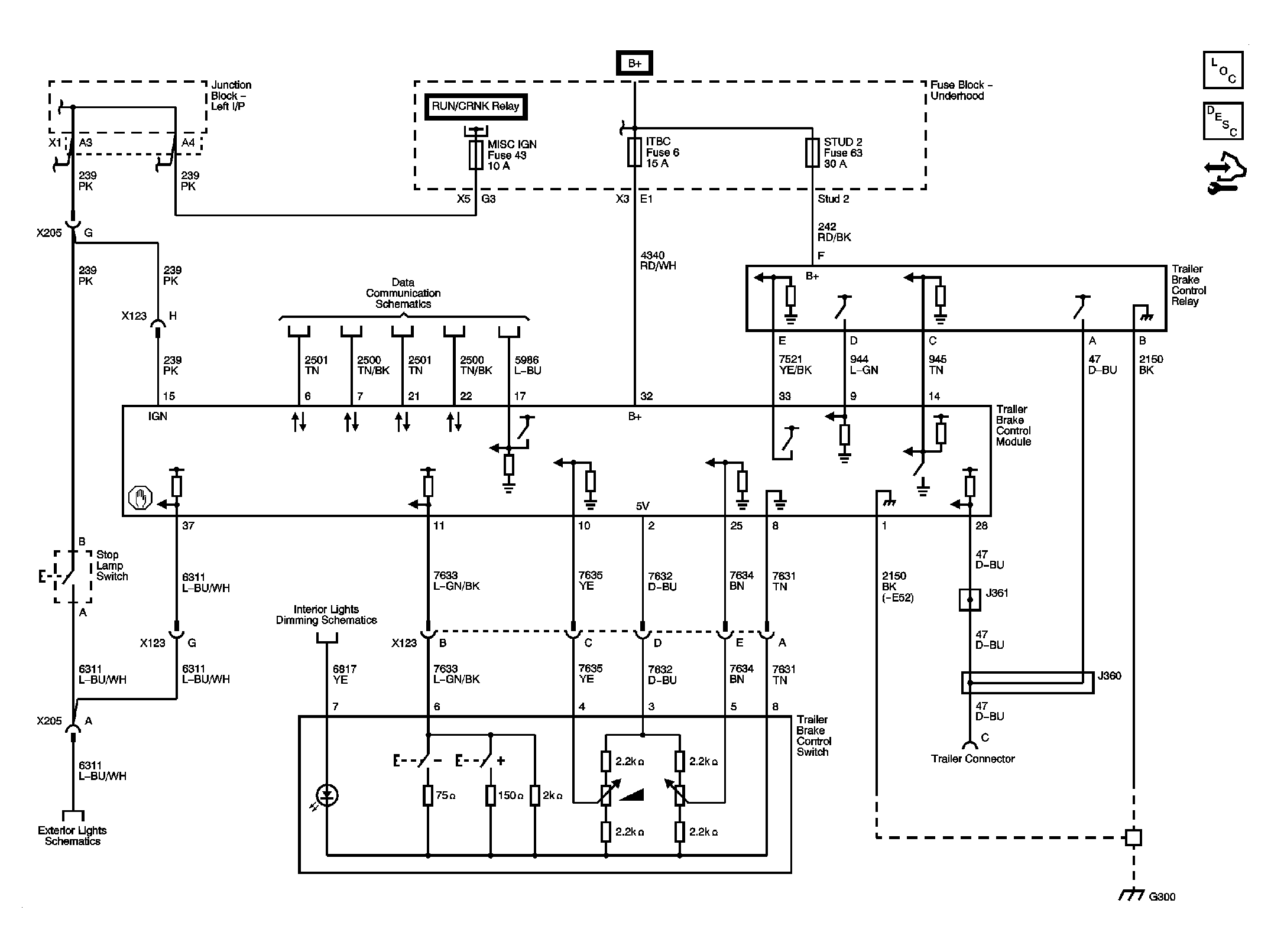
Fig 2: Trailer Brake Control System - without E52
GM2098768Courtesy of GENERAL MOTORS CORP.